附录C (资料性附录)机械连接接头的型式检验
- 格式:doc
- 大小:216.00 KB
- 文档页数:4
(七)施工现场接头的检验与验收1、工程中应用钢筋机械接头时,应由该技术提供单位提交有效的型式检验报告。
2、钢筋连接工程开始前,应对不同钢筋生产厂的进场钢筋进行接头工艺检验;施工过程中,更换钢筋生产厂时,应补充进行工艺检验。
工艺检验应符合下列规定:1)每种规格钢筋的接头试件不应少于3根;2)每根试件的抗拉强度和3根接头试件的残余变形的平均值均应符合本规程表3 0.5和表3.0.7的规定;3)接头试件在测量残余变形后可再进行抗拉强度试验,并宜按本规程附录A表A 1.3中的单向拉伸加载制度进行试验;4)第一次工艺检验中1根试件抗拉强度或3根试件的残余变形平均值不合格时,允许再抽3根试件进行复检,复检仍不合格时判为工艺检验不合格。
钢筋连接工程开始前,应对不同钢厂的进场钢筋进行接头工艺检验,主要是检验接头技术提供单位所确定的工艺参数是否与本工程中的进场钢筋相适应,并可提高实际工程中抽样试件的合格率,减少在工程应用后再发现问题造成的经济损失,施工过程中如更换钢筋生产厂,应补充进行工艺检验。
此外工艺检验中增加了测定接头残余变形的要求,这是控制现场接头加工质量,克服钢筋接头型式检验结果与施工现场接头质量严重脱节的重要措施;某些钢筋机械接头尽管其强度满足了规程的要求,接头的残余变形不一定能满足要求,尤其是螺纹加工质量较差时;增加本条要求后可以大大促进接头加工单位的自律,或淘汰一部分技术和管理水平低的加工企业。
工艺检验中,用残余变形作为接头变形的控制值,测量接头试件的单向拉伸残余变形比较简单,较为适合各施工现场的检验条件3、接头安装前应检查连接件产品合格证及套筒表面生产批号标识;产品合格证应包括适用钢筋直径和接头性能等级、套简类型,生产单位、生产日期以及可追溯产品原材料力学性能和加工质量的生产批号。
套筒均在工厂生产,影响套简质量的因素较多,如原材料性能、套简尺寸、螺纹规格、公差配合及螺纹加工精度等,要求施工现场土建专业质检人员进行批量机械加工产品的检验是不现实的,套筒的质量控制主要依靠生产单位的质量管理和出厂检验以及现场接头试件的抗拉强度试验。
附录C(资料性附录)机械连接接头的型式检验C.1 在下列情况时应进行型式检验:1 确定接头性能等级时;2 材料、工艺、规格进行改动时;3 质量监督部门提出专门要求时。
C.2 用于型式检验的钢筋母材性能除应符合有关标准的规定外,其屈服强度及抗拉强度实测值分别不宜大于相应屈服强度和抗拉强度标准值的1.10倍。
当实测值大于1.10倍标准值时,对A级接头,接头的单向拉伸强度实测值还应大干等于0.9倍钢筋实际抗拉强度。
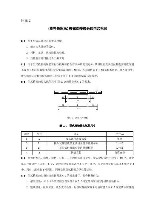
C.3型式检验的接头试件尺寸(图C.1)应符合表C.1的要求。
图C.1 试件尺寸(mm)表C.1 型式检验接头试件尺寸C.4 对每种型式、级别、规格、材料、工艺的机械连接接头,型式检验试件不应少于12个:其中单向拉伸试件不应少于6个,高应力反复拉压试件不应少于3个,大变形反复拉压试件不成少于3个。
同时,还应取3根同批、同规格钢筋试件做力学性能试验。
C.5 型式检验的加载制度应按附录C.7的规定进行,其合格条件为:1 强度检验:每个试件的实测值均应符合表C.2规定的相应性能等级的检验指标。
2 割线模量、极限应变、残余变形检验:每组试件的实测平均值应符合表C.2规定的相应性能等级的检验指标。
表C.2 接头性能检验指标C.6型式检验应由国家、省部级主管部门认可的检测机构进行,并应按C.8的格式出具试验报告和评定结论。
表C.3 主要符号C.7 接头性能检验的加载制度C.7.1 接头性能检验的试验方法应按表C.4及如图C.2、C.3、C.4 所示的加载制度进行。
表C.4 接头型式检验的加载制度C.7.2 接头现场单向拉伸试验可采用从零加到破坏的一次加载制度。
C.8接头试件单向型式检验试验报告接头试件型式试验报告应包括试验件基本参数和试验结果两部分,宜按表C.5的格式汇总记录。
表C.5 接头试件型式检验报告注:接头试件基本参数栏应详细记载。
对套筒挤压接头,应包括套筒长度、外径、内径、挤压道次、挤压力(kN)、压痕处平均直径(或挤压后套筒长度)、压痕总宽度。
TB10424-2010 铁路混凝土工程施工质量验收标准主控项目钢筋进场按每批检查直径、每延米重量抽取试件做屈服、抗拉、伸长率、冷弯,应符合GB1499 (钢筋混凝土用钢)检查数量:同牌号、同炉罐号、同规格每60t 为一批,不足60t 也按一批计。
施工单位每批抽检一次,监理单位按施工单位10%见证检验至少一次。
检验方法: 施工单位全部检查质量证明文件,监理单位全部检查质量证明文件、试验报告并进行见证检验。
钢筋保护层垫块:垫块强度和耐久性应不低于结构本体砼的标准。
检验方法:垫块制作单位每半年提供一次第三方检测报告,施工和监理单位检查质量证明文件和检测报告。
钢筋机械连接用套筒及锁母的材料、品种、规格必须符合设计要求,设计无要求应符合型式试验确定采用的套筒技术要求。
外观质量和尺寸检查符合《铁路混凝土工程钢筋机械连接技术暂行规定》。
套筒及锁母的材料、品种、规格施工、监理全部检查。
同批、同材料、同型式、同规格的每2000 个套筒或锁母为一批,施工检2%,且不少于20 个,监理按施工20%见证,且不少于4 个。
检验方法:观察和量规检查,全部检查质量证明文件,内螺纹尺寸及公差采用专用螺纹塞规检测。
钢筋连接:检验数量,钢筋接头外观质量施工、监理单位全部检查。
焊接接头的力学性能检验以同等级、同规格、同接头形式和同一焊工完成的每200 个为一批,不足200 也按一批计。
机械连接接头的力学性能检验以同一施工条件下同批材料、同等级、同规格、同型式的每500个为一批,不足500 也按一批计。
监理单位按施工抽检次数的20%见证试验,但至少一次。
检验方法:外观观察和尺量。
对焊接接头和机械连接接头做拉伸,闪光对焊增做冷弯。
监理单位检查报告并见证。
混凝土:当混凝土原材料和施工工艺等发生变化时,必须重新选定配合比。
当施工工艺和环境条件未发生明显变化、原材料的品质在合格的基础上发生波动时,可对混凝土外加剂用量、粗骨料分级比例。
砂率进行适当调整,调整后的混凝土的拌合物性能应与原配合比一致。
电梯制造与安装安全规范GB7588-20032004年1月1日实施前言 (5)EN81—1前言 (6)1 范围 (8)2 引用标准 (8)3 定义 (9)4 单位和符号 (11)5 电梯井道 (11)5.1总则 (11)5.3 井道壁、底面和顶板 (13)5.4 面对轿厢入口的层门与电梯井道壁的结构 (14)5.5 位于轿厢与对重(或平衡重)下部空间的防护 (14)5.6 井道内的防护 (15)5.7 顶层空间和底坑 (15)5.8 电梯井道的专用 (16)5.9 井道照明 (17)6 机房和滑轮间 (17)6.1 总则 (17)6.2 通道 (17)6.3 机房的结构和设备 (17)6.4 滑轮间的结构和设备 (19)7 层门 (19)7.1 总则 (19)7.2 门及其框架的强度 (20)7.3 层门入口的高度和宽度 (23)7.4 地坎、导向装置和门悬挂机构 (23)7.5 与层门运动相关的保护 (23)7.6 局部照明和“轿厢在此”信号灯 (24)7.7 层门锁紧和闭合的检查 (25)7.8 动力驱动的自动门的关闭 (26)8 轿厢与对重(或平衡重) (27)8.1 轿厢高度 (27)8.2 轿厢的有效面积,额定载重量,乘客人数 (27)8.3 轿壁、轿厢地板和轿顶 (29)8.4 护脚板 (29)8.5 轿厢入口 (30)8.6 轿门 (30)8.7 轿门运动过程中的保护 (30)8.8 关门过程中的反开 (31)8.9 验证轿门闭合的电气装置 (31)8.10 机械连接的多扇滑动门 (32)8.11 轿门的开启 (32)8.12 轿厢安全窗和轿厢安全门 (32)8.13 轿顶 (33)8.14 轿厢上护板 (33)8.15 轿顶上的装置 (33)8.16 通风 (34)8.17 照明 (34)8.18 对重和平衡重 (34)9 悬挂装置、补偿装置和超速保护装置 (34)9.1 悬挂装置 (34)9.2 曳引轮、滑轮和卷筒的绳径比,钢丝绳或链条的端接装置 (34)9.3 钢丝绳曳引 (35)9.4 强制驱动电梯钢丝绳的卷绕 (35)9.5 各钢丝绳或链条之间的载荷分布 (35)9.6 补偿绳 (35)9.7 曳引轮、滑轮和链轮的防护 (36)9.8 安全钳 (36)9.9 限速器 (37)9.10 轿厢上行超速保护装置 (38)9.11轿厢意外移动保护装置 (39)10 导轨、缓冲器和极限开关 (42)10.1 导轨的通则 (42)10.2 轿厢、对重(或平衡重)的导向 (43)10.3 轿厢与对重缓冲器 (43)10.4 轿厢和对重缓冲器的行程 (43)10.5 极限开关 (44)11 轿厢与面对轿厢入口的井道壁,以及轿厢与对重(或平衡重)的间距 (45)11.1 总则 (45)11.2 轿厢与面对轿厢入口的井道壁的间距 (45)11.3 轿厢与对重(或平衡重)的间距 (46)12 电梯驱动主机 (46)12.1 总则 (46)12.2 轿厢和对重(或平衡重)的驱动 (46)12.3 悬臂式滑轮或链轮的使用 (46)12.4 制动系统 (46)12.5 紧急操作 (47)12.6 速度 (47)12.7 停止电梯驱动主机以及检查其停止状态 (48)12.8 采用减行程缓冲器时对电梯驱动主机正常减速的监控 (49)12.9 绳或链松弛的安全装置 (49)12.10 电动机运转时间限制器 (49)12.11 机械部件的防护 (49)12.12 轿厢的平层准确度、平层保持精度 (49)13 电气安装与电气设备 (50)13.1 总则 (50)13.2 接触器、继电接触器、安全电路元件 (50)13.3 电动机和其他电气设备的保护 (51)13.4 主开关 (51)13.5 电气配线 (52)13.6 照明与插座 (53)14 电气故障的防护、控制、优先权 (53)14.1 故障分析和电气安全装置 (53)14.2 控制 (56)15 注意、标记及操作说明 (59)15.1 总则 (59)15.2 轿厢内 (59)15.3 轿顶上 (59)15.4 机房及滑轮间 (60)15.5 井道 (60)15.6 限速器 (60)15.7 底坑 (60)15.8 缓冲器 (60)15.9 层站识别 (60)15.10 电气识别 (61)15.11 层门开锁钥匙 (61)15.12 报警装置 (61)15.13 门锁装置 (61)15.14 安全钳 (61)15.15群控电梯 (61)15.16 轿厢上行超速保护装置 (61)15.17 轿厢意外移动保护装置 (61)16 检验、记录与维护 (62)16.1 检验 (62)16.2 记录 (62)16.3 安装资料 (62)附录A(标准的附录) 电气安全装置表 (63)附录B(标准的附录) 开锁三角形钥匙 (64)附录C(提示的附录) 技术文件 (64)C1 引言 (64)C2概述 (64)C3 技术说明和平面图 (65)C4 电气原理图 (65)C5 合格证书 (65)附录D (标准的附录) 交付使用前的检验 (65)D1 检查 (66)D2试验和验证 (66)附录E(提示的附录) 定期检验、重大改装或事故后的检验 (68)E1 定期检验 (68)E2 重大改装或事故后的检验 (68)附录F(标准的附录) 安全部件型式试验认证规程 (70)F0 绪论 (70)F1 层门门锁装置 (71)F2 (略) (74)F3 安全钳 (74)F4 限速器 (78)F5 缓冲器 (79)F6 含有电子元件的安全电路 (82)F7 轿厢上行超速保护装置 (84)F8 轿厢意外移动保护装置 (85)附录G(提示的附录) 导轨验算 (91)G1 概述 (91)G2载荷和外力 (91)G3 工况 (91)G4 冲击系数 (92)G5 计算 (92)G6 许用挠度 (97)G7 计算方法示例 (97)附录H(标准的附录) 电气元件故障排除 (112)附录J(标准的附录) 摆锤冲击试验 (114)J1 概述 (114)J2 试验架 (115)J3 面板 (115)J4 试验程序 (115)J5 试验结果解释 (116)J6 试验报告 (116)J7 例外情况 (116)附录K(标准的附录) 曳引电梯的顶部间距 (122)附录L(标准的附录) 需要的缓冲行程 (123)附录M(提示的附录) 曳引力计算 (123)M1 引言 (123)M2 曳引力计算 (124)M3 实例 (127)附录N(标准的附录) 悬挂绳安全系数的计算 (129)N1 概述 (129)N2 滑轮的等效数量 Nequiv (130)N3 安全系数 (131)N4 示例 (132)电梯制造与安装安全规范GB7588-2003中华人民共和国国家质量监督检验检疫总局2004年1月1日实施前言本标准的第1、2、3、4章以及7.2.1(部分内容)、8.17.1、9.1.2b)、9.9.6.2(部分内容)、12.6(部分内容)、13.1.1.3、15.2.3.2(部分内容),16.2a)6)(部分内容)、附录C、附录E、附录G、附录M及附录ZA为推荐性的,其余为强制性的。
1总则 12术语、符号. 12.1术语 12.2符号 23接头的设计原则和性能等级. 24接头的应用. 35接头的型式检验. 46施工现场接头加工与安装. 47施工现场接头的检验与验收 5附录A 接头试件的试验方法 6附录B 接头试件形式检验报告9本规程用词说明. 10 引用标准名录. 10 附:条文说明. 101总则1.0.1 为在混凝土结构中使用钢筋机械连接,做到技术先进、安全适用、经济合理、确保质量,制定本规程1.0.2 本规程适用于房屋建筑与一般构筑物中各类钢筋机械连接接头(以下简称接头)的设计、应用与验收1.0.3 用于机械连接的钢筋应符合现行国家标准《钢筋混凝土用钢第2部分热压带肋钢筋》GB 1499.2 4的规定1.0.4 钢筋机械连接除应遵守本规程外,尚应符合国家现行有关标准的规定2术语、符号2.1术语2.1.1钢筋机械连接 rebar mechanical splicing通过钢筋与连接件的机械咬合作用或钢筋端面的承压作用,将一根钢筋中的力传递至另一根钢筋的连接方法2.1.2接头抗拉强度 tensile strength of splice接头试件在拉伸试验过程中所达到的最大拉应力值2.1.3接头残余变形 residual deformation of splice接头试件按规定的加载制度加载并卸载后,在规定标距内所测得的变形2.1.4接头试件的最大力总伸长率total elongation of splice sample at maximum接头试件在最大力下在规定标距内测得的总伸长率2.1.5机械连接接头长度threaded sector接头连接件长度加连接件两端钢筋横截面变化区段的长度2.1.6头钢筋端部的螺纹区段2.2符号Asgt——接头试件的最大力总伸长率d——钢筋的公称直径f yk——钢筋屈服强度标准值f stk ——钢筋抗拉强度标准值f\st——接头试件实际抗拉强度口。
本文极具参考价值,如若有用请打赏支持我们!不胜感激!
【专业知识】钢筋机械连接对型式检验的要求
【学员问题】钢筋机械连接对型式检验的要求?
【解答】1、接头型式检验报告超过4年时必须重新取样做型式检验。
接头型式检验主要作用是对各类接头按性能分级。
2、经型式检验确定其等级后,工地现场只需进行现场检验;当接头质量有严重问题,其原因不明,对定型检验结论有重大怀疑时,上级主管部门或质检部门可以提出重
新进行型式检验要求。
3、考虑到国产钢筋的延性较好,在达到强度要求后,接头试件通常已有较大延性;
为简化检验验收规则,取消了原规程中接头试件强度与钢筋实际强度进行对比的要
求。
4、对每种型式、级别、规格、材料、工艺的钢筋机械连接接头,型式检验试件不应
少于9个:单向拉伸试件不应少于3个,高应力反复拉压试件不应少于3个,大变形反复拉压试件不应少于3个。
同时应另取3根钢筋试件作抗拉强度试验,全部试
件均应在同一根钢筋上截取。
由于型式检验比较复杂和昂贵,对各类钢筋接头只要
求对标准型接头进行型式检验;
5、此外,相同类型的直螺纹接头或锥螺纹接头用于连接不同强度级别(HRB500、HRB400、HRB335)的钢筋时,可以选择其中较高强度级别(如HRB500)的钢筋进行接头试件的型式检验;在连接套筒的尺寸、材料,内螺纹以及现场丝头加工工艺均
不变的情况下,HRB500级钢筋接头的型式检验报告可以兼作HRB400、HRB335级钢筋。
钢筋机械连接接头质量检验(2010.6.16)一、钢筋机械连接检验的类型有3种类型,即型式检验、工艺检验和现场检验。
1、接头型式检验:在下列情况应进行型式检验:(1)确定接头性能等级时;(2)材料、工艺、规格进行改动时;(3)型式检验报告超过4年时。
施工单位应将配件(如套筒)提供单位的型式检验报告列入工程验收资料,并归档留存;型式检验报告标准样式见《钢筋机械连接技术规程》(JGJ107-2010)附录B.(套筒材质为《热轧优质碳素结构园钢》GB/T699-1999);2、工艺检验:钢筋连接工程开始前,应对不同钢筋生产厂的进场钢筋进行接头工艺检验;施工过程中,更换钢筋生产厂时,应补充进行工艺检验。
工艺检验应符合下列规定:(1)每种规格钢筋的接头试件不应少于3根;(2)每根试件的抗拉强度和3根接头试件的残余变形的平均值均应符合JGJ107-2010表3.0.5和表3.0.7的规定(3)接头试件在测量残余变形后可再进行抗拉强度试验,并宜按JGJ107规程附录A表A.1.3中的单向拉伸加载制度进行试验;(4)第一次工艺检验中1根试件抗拉强度或3根试件的残余变形平均值不合格时,允许再抽3根试件进行复检,复检仍不合格时判为工艺检验不合格。
(5)应由具备上岗资格的实际操作人员,采用相同的设备、材料,在与实际施工相同的条件下操作,制成钢筋接头,送试验室进行检验合格后方可实施钢筋连接施工作业。
3、现场检验(接头抽样):应进行外观质量和接头力学性能检验,机械连接接头每500个为一检验批,不足时也为一批。
二、钢筋机械连接接头的质量跟踪1、接头的等级(以HRB335为例,σs=335,σb=455)接头应根据抗拉强度、残余变形以及高应力和大变形条件下反复拉压性能的差异,分为下列三个性能等级:Ⅰ级:接头抗拉强度等于被连接钢筋的实际拉断强度(当试件断于钢筋母材时,表明接头已满足规定要求)或不小于1.10倍钢筋抗拉强度标准值(455×1.10=50.05)(当试件断于机械接头长度区段时,应满足此要求,才能判为合格),残余变形小并具有高延性及反复拉压性能。
附录C(规范性附录)
钢筋焊接及机械连接接头质量标准和检验方法
C.0.1钢筋闪光对焊质量标准和检验方法应符合表C.0.1的规定。
表C.0.1 钢筋闪光对焊质量标准和检验方法
C.0.2钢筋电渣压力焊质量标准和检验方法应符合表C.0.2的规定。
表C.0.2 钢筋电渣压力焊质量标准和检验方法
C.0.3钢筋电弧焊质量标准和检验方法应符合表C.0.3的规定。
表C.0.3 钢筋电弧焊质量标准和检验方法
注:d为钢筋直径。
C.0.4钢筋气压焊质量标准和检验方法应符合表C.0.4的规定。
表C.0.4 钢筋气压焊质量标准和检验方法
C.0.5钢筋电阻点焊质量标准和检验方法应符合表C.0.5的规定。
表C.0.5 钢筋电阻点焊质量标准和检验方法
C.0.6钢筋机械连接质量标准和检验方法应符合表C.0.6的规定。
表C.0.6 钢筋机械连接质量标准和检验方法
注: 1 对用于动力基础的钢筋机械连接接头,应按现行有关标准规定进行抗疲劳试验。
2 d为钢筋直径。
钢筋机械连接对型式检验的要求[工程类精品文档]本文内容极具参考价值,如若有用,请打赏支持,谢谢!【学员问题】钢筋机械连接对型式检验的要求?【解答】1、接头型式检验报告超过4年时必须重新取样做型式检验。
接头型式检验主要作用是对各类接头按性能分级。
2、经型式检验确定其等级后,工地现场只需进行现场检验;当接头质量有严重问题,其原因不明,对定型检验结论有重大怀疑时,上级主管部门或质检部门可以提出重新进行型式检验要求。
3、考虑到国产钢筋的延性较好,在达到强度要求后,接头试件通常已有较大延性;为简化检验验收规则,取消了原规程中接头试件强度与钢筋实际强度进行对比的要求。
4、对每种型式、级别、规格、材料、工艺的钢筋机械连接接头,型式检验试件不应少于9个:单向拉伸试件不应少于3个,高应力反复拉压试件不应少于3个,大变形反复拉压试件不应少于3个。
同时应另取3根钢筋试件作抗拉强度试验,全部试件均应在同一根钢筋上截取。
由于型式检验比较复杂和昂贵,对各类钢筋接头只要求对标准型接头进行型式检验;5、此外,相同类型的直螺纹接头或锥螺纹接头用于连接不同强度级别(HRB500、HRB400、HRB335)的钢筋时,可以选择其中较高强度级别(如HRB500)的钢筋进行接头试件的型式检验;在连接套筒的尺寸、材料,内螺纹以及现场丝头加工工艺均不变的情况下,HRB500级钢筋接头的型式检验报告可以兼作HRB400、HRB335级钢筋的同类型、同等级接头的型式检验报告使用,反之则不允许。
钢筋母材强度试验用来判别接头试件用钢筋的母材性能和钢筋牌号。
6、用于型式检验的直螺纹或锥螺纹接头试件应散件送达检验单位,由型式检验单位或在其监督下由接头技术提供单位按本规程表6.2、l或表6.2.2规定的拧紧扭矩进行装配,拧紧扭矩值应记录在检验报告中,型式检验试件必须采用未经过预拉的试件。
7、型式检验应由国家、省部级主管部门认可的检测机构进行,并应按本规程附录B 的格式出具检验报告和评定结论。
2019年公路检测工程师《水运材料》试题及答案(卷一)单选题第1题钢筋机械连接接头性能等级划分为I、II、山三个等级,划分的依据是(D )。
A抗拉强度、残余变形、极限强度、最大力总伸长率B抗拉强度、残余变形、最大力总伸长率、高应力反复拉压性能C抗拉强度、残余变形、最大力总伸长率、大变形反复拉压性能D抗拉强度、残余变形、最大力总伸长率、高应力和大变形反复拉压性能第2题有较高要求的抗震结构,钢筋的实测抗拉强度与实测屈服强度之比应不小于(B )。
A 1.20B 1.25C 1.30D 1.35第3题伸长率是表示钢材(D )能力大小指标。
A抗拉B抗弯C韧性变形D塑性变形第4题下列说法正确的是(B )oA冷拉后的钢筋硬度增加,韧性提高但直径减小B冷拉后的钢筋强度会提高,韧性、塑性会降低C冷拉后的钢筋韧性会提高,塑性会降低D冷拉后的钢筋强度会提高,塑性、韧性会提高第5题公称直径在(14-20 )mm范围内的热轧带肋钢筋,其实际重量与理论重量的偏差规定是(C)oA ±2%B ±4%C +5%第6题钢筋接头连接件的屈服承载力的标准值不应小于被连接钢筋的屈服承载力标准值的(A)倍。
A 1.1B 1.2C 1.3D 1.5第7题若各批次钢筋均为同治炼方法、同浇筑方法、同炉罐号组成,则此HRB400E 钢筋200t共应分为(B )进行抽样检验。
A5批B4批C3批D2批第8题钢筋连接接头的施工现场应进行抗拉强度试验,假如某符合组批条件的接头数量为900个,应抽取(C )个进行抗拉强度试验。
A 9B 8C 6D 3第9题若钢筋机械连接接头现场检验的抗拉强度试件中有1根强度不符合要求,则应(D )。
A判为不合格B另取3个接头复验C另取4个接头复验D另取6个试件复验第10题闪光对焊钢筋接头以同一台班、同一焊工、同一级别的每( C )个接头为一批。
A 100B 200C 300D 500第11题在某一批①25 HRB400闪光对焊接头拉伸试验中,其3个试样的抗拉强度分别为550MPa s 540MPa s 535MPa,其断裂位置及断裂形式分别为:断于母材(延性断裂)、断于焊缝(脆性断裂)、断于焊缝(脆性断裂),则该批焊接接头抗拉强度试验结果为(C )。
钢筋机械连接对型式检验的要求?相关标签:•机械连接接头•钢筋机械连接•滚轧直螺纹连接1 接头型式检验报告超过4年时必须重新取样做型式检验。
接头型式检验主要作用是对各类接头按性能分级。
2 经型式检验确定其等级后,工地现场只需进行现场检验;当接头质量有严重问题,其原因不明,对定型检验结论有重大怀疑时,上级主管部门或质检部门可以提出重新进行型式检验要求。
3 考虑到国产钢筋的延性较好,在达到强度要求后,接头试件通常已有较大延性;为简化检验验收规则,取消了原规程中接头试件强度与钢筋实际强度进行对比的要求。
4 对每种型式、级别、规格、材料、工艺的钢筋机械连接接头,型式检验试件不应少于9个:单向拉伸试件不应少于3个,高应力反复拉压试件不应少于3个,大变形反复拉压试件不应少于3个。
同时应另取3根钢筋试件作抗拉强度试验,全部试件均应在同一根钢筋上截取。
由于型式检验比较复杂和昂贵,对各类钢筋接头只要求对标准型接头进行型式检验;5 此外,相同类型的直螺纹接头或锥螺纹接头用于连接不同强度级别(HRB500、HRB400、HRB335)的钢筋时,可以选择其中较高强度级别(如HRB500)的钢筋进行接头试件的型式检验;在连接套筒的尺寸、材料,内螺纹以及现场丝头加工工艺均不变的情况下,HRB500级钢筋接头的型式检验报告可以兼作HRB400、HRB335级钢筋的同类型、同等级接头的型式检验报告使用,反之则不允许。
钢筋母材强度试验用来判别接头试件用钢筋的母材性能和钢筋牌号。
6 用于型式检验的直螺纹或锥螺纹接头试件应散件送达检验单位,由型式检验单位或在其监督下由接头技术提供单位按本规程表6.2 l或表6.2.2规定的拧紧扭矩进行装配,拧紧扭矩值应记录在检验报告中,型式检验试件必须采用未经过预拉的试件。
7 型式检验应由国家、省部级主管部门认可的检测机构进行,并应按本规程附录B的格式出具检验报告和评定结论。
TB10424-2010铁路混凝土工程施工质量验收标准主控项目钢筋进场按每批检查直径、每延米重量抽取试件做屈服、抗拉、伸长率、冷弯,应符合GB1499(钢筋混凝土用钢)检查数量:同牌号、同炉罐号、同规格每60t为一批,不足60t也按一批计。
施工单位每批抽检一次,监理单位按施工单位10%见证检验至少一次。
检验方法:施工单位全部检查质量证明文件,监理单位全部检查质量证明文件、试验报告并进行见证检验。
钢筋保护层垫块:垫块强度和耐久性应不低于结构本体砼的标准。
检验方法:垫块制作单位每半年提供一次第三方检测报告,施工和监理单位检查质量证明文件和检测报告。
钢筋机械连接用套筒及锁母的材料、品种、规格必须符合设计要求,设计无要求应符合型式试验确定采用的套筒技术要求。
外观质量和尺寸检查符合《铁路混凝土工程钢筋机械连接技术暂行规定》。
套筒及锁母的材料、品种、规格施工、监理全部检查。
同批、同材料、同型式、同规格的每2000个套筒或锁母为一批,施工检2%,且不少于20个,监理按施工20%见证,且不少于4个。
检验方法:观察和量规检查,全部检查质量证明文件,内螺纹尺寸及公差采用专用螺纹塞规检测。
钢筋连接:检验数量,钢筋接头外观质量施工、监理单位全部检查。
焊接接头的力学性能检验以同等级、同规格、同接头形式和同一焊工完成的每200个为一批,不足200也按一批计。
机械连接接头的力学性能检验以同一施工条件下同批材料、同等级、同规格、同型式的每500个为一批,不足500也按一批计。
监理单位按施工抽检次数的20%见证试验,但至少一次。
检验方法:外观观察和尺量。
对焊接接头和机械连接接头做拉伸,闪光对焊增做冷弯。
监理单位检查报告并见证。
混凝土:当混凝土原材料和施工工艺等发生变化时,必须重新选定配合比。
当施工工艺和环境条件未发生明显变化、原材料的品质在合格的基础上发生波动时,可对混凝土外加剂用量、粗骨料分级比例。
砂率进行适当调整,调整后的混凝土的拌合物性能应与原配合比一致。
DL/T5169 — 2002前言本标准是根据国家经贸委电力司《关于确认1998 年度电力行业标准制、修订计划项目的通知》(电力[1999 」 40 号文)的要求修订的。
本次修订的内容为SDJ207 — 1982 《水工混凝土施工规范》中第三章" 钢筋工程 " ,并单独成册。
本标准实施后,代替SD207 — 1982 《水工混凝土施工规范》中第三章"钢筋工程 " 。
本标准对SD 207 — 1982 《工混凝土施工规范》中第三章" 钢筋工程 " 部分内容进行了补充和完善,增加了钢筋窄间隙焊接头,带肋钢筋挤压套筒连接,锥螺纹连接,直螺纹连接和气压焊接头等内容。
根据DL/ T 600—2001电力行业标准编写基本规定》的要求,增加了 "范围 " 和 " 规范性引用文件" 两章,原标准中第三章" 钢筋工程 "修改为"总则 " , " 钢筋材料 " , "钢筋的加工 " , " 钢筋的接头 "," 钢筋的安装 " 等章节,共计七章四个附录。
由于在施工中所采用的钢筋接头型式不同,其加工和安装的质量控制及检查要求也不同,具体要求已分别写人了相应的章节,故未单独设“质量控制与检查”章节。
本标准内使用的术语、符号己在条款中进行了说明,因此未设“术语、符号”章。
本标准的修订工作从1998 年 12 月开始,1999 年 6 月完成了标准的初稿,7 月份组织有关人员进行了讨论,根据讨论提出的意见于1999 年 12 月完成征求意见稿,2000 年 8 月根据收集的意见再次进行修改,12 月形成送审稿,2002 年 4 月21 — 23 日由中国水利水电工程总公司和电力行业水电施工标准化技术委员会审查通过。
钢筋机械连接的检验和施工要求尹廷元兰州地区大部分区域抗震设防烈度为八度,其中皋兰县、榆中县抗震设防烈度七度。
市区现浇钢筋混凝土房屋的抗震等级为一、二级,根据《混凝土结构设计规范GB50010-2002》和《高层建筑混凝土结构技术规程JGJ3-2002》规定,大部分结构设计要求大直径的钢筋采用机械连接,而钢筋机械连接技术已比较成熟,尤其在高层建筑设计中应用较为广泛,常用HRB335、HRB400级钢筋同径或异径连接,同时体现了机械连接操作简便,质量方面增加了连接强度的可靠性,消除了钢筋中心线偏移,减少了施工现场的用电量,不用气,无明火,无漏油污染,且不受钢筋肋形及其化学成份影响,全天候作业缩短了工期,方便施工并便于检测,提高了经济效益,显示了其诸多的优点。
随着施工现场钢筋机械连接的型式日趋增多,为保证钢筋接头机械连接的质量,必须要加强接头的施工现场检验与验收工作,根据《钢筋机械连接通用技术规程JGJ107-2003》的规定,并结合相关规定,对钢筋锥螺纹和直螺纹连接的质量检验,提出下列要求,钢筋的机械连接应分为三个阶段进行检验,包括加工检验、工艺检验和现场检验。
一、加工检验,锥螺纹或直螺纹的连接时,应由该技术提供单位(生产厂家)向使用单位提供工程所使用的有效型式检验报告,并符合设计性能等级的要求。
型式检验报告应有国家或省部级建设行政主管部门认可的检测机构进行检测,并按规定对各类接头按性能分级出具型式检验报告,经型式检验确定其等级后,施工现场只需要进行现场检验。
当接头质量有严重的问题,其原因不明,对定型检验结论有重大怀疑时,上级主管部门或质量监督机构可以提出重新进行型式检验要求。
生产厂家还应向使用单位提供连接套筒的出厂合格证和钢筋螺纹加工的检验记录。
检验记录是在操作者逐个外观检查合格的基础上,随机对每种规格抽查10%,且不少于10个,作外观检查后填写的螺纹加工检验记录。
二、工艺检验,就是钢筋连接开始前及施工过程中,应对每批进场钢筋和接头进行工艺检验,也是对加工件的进场验收检查。
附录C
(资料性附录)机械连接接头的型式检验
C.1 在下列情况时应进行型式检验:
1 确定接头性能等级时;
2 材料、工艺、规格进行改动时;
3 质量监督部门提出专门要求时。
C.2 用于型式检验的钢筋母材性能除应符合有关标准的规定外,其屈服强度及抗拉强度实测值分别不宜大于相应屈服强度和抗拉强度标准值的1.10倍。
当实测值大于1.10倍标准值时,对A级接头,接头的单向拉伸强度实测值还应大干等于0.9倍钢筋实际抗拉强度。
C.3型式检验的接头试件尺寸(图C.1)应符合表C.1的要求。
图C.1 试件尺寸(mm)
表C.1 型式检验接头试件尺寸
C.4 对每种型式、级别、规格、材料、工艺的机械连接接头,型式检验试件不应少于12个:其中单向拉伸试件不应少于6个,高应力反复拉压试件不应少于3个,大变形反复拉压试件不成少于3个。
同时,还应取3根同批、同规格钢筋试件做力学性能试验。
C.5 型式检验的加载制度应按附录C.7的规定进行,其合格条件为:
1 强度检验:每个试件的实测值均应符合表C.2规定的相应性能等级的检验指标。
2 割线模量、极限应变、残余变形检验:每组试件的实测平均值应符合表C.2规定的相应性能
等级的检验指标。
表C.2 接头性能检验指标
C.6型式检验应由国家、省部级主管部门认可的检测机构进行,并应按C.8的格式出具试验报告和评定结论。
表C.3 主要符号
C.7 接头性能检验的加载制度
C.7.1 接头性能检验的试验方法应按表C.4及如图C.2、C.3、C.4 所示的加载制度进行。
表C.4 接头型式检验的加载制度
C.7.2 接头现场单向拉伸试验可采用从零加到破坏的一次加载制度。
C.8接头试件单向型式检验试验报告接头试件型式试验报告应包括试验件基本参数和试验结果两部分,宜按表C.5的格式汇总记录。
表C.5 接头试件型式检验报告
注:接头试件基本参数栏应详细记载。
对套筒挤压接头,应包括套筒长度、外径、内径、挤压道次、挤压力(kN)、压痕处平均直径(或挤压后套筒长度)、压痕总宽度。
对锥螺纹接头应包括连接套长度、外径、内径、锥度、牙形角平分线垂直于钢筋轴线(或垂直于锥面)、扭紧力矩值(N·m)。
可加页描述,盖章有效。
试验单位:负责人:
试验员:校核:。