附 录 H (规范性附录)混凝土及钢筋混凝土排水管尺寸及安装允许渗水量质量标准
- 格式:doc
- 大小:97.50 KB
- 文档页数:3
中华人民共和国国家标准给水排水管道工程施工及验收规范Code for construction and accepttance of water and sewerage pipeline worksGB 50268—2008主编部门:中华人民共和国住房和城乡建设部批准部门:中华人民共和国住房和城乡建设部施行日期:2009年5月1日2008—10—15发布 2009—05—01实施中华人民共和国住房和城乡建设部、中华人民共和国国家质量监督检验检疫总局联合发布中华人民共和国住房和城乡建设部公告第132号关于发布国家标准《给水排水管道工程施工及验收规范》的公告现批准《给水排水管道工程施工及验收规范》为国家标准,编号为GB 50268—2008,自2009年5月1日起实施。
其中,第1.0.3、3.1.9、3.1.15、3.2.8、9.1.10、9.1.11条为强制性条文,必须严格执行。
原《给水排水管道工程施工及验收规范》GB 50268—97和《市政排水管渠工程质量检验评定标准》CJJ 3—90同时废止。
本规范由我部标准定额研究所组织中国建筑工业出版社出版发行。
中华人民共和国住房和城乡建设部2008年10月15 日前言本规范根据建设部《关于印发(二○○四年工程建设国家标准制订、修订计划)的通知》(建标[2004]67号)的要求,由北京市政建设集团有限责任公司会同有关单位对《给水排水管道工程施工及验收规范》GB 50268—97进行修订而成。
在修订过程中,编制组进行了的深入的调查研究和专题研讨,总结了我国各地给水排水管道工程施工与质量验收的实践经验,坚持了“验评分离、强化验收、完善手段、过程控制”的指导原则,参考了有关国内外相关规范,并以多种形式广泛征求了有关单位的意见,最后经审查定稿。
本规范规定的主要内容有:总则、术语、基本规定、土石方与地基处理、开槽施工管道主体结构、不开槽施工管道主体结构、沉管和桥管施工主体结构、管道附属构筑物、管道功能性试验及附录。
1 测试条件对于污水管道,按照市政施工规程要求,必须再回填前做闭水测试。
闭水测试前,施工现场应具备以下条件:1)管道及检查井的外观质量及“量测”检验均已合格;2)管道两端的管堵(砖砌筑)应封堵严密、牢固,下有管堵设置放水管和截门,管堵经核算可以承受压力;3)现场的水源满足闭水需要,不影响其他用水;4)选好排放水的位置,不患上影响周围环境。
2 测试程序在具备了闭水条件后,即可进行管道闭水测试。
测试从上游往下游分段进行,上游实验完毕后,可往下游充水,倒段测试以节约用水。
测试各阶段申明如下:1)灌水浸泡:闭水测试的水位,应为测试段上游管内顶以上2 米,将水灌至接近上由井口高度。
灌水历程应检查管堵、管道、井身,无漏水和严重渗水,在侵泡管和井1〜2天进行闭水测试;2)闭水测试:将水灌至规定的水位,起头记录,对渗水量的测定时间,不少于30 分钟,根据井内水面的下降值计算渗水量,渗水量不超过规定的允许渗水量即为合格。
3)测试渗水量计算:渗水量测试时间30 分钟时,每km 管道每日夜渗水量为Q=(48q)*(1000/L ),式中Q---每km 管道每 d 的渗水量q---闭水管道30 分钟的渗水量L---闭水管段长度当QC允许渗水量时,测试即为合格。
参考资料:《市政排水管渠工程质量检验标准》(CJJ 3—90)采用满管闭水测试方法附:给水排水管道工程施工及验收规范(第10、11 章)10.3.1 污水、雨污水合流及湿陷正交测试土、膨胀土地区的水落管道,回填土前应采用10.3 无压力管道严密性测试闭水法进行严密性测试。
10.3.2 测试管段应按井距分隔,长度不宜大于1km ,带井测试。
10.3.3 管道闭水测试时,测试管段应符合下列规定:10.3.3.1 管道及检查井外观质量已验收合格;10.3.3.2 管道未回填土且沟槽内无积水;10.3.3.3 全部预留孔应封堵,不患上渗水;10.3.3.4 管道两端堵板承载力经核算应大于水压力的合力;除预留进出水管外,应封堵坚忍,不患上渗水。
给水排水管道工程施工及验收规范GB50268--20082008—10—15发布,2009—05—01实施。
发布公告:其中,第1.03、3.1.9、3.1.15、3.2.8、9.1.10、9.1.11条为强制性条文,必须严格执行。
原《给水排水管道工程施工及验收规范》GB50268—97和《市政排水管渠工程质量检验评定标准》CJJ3—90同时作废。
目次1 总则2 术语3 基本规定3.1 施工基本规定3.2 质量评定基本规定4 土石方与地基处理4.1 一般规定4.2 施工降排水4.3 沟槽开挖与支护4.4 地基处理4.5 沟槽回填4.6 质量验收标准5 开槽施工管道主体结构5.1 一般规定5.2 管道基础5.3 钢管安装5.4 钢管内外防腐5.5 球墨铸铁管安装5.6 钢筋混凝土管及预(自)应力混凝土管安装5.7 预应力钢筒混凝土管安装5.8 玻璃钢管安装5.9 硬聚氯乙烯管、聚乙烯管及其复合管安装5.10 质量验收标准6 不开槽施工管道主体结构6.1 一般规定6.2 工作井6.3 顶管6.4 质构6.5 浅埋暗挖6.6 定向钻及夯管6.7 质量验收标准7 沉管和桥管施工主体结构7.1 一般规定7.2 沉管7.3 桥管7.4 质量验收标准8 管道附属构筑物8.1 一般规定8.2 井室8.3 支墩8.4 雨水口8.5 质量验收标准9 管道功能性试验9.1 一般规定9.2 压力管道水压试验9.3 无压管道的闭水试验9.4 无压管道的闭气试验9.5 给水管道冲洗与消毒附录A 给排水管道工程分项、分部、单位工程划分附录B 分项、分部、单位工程质量验收记录附录C 注水法试验附录D 闭水法试验附录E 闭气法试验附录F 混凝土结构无压管道渗水量测与评定方法附录G 钢筋混凝土结构外观质量缺陷评定方法附录H 取氨酯(PU)涂层本规范用用词说明附:条文说明1 总则1.0.1 为加强给水、排水(以下简称给排水)管道工程施工管理,规范施工技术,统一施工质量检验、验收标准,确保工程质量,制定本规范。
混凝土和钢筋混凝土排水管混凝土和钢筋混凝土排水管混凝土和钢筋混凝土排水管标准名称混凝土和钢筋混凝土排水管标准类型中华人民共和国国家标准标准号 GB/T 11836-89标准发布单位国家技术监督局标准正文1主题内容与适用范围本标准规定了混凝土和钢筋混凝土排水管的产品分类、技术要求、检验方法、检验规则和标志、包装、运输、贮存。
本标准适用于离心、悬辊、立式震动成型的混凝土客和钢筋混凝土管以及立式挤压成型的混凝土管。
本标准适用于雨水、污水、引水及农田排灌等重力管道的管子。
凡有内压或耐腐蚀要求用的排水管,由供需双方另行商定。
2引用标准GB 175 硅酸盐水泥、普通硅酸盐水泥GB 199 快硬硅酸盐水泥GB 343 一般用途低碳钢丝GB 701 普通低碳钢热轧圆盘条GB 748 抗硫酸盐硅酸盐水泥GB 1344 矿渣硅酸盐水泥、火山灰质硅酸盐水泥及粉煤灰硅酸盐水泥GB 11837 混凝土管用混凝土抗压强度试验方法GB J 204 钢筋混凝土工程施工及验收规范JG J 52 普通混凝土用砂质量标准及试验方法JG J 53 普通混凝土用碎石或卵石质量标准及试验方法3产品分类3 1 产品按名称、尺寸 ( 直径×长度 ) 、荷载、标准编号顺序进行标记。
示例:公称内径为 300mm的Ⅰ级混凝土管,其标记如下:C 300×1000—Ⅰ— GB 11836公称内径为 500mm的Ⅱ级钢筋混凝土管,其标记如下:RC 500 ×2000—Ⅱ— GB 118363 2 混凝土管和钢筋混凝土管按其规格、尺寸和外压荷载系列分为Ⅰ级和Ⅱ级,列入表 1、表 2。
3 3 按管子接口型式分为:套环式、企口式、承插式三种。
按管子接口采用的密封材料分为刚性接口和柔性接口两种。
柔性接口胶圈或用于顶管施工的管子接口尺寸,由供需双方商定。
表 1 混凝土管规格尺寸及外压荷载系列表________________________________________________________________________________公称内径最小长度Ⅰ级管Ⅱ级管D0 L 最小厚度 h 破坏荷载 Pp 最小厚度 h 破坏荷载 Ppmm mm mm KN/m mmKN/m100 19 11 5 25189150 19 8 1 2513 5200 22 8 3 2712 2250 25 8 6 3314 6300 10003010 3 40178350 35 120 4519 4400 40 13 7 4718 7450 45 15 5 5018 9500 50 17 2 5520 6600 60 20 6 65240________________________________________________________________________________注:经供需双方协议,也可生产其他规格尺寸或按工程设计要求的外压荷载的混凝土管。
给水排水管道工程施工及验收规范GB50268-2008附录C 注水法试验压力升至试验压力后开始计时,每当压力下降,应及时向管道内补水,但最大压降不得大于,保持管道试验压力恒定,恒压延续时间不得少于2h,并计量恒压时间内补入试验管段内的水量;实测渗水量应按下列公式()计算:式中:q——实测渗水量(L/min·km)W——恒压时间内补入管道的水量(L)T——从开始计时至保持恒压结束的时间(min)L——试验管段的长度(m)。
q实测渗水量[L试验管长/min·m]=W补水量/T实测时间×L试验管长注水法试验应进行记录,记录表格可见表的规定。
表注水法试验记录表工程名称试验日期年月日桩号及地段管道内径(mm)管材种类接口种类试验段长度(m)1000工作压力(MPa)试验压力(MPa)15min降压值(MPa)允许渗水量[L/(min·km]渗水量测定记录次数达到试验压力的时间t1恒压结束时间t2恒压时间T(min)恒压时间内补入的水量W(L)实测渗水量q[L/(min·m)] 18:00 10:25 145200200 /[(120+25)·1000] =2345折合平均实测渗水量[L/(min·km)]外观评语施工单位:试验负责人:监理单位:设计单位:使用单位:记录员:条文说明附录C 注水法试验本规范规定压力管道的水压试验应采用注水法试验,内容系在原“规范”附录A基础上修订的。
无压管道闭水试验根据国家标准《给水排水管道工程施工及验收规范》GB50268-2008的强制规定“污水、污雨水合流至管道及湿陷土、膨胀土、流砂地区的雨水管道必须经严密性试验合格后方可投入运行。
”一、试验准备闭水试验应编制闭水试验方案主要内容应包括1、基本情况试验段排水管的性质污水、雨水或污雨水沟槽土质管材名称、型号、规格、直径试验段长度、标准井距、雨水井、检查井的型号、尺寸2、管道两端堵头的设计3、进水、排水、排气孔等设计4、计时加水量计量设备及试验用水保障5、井距之间分隔分段6、参加试验人员组成7、观测与记录8、安全保障措施。
Q/CSG 中国南方电网有限责任公司企业标准Q/CSG10kV~500kV输变电及配电工程质量验收与评定标准第三册:变电土建工程(上篇)2012- - 发布 2012- - 实施中国南方电网有限责任公司发布南方电网公司颁布该标准的文件总目录第一册输电工程篇第二册变电电气安装工程篇第三册变电土建工程(上篇)变电土建工程(下篇)第四册变电电气试验工程篇第五册变电继电保护工程篇第六册变电自动化工程篇第七册变电通信工程篇第八册配网工程篇目次前言上篇1 总则2 规范性引用文件3 术语4 职责和评定范围5 通用工程5.1 一般规定5.2 单位工程定位放线5.3 土石方及基坑工程5.4 地基及地基处理工程5.5 地下建筑防水工程5.6 特殊施工法防水工程5.7 排水工程5.8 注浆工程5.9 砌体工程5.10 混凝土结构工程5.11 钢结构工程5.12 地面与楼面工程5.13 抹灰工程5.14 门窗工程5.15 吊顶工程5.16 轻质隔墙工程5.17 饰面板(砖)工程5.18 幕墙工程5.19 涂饰工程5.20 装饰装修细部工程5.21 屋面工程5.22 防腐蚀工程5.23 建筑给水、排水工程5.24 建筑电气工程5.25 通风与空调工程5.26电梯工程6 屋外配电装置6.1 一般规定6.2 构支架基础与设备基础6.3 构架制作与安装6.4 支架制作与安装6.5 防火墙6.6 GIS (HGIS)基础6.7 主变、高抗及电抗器基础7 站区道路、电缆沟、照明及其它7.1 一般规定7.2 站区道路7.3 电缆沟7.4 站区照明7.5 围栏及操作小道7.6 独立避雷针8 站区给水、排水工程8.1一般规定8.2站区给水工程8.3站区排水工程9围墙与大门9.1 一般规定9.2 围墙9.3 大门10 进站道路10.1 一般规定10.2 路基与路面基层工程10.3 排水工程10.4 挡土墙10.5 边坡防护工程10.6 桥涵工程10.7 路面工程11 场平工程11.1一般规定11.2土石方工程11.3挡墙工程11.4边坡防护工程11.5站外排水工程12 附则附录A(规范性附录)单位(子单位)工程观感质量检查方法及要求附录B(规范性附录)预埋件制作、安装质量标准附录C(规范性附录)钢筋焊接及机械连接接头质量标准附录D(规范性附录)混凝土强度评定及生产水平统计标准附录E(资料性附录)直埋螺栓固定钢架质量标准与检验方法附录F(规范性附录)混凝土及钢筋混凝土排水管尺寸及安装允许渗水量质量标准附录G 分项工程施工质量问题关注点附录H表格使用说明附录I施工技术管理表附录J施工过程记录表附录K工程施工质量验收记录表附录L相关的质量验收记录表前言《10kV~500kV输变电及配电工程质量验收与评定标准》的修编,是公司为贯彻国家“百年大计,质量第一”方针,努力实现公司“打造经营型、服务型、一体化、现代化的国内领先、国际著名企业”的战略目标,加强电网建设工程质量采取的重要措施。
给水排水管道工程施工及验收规范GB50268--20082008—10—15发布,2009—05—01实施。
发布公告:其中,第1.03、3.1.9、3.1.15、3.2.8、9.1.10、9.1.11条为强制性条文,必须严格执行。
原《给水排水管道工程施工及验收规范》GB50268—97和《市政排水管渠工程质量检验评定标准》CJJ3—90同时作废。
目次1 总则2 术语3 基本规定3.1 施工基本规定3.2 质量评定基本规定4 土石方与地基处理4.1 一般规定4.2 施工降排水4.3 沟槽开挖与支护4.4 地基处理4.5 沟槽回填4.6 质量验收标准5 开槽施工管道主体结构5.1 一般规定5.2 管道基础5.3 钢管安装5.4 钢管内外防腐5.5 球墨铸铁管安装5.6 钢筋混凝土管及预(自)应力混凝土管安装5.7 预应力钢筒混凝土管安装5.8 玻璃钢管安装5.9 硬聚氯乙烯管、聚乙烯管及其复合管安装5.10 质量验收标准6 不开槽施工管道主体结构6.1 一般规定6.2 工作井6.3 顶管6.4 质构6.5 浅埋暗挖6.6 定向钻及夯管6.7 质量验收标准7 沉管和桥管施工主体结构7.1 一般规定7.2 沉管7.3 桥管7.4 质量验收标准8 管道附属构筑物8.1 一般规定8.2 井室8.3 支墩8.4 雨水口8.5 质量验收标准9 管道功能性试验9.1 一般规定9.2 压力管道水压试验9.3 无压管道的闭水试验9.4 无压管道的闭气试验9.5 给水管道冲洗与消毒附录A 给排水管道工程分项、分部、单位工程划分附录B 分项、分部、单位工程质量验收记录附录C 注水法试验附录D 闭水法试验附录E 闭气法试验附录F 混凝土结构无压管道渗水量测与评定方法附录G 钢筋混凝土结构外观质量缺陷评定方法附录H 取氨酯(PU)涂层本规范用用词说明附:条文说明1 总则1.0.1 为加强给水、排水(以下简称给排水)管道工程施工管理,规范施工技术,统一施工质量检验、验收标准,确保工程质量,制定本规范。
国家标准钢筋混凝土排水管
国家标准钢筋混凝土排水管是一种用于城市排水系统的重要管道产品,具有良
好的耐腐蚀性能和较高的承载能力,被广泛应用于城市排水工程中。
国家标准钢筋混凝土排水管的生产和使用必须符合国家相关标准,以确保排水系统的安全和稳定运行。
首先,国家标准钢筋混凝土排水管的生产必须符合国家相关标准和规定。
生产
企业必须具备相应的生产许可证和质量管理体系认证,确保产品质量稳定可靠。
在生产过程中,需要严格按照国家标准和技术规范进行生产,确保产品的尺寸精准、材质优良、工艺先进。
只有符合国家标准的钢筋混凝土排水管才能保证其安全可靠的使用。
其次,国家标准钢筋混凝土排水管的使用必须符合国家相关标准和规定。
在设
计和施工过程中,需要严格按照国家标准和技术规范进行,确保排水系统的安全性和稳定性。
在使用过程中,需要定期进行检测和维护,及时发现和处理问题,确保排水管道的畅通和功能正常。
国家标准钢筋混凝土排水管具有良好的耐腐蚀性能和较高的承载能力,能够满
足城市排水系统对管道产品的需求。
在城市化进程加快的今天,国家标准钢筋混凝土排水管的应用前景广阔,对于城市排水系统的建设和维护具有重要意义。
总之,国家标准钢筋混凝土排水管是城市排水系统中不可或缺的重要管道产品,其生产和使用必须符合国家相关标准和规定,以确保排水系统的安全和稳定运行。
国家标准钢筋混凝土排水管具有良好的耐腐蚀性能和较高的承载能力,能够满足城市排水系统对管道产品的需求。
在未来的城市排水工程中,国家标准钢筋混凝土排水管将继续发挥重要作用,为城市排水系统的建设和维护提供可靠保障。
混凝土和钢筋混凝土污水管标准一、引言混凝土和钢筋混凝土污水管是城市污水处理系统中不可或缺的一部分,其质量的好坏直接影响着城市环境的卫生和美观程度,同时也关乎着人们生活质量的提高。
因此,为了保证污水管的质量符合国家标准,提高城市污水处理的效率和效果,制定了混凝土和钢筋混凝土污水管的标准。
二、标准适用范围本标准适用于DN200-3000mm的混凝土和钢筋混凝土污水管,用作城市污水处理系统中的主管道和分支管道。
三、基本要求1.材料要求1.1混凝土材料应符合GB/T 175-2007《水泥标准试验方法》、GB/T 1346-2011《普通混凝土》和GB/T 14684-2011《预制混凝土构件》等国家标准的要求。
1.2钢筋混凝土的钢筋应符合GB/T 1499.1-2008《钢筋的分类、标志及其基本性能》和GB/T 1499.2-2007《混凝土用钢筋》等国家标准的要求。
1.3混凝土和钢筋混凝土的配合比应按照GB 50487-2008《建筑结构用混凝土配合比设计规范》的要求进行。
2.制造要求2.1混凝土和钢筋混凝土污水管的制造应符合GB/T 11836-2008《混凝土和钢筋混凝土水管》标准的要求。
2.2混凝土和钢筋混凝土污水管应采用预制模具进行制造。
2.3混凝土和钢筋混凝土污水管的壁厚应符合GB/T 11836-2008《混凝土和钢筋混凝土水管》标准要求。
3.技术要求3.1混凝土和钢筋混凝土污水管的内外表面应光滑、平整,无裂缝、凸起、凹陷、气泡等缺陷。
3.2混凝土和钢筋混凝土污水管的接口应采用橡胶密封圈进行密封,密封圈应符合GB/T 5836.1-2006《管道用橡胶密封圈第1部分:常规密封圈》的要求。
3.3混凝土和钢筋混凝土污水管的强度应符合GB/T 11836-2008《混凝土和钢筋混凝土水管》标准要求。
4.检验要求4.1混凝土和钢筋混凝土污水管的检验应按照GB/T 11836-2008《混凝土和钢筋混凝土水管》标准的要求进行。
给水排水管道工程施工及验收规范GB50268-2008附录C 注水法试验C.0.1 压力升至试验压力后开始计时,每当压力下降,应及时向管道内补水,但最大压降不得大于0.03MPa,保持管道试验压力恒定,恒压延续时间不得少于2h,并计量恒压时间内补入试验管段内的水量;C.0。
2 实测渗水量应按下列公式(C。
0。
1)计算:式中:q——实测渗水量(L/min·km)W--恒压时间内补入管道的水量(L)T—-从开始计时至保持恒压结束的时间(min)L——试验管段的长度(m)。
q实测渗水量[L试验管长/min·m]=W补水量/T实测时间×L试验管长C.0.3 注水法试验应进行记录,记录表格可见表C.0。
3的规定。
表C.0.3 注水法试验记录表工程名称试验日期年月日桩号及地段管道内径(mm)管材种类接口种类试验段长度(m)1000工作压力(MPa)试验压力(MPa)15min降压值(MPa)允许渗水量[L/(min·km]渗水量测定记录次数达到试验压力的时间t1恒压结束时间t2恒压时间T(min)恒压时间内补入的水量W(L)实测渗水量q[L/(min·m)]18:00 10:25 145200200 /[(120+25)·1000]=0.00138施工单位: 试验负责人:监理单位:设计单位:使用单位:记录员:条文说明附录C 注水法试验本规范规定压力管道的水压试验应采用注水法试验,内容系在原“规范”附录A基础上修订的。
无压管道闭水试验根据国家标准《给水排水管道工程施工及验收规范》GB50268-2008的强制规定“污水、污雨水合流至管道及湿陷土、膨胀土、流砂地区的雨水管道必须经严密性试验合格后方可投入运行."一、试验准备闭水试验应编制闭水试验方案主要内容应包括1、基本情况试验段排水管的性质污水、雨水或污雨水沟槽土质管材名称、型号、规格、直径试验段长度、标准井距、雨水井、检查井的型号、尺寸2、管道两端堵头的设计3、进水、排水、排气孔等设计4、计时加水量计量设备及试验用水保障5、井距之间分隔分段6、参加试验人员组成7、观测与记录8、安全保障措施。
附录H(规范性附录)混凝土及钢筋混凝土排水管尺寸及安装允许渗水量质量标准H.1 混凝土及钢筋混凝土排水管制作各部尺寸的允许偏差及出厂检验批量H.1.1混凝土及钢筋混凝土排水管制作各部尺寸的偏差应符合表H.1.1的规定。
表H.1.1 混凝土及钢筋混凝土排水管质量检查各部尺寸的允许偏差H.1.2混凝土及钢筋混凝土排水管制作出厂检验批量应符合表H.1.2的规定,不足表H.1.2规定批量根数的,应按一个批量进行出厂检验。
表H.1.2 出厂检验批量的划分H.2 1000m长管道允许渗出或渗入水量H.2.1排除腐蚀性液体的管道不允许渗漏。
H.2.2当地下水位不高于管顶2m时,可不做渗入水量试验。
H.2.31000m长管道在24h内渗出或渗入水量应不大于表H.2.3的规定。
表H.2.3 1000m长管道在24h内允许渗出或渗入水量H.2.4排水管渗出、渗入水量试验方法:1 渗出试验:1)管道渗出试验应在管道填土前进行。
2)试验前应对管线充水浸泡,其浸泡时间:当管径小于或等于1000mm时为48h;当管径大于1000mm时为72h。
3)以2个检查井区为一个试验段。
试验时应将上、下游检查井内的排水排入口封闭严,由上游检查井注水,除有特殊要求外,属于半湿性土壤充水高度(试验水位)一般应与上游检查井的井盖相平,干燥性土壤为上游检查井内距管顶4m处。
4)试验时间为30min。
5)如渗出水量(即检查井内水的下降量)不大于1/48的允许渗出水量即为合格(如试验长度不足或大于1km,应按表H.2.3进行折算)。
2 渗入试验:试验时应先将试验管段下游检查井内的排水排出口和上游检查井的排水排入口分别封闭,然后排净下游检查井积水,静停30min,测定由试验管段渗入的水量,如不大于表H.2.3规定值,此管即可判定为合格(测定渗入水量试验,应在地下水位恢复到天然水位时进行)。
给水排水管道工程施工及验收规范GB50268—2008附录C 注水法试验C。
0.1 压力升至试验压力后开始计时,每当压力下降,应及时向管道内补水,但最大压降不得大于0.03MPa,保持管道试验压力恒定,恒压延续时间不得少于2h,并计量恒压时间内补入试验管段内的水量;C.0。
2 实测渗水量应按下列公式(C。
0。
1)计算:式中:q-—实测渗水量(L/min·km)W-—恒压时间内补入管道的水量(L)T—-从开始计时至保持恒压结束的时间(min)L—-试验管段的长度(m)。
q实测渗水量[L试验管长/min·m]=W补水量/T实测时间×L试验管长C。
0.3 注水法试验应进行记录,记录表格可见表C。
0。
3的规定。
表C.0.3 注水法试验记录表工程名称试验日期年月日桩号及地段管道内径(mm)管材种类接口种类试验段长度(m)1000工作压力(MPa)试验压力(MPa)15min降压值(MPa)允许渗水量[L/(min·km]渗水量测定记录次数达到试验压力的时间t1恒压结束时间t2恒压时间T(min)恒压时间内补入的水量W(L)实测渗水量q[L/(min·m)] 18:00 10:25 145200200 /[(120+25)·1000] =0。
施工单位: 试验负责人:监理单位:设计单位:使用单位: 记录员:条文说明附录C 注水法试验本规范规定压力管道的水压试验应采用注水法试验,内容系在原“规范"附录A基础上修订的。
无压管道闭水试验根据国家标准《给水排水管道工程施工及验收规范》GB50268—2008的强制规定“污水、污雨水合流至管道及湿陷土、膨胀土、流砂地区的雨水管道必须经严密性试验合格后方可投入运行。
"一、试验准备闭水试验应编制闭水试验方案主要内容应包括1、基本情况试验段排水管的性质污水、雨水或污雨水沟槽土质管材名称、型号、规格、直径试验段长度、标准井距、雨水井、检查井的型号、尺寸2、管道两端堵头的设计3、进水、排水、排气孔等设计4、计时加水量计量设备及试验用水保障5、井距之间分隔分段6、参加试验人员组成7、观测与记录8、安全保障措施。
混凝土和钢筋混凝土排水管混凝土和钢筋混凝土排水管混凝土和钢筋混凝土排水管标准名称混凝土和钢筋混凝土排水管标准类型中华人民共和国国家标准标准号GB/T 11836-89标准发布单位国家技术监督局标准正文1 主题内容与适用范围本标准规定了混凝土和钢筋混凝土排水管的产品分类、技术要求、检验方法、检验规则和标志、包装、运输、贮存。
本标准适用于离心、悬辊、立式震动成型的混凝土客和钢筋混凝土管以及立式挤压成型的混凝土管。
本标准适用于雨水、污水、引水及农田排灌等重力管道的管子。
凡有内压或耐腐蚀要求用的排水管,由供需双方另行商定。
2 引用标准GB 175 硅酸盐水泥、普通硅酸盐水泥GB 199 快硬硅酸盐水泥GB 343 一般用途低碳钢丝GB 701 普通低碳钢热轧圆盘条GB 748 抗硫酸盐硅酸盐水泥GB 1344 矿渣硅酸盐水泥、火山灰质硅酸盐水泥及粉煤灰硅酸盐水泥GB 11837 混凝土管用混凝土抗压强度试验方法GB J 204 钢筋混凝土工程施工及验收规范JG J 52 普通混凝土用砂质量标准及试验方法JG J 53 普通混凝土用碎石或卵石质量标准及试验方法3 产品分类3 1 产品按名称、尺寸(直径×长度)、荷载、标准编号顺序进行标记。
示例:公称内径为300mm的Ⅰ级混凝土管,其标记如下:C 300×1000—Ⅰ—GB 11836公称内径为500mm的Ⅱ级钢筋混凝土管,其标记如下:RC 500×2000—Ⅱ—GB 118363 2 混凝土管和钢筋混凝土管按其规格、尺寸和外压荷载系列分为Ⅰ级和Ⅱ级,列入表1、表2。
3 3 按管子接口型式分为:套环式、企口式、承插式三种。
按管子接口采用的密封材料分为刚性接口和柔性接口两种。
柔性接口胶圈或用于顶管施工的管子接口尺寸,由供需双方商定。
表1 混凝土管规格尺寸及外压荷载系列表________________________________________________________________________________公称内径最小长度Ⅰ级管Ⅱ级管D0 L 最小厚度h 破坏荷载Pp 最小厚度h破坏荷载Ppmm mm mm KN/m mm KN/m100 19 11 5 25 189150 19 8 1 25 13 5200 22 8 3 27 12 2250 25 8 6 33 14 6300 1000 30 10 3 40 178350 35 120 45 19 4400 40 137 47 187450 45 15 5 50 189500 50 17 2 55 20 6600 60 20 6 65 240________________________________________________________________________________注:经供需双方协议,也可生产其他规格尺寸或按工程设计要求的外压荷载的混凝土管。
混凝土排水管质量标准在城市建设和基础设施建设过程中,混凝土排水管被广泛应用于排水系统中。
作为排水系统的重要组成部分,混凝土排水管承担着将雨水和废水从建筑物和街道排出的关键任务。
为了确保排水系统的正常运行和持久使用,制定一套严格的混凝土排水管质量标准是必要的。
混凝土排水管是一种用于排水系统的管道,由混凝土材料制成。
它通常用于将雨水和废水从住宅、商业建筑和道路排出,以保持环境干净和人们的安全。
混凝土排水管具有以下几个重要作用:排水功能:混凝土排水管通过其内部通道将水流导向污水处理厂或适当的排水区域,以保持城市的卫生和防止水浸。
强度和耐久性:混凝土排水管具有良好的强度和耐久性,能够承受来自地下土壤和交通负荷的压力,并保持其结构完整性。
环境友好:混凝土材料是一种环境友好的选项,由可再生材料制成,具有很长的使用寿命,减少了对自然资源的需求。
为了确保混凝土排水管的质量和性能达到标准,需要制定一套详细的质量标准。
这些标准将涵盖混凝土材料的成分、制造工艺、尺寸要求、强度和耐久性要求以及相关测试方法等内容,以确保混凝土排水管在使用过程中能够提供可靠的功能和长期的服务寿命。
以下是混凝土排水管的质量要求:强度:混凝土排水管应具备足够的强度以承受正常使用条件下的荷载和压力。
密度:混凝土排水管应具备适当的密度,以确保其结构紧密,不易渗漏。
耐久性:混凝土排水管应具备耐久性,能够在长期使用过程中不受损坏或腐蚀。
外观:混凝土排水管的外观应整齐端正,无明显的裂缝、变形或破损。
尺寸:混凝土排水管的尺寸应符合设计要求,确保与其他配套设备的连接或安装无缝衔接。
以上是《混凝土排水管质量标准》中列举的几项质量要求。
这些要求确保了混凝土排水管在使用过程中能够保持正常运行,并提供有效的排水功能。
本文档规定了混凝土排水管的尺寸和公称直径范围,以确保其质量标准的合规性。
以下是混凝土排水管的尺寸规格要求:公称直径范围:按照具体使用需求,混凝土排水管的公称直径应在一定范围内,以满足相应的排水需求。
混凝土排水管尺寸规范标准混凝土排水管尺寸规范标准导言混凝土排水管是建筑和市政工程中常见的一种排水管道,其主要作用是将雨水、废水等排放到污水处理厂或者自然水体中。
混凝土排水管的尺寸直接关系到其承载能力和排水效率,因此在设计和施工过程中必须遵循相关标准规范。
本文将详细介绍混凝土排水管的尺寸规范标准。
一、混凝土排水管的分类混凝土排水管可以根据其形状和用途进行分类,主要包括以下几种:1. 圆形排水管:适用于雨水和废水的排放,通常用于建筑和市政工程中。
2. 方形排水管:主要用于雨水和废水的排放,也可以用于排污和通风。
3. U型排水管:适用于排放尾水、工业废水和化学废水等。
4. S型排水管:适用于大规模污水处理工程中,其特点是可调节水平面和排放量。
二、混凝土排水管的尺寸规范混凝土排水管的尺寸规范主要包括以下几个方面:1. 内径规范:内径是混凝土排水管的重要参数之一,也是其承载能力和排水效率的关键因素。
根据国家标准,混凝土排水管的内径应该符合以下规范:(1)圆形排水管的内径应该在100mm~4000mm之间。
(2)方形排水管的内径应该在200mm~2000mm之间。
(3)U型排水管的内径应该在400mm~2000mm之间。
(4)S型排水管的内径应该在800mm~3000mm之间。
2. 壁厚规范:混凝土排水管的壁厚也是影响其承载能力和排水效率的重要因素。
根据国家标准,混凝土排水管的壁厚应该符合以下规范:(1)圆形排水管的壁厚应该在20mm~200mm之间。
(2)方形排水管的壁厚应该在30mm~150mm之间。
(3)U型排水管的壁厚应该在40mm~150mm之间。
(4)S型排水管的壁厚应该在60mm~200mm之间。
3. 长度规范:混凝土排水管的长度也是需要规范的,一般来说,其长度应该在2m~6m之间。
如果需要连接多个管道,可以采用搭接、法兰或者套接等方式进行连接。
4. 偏差规范:混凝土排水管在生产和安装过程中难免会出现一定的偏差,因此需要进行规范。
检验报告Inspection Report
产品名称:混凝土和钢筋混凝土排水管
委托单位:安阳市兴达预制构件有限公司
检测类型:委托检测
检测项目:混凝土和钢筋混凝土排水管
安阳市兴达预制构件有限公司
二○一四年八月十六日
20140316 混凝土和钢筋混凝土排水管检测报告JL-JCBG-1701-C
共2 页第 1 页
签发:审核:检测:
职务:职务:职务:
证号:证号:证号:
20140316混凝土和钢筋混凝土排水管检测报告JL-JCBG-3601-A
共 2页第2 页
注意事项
1、报告未加盖检测专用章无效。
2、未经本单位书面同意,部分复制报告无效。
3、报告无检测、审核、签发签名无效。
4、报告涂改无效。
5、委托检测结果仅对来样负责。
6、若对检测结果有异议,请在收到报告后十五日内,以书面形式向
检测单位提出。
《埋地塑料排水管道施工》04s520目次1 总则 (1)2 术语 (2)3 安装与连接 (3)3.1 一般规定 (3)3.2 成品验收 (3)3.3 安装 (4)3.4 支管连接 (4)3.5 基座安装 (5)4 施工质量验收 (6)4.1 一般规定 (6)4.2 主控项目 (6)4.3 一般项目 (6)附录A 井筒井样式图 (7)附录B 管件井样式图 (7)附录C 塑料检查井出厂合格证 (8)附录D 聚乙烯缠绕结构壁管承插式接口及橡胶圈尺寸 (8)附录E 《埋地塑料排水管道工程技术规程》第6.4节 (9)附录F 基座尺寸及配筋图 (11)附录G 塑料检查井检验批验收记录表 (12)条文说明 (13)1 总则 (14)2 术语 (15)11 总则1.0.1 为提高市政排水工程施工工效,统一高密度聚乙烯(HDPE)塑料检查井的施工方法与验收标准,确保施工质量,制定本规范.1.0.2 本规范适用于上海地区新建,改建,扩建的市政排水管道工程.1.0.3 本规范适用于高密度聚乙烯(HDPE)塑料检查井的安装及与各种管材公称直径DN≤ 1400mm,管顶覆土厚度小于或等于4m的塑料排水管的连接.1.0.4 执行本规范时,尚应符合国家和本市现行的排水工程规范的有关规定.22 术语2.0.1高密度聚乙烯(HDPE)塑料检查井用高密度聚乙烯(HDPE)树脂和一定比例的助剂组成混合料制作的检查井.2.0.2 井筒式塑料检查井检查井的井筒呈直立状.一般在上下游管道内径尺寸小于或等于井筒内径时使用.2.0.3 管件式塑料检查井检查井的井筒呈三通管件状.一般上下游管道内径尺寸大于或等于井筒内径时使用.2.0.4 分离式检查井检查井的井筒顶端与基座之间保持一定的空隙,以避免井筒直接承受地面车辆荷载作用.2.0.5 基座用于支承检查井盖座,直接承受地面车辆荷载作用的钢筋混凝土板块.2.0.6 基座基础承受检查井基座的荷载并将其传递至路基,一般为道路基层.2.0.7 挡圈分离式检查井的基座和井筒间空隙的环状防护隔离装置,以防止杂物落入井筒并保持基座与井筒的连接.2.0.8 底板井筒式检查井的最低内表面.底板可采用同一材料焊接而成.2.0.9焊接连接采用专门的焊接工具和焊条将相邻的管端加热,使之熔融成整体的连接方法.2.0.10橡胶密封圈用天然橡胶或合成橡胶制成各种不同形状的环状截面,用于管道间或管道与井筒间承插式连接的弹性密封装置.33 安装与连接3.1 一般规定3.1.1 高密度聚乙烯(HDPE)塑料检查井(以下简称塑料检查井)必须采用分离式基座,以避免车辆荷载直接作用在井筒上.3.1.2 塑料检查井有井筒式和管件式两种形式,一般应根据设计要求和施工现场条件来确定.井筒式,管件式塑料检查井式样分别见附录A,B.3.1.3 塑料检查井与其他非HDPE材质管道连接时,其预制承口必须满足被接管道的连接要求.3.1.4 塑料检查井支管承口可采用现场制作.3.2 成品验收3.2.1 塑料检查井到达现场后应逐座检查验收.其物理力学性能和环向弯曲刚度应符合《埋地塑料排水管道技术规程》(DG/TJ08-308-2002)的规定和设计要求.成品检查验收的内容包括产品合格证,产品型式检验报告,外观质量,尺寸偏差和零配件.产品合格证格式见附录C.3.2.2 产品外观质量应符合以下要求:1 井筒内外光洁平整,无裂缝,痈包,凹陷,管口无变形;2 内外焊缝饱满,无脱焊,漏焊,无裂纹;对外观质量不符合要求的塑料检查井,应在问题和缺陷处做好记号后,交生产厂商返修处理.经返修处理后的产品,应重新组织验收.3.2.3 井筒直径,高度,主管直径应符合表3.2.3的规定,连管的数量,规格及偏转角等应符合设计要求.表3.2.3 塑料检查井允许偏差(mm)井筒直径高度承口内径垂直度+10,-15 ±20 +10,-15 2%H3.2.4 橡胶密封圈,挡圈等零配件的数量,规格与检查井一致,并保持完好.4橡胶密封圈的规格,尺寸见附录D.3.2.5 橡胶密封圈的外观应光滑平整,不得有气孔,裂缝,卷褶,破损重皮等缺陷.其性能应符合下列要求:邵氏硬度:50±5;伸长率:≥500%;拉断强度: 16MPa;永久变形:<20%;老化系数:≥0.8(70℃,144h)3.3 安装3.3.1 塑料检查井井位处最小沟槽宽度应符合表3.3.1的规定.表3.3.1 井位最小沟槽宽度表检查井类型最小沟槽宽度备注管件式检查井De+600 De为管道外径井筒式检查井De'+600 De'为井筒外径注:1 沟槽支撑厚度未包括在内.2 当槽深大于3m时,沟槽宽度可增加200mm.3.3.2 塑料检查井的垫层基础采用厚150mm,粒径5~40mm的碎石或砾石砂,上面加铺50mm中粗砂.垫层应按沟槽宽度铺垫,并摊平,拍实,其密实度不得低于90%.3.3.3 安放塑料检查井时应采用非金属绳索系扣.小型检查井可用人工缓慢溜放的方式送至沟槽内,大型检查井可用机械起吊.3.3.4 塑料检查井管道接口安装应符合《埋地塑料排水管道工程技术规程》(DG/YJ08-308-2002)第6.4节的规定(见附录E).3.3.5 塑料检查井的沟槽回填应在所有连管连接牢固并验收合格后立即进行.回填材料可采用中粗砂,粉煤灰,热焖粉化钢渣.为防止塑料检查井产生位移和过大变形,沟槽回填前可用沙袋或重物来固定检查井,回填时应分层对称夯实.3.4 支管连接3.4.1 支管预留承口可工厂预制或现场制作.在已获得支管的高程,角度等准确数据的情况下应优先选用在工厂预制.3.4.2 支管承口现场制作时应符合以下规定:51 必须预先暴露现有支管或周围管线深度,准确测量支管接头的高程和角度;2 支管接头应做到内,外接缝双面焊接,焊缝无缺焊,裂痕,光滑平整;3 支管接头承口的内径必须与所接纳支管的插口相匹配.3.5 基座安装3.5.1 基座及基座(三渣)基础施工应符合图3.5.1的规定.图3.5.1 分离式基座及三渣基础3.5.2 钢筋混凝土基座的制作应符合设计要求,其尺寸与配筋见附录F.3.5.3 三渣基础下面的填土必须分层夯实,找平并核对标高.3.5.4 摊铺三渣基础前应按照计算高程先安装挡圈.3.5.5 三渣基础应分二次摊铺夯实并适当抛高,压实后的总厚度不得小于400mm,其每边宽度应大于混凝土基座200mm,最后一次碾压可以在井口盖上铁板后用轻型压路机进行.3.5.6 基座吊装前须用小木桩在基座四角定位,以保证其圆心居中.64 施工质量验收4.1 一般规定4.1.1 一座检查井为一个检验批.4.1.2 井框,井盖必须完整无损,安装平整.4.1.3 井内不得有建筑垃圾,剩余砂浆,杂物.4.1.4 塑料检查井应随塑料排水管同时进行闭水检验,检验方法,检验频率和允许渗水量与塑料排水管相同.4.2 主控项目4.2.1 塑料检查井质量验收的主控项目见表4.2.1.表4.2.1 主控项目的允许偏差项目允许偏差检查数量检验方法井底高层+10mm,-30mm 每座井1点水平仪测量井位中心偏差15mm 每座井1点经纬仪测量井筒直径变形≤3%De' 每座井3点钢尺丈量4.3 一般项目4.3.1 塑料检查井质量验收的一般项目见表4.3.1.表4.3.1 一般项目的允许偏差项目允许偏差检查数量检验方法井壁垂直度≤3%H 每座井2点垂线钢尺丈量主管连接管口标高±15mm 每座井2点水平仪测量内径+5,-3mm 每根连管1点钢尺丈量标高+10,-20mm 每根连管1点水平仪测量支管承口偏转角±2 每根连管1点接口密封性能不渗不漏观察胸腔及管顶上500mm内回填材料干重度≥16KN/m 每层一组3点取样检测4.3.2 塑料检查井检验批质量验收记录表见附录G.7附录A井筒式检查井样式图附录B管件式检查井样式图8附录CHDPE塑料检查井出厂合格证简图工程名称井编号检验员生产单位出厂日期合格章环刚度井筒规格地面高程主管规格1井深度主管规格2管底高程连管规格1落底深度连管规格2井总高连管规格3备注附录 D聚乙烯(PE)缠绕结构壁管承插式接口及橡胶圈尺寸摘自《埋地塑料排水管道施工》图集(建质[2004]191号,统一编号GJBT—778,图集号04S520)9附录E上海市工程建设规范《埋地塑料排水管道工程技术规程》(DG/TJ08-308-2002)6.4 管道安装.6.4.1 下管前,应按产品标准逐节进行外观质量检验, 不符合标准要求的,应做好记号,另作处理.5.4.2 下管前,凡规定应进行管道变形检测的断面,必须事先量出该管道断面的实际直径尺寸,并做好标记.6.4.3 下管可用人工或起重机进行.采用人工下管时,可由地面人员将管材传递给沟槽施工人员;对放坡开挖的沟槽,也可用非金属绳索系住管身两端,保持管身平衡均匀溜放至沟槽内,严禁将管材由槽顶滚入槽内;采用起重机下管时,应用非金属绳索扣系住,不得串心吊装.6.4.4 安装时,承插口管应将插口顺水流方向,承口逆水流方向,安装宜由下游往上游进行. 6.4.5 塑料管材的接口,应采用弹性密封橡胶圈连接的承插式或套筒式柔性接口.在现场能确保粘接效果的条件下,对公称直径DN200mm以下的直壁管亦可采用插入式粘接接口. 6.4.6 橡胶圈接口应符合以下规定:1 接口前,应先检查橡胶圈是否配套完好,确认橡胶圈安放位置及插口应插入承口的深度.2 接口时,先将承口内壁清理干净,并在承口内壁及插口橡胶圈上涂上润滑剂(首选硅油),然后将承插口端面的中心轴线对齐.3 接口方法应按下述程序进行:DN400mm及其以下管道,先由一人用棉纱绳吊住被安装管道的插口,另一人用长撬棒斜插入基础,并抵住该管端部中心位置的横挡板,然后用力将该管缓缓插入待安装管道的承口至预定位置;DN400mm以上管道可用2台手扳葫芦将管节拉动就位.接口合拢时,管节两侧的手扳葫芦应同步拉动,使橡胶密封圈正确就位,不扭曲,不脱落.6.4.7 粘接接口应符合以下规定:1 检查管材质量,必须将插口外侧和承口内侧表面擦拭干净,使被粘接面保持清洁,不得有尘土水迹.表面沾有油污时,必须用棉纱蘸丙酮等清洁剂擦净.102 粘接前必须对两管的承口与插口粘接的紧密程度进行验证,使插入深度及松紧度配合情况符合要求,并在插口端表面划出插入承口深度的标线.3 在承插接头表面用毛刷涂上符合管材材性要求的专用粘结剂,先涂承口内面,后涂插口外面,沿轴向由里而外涂抹均匀,不得漏涂或涂抹过量.4 涂抹粘结剂后,应立即校正对准轴线,将插口插入承口,用力推挤至所划标线,插入后将管旋转1/4圈,在60s内保持施加外力不变,并保持接口的正确位置.5 插接完毕应及时将挤出的粘结剂擦拭干净,静止固化.固化时间应符合粘结剂生产厂家的规定.6.4.8 为防止接口合拢时已排设管道轴线位置移动,需采取稳管措施.具体方法可在编织带内灌满黄砂,封口后压在已排设管道的顶部.具体数量视管径大小而异.管道接口后,应复核管道的高程和轴线使其符合要求.6.4.9 雨季施工应采取防止管材漂浮措施.管道安装结束后,可先回填至管顶以上一倍管径以上高度.管道安装结束尚未回填时,一旦遭水淹,应进行管中心线和管底高程复测及外观检查,如发生位移,漂浮或拔口现象,应返工处理.11附录F基座尺寸及配筋图附录G塑料检查井检验批质量验收记录表工程名称分项工程名称验收部位施工单位专业工长项目经理施工执行标准名称及编号分包单位分包项目经理施工班组长质量验收规范规定施工单位检查评定记录监理(建设)单位验收记录项目允许偏差检查数量检验方法井底高层+10mm,-30mm 每座井1点水平仪测量井位中心偏差15mm 每座井1点经纬仪测量主控项目井筒直径变形≤2%De' 每座井3点钢尺丈量井壁垂直度≤1%H 每座井2点垂线钢尺丈量主管连接管口标高±15mm 每座井2点水平仪测量内径+5,-3mm 每根连管1点钢尺丈量标高+10,-20mm 每根连管1点水平仪测量支管承口偏转角±2 每根连管1点接口密封性能不渗不漏观察一般项目胸腔及管顶上500mm内回填材料干容重≥16KN/m 每层一组3点取样检测施工单位检查评定结果项目专业质量检查员年月日监理单位验收结论监理工程师年月日高密度聚乙烯(HDPE)塑料检查井施工及验收规范条文说明2006 上海141 总则1.0.1 近年来,各种塑料排水管在本市排水工程中得到了广泛的应用.其重量轻,抗渗性好, 施工方便的特点得到了普遍的认同.相比之下,检查井无论是材料还是施工工艺都没有根本改变.用高密度聚乙烯(HDPE)材料制成的排水井经过近三年的研制和试用,其产品质量和施工安装工艺,已基本成熟.它与各种塑料排水管连接中能有效地解决接口和井体渗漏问题.同时,由于其重量轻,对减少路面沉降,提高道路质量也有明显作用.另外,在上海城市交通日益拥挤的今天,HDPE塑料检查井的出现,使市政排水管道工程的装配化施工成为可能,使排水工程实现真正意义上的一体化施工成为可能,极大地减少了在市政道路上施工的排水管道工程对城市交通的影响.为了促进HDPE塑料检查井的推广应用,保证其施工质量,需要制定相应的施工与验收标准.由于《埋地塑料排水管道工程技术规程》(DG/TJ08-308-2002 J10185-2002)中已包括了HDPE塑料管道的材料,结构计算,竣工验收等内容,因此本规范只对HDPE塑料检查井的安装与验收做出规定,其他均可按上述技术规程执行.1.0.3 此处所指各种塑料排水管包括硬聚乙烯(PVC-U),高密度聚乙烯(HDPE),增强聚丙烯(FRPP)和玻璃纤维增强塑料夹砂(RPM)管,其管材结构形式包括双壁波纹管,加筋管,中空壁螺旋缠绕管和平壁管.152 术语2.0.1 高密度聚乙烯检查井是采用高密度聚乙烯缠绕管材用切割,焊接等二次加工的方法在工厂制造的检查井.与注塑加工所擅长的小型塑料井相反,这种塑料井不需要昂贵的模具制作,品种规格变化灵活,特别适合于大中型管道中.高密度聚乙烯具有良好的焊接性能,这就使在现场加工支管承口成为可能.其缺点是制作一座检查井所耗用的时间和人工较多,生产效率较低.2.0.4 分离式检查井是指在基座下面设置钢筋混凝土板,通过该板将车辆荷载传递至路基, 避免检查井井身直接承受车辆荷载的一种设计.在上海市政工程设计研究院的标准设计中这种钢筋混凝土板称为基座,基座下面的基础采用预制或现浇钢筋混凝土结构.在上海城市建设计研究院的设计图中这种混凝土板称为钢筋混凝土盖板,简称大盖板,大盖板下面的基础为三渣路基.从方便施工考虑,本规范采用了城建院的设计方法.。
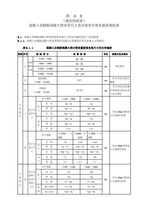
附录H
(规范性附录)
混凝土及钢筋混凝土排水管尺寸及安装允许渗水量质量标准
H.1 混凝土及钢筋混凝土排水管制作各部尺寸的允许偏差及出厂检验批量
H.1.1混凝土及钢筋混凝土排水管制作各部尺寸的偏差应符合表H.1.1的规定。
表H.1.1 混凝土及钢筋混凝土排水管质量检查各部尺寸的允许偏差
H.1.2混凝土及钢筋混凝土排水管制作出厂检验批量应符合表H.1.2的规定,不足表H.1.2规定批量根数的,应按一个批量进行出厂检验。
表H.1.2 出厂检验批量的划分
H.2 1000m长管道允许渗出或渗入水量
H.2.1排除腐蚀性液体的管道不允许渗漏。
H.2.2当地下水位不高于管顶2m时,可不做渗入水量试验。
H.2.31000m长管道在24h内渗出或渗入水量应不大于表H.2.3的规定。
表H.2.3 1000m长管道在24h内允许渗出或渗入水量
H.2.4排水管渗出、渗入水量试验方法:
1 渗出试验:
1)管道渗出试验应在管道填土前进行。
2)试验前应对管线充水浸泡,其浸泡时间:当管径小于或等于1000mm时为48h;当管径大于1000mm时为72h。
3)以2个检查井区为一个试验段。
试验时应将上、下游检查井内的排水排入口封闭严,由上游检查井注水,除有特殊要求外,属于半湿性土壤充水高度(试验水位)一般应与上游检查井的井盖相平,干燥性土壤为上游检查井内距管顶4m处。
4)试验时间为30min。
5)如渗出水量(即检查井内水的下降量)不大于1/48的允许渗出水量即为合格(如试验长度不足或大于1km,应按表H.2.3进行折算)。
2 渗入试验:试验时应先将试验管段下游检查井内的排水排出口和上游检查井的排水排入口分别封闭,然后排净下游检查井积水,静停30min,测定由试验管段渗入的水量,如不大于表H.2.3规定值,此管即可判定为合格(测定渗入水量试验,应在地下水位恢复到天然水位时进行)。