纸箱包装业务员专业技术知识培训资料
- 格式:doc
- 大小:100.00 KB
- 文档页数:8
纸箱培训计划一、培训目的纸箱是包装行业中常见的一种包装材料,其制作和使用涉及到许多专业的知识和技能。
为了提高员工的工作能力和专业水平,公司决定开展纸箱培训计划,让员工掌握纸箱的生产工艺、质量控制和安全操作流程,提高员工对纸箱工艺的理解和运用能力,提高公司的生产效率和产品质量,实现公司的可持续发展。
二、培训对象本次培训计划面向公司所有从事纸箱生产和使用工作的员工。
三、培训内容1. 纸箱的分类和用途- 介绍纸箱的分类和用途,让员工了解不同类别的纸箱在不同的情况下的使用和特点,为员工提供基础知识。
2. 纸箱的生产工艺- 详细介绍纸箱的生产工艺,包括纸张的选材、切割、折叠、胶合、成型等工艺流程,并要求员工现场观摩纸箱生产流程。
3. 纸箱的质量控制- 分析纸箱生产中常见的质量问题,如开胶、变形、色差等,提出解决方法和控制措施,让员工掌握纸箱质量控制的技巧和方法。
4. 纸箱的安全操作- 介绍纸箱生产和使用中的安全操作规范,包括机械设备的安全操作、用药材料的安全使用等内容,确保员工在工作中能够遵守安全规定,降低生产事故的发生率。
5. 纸箱的环保意识- 强调纸箱的生产和使用对环境的影响,让员工养成环保意识,提倡绿色包装理念。
6. 纸箱新技术和新材料的应用- 进一步介绍纸箱行业的新技术和新材料的应用,让员工了解行业的发展趋势,增强员工的创新意识。
四、培训方式1. 理论学习- 通过课堂教学、讲座、讨论等方式,对纸箱的分类、生产工艺、质量控制、安全操作等内容进行系统性的理论学习。
2. 实地观摩- 安排员工参观纸箱生产现场,让员工身临其境地了解纸箱的生产过程,加深对理论知识的理解。
3. 案例分析- 结合实际生产中的案例,分析纸箱生产中常见的质量问题和安全隐患,让员工学会从实践中总结经验,提高问题解决能力。
五、培训时间本次纸箱培训计划将持续一个月,每周安排一次课程学习和一次实地观摩,培训结束后进行实际操作考核。
六、培训评估1. 学习成绩评估- 对员工的理论学习成绩进行评估,达到一定标准才能参加实际操作考核。
包装工操作技术培训资料引言:包装工是生产线上不可或缺的一环,他们负责将成品进行包装,确保产品的安全运输和市场的形象展示。
包装工需要掌握一系列的操作技术,以确保高效且准确地完成任务。
本文将介绍包装工操作技术的培训资料,帮助包装工提高操作技能,提高工作效率。
一、包装工的工作职责包装工的工作职责包括但不限于以下几个方面:1. 根据操作规程进行产品包装,确保包装合格;2. 检查产品的质量,并记录相关数据;3. 准备包装材料和工具,保证生产流程的连续;4. 操作包装设备,进行产品包装;5. 遵守安全操作规程,确保工作环境安全。
二、包装工操作技术培训资料1. 包装材料的了解与选择了解不同类型的包装材料(如纸箱、塑料袋、泡沫等),了解它们的特性以及适用场景。
在选择包装材料时,要考虑产品的重量、易损性、保护等级等因素。
2. 包装设备的操作与维护包装工需要熟练掌握包装设备的操作技巧,如自动封箱机、打包机等。
了解设备的基本原理,能够正确操作和调整设备,确保包装工作的顺利进行。
此外,还要掌握设备的日常维护方法,如清洁、润滑等。
3. 包装过程的标准操作流程包装工需要按照标准操作流程进行包装工作,包括但不限于以下几个步骤:①准备包装材料和工具;②检查产品的质量,确保无缺陷;③进行产品的包装;④检查包装质量,确保包装完整;⑤清理工作场地,确保整洁。
4. 质量控制与问题处理包装工需要严格按照质量控制标准进行包装。
在包装过程中,如果发现产品有质量问题,包装工需要立刻停止操作,并及时报告上级。
同时,对于常见的质量问题,包装工需要学会处理方法,如破损修补、重新包装等。
5. 安全操作与危险防范包装工需要注意安全操作,确保自身安全和产品的安全。
要熟悉包装过程中可能存在的危险因素,如尖锐工具、高温设备等,采取必要的防护措施。
同时,包装工还需要了解应急救援常识,如火灾、意外伤害等情况的应对方法。
6. 团队合作与沟通技巧包装工通常是作为团队中的一员进行工作,良好的团队合作和沟通技巧是提高工作效率的关键。
纸箱厂培训计划和培训内容一、培训目标本次培训旨在提升员工的专业技能,增强团队合作意识,提高工作效率。
通过培训,使员工对纸箱生产工艺和设备的操作方法有更深入的了解,能够更加熟练地操作设备,提高生产效率和产品质量。
同时,培训还将注重员工的安全意识和环保意识,帮助员工提升工作的安全性和环保意识,从而保障员工的身体健康和生产环境的卫生。
二、培训内容1. 纸箱生产工艺的介绍通过工艺师现场演示、视频资料展示等形式,向员工介绍纸箱的生产工艺,包括原材料的准备、纸箱的设计、印刷、裁切、压制等各个环节的工艺流程。
帮助员工了解纸箱的生产工艺,为后续操作提供基础知识。
2. 设备操作技能的培训通过设备操作师的现场讲解和操作演示,帮助员工掌握纸箱生产设备的操作技能,包括裁切机、印刷机、压制机等设备的操作方法和注意事项。
同时,还会对设备的维护保养进行培训,帮助员工学会对设备进行日常的维护和保养,延长设备的使用寿命。
3. 安全生产和环保知识的培训通过安全生产专家的讲解和案例分析,帮助员工了解纸箱生产过程中存在的安全隐患和事故原因,提醒员工注意安全防范,避免发生意外事故。
同时,还将介绍环保法规和环保政策,提醒员工注意环保意识,减少生产过程中的环境污染。
4. 团队合作和沟通技巧的培训通过团队建设师的引导和团队活动,帮助员工增强团队合作意识,培养良好的团队合作氛围。
同时,还将对员工进行沟通技巧的培训,帮助员工改善沟通技巧,提高工作效率。
5. 品质管理知识的培训通过品质管理专家的讲解和案例分析,帮助员工了解纸箱生产中的品质管理知识,包括产品质量标准、产品检验方法、质量异常处理方法等内容,提高员工对产品质量的认知和要求。
6. 综合能力的培训本次培训还将对员工进行综合能力培训,包括学习方法、职业素质的提升、职业规划等内容,帮助员工全面提升自身的综合素质,更好地适应企业的发展需求。
三、培训方式1. 纸箱厂内部培训针对不同岗位的员工,纸箱厂将组织内部培训,通过现场演示、讲解和操作模拟等形式,帮助员工掌握相关技能和知识。
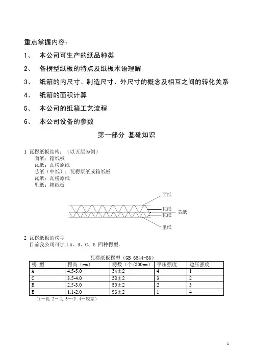
纸品知识培训第一章瓦楞纸板、纸箱生产基础知识一、瓦楞纸板、纸箱的特点、优点和用途1、它是商品运输包装的一种主要材料;瓦楞纸板和瓦楞纸箱的生产始于19世纪末期,在20世纪初期得以迅速发展。
瓦楞纸箱重量轻,价格便宜,可以大规模生产多种尺寸,使用前储存空间很小,并能印刷各种图案,因此在制成品包装运输上得到广泛运用。
2、结构特点:由单层或多层波浪形的瓦楞纸板和平坦纸粘合而成;3、性能特点:瓦楞有良好的抗压强度和防震性能,能承受一定的压力、冲击和振动;4、六个优点:4.1抗压防震4.2适合印刷4.3易于成形4.4重量较轻4.5利于环保4.6成本低廉(较其它包材而言)5、纸箱的四大作用:5.1保护商品5.2方便储运5.3广告宣传5.4促进销售二、原材料介绍(识别)1、纸度1.1原纸:即生产/制造纸板(纸箱)的原料纸的简称,也叫卷筒纸或大炮纸。
原纸的幅度一般情况下,最小为29″,最大为55″,共14个奇数幅宽,原纸生产成纸板则有14个纸度(沿坑纹方向的纸板宽度)即29″、31″、35″、37″、39″……55″。
1.2特殊纸度:有57 ″、59″、63″、66″、67″、70″、74″、78″、82″、87″、90″、94″、98″等十三种纸度。
1.3书写格式:一般情况下表示纸板的尺寸时,纸度写在前面,纸板的长度写在后面。
如31″*84″、29″*72″……2、纸的识别2.1原纸的分类(克重和代号)K纸:250g/m2T纸(白):200g/m2A纸:175g/m22纸:125g/m2B纸:125g/m23纸:105-115g/m2C纸:127g/m26纸:200g/m2G纸:300g/m27纸:260g/m2F纸:112g/m28纸:310g/m2W纸:180g/m29纸(白):125g/m2KW(140g/m2)又叫牛底白1纸:112g/m2M纸:160g/m25纸:150g/m22.2根据用途分类面纸:即瓦楞纸板上面的一层牛皮纸,亦称箱板纸。
资料范本本资料为word版本,可以直接编辑和打印,感谢您的下载纸箱专业工艺培训讲义地点:__________________时间:__________________说明:本资料适用于约定双方经过谈判,协商而共同承认,共同遵守的责任与义务,仅供参考,文档可直接下载或修改,不需要的部分可直接删除,使用时请详细阅读内容纸箱专业培训讲义2010-3-28说明:本讲义重点是对纸箱生产过程中的要点进行了论述,希望能对各分公司生产管理和员工提高技能有所帮助。
标准和计算公式是从网上拷贝来的,其他都是本人的经验之谈,难免有错误的地方,请大家批评指正,本人将不胜感激。
目录一.纸的简介1.1箱板纸的国家标准简介1.2瓦楞纸标准简介1.3板纸、瓦楞纸验收注意事项1.4原纸质量统计分析二.瓦楞纸板2.1纸板的相关标准2.2纸板的特性2.3瓦楞纸板生产线2.4玉米淀粉粘合剂2.5蒸汽2.6瓦楞纸板的边压强度2.7瓦楞纸板的耐破强度2.8提高瓦楞纸板生产线效率的措施三.瓦楞纸箱3.1瓦楞纸箱工艺简介3.2水性印刷机3.3水性印刷机的常见问题3.4瓦楞纸箱的检验3.5确定纸箱抗压强度的基本思路3.6抗压强度计算公式3.7影响抗压强度的因素分析3.8运用纸箱知识降低成本举例四.纸箱厂影响环境的因素及对策4.1烟尘的影响4.2污水的影响4.3噪声的影响一.纸1.1箱板纸的国家标准简介标准号GB/T13024--2003规定了箱板纸的技术规范。
适用于制造瓦楞纸板用的箱板纸。
1.1.1产品分类箱板纸按质量分为普通箱板纸、牛皮挂面箱板纸、牛皮箱板纸。
普通箱板纸、牛皮挂面箱板纸按质量分为优等品、一等品、合格品三个等级,牛皮箱板纸分为优等品、一等品两个等级。
1.1.2箱板纸的规格纸的幅宽750—2500每50mm为一档,其偏差应不超过0+8mm卷筒纸直径为800、1000、1100、1200mm,其偏差±50mm。
其它尺寸可符合订货合同规定。
纸箱包装业务员专业知识培训资料
一、纸板、纸箱的特点、优点和用途。
1.它是商品运输包装的一种主要材料。
2.结构特点:由单层或多层波浪形的瓦楞纸和平坦纸粘合而成。
3.性能特点:瓦楞有良好的抗压强度和防震性能,能承受一定的压力、冲击和振动。
4.六个优点:①抗压防震②适合印刷③易于成形④重量较轻⑤利于环保⑥成本低廉。
5.纸箱的四大作用:①保护商品②方便储运③广告宣传④促进销售。
二、原纸的分类、克重和代号。
1.瓦楞纸品用的原纸一般分三类:①牛卡纸(木桨纸)②挂面纸[包括白卡纸](废纸再造纸)③芯纸。
2.“克重”的概念:表示某种纸一平方米面积的重量,以克为单位,中文写“克/平方米”,英文写“g/ m2”。
3.本公司常用的原纸代号和克重。
①牛卡纸四种:B纸(125g/m2); A纸(175 g/m2);
K纸(250~255g/m2); G纸(300 g/m2);
②挂面纸一种:C纸(127~130g/m2)
③白卡纸两种:W纸(160g/m2); KW纸(140 g/m2)叫“牛底白”。
④芯纸一种:F纸(112g/m2)用作芯纸和中纸时表示为:3或9
三、纸板知识。
1.纸板是由瓦楞原纸通过瓦楞棍加工而成波形的瓦楞纸与箱板纸粘合成的板状物,一般按实用分四种:
①见坑纸(单面单瓦楞纸板)---由2纸组成
②单坑纸(单瓦楞纸板)-------由3纸组成
③双坑纸(双瓦楞纸板)-------由5纸组成
④三坑纸(三瓦楞纸板)-------由7纸组成
2.坑型分类:
①A坑--- 每30CM长度有33+3格波纹(高坑)
②B坑--- 每30CM长度有47+3格波纹
③C坑--- 每30CM长度有39+3格波纹(高坑)
④E坑--- 每30CM长度有90+4格波纹(低坑)(用9来表示坑型)
坑高:A=4.5~5mm>C=3.5~4mm>B=2.5~3mm>E=1.1~2mm 3.纸板(纸质)代号:面纸芯纸中纸芯纸里纸
①见坑纸板例:A3、B3、F3 、A9
②单坑纸板例:K3A、B3C、F33 、A9B
③双坑纸板例:G333K、K=A、B333C常用B/C坑型。
④三坑纸板例:G33333K、K3K3K3K、B三C
4.纸板、纸箱的物理性能。
耐破强度----瓦楞纸板在单位面积上所能承受的均匀地增大最大压力。
戳穿强度----用一定形状的角锤穿过纸板所需的力。
边压强度----一定尺寸的试样,楞形垂直在两测量板之间进行压缩,在压溃
前所能承受之最大压力。
粘合强度----将针形附件插入试样的粘合单一面之间,然后对插有样的针形
附件均匀地施加压力,直至粘合部份被分离时所承受之最大压
力。
纸箱抗压---将样品折叠成形后置于试验机两面平行压板之间,然后均匀地加
压力直至试验品发生破裂。
四、纸箱知识。
1.修边,钉条标准:
请注意:坑机切纸的最短限制是25英寸。
2.纸度:与坑纹方向相同的一边为纸度,与坑纹方向垂直的一边为切长。
3.纸箱的常用类型、开料和计价:
开料表示法:纸度X切长=开料数量
除非客户特别要求,否则粘箱一般不可开双驳。
(1)普通箱:
开料:双驳:[x倍(H+W)+飞边]x(L+W+钉条)=订单量x2÷x倍
单驳:[x倍(H+W)+飞边]x[2(L+W)+钉条]=订单量÷x倍计价:(L+W+2)x (H+W+1)x2x纸价÷1000
(2)
开料:双驳:[x倍(H+1/2W)+飞边]x(L+W+钉条)=订单量x2÷x倍
单驳:[x倍(H+1/2W)+飞边]x[2(L+W)+钉条]=订单量÷x倍
计价:(L+W+2)x (H+1/2W+1)x2x纸价÷1000
(3)下半翼箱:
开料:双驳:[x倍(H+1/2W)+飞边]x(L+W+钉条)=订单量x2÷x倍
单驳:[x倍(H+1/2W)+飞边]x[2(L+W)+钉条]=订单量÷x倍计价:(L+W+2)x(H+1/2W+1)x2x纸价÷1000
(4)齐翼箱:
开料:双驳:[x倍(H+2W)+飞边]x(L+W+钉条)=订单量x2÷x倍
单驳:[x倍(H+2W)+飞边]x[2(L+W)+钉条]=订单量÷x倍计价:(L+W+2)x(H+2W+1)x2x纸价÷1000
(5)围卡:
开料:双驳:(x倍H+飞边)x(L+W+钉条)=订单量x2÷x倍
单驳:(x倍H+飞边)x[2(L+W)+钉条]=订单量÷x倍计价:(L+W+2)x(H+1)x2x纸价÷1000
(6)线卡:
开料:[x倍W+飞边飞边)=订单量÷x倍
计价:LxWx纸价÷1000
(7) 平卡:
开料:(x倍W+飞边)x (L+飞边)=订单量÷x倍
计价:LxWx纸价÷1000
(8)天、地盖:
开料:[x倍(2H+W)+飞边]x(2H+L+订单量÷ x倍
计价:(2H+L+1)x(2H+W+1)x纸价÷1000
(9) 啤卡、啤盒、特别箱:根据展开尺寸确定开料,计价按开料算。
4.英寸计算方法及厘米的换算:
1英寸=25.4MM=2.54CM=0.0254M=8分
1分=1/8=0.125 6分 =3/4=0.75 3分半=7/16=0.4375
2分=1/4=0.25 7分 =7/8=0.875 4分半=9/16=0.5625
3分=3/8=0.375 半分=1/16=0.0625 5分半=11/16=0.6875 4分=1/2=0.5 1分半= 3/16=0.1875 6分半=13/16=0.8125 5分=5/8=0.625 2分半=5/16=0.3125 7分半=15/16=0.9375 6. 纸箱度放外度算法,天地盒换算方法。
度放外度:长宽高地盒放天盒:
单坑箱 1/4 1/4 1/2 长宽高
双坑箱 1/2 1/2 3/4 单坑箱 1/4 1/4 1/8
三坑箱 3/4 3/4 1 双坑箱 1/2 1/2 1/4
五、公司目前的机器设备和生产限制。
1.坑机1台:可生产单坑、双坑、三坑(人工加裱),坑型:B坑、C坑、
B/C坑,最短切25寸。
纸度29、31、33、35、37、39、41、
43、45、47、49、51、53、55、57、58、59、62(最大)。
2.印刷机3台:双色(手动)最大印刷面积 1.4m X 2.0m (55 X 78IN)
最小印刷宽度0.6m(23 5/8IN);
三色(自动)最大印刷面积1.35m X 2.4m(53x92IN)
最小印刷宽度0.35m(13 3/4IN);
四色(手动)最大印刷面积1.4mx2.0m(51 X 78IN)
最小印刷宽度0.4m(15 3/4IN);
3.开槽机2台
4.分纸机3台:最窄可分2 1/4″;压线最窄2″;
最宽可分2.4m(94 1/2″);72″;最短可分10″。
5.钉机6台
6.粘机1台
7.啤机3台:最大面积:1台1.3M X 0.95M;2台1.25M X 0.85M
六、生产工艺文件和样箱。
1.工单----是纸箱生产的依据,反映客户的要求和生产注意事项。
容包括:客户名称,交货日期,生产单编号,产品类别,尺码,纸质,印刷,模切,钉
粘和捆扎要求。
每一订单落单生产都应开生产单,尺寸应用英寸表示.
2.唛头纸(生产工艺卡片)
----是反映纸箱、啤盒生产、工艺技术要求的文件,包括制版、排版、印刷、模切等每一道工序,都要以它作为质量检验的依据;客户提供的图纸应经过处
理,制成唛头纸形式方可落到生产部,唛头纸上的资料要清晰、准确。
3.样箱----是客户认可、质量合格的样品,用来检查生产过程中产品质量是否合乎客户要求的依据。
七、生产流程及生产的辅助材料.
1.总的流程图
纸箱、啤盒成品入库
2.纸箱单机生产流程图
3.纸箱组合机生产流程图
4.啤盒生产流程图
5.如客户无特殊要求,按以下标准打包:纸箱:单坑20个一扎;
双、三坑10个一扎;平卡、啤卡:单坑100一扎;双坑50一扎。
6.生产的辅助材料:印刷胶版;啤盒模版;油墨;钉线;白胶浆;打包带。
八、纸箱的重量公式与常用纸质克重。
普通箱:
1个纸箱的重量(kg)=[2(L+W)+坑数] X(W+H)X纸质克重÷1000 其它:重量 =面积X纸质克重÷1000
常用纸质克重:(每千平方英寸重量kg)
B33 0.26 F33 0.26 W3A 0.34 A9A 0.35 K3K 0.50 K=A 0.60
B3B 0.27 C33 0.27 W3K 0.42 K3B 0.35 K3A 0.42 W=A 0.53
A3B 0.31 C3C 0.28 W9A 0.35 F=3 0.43 A=B 0.49 B三B 0.63
A3A 0.35 B9B 0.28 W9W 0.35 B=B 0.45 A=A 0.53 A三A 0.72
W3B 0.31 A9B 0.32 W9B 0.31 B=C 0.43 K=K 0.68 A三B 0.68
编制:审核:
2016年12月01日。