CRH2型动车组车内布置概述
- 格式:docx
- 大小:1.01 MB
- 文档页数:3
CRH2型动车组司机室概述6.1.1司机室的主要功能CRH2型动车组司机室是指从气密隔墙至司机室后部通过台隔墙的区域。
在每列编组的两端(Tlc,T2c车)分别设置一个司机室,由前端司机室实施列车控制,后端司机室可作乘务员室。
两个司机室具有相同的结构与功能。
司机室布置了动车组的主要操纵设备,对全列车的牵引、制动、空调、车门和广播等系统进行控制,同时可检测列车运行信息,以保证列车高速、准时、安全运行。
司机室的设计除了保证正常的操作功能,还尽可能地使整个司机室整洁、美观、舒适。
6.1.2司机室特点CRH2型动车组司机室的设计遵循人机工程学原理。
人机工程学将人类的需求和能力置于设计技术体系的核心位置,为产品、系统和环境的设计提供与人类相关的科学数据,追求实现人类和环境完美和谐融合的目标,使人机良好匹配。
其基本原则包括:(1)选用最有利于发挥人的能力和提高人的操作可靠性的人机匹配方式。
(2)匹配方式有利于使整个系统能够达到最大的效率,避免对人提出能力所不及的要求。
(3)使人操作设备方便、省力、准确。
(4)避免选用在大部分工作时间内操作少的匹配方式,这种方式使司机工作负荷过低,导致其注意力松弛,一旦事件发生,容易漏检或误检。
(5)采用信息流程和信息加工过程自然的、使人容易学习的、差错少的匹配方式。
(6)不可把人安排为设备的辅助物,应使人感到自己工作很有意义而不是为设备服务的感觉。
应用人机工程学原理使设计的设备和环境系统适合人的生理、心理特点,使操作者高效、安全、健康和舒适地工作,降低人为误操作率,提高系统运行的可靠性。
所以,人、机和环境的信息交互方式的研究成果应充分反映到司机室的设计中。
基于人机工程学,CRH2型动车组司机室的设计体现了“以人为本”的理念。
下面简要介绍CRH2型动车组司机室的特点。
6.1.2.1充分的瞭望视野CRH2型动车组司机室内部空间及设备布置充分考虑了司机视野、操作空间、舒适度等内容。
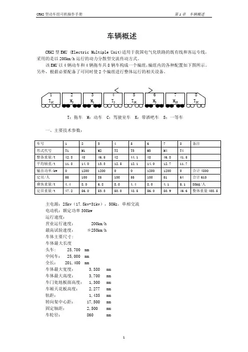
车辆概述CRH2型EMU (Electric Multiple Unit)适用于我国电气化铁路的既有线和客运专线,采用的是以200km/h 运行的动力分散型交流传动方式。
该EMU 以4辆动车和4辆拖车共8辆车构成一个编组,编组内的各种配置如下图所示。
另外,根据必要配备了可同时使2个编组进行整体运行的相关设备。
T:拖车 M:动车 C:驾驶室车 K:带酒吧车 S:一等车一、主要技术参数:车号 1 2 3 4 5 6 7 8 备注 形式代号 T1 M1 M2 T2 T3 M3 M4 T4整备重量/t 42.8 48 46.5 42 44.1 48 46.8 41.5 平均轴重/t 11.8 14.0 13.3 12.5 12.1 14.0 12.7 11.7 输出功率/kw 0 1200 1200 0 0 1200 1200 0 合计4800 定员/人 55 100 85 100 55 100 51 64 合计610 乘客重量/t4.4 8.0 6.8 8.0 4.4 8.0 4.15.180kg/人定员重量/t47.256.053.350.048.556.050.946.6 整体重量408.5主电源:25kv(17.5kv-31kv),50Hz,单相交流 电动机:额定功率300kw 运行速度:营业运行速度: 200km/h 最高试验速度: ≦250km/h 车体主要尺寸: 车体最大长度头车: 25,700 mm 中间车: 25,000 mm 全长: 201,400 mm 车体最大宽度: 3,380 mm 车体最大高度: 3,700 mm 车门处地板面高度: 1,300 mm 车厢天花板高度: 2,277 mm 轨距: 1,435 mm 转向架中心距: 17,500 mm 固定轴距: 2,500 mm 车轮径: 860 mm车钩中心线高度: 1,000 mm 二、具体编组结构三、方向定义和标识←前位后位→四、主要设备布置 1号车(拖车)2号车(动车)M2-23号车(动车)4号车(拖车)T2-45号车(拖车)6号车(动车)M2-67号车(动车)8号车(拖车)T2c-8五、安全设备本车配备有紧急用梯子,过渡板,灭火器,火灾报警按钮,紧急报警按钮,厕所紧急报警按钮。
我们了解了CRH2型动车组是日本川崎与青岛四方车辆有限公司合作制造的。
它具有“先进、成熟、经济、适用、可靠”这五大技术特点。
先进:动车组为动力分散、交流传动的高速电动车组,采用铝合金空心型材车体以及先进的IGBT功率元件和变频调速系统的控制牵引方式。
成熟:其原型车主要系统和部件均有长时间的运营业绩,为他的生产打下了夯实的基础。
经济:动车组采用了流线型设计,各车辆的最大轴重仅14t,牵引和制动能耗低。
另外,列车采用再生制动方式,在节能、环保以及减少机械损耗等方面具有独特的优越性。
适用:动车组具有速度提升能力,通过调整动车、拖车的比例,动车组能够灵活适应200km/h~300km/h各速度等级的运行。
另外,动车组还可以通过两列自动联挂来满足大运量的需求。
可靠:动车组采用了先进的防滑、防空转控制系统和自动列车保护系统,为列车在各种运行环境下的准时性提供了可靠的保障。
该动车组是根据我国的国情通过对原型车技术的全面引进与吸收由我国自主生产的,所以该车的成功运行预示着我国高速铁路进入了一个大步向前的时代。
本节课将对CRH2行动车组进行总体的介绍,大家重点掌握CRH2型动车组的车内设备布置,而难点是对该车车顶、车下布置的理解。
首先我们来看一下它的编组情况。
CRH2型动车组运营速度为200km/h,可在中国铁路既有线路(指定区间)和客运专线上运行。
动车组采用8辆编组,4动4拖,由两个动力单元组成,每个动力单元分别由2个动车和2个拖车(T-M-M-T)组成。
动车组前后两端都设有驾驶室,列车通常运行时在前端的驾驭室内进行操作。
受电弓设在4号和6号车上,动车组运行时采用单弓受流,另一受电弓处于折叠状态以作备用。
当两列动车组联挂运行时,受电弓采取双弓受流。
动车组编组含义表我们看到该车每个单元均有符号来表示,那么这些符号就好像我们的名字一样代表着每一个单元,下面我们就来了解一下这些符号的含义。
trailer英音:['treilə] 拖车,挂车coach英音:[kəutʃ] 旅客车厢motor英音:['məutə] 原动力cabin英音:['kæbin] (飞机的)驾驶舱;客舱kitchen英音:['kitʃin] 厨房special英音:['speʃəl] 特别的,特殊的车辆方位我国现有的铁道车辆的方位一般以制动缸活塞杆推出的方向为第一位,相反的方向为第二位。
CRH2动车组简介CRH2型电力动车组,是中华人民共和国铁道部为国营铁路进行第六次提速及建造中的高速客运专线铁路,向川崎重工及中国南车集团四方机车车辆股份有限公司订购的高速列车车款之一。
中国铁道部将所有引进国外技术、联合设计生产的中国铁路高速(CRH)车辆均命名为“和谐号”。
CRH2系列为动力分布式、交流传动的电力动车组,采用了铝合金空心型材车体。
一、动车组的基本结构 1.编组结构动车组由8辆车组成,其中4辆动车4辆拖车;首尾车辆设有司机室,可双向驾驶,:2.车辆长度动车组头车长度25.7m,中间车长度25m,总长201.4m,车体宽度3.38m,车体高度3.7m。
3.车顶设备在4、6号车设受电弓及附属装臵,安装高度4m时,受电弓工作高度最低4888mm,最高6800mm,最大升弓高度7000mm。
动车组正常运行时,采用单弓受流,另一台备用,处于折叠状态。
4.车端设备设密接式车钩装臵、风挡及空气、电的连接设施等,包括:1列车通信总线连接、制动控制线连接、供电母线连接、直流供电母线连接、列车总风管、电路电气设备连接、电缆连接、高压电线连接。
5.车下悬吊设备每辆车下有空调机组、制动控制装臵。
在2、3、6和7号车下有牵引变流器,在2号和6号车下有牵引变压器。
在单号车下有污物箱及水箱。
6.车体结构车体采用铝合金结构,车门处地板距轨面高度1300mm,适合1100~1200mm站台。
二、主要部件、系统的组成及工作原理 1.转向架动车组每节车厢下有两个转向架。
动车下是动力转向架,拖车下是拖车转向架。
动力转向架由构架、轮对轴箱、牵引装臵、基础制动装臵、二系悬挂装臵、牵引电机、驱动装臵组成。
每台动力转向架有两根动力轴,电机采用架悬方式。
拖车转向架组成结构基本一致,但没有牵引电机和驱动装臵2 型号这款车型是以日本新干线的E2系1000番台为基础,也是继台湾高铁的700T型后,第二款自日本出口的新干线列车。
供中国使用的CRH2型均使用与E2系相同的牵引电动机。
CRH2型动车组简介CRH2型动车组以E2-1000型动车组为原型车,通过全面引进设计制造技术,由四方股份公司在国内制造生产。
CRH2型动车组是我局最早开行的动车组,全局目前配置已达24组。
主要开行方向为上海至北京、上海至南京。
其基本情况如下:一、动车组的基本结构1.编组结构动车组由8辆车组成,其中4辆动车4辆拖车;首尾车辆设有司机室,可双向驾驶,编成后结构如下:2.车辆长度动车组头车长度25.7m,中间车长度25m,总长201.4m,车体宽度3.38m,车体高度3.7m。
3.车顶设备在4、6号车设受电弓及附属装置,安装高度4m时,受电弓工作高度最低4888mm,最高6800mm,最大升弓高度7000mm。
动车组正常运行时,采用单弓受流,另一台备用,处于折叠状态。
4.车端设备设密接式车钩装置、风挡及空气、电的连接设施等,包括:列车通信总线连接、制动控制线连接、供电母线连接、直流供电母线连接、列车总风管、电路电气设备连接、电缆连接、高压电线连接。
5.车下悬吊设备每辆车下有空调机组、制动控制装置。
在2、3、6和7号车下有牵引变流器,在2号和6号车下有牵引变压器。
在单号车下有污物箱及水箱。
6号车设备示意图6.车内布置全列车有1辆一等车和7两二等车。
一等车内座椅2+2布置,二等车2+3布置。
全列车定员610人,定员布置如下表:车厢顺位 1 2 3 4 5 6 7 8定员55 100 85 100 55 100 51 64一等车二等车在单号车厢内设卫生间、小便间和盥洗室。
卫生间小便间盥洗间7.车体结构车体采用铝合金结构,车门处地板距轨面高度1300mm,适合1100~1200mm站台。
二、主要部件、系统的组成及工作原理1.转向架动车组每节车厢下有两个转向架。
动车下是动力转向架,拖车下是拖车转向架。
动力转向架由构架、轮对轴箱、牵引装置、基础制动装置、二系悬挂装置、牵引电机、驱动装置组成。
每台动力转向架有两根动力轴,电机采用架悬方式。
CRH2型动车组司机室设备布置CRH型动车组司机室分为5个区域:设备舱、操纵台、驾驶区、配电区、通过台。
司机室区域的示意见图 6.3。
丽申樹_砸区」酣电聲通过合_ |1 I I I I 1® 6-3川机室区鎭用竄圈6.2.1舱设备布置设备舱内主要安装平时行车很少用到或不经常操作的设备,同时,为了方便配管、配线,与车头前部相关设备及前窗玻璃相关设备均安装在设备舱内。
设备舱包括车辆广播控制器、列车间隔检测装置、空调室内机、空调电源箱、空调变压器、辅助制动特性发生器、救援用电源变换装置、前窗玻璃温度调节器、气压开关、刮雨器电动机、配管单元箱等设备。
从操纵台右侧检修门可进入设备舱,进行设备检修、维护。
设备舱与车外相隔的气密墙上还安装了车内压力释放阀、汽笛等设备。
设备舱设备布置见图 6.4。
前窗玻隔得熨调节器 司机室空调空輻电源箱救援用电掠变换装置汽雷 \空调变圧器/操作台:虚线范鬧肉)r□口配线用连接器插座 厂刮雨器1^- 车内压力释黴阀/ 司机蚩空调图氣4设备舱股备布鬣图622操纵台设备布置辅助司机座为了确保司机的视野,操纵台安装在高地板上,高地板比司机室普通地板高 300mm操纵台上安装与驾驶活动密切相关的设备,台体上安装 司机控制器、司机制动控制器,操纵台前面的仪表盘上从左 到右依次安装有故障显示灯、LKJ2000显示器、关门显示灯、ATP 显示器、按钮开关盘、 MON^J 车信息显示器1,司机左前 方安装的是压力表和保护接地按钮开关,副司机正前方只设 置了副司机的暖气切换开关及空调的出风口。
为了充分利用 安装空间,在操纵台的高地板上安装了救援切换开关、外部 插座等使用频率不高的设备。
因为整个操纵台的可利用空间很小,而操纵台上需要安 装的操作设备比较多。
所以,为了扩展操纵台的安装空间, 在司机左侧面板上也安装了许多设备。
主要包括 Mor 列」车信标iM 灯就It盖|西洋灯gatwwriE.用F 廛切船刨WJ进辭ia%切挖冲%選凤口 册窗・牺礦肇的出疋曲履購缈桥W 制怏匸柚甲SUI 瘩 底桶加鬲岚柜闻/ J 丄刖可札矗跟占息显示器2、无线系统显示器、无线系统话筒、 LKJ2000话筒、广播控制放大器、电压表显示灯盘、无线系统打印机、 冷气切换开关、司机暖气切换开关等。
CRH2型动车组CRH2型动车组以日本的E21000型动车组为原型车,通过全面引进设计制造技术,由南车青岛四方机车车辆股份有限公司制造生产。
(1)CRH2型动车组的编组及平面布置。
①编组结构。
CRH2型动车组采用动力分散交流传动方式,8辆编组,4动4拖,由两个动力单元组成。
每个动力单元由2辆动车和2辆拖车组成,首尾车辆均设有司机室,可双向驾驶。
通常,列车运行时在前端的司机室内进行操作。
受电弓在4号车和6号车上,采用单弓受流。
两列动车组可连挂运行,联挂时,受电弓双弓受流,为了保证双弓运行200 m的间距要求,一般采用首尾受电弓工作。
②平面布置。
全列车有1辆一等座车和7辆二等座车,一等座车的座椅采用“2+2”布置,二等座车的座椅采用“2+3”布置。
在单号车厢内设卫生间、小便间和盥洗室。
全列车定员610人。
(2)主要外形尺寸。
CRH2型动车组头车的车辆全长为25.7 m,中间车的车辆全长为25 m,列车总长为201.4 m,车体宽度为3.38 m,车体高度为3.7 m。
(3)CRH2型动车组的车内主要设备。
①司机室。
CRH2型动车组两端各设一个司机室,由前端司机室实施列车控制,后端司机室可作乘务员室,两个司机室的设备布置相同。
②给排水和卫生系统。
CRH2型动车组的单号车设有给排水系统和卫生系统,双号车仅设有给排水系统。
③行李架和大件行李存放处。
CRH2型动车组行李架的下板采用挤压成形的聚碳酸酯板。
④餐饮设施。
CRH2型动车组5号车一位端设有带展示柜的吧台。
在吧台对面的侧墙上设有立式餐桌。
在吧台的左侧设有电热开水器和洗池,洗池进水处设杀菌装置。
⑤旅客信息系统。
CRH2型动车组的旅客信息系统主要由广播联络系统、无线收音系统、车外信息显示设备、车内信息显示设备、车内标识、列车运行信息显示设备等组成。
⑥车内环境控制系统。
CRH2型动车组的空调系统主要由空调装置、换气装置和通风系统构成(头车还包括司机室空调)。
CRH2型动车组车内设备概述4.2.1车内设备布置动车组车内设备主要包括车内信息显示器、配电盘、空气清洁机、车门扬声器、广播联络装置、警报器等。
各车辆主要设备布置情况见图4.5~图4.11。
4.2.2车内信息显示器车内信息显示器安装在客室内端门上部.可根据车辆信息终端装置发出的信号对目的地、中途停车站等信息进行滚动或固定显示。
车内信息显示器见图4.12。
4.2.3配电盘车内设有服务配电盘和运转配电盘两种配电盘。
配电盘没在通过台处,1.3,5,7号车设在二位端.2.4.6.8号车设在一、二位端。
配电盘柜门设锁,可安全锁闭。
配电盘的配置见图4.13。
1号车二位端客室侧及8号车一位端车端侧安装运转配电盘,其上部安装控制放大器、主故障显示灯,下部安装继电器盘、电磁接触器、辅助制动模式发生器;2.4,6号车一位端车厢侧安装运转配电盘,其上部安装输出功率放大器、主故障显示灯,下部安装继电器盘;3,7号车二位端车厢侧安装运转配电盘,其上部安装主故障显示灯,下部安装继电器盘;5号车二位端车厢侧安装运转配电盘,其上部安装主故障显示灯,横侧安装车端断开装置,下部安装继电器盘。
1号车二位端客室侧及8号车一位端侧安装有服务配电盘.其上部安装空调故障显示灯,下部安装接地开关盘;2,4,6号车二位端客室侧安装有服务配电盘,配电盘横侧安装车端转换开关(仅4号车),下部安装紧急启动开关盘及接地开关盘;3,7号车二位端客室侧安装有服务配电盘,其上部安装主故障显示灯、空调显示灯,下部安装接地开关盘及压缩机控制用电磁接触器;5号车二位端客室侧安装有服务配电盘,上部安装主故障显示4R灯、空调显示灯,下部安装接地开关盘及电磁接触器;1,3,5号车二位端车端侧安装有列车信息终端装置,横侧安装计时器、复位开关.下部安装有温水污物配电盘;2,4,6号车一位端客室侧安装有列车信息终端装置,下部安装控制功率放大器、接触器盘;7号车二位端配电盘内安装有温水箱、污物处理装置、水泵、座便器、洗脸间等的自动断路器和水量计等电器,横侧安装有计时器、复位开关。
CRH2型动车组乘务员室概述
CRH2型动车组7号车设2个乘务员室。
内部设乘务员用的桌子和转椅,在l位侧乘务员室下部设有干粉灭火器、侧面上部设有应急灯、紧急制动开关和乘务员开关,背面设有应急灯、扩音器和镜子。
2位侧乘务员室主要设备为:上部有车辆信息显示器、自动播放装置和控制增幅器,在正面有20W荧光灯、监控扬声器、扬声器断开开关、插入连接器和开关类(荧光灯用、风扇用),在下部有车辆信息显示控制装置、上载用连接器,侧面在上部有紧急制动开关和乘务员开关,在背面有镜子。
另外在门口侧面设置了乘务员室的灯开关。
图4.41为乘务员室示意图。
CRH2型动车组车内布置概述CRH2型动车组由8辆车组成,编组形式为T1c+M2+M1+T2+Tlk+M2+M1s+T2c,包括1辆一等车(M1s)、6辆二等车(T1c,M2,M1,T2,M2,T2c)和1辆餐座合造车(T1k),其中司机室设在1号车(T1c)和8号车(T2c)。
除7号车设2个侧拉门(旅客上下车用)外,其他各车均设4个侧拉门。
2个侧拉门之间的空间为通过台。
通过台是乘客上下车的通道,通过台旁设有大件行李存放处。
在相邻两车辆间设防火外端门。
在单号车车端部设卫生问、小便间和洗脸间,其中7号车设残疾人卫生间、乘务员室和多功能室。
在双号车端部设饮水机(电开水炉)。
车辆中部为客室区,客室两端设自动感应式内端门(以下简称内端门)。
5号车(T1k)为餐座合造车,设置餐饮区。
全列定员6lO人。
各车厢内主要设备见表4.1。
图4.1为CRH2型动车组不同车辆内主要设备布置示意图。
表4.1各车厢内主要设备表*CRH2-00IA~CRH2-026A列采用桶装水,CRH2-027A~CRH2-060A列采用冷热饮水机。
4.1.1一等车7号车(Mls)为一等车,座椅采用2+2布置,座间距为1060mm,走廊宽度为600mm。
座椅数为51,布置效果见图4.2。
4.1.2二等车1,2,3,4,6,8号车为二等车,座椅采用2+3布置,座间距为980mm,走廊宽度为600mm,布置效果见图4.3。
4.1.3 餐座合造车5号车(T1k)为餐座合造车。
一位端为餐饮区,设有16个座椅、4个餐桌,还设有立食桌、小卖部、送餐小车放置处及储藏室。
二位端为二等车客室,座椅采用2+3布置.共55座,另外还设有卫生间、小便间、洗脸问等设施。
餐饮区及小卖部效果图见图4.4。
CRH2型动车组车内环境控制概述随着列车运行速度的提高,旅客对车辆内的温度、湿度、空气品质、空气压力的波动、噪声、照明等车内环境参数的要求越来越高。
CRH2型动车组通过设置车辆空调系统、司机室空调系统、车内压力保护装置(换气装置)、车内噪声防治系统、应急系统、照明等多项车内环境控制设备来保证动车组能够向旅客提供安全、卫生、舒适的车内环境。
13.2空调系统CRH2型动车组空调系统是一种全新的列车空调系统。
主要由空调装置、换气装置及通风系统构成(头车还包括司机室空调)。
空调装置又由空调机组及车上配电柜内的空调显示设定器组成。
客室制冷由空调机组制冷系统完成,客室制热由内置于空调机组的电加热器实现。
为了降低车体的重心。
适应动车组高速运行,空调机组和通风系统的主要风道分别设置在地板下及地板中间。
图13.1为头车空调系统的结构示意图。
CRH2型动车组每辆车下均设两台空调机组。
空调机组(参见图13.1)的控制由内置的变频装置完成,变频装置通过比较空调显示设定器设定的温度值和客室内检测温度值,对空调机组的压缩机、室外送风机、室内送风机进行变频控制,对电加热器进行通断控制,实现对客室空气的制冷及加热。
动车组在会车和通过隧道时,车外空气压力将会产生急剧变化。
为减少客室外压力变化对客室内空气压力的影响,保证客室的正常换气,CRH2型动车组在每辆车的地板下安装了新风供给和废气排放一体的换气装置。
空调机组和换气装置在车下与通风系统相连。
每台空调机组向客室内提供新风量12m3/min,回风量48m3/min,总通风量为60m63/min。
换气装置提供新风并排出客室内多余的废气(24m3/min)。
通风系统包括新风(FA)、送风(CA)、回风(RA)、排风(EA)四种用途的风道。
卫生间废气通过废排风道全部由换气装置排出。
在吸烟车厢(3,5,6号车厢),为了保证客室内空气的品质,客室内端墙上设置了空气清洁机。
空调系统能够保证动车组具有如下性能:夏季,外部气温33℃、相对湿度80%及150%定员时,客室温度可保持在26℃以下;外部气温40℃、相对湿度55%及100%定员时,客室温度可保持在28℃以下;冬季,外部气温为-15℃时,客室温度可保持在20℃以上。
CRH2型动车组车内布置概述CRH2型动车组由8辆车组成,编组形式为T1c+M2+M1+T2+Tlk+M2+M1s+T2c,包括1辆一等车(M1s)、6辆二等车(T1c,M2,M1,T2,M2,T2c)和1辆餐座合造车(T1k),其中司机室设在1号车(T1c)和8号车(T2c)。
除7号车设2个侧拉门(旅客上下车用)外,其他各车均设4个侧拉门。
2个侧拉门之间的空间为通过台。
通过台是乘客上下车的通道,通过台旁设有大件行李存放处。
在相邻两车辆间设防火外端门。
在单号车车端部设卫生问、小便间和洗脸间,其中7号车设残疾人卫生间、乘务员室和多功能室。
在双号车端部设饮水机(电开水炉)。
车辆中部为客室区,客室两端设自动感应式内端门(以下简称内端门)。
5号车(T1k)为餐座合造车,设置餐饮区。
全列定员6lO人。
各车厢内主要设备见表4.1。
图4.1为CRH2型动车组不同车辆内主要设备布置示意图。
表4.1各车厢内主要设备表*CRH2-00IA~CRH2-026A列采用桶装水,CRH2-027A~CRH2-060A列采用冷热饮水机。
4.1.1一等车7号车(Mls)为一等车,座椅采用2+2布置,座间距为1060mm,走廊宽度为600mm。
座椅数为51,布置效果见图4.2。
4.1.2二等车1,2,3,4,6,8号车为二等车,座椅采用2+3布置,座间距为980mm,走廊宽度为600mm,布置效果见图4.3。
4.1.3 餐座合造车5号车(T1k)为餐座合造车。
一位端为餐饮区,设有16个座椅、4个餐桌,还设有立食桌、小卖部、送餐小车放置处及储藏室。
二位端为二等车客室,座椅采用2+3布置.共55座,另外还设有卫生间、小便间、洗脸问等设施。
餐饮区及小卖部效果图见图4.4。
CRH2型动车组车内布置概述
CRH2型动车组由8辆车组成,编组形式为T1c+M2+M1+T2+Tlk+M2+M1s+T2c,包括1辆一等车(M1s)、6辆二等车(T1c,M2,M1,T2,M2,T2c)和1辆餐座合造车(T1k),其中司机室设在1号车(T1c)和8号车(T2c)。
除7号车设2个侧拉门(旅客上下车用)外,其他各车均设4个侧拉门。
2个侧拉门之间的空间为通过台。
通过台是乘客上下车的通道,通过台旁设有大件行李存放处。
在相邻两车辆间设防火外端门。
在单号车车端部设卫生问、小便间和洗脸间,其中7号车设残疾人卫生间、乘务员室和多功能室。
在双号车端部设饮水机(电开水炉)。
车辆中部为客室区,客室两端设自动感应式内端门(以下简称内端门)。
5号车(T1k)为餐座合造车,设置餐饮区。
全列定员6lO人。
各车厢内主要设备见表4.1。
图4.1为CRH2型动车组不同车辆内主要设备布置示意图。
表4.1各车厢内主要设备表
*CRH2-00IA~CRH2-026A列采用桶装水,CRH2-027A~CRH2-060A列采用冷热饮水机。
4.1.1一等车
7号车(Mls)为一等车,座椅采用2+2布置,座间距为1060mm,走廊宽度为600mm。
座椅数为51,布置效果见图4.2。
4.1.2二等车
1,2,3,4,6,8号车为二等车,座椅采用2+3布置,座间距为980mm,走廊宽度为600mm,布置效果见图4.3。
4.1.3 餐座合造车
5号车(T1k)为餐座合造车。
一位端为餐饮区,设有16个座椅、4个餐桌,还设有立食桌、小卖部、送餐小车放置处及储藏室。
二位端为二等车客室,座椅采用2+3布置.共55座,另外还设有卫生间、小便间、洗脸问等设施。
餐饮区及小卖部效果图见图4.4。