有关起重机的五大技术参数
- 格式:doc
- 大小:30.00 KB
- 文档页数:2
起重机的基本参数起重机是一种用于搬运重物的机械设备,广泛应用于工地、码头、港口等地。
起重机的基本参数包括起重量、起升高度、起升速度、工作半径、回转角度、工作循环等。
下面将分别介绍这些参数及其意义。
1.起重量:起重量是起重机能够承载的最大重量。
不同型号的起重机具有不同的起重量,一般从几十吨到几千吨不等。
起重量的大小决定了起重机能够承载的物体的重量大小。
2.起升高度:起升高度是指起重机能够将物体抬起的高度。
不同型号的起重机的起升高度也不相同,一般从几十米到数百米。
起升高度的大小取决于起重机所应用的领域和工作要求。
3.起升速度:起升速度是指起重机在起升物体时的速度。
起升速度一般以米/秒为单位。
起重机的起升速度一般较快,既能满足工作需求,也不会延长物体的悬空时间。
4.工作半径:工作半径是指起重机作业时转臂的有效半径。
起重机工作半径的大小取决于起重机所应用的领域和工作要求。
工作半径的大小决定了起重机能够覆盖的范围。
5.回转角度:回转角度是指起重机旋转转臂的范围。
回转角度通常是360度,也有一些特殊类型的起重机可以实现超过360度的回转范围。
回转角度的大小可以使起重机灵活调整位置,适应作业需求。
6.工作循环:工作循环是指起重机连续工作的时间和频率。
常见的工作循环包括A3、A4、A5等级,表示起重机的可连续使用时间和频率。
工作循环的设定可以保证起重机的安全运行和延长寿命。
除了上述基本参数外,起重机还有一些其他的参数和特性。
例如,起重机的自重是指起重机本身的重量,可以影响起重机的移动和运输;工作速度是指起重机在移动、转动等操作中的速度,可以根据需求进行调整;控制方式是指起重机的操控方式,可以采用手动、遥控或自动化等方式。
总而言之,起重机的基本参数包括起重量、起升高度、起升速度、工作半径、回转角度、工作循环等,这些参数决定了起重机的性能和适用范围。
在选择和应用起重机时,需要根据具体需求和工作环境来综合考虑这些参数。
起重机技术参数起重机是一种用于搬运重物的机械设备,广泛应用于工业、建筑和港口等领域。
起重机的性能与技术参数直接影响着其使用效果和安全性能。
本文将从起重机的载荷能力、工作半径、起升高度、工作速度等方面,分析起重机的技术参数。
一、载荷能力起重机的载荷能力是指起重机能够承受的最大重量。
它是衡量起重机性能的重要指标之一。
载荷能力的大小取决于起重机的结构强度、起重机臂的长度、起重机的工作半径等因素。
一般来说,起重机的载荷能力越大,其应用范围就越广。
载荷能力常用吨位来表示,如10吨、50吨等。
二、工作半径起重机的工作半径是指起重机臂的水平距离,即起重物体距离起重机转台中心的水平距离。
工作半径的大小直接影响着起重机的工作范围和灵活性。
工作半径越大,起重机的作业范围就越广。
一般来说,起重机的工作半径可以通过伸缩臂或变幅机构来调整。
三、起升高度起升高度是指起重机起重臂能够达到的最大高度。
起升高度的大小与起重机的结构高度、起重臂的长度等因素有关。
一般来说,起升高度越高,起重机的作业范围就越大。
起升高度通常以米为单位来表示。
四、工作速度工作速度是指起重机在工作过程中各项动作的速度,包括起升速度、变幅速度、行走速度等。
工作速度的快慢直接影响着起重机的工作效率和作业时间。
一般来说,起重机的工作速度越快,其作业效率就越高。
工作速度通常以米/秒为单位来表示。
五、安全保护装置为了确保起重机的安全运行,起重机通常配备了各种安全保护装置,如重载保护装置、高度限位装置、起升限位装置等。
这些装置可以对起重机的各项操作进行监测和控制,一旦发生异常情况,可以及时停机并发出警报,保证操作人员的安全。
六、控制方式起重机的控制方式有多种,常见的有手动控制和无线遥控两种。
手动控制需要操作人员亲自上台操作起重机,需要相应的操作经验和技能。
而无线遥控则可以通过遥控器对起重机进行控制,操作更加灵活方便。
选择何种控制方式需要根据具体的工作环境和操作要求来决定。
起重机数据及公式1. 起重机简介起重机是一种用于吊装和搬运重物的机械设备,广泛应用于建造工地、港口、仓库等场所。
起重机的设计和使用需要考虑多种因素,包括起重能力、工作范围、稳定性等。
2. 起重机数据起重机的性能数据是评估其能力和适合性的重要指标。
以下是常见的起重机数据:2.1 起重能力:起重能力是指起重机能够吊装的最大分量。
它通常以吨或者千克为单位。
起重能力的大小取决于起重机的类型和设计。
2.2 工作范围:工作范围是指起重机能够覆盖的水平和垂直距离。
它通常由起重机的臂长和升降高度决定。
2.3 升降速度:升降速度是指起重机升降臂或者升降钩的速度。
它通常以米/秒或者米/分钟为单位。
升降速度的大小取决于起重机的设计和用途。
2.4 挪移速度:挪移速度是指起重机在工作场所内挪移的速度。
它通常以米/秒或者米/分钟为单位。
挪移速度的大小取决于起重机的类型和设计。
2.5 稳定性:稳定性是指起重机在工作过程中的平衡和稳定性。
它通常由起重机的重心位置、支撑方式和基础稳定性等因素决定。
3. 起重机公式起重机的设计和运算需要使用一些基本公式。
以下是常见的起重机公式:3.1 起重能力计算公式:起重能力可以通过以下公式计算:起重能力 = 起重机的额定载荷 - 起重臂长度 * 起重臂距离3.2 升降速度计算公式:升降速度可以通过以下公式计算:升降速度 = 升降高度 / 升降时间3.3 挪移速度计算公式:挪移速度可以通过以下公式计算:挪移速度 = 挪移距离 / 挪移时间3.4 倾覆稳定性计算公式:倾覆稳定性是起重机设计中的重要考虑因素之一。
可以通过以下公式计算:倾覆力矩 = 起重力 * 起重臂长度倾覆力矩与支撑力矩之比 = 倾覆力矩 / 支撑力矩4. 实例分析为了更好地理解起重机数据和公式的应用,以下是一个实例分析:假设有一台起重机,其额定载荷为100吨,起重臂长度为30米,起重臂距离为10米。
我们希翼计算该起重机在吊装过程中的起重能力。
桥式起重机技术指标一、额定起重量桥式起重机的额定起重量是指在正常工作条件下,起重机能够安全起吊的最大重量。
这一指标根据不同的用途和工作环境而定,是衡量起重机性能的重要参数。
二、跨度跨度是指桥式起重机桥架在轨道上运行时,其最外端至轨道中心的距离。
根据跨度的大小,可以确定起重机的适用范围和工作空间。
三、提升速度提升速度是指起重机在吊装过程中,重物从静止状态到最大高度所需的时间。
提升速度越快,起重机的工作效率越高。
四、运行速度运行速度是指起重机在轨道上运行时的速度。
运行速度越快,起重机的工作效率越高。
但需要注意的是,过高的运行速度可能导致安全风险。
五、操作方式桥式起重机的操作方式包括手动操作、半自动操作和全自动操作。
全自动操作通过自动控制系统实现,可提高工作效率和安全性。
六、工作级别工作级别是指起重机的工作繁忙程度和载荷变化程度。
根据工作级别不同,起重机的设计、制造和材料选择也有所不同。
七、电气配置电气配置包括电动机、控制电器、保护电器等。
电动机是起重机的动力来源,控制电器用于控制电动机的工作状态,保护电器则可保障起重机的安全运行。
八、安全保护装置桥式起重机应配备多种安全保护装置,如超载保护装置、超速保护装置、行程限位装置等。
这些装置能够有效地降低事故发生的概率。
九、可靠性可靠性是指桥式起重机在规定的工作条件下和规定的时间内完成规定功能的能力。
提高起重机的可靠性可以降低故障率,提高生产效率。
十、维护保养要求为确保桥式起重机的正常运行,必须定期进行维护保养。
保养内容包括清洁、润滑、检查、调整等,具体要求应根据制造商的维护手册而定。
此外,应定期对起重机进行全面检查,以确保其性能和安全性。
起重机数据及公式一、起重机简介起重机是一种用于吊装和搬运重物的机械设备,广泛应用于建筑工地、港口、仓库等场所。
起重机的设计和使用需要考虑多种因素,包括负载能力、起升高度、起升速度、工作半径等。
二、常见起重机数据1. 负载能力:起重机的负载能力是指其最大起重能力,通常以吨(t)为单位。
例如,一个10吨起重机可以承载最大10吨的重物。
2. 起升高度:起升高度是指起重机能够将负载抬升的最大高度,通常以米(m)为单位。
例如,一个20米起升高度的起重机可以将负载抬升到最高20米的位置。
3. 起升速度:起升速度是指起重机在起升过程中的速度,通常以米/秒(m/s)为单位。
例如,一个起升速度为0.5m/s的起重机表示它每秒钟可以抬升0.5米的高度。
4. 工作半径:工作半径是指起重机臂架的水平距离,即起重机可以横向移动的最大范围,通常以米(m)为单位。
例如,一个30米工作半径的起重机表示它可以在半径为30米的范围内进行工作。
三、起重机公式1. 负载力计算公式:负载力(F)等于负载重量(W)乘以重力加速度(g)。
F = W * g其中,重力加速度通常取9.8米/秒²。
2. 起升时间计算公式:起升时间(T)等于起升高度(H)除以起升速度(V)。
T = H / V3. 动臂力矩计算公式:动臂力矩(M)等于负载力(F)乘以动臂长度(L)。
M = F * L4. 静臂力矩计算公式:静臂力矩(M)等于负载力(F)乘以静臂长度(L)。
M = F * L四、起重机安全注意事项1. 在使用起重机前,必须检查起重机的各项功能是否正常,确保安全使用。
2. 在操作起重机时,必须严格遵守操作规程和安全操作要求,确保操作人员和周围人员的安全。
3. 在起重过程中,必须注意负载的平衡,避免负载倾斜或超出起重机的负载能力范围。
4. 在起升过程中,必须注意起升速度,避免突然加速或减速导致负载晃动或失控。
5. 在起重机工作范围内,必须设置明显的警示标志,并确保周围区域的人员不受到伤害。
起重机数据及公式一、起重机数据1. 起重机的额定起分量:根据起重机设计和创造的要求,确定起重机的额定起分量。
额定起分量是指起重机在最不利工况下,能够安全可靠地进行起重作业的最大起分量。
2. 起重机的最大起升高度:起重机能够垂直起升的最大高度。
该高度通常由起重机的主臂长度和起升机构的性能决定。
3. 起重机的工作半径:起重机从回转中心到起重物水平投影点的距离。
工作半径决定了起重机的工作范围。
4. 起重机的回转角度:起重机在水平面上能够回转的角度范围。
通常起重机可以实现360度无级回转。
5. 起重机的起升速度:起重机进行起升作业时的升降速度。
起升速度通常由起升机构的性能和负载分量决定。
6. 起重机的挪移速度:起重机在平移过程中的速度。
挪移速度通常由起重机的行走机构和驱动装置决定。
7. 起重机的额定功率:起重机所需的电动机或者液压驱动装置的额定功率。
额定功率是指起重机在额定工况下正常运行所需的功率。
二、起重机公式1. 起重机的起升能力计算公式:起升能力 = 起重机的额定起分量 - 起重物自重起重物自重可以根据起重物的材料密度和体积计算得出。
2. 起重机的力矩计算公式:力矩 = 力的大小 ×力臂长度力的大小可以根据起重机的额定起分量和起重物的分量计算得出。
3. 起重机的速度计算公式:速度 = 路程 / 时间起重机的速度可以根据起重机的挪移速度和行驶时间计算得出。
4. 起重机的功率计算公式:功率 = 力 ×速度起重机的功率可以根据起重机的额定功率和起重机的工作状态计算得出。
以上是起重机数据及公式的相关内容,希翼能对您有所匡助。
如需更详细的信息或者其他相关内容,请随时告知。
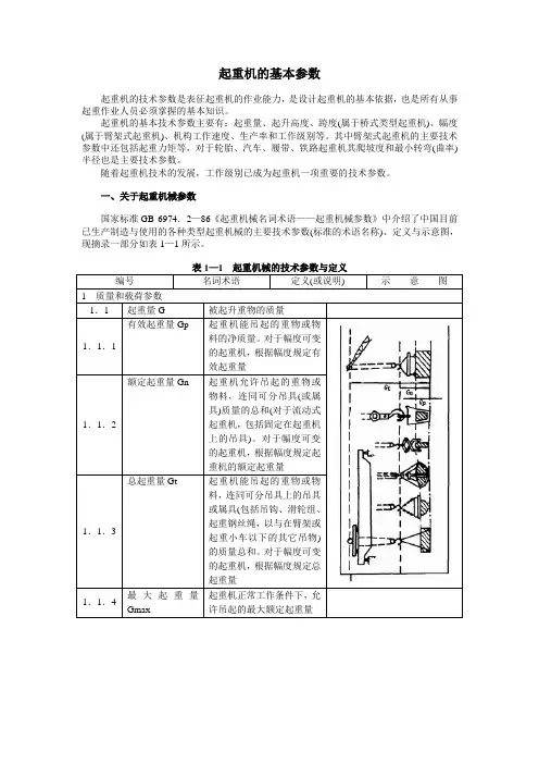
起重机的基本参数起重机的技术参数是表征起重机的作业能力,是设计起重机的基本依据,也是所有从事起重作业人员必须掌握的基本知识。
起重机的基本技术参数主要有:起重量、起升高度、跨度(属于桥式类型起重机)、幅度(属于臂架式起重机)、机构工作速度、生产率和工作级别等。
其中臂架式起重机的主要技术参数中还包括起重力矩等,对于轮胎、汽车、履带、铁路起重机其爬坡度和最小转弯(曲率)半径也是主要技术参数。
随着起重机技术的发展,工作级别已成为起重机一项重要的技术参数。
一、关于起重机械参数国家标准GB 6974.2—86《起重机械名词术语——起重机械参数》中介绍了中国目前已生产制造与使用的各种类型起重机械的主要技术参数(标准的术语名称)、定义与示意图,现摘录一部分如表1—1所示。
表1—1 起重机械的技术参数与定义编号名词术语定义(或说明) 示意图1 质量和载荷参数1.1 起重量G 被起升重物的质量1.1.1 有效起重量Gp 起重机能吊起的重物或物料的净质量。
对于幅度可变的起重机,根据幅度规定有效起重量1.1.2 额定起重量Gn 起重机允许吊起的重物或物料,连同可分吊具(或属具)质量的总和(对于流动式起重机,包括固定在起重机上的吊具)。
对于幅度可变的起重机,根据幅度规定起重机的额定起重量1.1.3 总起重量Gt 起重机能吊起的重物或物料,连同可分吊具上的吊具或属具(包括吊钩、滑轮组、起重钢丝绳,以与在臂架或起重小车以下的其它吊物)的质量总和。
对于幅度可变的起重机,根据幅度规定总起重量1.1.4 最大起重量Gmax起重机正常工作条件下,允许吊起的最大额定起重量1.2 起重力矩M 幅度L和相应起吊物品重力Q的乘积1.3 起重倾覆力矩M A起吊物品重力Q和从载荷中心线至倾覆线距离A的乘积1.4 起重机总质量Go 包括压重、平衡重、燃料、油液、润滑剂和水等在内的起重机各部分质量的总和1.5 轮压P 一个车轮传递到轨道或地面上的最大垂直载荷(按工况不同,分为工作轮压和非工作轮压)2 起重机尺寸参数2.1 幅度L 起重机置于水平场地时,空载吊具垂直中心线至回转中心线之间的水平距离(非回转浮式起重机为空载吊具垂直中心线至船艏护木的水平距离)2.1.1 最大幅度Lmax 起重机工作时,臂架倾角最小或小车在臂架最外极限位置时的幅度2.1.2 最小幅度Lmin 臂架倾角最大或小车在臂架最内极限位置时的幅度2.2 悬臂有效伸缩距l 离悬臂最近的起重机轨道中心线到位于悬臂端部吊具中心线之间的距离2.3 起升高度H 起重机水平停车面至吊具允许最高位置的垂直距离。
起重机数据及公式起重机是一种用于搬运和抬升重物的机械设备,广泛应用于建筑工地、港口、仓库等场所。
了解起重机的数据和公式对于安全操作和计算负载能力至关重要。
下面将详细介绍起重机的数据和常用公式。
一、起重机数据1. 起重机的额定起重量(SWL):指起重机设计和制造时规定的最大起重负荷,通常以吨(t)为单位。
例如,一个起重机的额定起重量为50吨。
2. 起重机的最大起升高度:指起重机能够抬升货物的最大高度,通常以米(m)为单位。
例如,一个起重机的最大起升高度为50米。
3. 起重机的最大起升速度:指起重机抬升货物的最大速度,通常以米每分钟(m/min)为单位。
例如,一个起重机的最大起升速度为10米/分钟。
4. 起重机的最大行走速度:指起重机移动的最大速度,通常以米每秒(m/s)为单位。
例如,一个起重机的最大行走速度为5米/秒。
5. 起重机的工作半径:指起重机在水平方向上能够覆盖的最大范围,通常以米(m)为单位。
例如,一个起重机的工作半径为30米。
二、起重机公式1. 起重机的额定起重力矩(SWL Moment)计算公式:SWL Moment = SWL ×起重高度其中,SWL为起重机的额定起重量,起重高度为货物抬升的高度。
2. 起重机的抬升速度计算公式:抬升速度 = 抬升高度 / 抬升时间其中,抬升高度为货物抬升的高度,抬升时间为货物抬升所需的时间。
3. 起重机的行走时间计算公式:行走时间 = 行走距离 / 行走速度其中,行走距离为起重机行走的距离,行走速度为起重机的最大行走速度。
4. 起重机的工作半径计算公式:工作半径= √(水平距离² + 抬升高度²)其中,水平距离为起重机移动的水平距离,抬升高度为货物抬升的高度。
总结:起重机数据和公式是了解起重机性能和计算负载能力的重要基础。
通过掌握起重机的额定起重量、最大起升高度、最大起升速度、最大行走速度和工作半径等数据,以及相应的计算公式,可以有效地进行起重机的操作和计算工作。
起重机械基本功能参数有哪些?答:起重机械的基本功能参数主要包括:起重量、起重力矩、起升高度、工作速度、工作幅度、起重臂倾角、起重机总重、轮压等。
什么是起重量?什么是额定起重量?什么是有效起重量?答:被提升起的被吊物质量称为起重量。
起重机允许起升物料的最大质量连同起重机取物装置质量的总和称为额定起重量。
起重机的取物装置本身的重量(除吊钩以外),一般应包括抓斗、起重电磁铁、平衡梁、钢水包以及各种辅助吊具等对于幅度可变的起重机,根据幅度规定起重机的额定起重量。
有效起重量是指起重机能吊起的物料或设备的净质量。
起重机标牌上标定的起重量是起重机额定起重量。
起重机吊运超过额定起重量的被吊物件叫超负荷。
什么叫起重力矩?什么叫额定起重力矩?什么叫倾翻力矩?答:起重量G与幅度L的乘积称为起重力矩(载荷力矩)。
额定起重力矩指额定起重量与幅度的乘积。
倾翻力矩是指起吊物的重力与其至倾翻线距离的乘积。
起重机起升高度的具体指向是什么?答:起重机吊具最高工作位置与起重机的水平地平面之间的垂直距离称为起重机的起升高度。
什么叫跨度?答:桥式起重机两端梁车轮踏面中心线间的距离称为起重机的跨度。
起重机工作速度有哪些?各指什么?答:工作速度指起重机在额定载荷下稳定运行的速度。
包括起升速度,大(小)车运行速度、变幅速度和旋转速度等。
额定起升速度:指起升机构电动机在额定转速时,取物装置的上升速度。
大车运行速度:指桥式起重机大车运行机构电动机在额定转速时,起重机整机的运行速度。
小车运行速度:指桥式起重机小车运行机构电动机在额定转速时,起重小车的运行速度。
变幅速度:指臂架式起重机在稳定状态下,额定载荷在变幅平面内水平位移的平均速度。
起重臂伸缩速度:指液压起重机的起重臂伸出(或回缩)时,其尖部沿臂架纵向中心线移动的速度。
行驶速度:指流动式起重机在道路行驶状态下,起重机由自身动力驱动的最大运行速度。
回转速度:指臂架式起重机在旋转机构电动机为额定转速时,起重机转动部分的回转角速度(最大幅度、额定载荷)。
起重机的基本参数起重机的基本参数起重机的基本参数起重机的技术参数是表征起重机的作业能力,是设计起重机的基本依据,也是所有从事起重作业人员必须掌握的基本知识。
起重机的基本技术参数主要有:起重量、起升高度、跨度(属于桥式类型起重机)、幅度(属于臂架式起重机)、机构工作速度、生产率和工作级别等。
其中臂架式起重机的主要技术参数中还包括起重力矩等,对于轮胎、汽车、履带、铁路起重机其爬坡度和最小转弯(曲率)半径也是主要技术参数。
随着起重机技术的发展,工作级别已成为起重机一项重要的技术参数。
一、关于起重机械参数国家标准GB 6974.2—86《起重机械名词术语——起重机械参数》中介绍了中国目前已生产制造与使用的各种类型起重机械的主要技术参数(标准的术语名称)、定义及示意图,现摘录一部分如表1—1所示。
表1—1 起重机械的技术参数与定义编号名词术语定义(或说明) 示意图1 质量和载荷参数1.1 起重量G被起升重物的质量1.1.1 有效起重量Gp起重机能吊起的重物或物料的净质量。
对于幅度可变的起重机,根据幅度规定有效起重量1.1.2 额定起重量Gn起重机允许吊起的重物或物料,连同可分吊具(或属具)质量的总和(对于流动式起重机,包括固定在起重机上的吊具)。
对于幅度可变的起重机,根据幅度规定起重机的额定起重量1.1.3 总起重量Gt起重机能吊起的重物或物料,连同可分吊具上的吊具或属具(包括吊钩、滑轮组、起重钢丝绳,以及在臂架或起重小车以下的其它吊物)的质量总和。
对于幅度可变的起重机,根据幅度规定总起重量1.1.4 最大起重量Gmax起重机正常工作条件下,允许吊起的最大额定起重量1.2 起重力矩M幅度L和相应起吊物品重力Q的乘积1.3 起重倾覆力矩M A起吊物品重力Q和从载荷中心线至倾覆线距离A的乘积1.4 起重机总质量Go包括压重、平衡重、燃料、油液、润滑剂和水等在内的起重机各部分质量的总和1.5 轮压P 一个车轮传递到轨道或地面上的最大垂直载荷(按工况不同,分为工作轮压和非工作轮压)2 起重机尺寸参数2.1 幅度L 起重机置于水平场地时,空载吊具垂直中心线至回转中心线之间的水平距离(非回转浮式起重机为空载吊具垂直中心线至船艏护木的水平距离)2.1.1 最大幅度Lmax起重机工作时,臂架倾角最小或小车在臂架最外极限位置时的幅度2.1.2 最小幅度Lmin臂架倾角最大或小车在臂架最内极限位置时的幅度2.2 悬臂有效伸缩距l离悬臂最近的起重机轨道中心线到位于悬臂端部吊具中心线之间的距离2.3 起升高度H起重机水平停车面至吊具允许最高位置的垂直距离。
起重机的基本参数起重机的技术参数是表征起重机的作业能力,是设计起重机的基本依据,也是所有从事起重作业人员必须掌握的基本知识。
起重机的基本技术参数主要有:起重量、起升高度、跨度(属于桥式类型起重机)、幅度(属于臂架式起重机)、机构工作速度、生产率和工作级别等。
其中臂架式起重机的主要技术参数中还包括起重力矩等,对于轮胎、汽车、履带、铁路起重机其爬坡度和最小转弯(曲率)半径也是主要技术参数。
随着起重机技术的发展,工作级别已成为起重机一项重要的技术参数。
一、关于起重机械参数国家标准GB 6974.2—86《起重机械名词术语——起重机械参数》中介绍了中国目前已生产制造与使用的各种类型起重机械的主要技术参数(标准的术语名称)、定义及示意图,现摘录一部分如表1—1所示。
二、起重机工作级别以往作为起重机的主要技术参数中,常常提起ⅡB%值、JC%值等标明起重机的级别,如轻级、中级或重级等即所谓的“工作制度”。
随着起重机技术的发展,显然起重机工作制度的技术概念和含义均有相当的欠妥与不足之处,因为起重机工作制度只考虑了起重机的通电时间的长短,来确定起重机的级别是十分不合理的。
当今,作为起重机的一个主要技术参数是起重机的工作级别,它代替了过去不合理的工作制度。
起重机的工作级别的大小高低是由二种能力所决定,其一是起重机的使用频繁程度,称为起重机利用等级;其二是起重机承受载荷的大小,称为起重机的载荷状态。
1.起重机的利用等级起重机在有效寿命期间有一定的工作循环总数。
起重机作业的工作循环是从准备起吊物品开始,到下一次起吊物品为止的整个作业过程。
工作循环总数表征起重机的利用程度,它是起重机分级的基本参数之一。
工作循环总数是起重机在规定使用寿命期间所有工作循环次数的总和。
确定适当的使用寿命时,要考虑经济、技术和环境因素,同时也要涉及设备老化的影响。
工作循环总数与起重机的使用频率有关。
为了方便起见,工作循环总数在其可能范围内,分成10个利用等级(U0~U9),如表1—2所示。
物流设施与设备之起重机的主要技术参数(1)起重设备的主要技术参数包括起重量、工作幅度、起重力矩、起升高度和工作速度、自重及质量指标等。
这些技术参数是表示起重设备性能特征的指标,也是进行起重设备选型和设计的技术依据。
1.起重量
起重量是指起重机能吊起货物的重量,其中应包括吊索和铁扁担或容器的质量。
它是衡量起重机工作能力的一个重要参数,通常称为额定起重量,用“Q”表示,起重量的单位用“t”表示。
起重机随着工作幅度的变化,其起重量也随之变化。
因此,额定起重量有最大起重量和最大幅度起重量。
最大起重量是指基本起重臂处于最大幅度时所允许起吊的最大起重量;最大幅度起重量是指基本起重臂处于最小幅度时允许起吊的最大起重量。
一般起重机的额定起重量是指基本起重臂处于最小幅度时允许起吊的最大起重量,即起重机铭牌上标定的起重量。
有关起重机的五大技术参数
——配件之家0428
一、起重量 G
起重量指被起升重物的质量,单位为kg或t。
可分为额定起重量、最大起重量、总起重量、有效起重量等。
1.额定起重量Gn
额定起重量为起重机能吊起的物料连同可分吊具或属具(如抓斗、电磁吸盘、平衡梁等质量的总和。
2.总起重量Gz
总起重量为起重机能吊起的物料连同可分吊具和长期固定在起重机上的吊具(包括吊钩、滑轮组、起重钢丝绳以及在起重小车以下的其他起吊物)的质量总和。
3.有效起重量Gp
有效起重量为起重机能吊起的物料的净质量。
该参数需要说明如下:
第一,起重机标牌上标定的起重量,通常都是指起重机的额定起重量,应醒目表示在起重机结构的明显位置上。
第二,对于臂架类型起重机来说,其额定起重量是随幅度而变化的,其起重特性指标是用起重力矩来表征的。
标牌上标定的值是最大起重量。
第三,带可分吊具(如抓斗、电磁吸盘、平衡梁等)的起重机,其吊具和物料质量的总服额定起重量,允许起升物料的质量是有效起重量。
二、起升高度 H
起升高度是指起重机运行轨道顶面(或地面)到取物装置上极限位置的垂直距离,单位为m。
通常用吊钩时,算到吊钩钩环中心;用抓斗及其他容器时,算到容器底部。
1.下降深度h
当取物装置可以放到地面或轨道顶面以下时,其下放距离称为下降深度。
即吊具最低工作位置与起重机水平支承面之间的垂直距离。
2、起升范围D
起升范围为起升高度和下降深度之和,即吊具最高和最低工作位置之间的垂直距离。
三、跨度 S
跨度指桥式类型起重机运行轨道中心线之间的水平距离,单位为m。
桥式类型起重机的小车运行轨道中心线之间的距离称为小车的轨距。
地面有轨运行的臂架式起重机的运行轨道中心线之间的距离称为该起重机的轨距。
四、幅度 L
旋转臂架式起重机的幅度是指旋转中心线与取物装置铅垂线之间的水平距离,单位为m。
非旋转类型的臂架起重机的幅度是指吊具中心线至臂架
后轴或其他典型轴线之间的水,平距离。
当臂架倾角最小或小车位置与起重机回转中心距离最大时的幅度为最大幅度;反之为最小幅度。
五、工作速度 V
工作速度是指起重机工作机构在额定载荷下稳定运行的速度。
1.起升速度Vq
起升速度是指起重机在稳定运行状态下,额定载荷的垂直位移速度,单位为m/min。
2.大车运行速度Vk
大车运行速度是指起重机在水平路面或轨道上带额定载荷的运行速度,单位为m/min。
3.小车运行速度Vt
小车运行速度是指稳定运动状态下,小车在水平轨道上带额定载荷的运行速度,单位为m/min。
4.变幅速度V1
变幅速度是指稳定运动状态下,在变幅平面内吊挂最小额定载荷,从最大幅度至最小幅度的水平位移平均线速度,单位为m/min。
5.行走速度V。
行走速度是指在道路行驶状态下,流动式起重机吊挂额定载荷的平稳运行速度,单位为km/ho
6.旋转速度ω
旋转速度是指稳定运动状态下,起重机绕其旋转中心的旋转速度,单位为r/min。
资料来源:蓝力工程机械网
工程机械配件商城:配件之家。