起重机械的主要参数
- 格式:pptx
- 大小:1.01 MB
- 文档页数:13
起重机的基本参数起重机是一种用于搬运重物的机械设备,广泛应用于工地、码头、港口等地。
起重机的基本参数包括起重量、起升高度、起升速度、工作半径、回转角度、工作循环等。
下面将分别介绍这些参数及其意义。
1.起重量:起重量是起重机能够承载的最大重量。
不同型号的起重机具有不同的起重量,一般从几十吨到几千吨不等。
起重量的大小决定了起重机能够承载的物体的重量大小。
2.起升高度:起升高度是指起重机能够将物体抬起的高度。
不同型号的起重机的起升高度也不相同,一般从几十米到数百米。
起升高度的大小取决于起重机所应用的领域和工作要求。
3.起升速度:起升速度是指起重机在起升物体时的速度。
起升速度一般以米/秒为单位。
起重机的起升速度一般较快,既能满足工作需求,也不会延长物体的悬空时间。
4.工作半径:工作半径是指起重机作业时转臂的有效半径。
起重机工作半径的大小取决于起重机所应用的领域和工作要求。
工作半径的大小决定了起重机能够覆盖的范围。
5.回转角度:回转角度是指起重机旋转转臂的范围。
回转角度通常是360度,也有一些特殊类型的起重机可以实现超过360度的回转范围。
回转角度的大小可以使起重机灵活调整位置,适应作业需求。
6.工作循环:工作循环是指起重机连续工作的时间和频率。
常见的工作循环包括A3、A4、A5等级,表示起重机的可连续使用时间和频率。
工作循环的设定可以保证起重机的安全运行和延长寿命。
除了上述基本参数外,起重机还有一些其他的参数和特性。
例如,起重机的自重是指起重机本身的重量,可以影响起重机的移动和运输;工作速度是指起重机在移动、转动等操作中的速度,可以根据需求进行调整;控制方式是指起重机的操控方式,可以采用手动、遥控或自动化等方式。
总而言之,起重机的基本参数包括起重量、起升高度、起升速度、工作半径、回转角度、工作循环等,这些参数决定了起重机的性能和适用范围。
在选择和应用起重机时,需要根据具体需求和工作环境来综合考虑这些参数。
起重机数据及公式引言概述:起重机作为一种重要的机械设备,在各种工程项目中起着至关重要的作用。
了解起重机的数据及相关公式,可以帮助工程师和操作人员更好地使用和维护起重机,确保工程项目的顺利进行。
一、起重机的基本数据1.1 起重机的额定起重量:指起重机在设计时所规定的最大起重量,通常以吨为单位表示。
1.2 起重机的最大起升高度:指起重机能够达到的最大起升高度,通常以米为单位表示。
1.3 起重机的最大起升速度:指起重机在起升过程中的最大速度,通常以米/秒为单位表示。
二、起重机的相关公式2.1 起重机的额定载荷计算公式:额定载荷 = 起重机的额定起重量。
2.2 起重机的起升高度计算公式:实际起升高度 = 起升高度 + 起升高度的超量。
2.3 起重机的起升时间计算公式:起升时间 = 起升高度 / 起升速度。
三、起重机的安全性数据3.1 起重机的安全载荷:指起重机在实际使用中所能承受的最大载荷,通常小于额定起重量。
3.2 起重机的安全起升高度:指起重机在实际使用中所能达到的最大起升高度,通常小于最大起升高度。
3.3 起重机的安全起升速度:指起重机在实际使用中所能达到的最大起升速度,通常小于最大起升速度。
四、起重机的维护数据4.1 起重机的定期检查:包括检查起重机的各个部件是否正常运转,是否有磨损或松动等问题。
4.2 起重机的润滑保养:定期给起重机的各个部件进行润滑保养,确保其正常运转。
4.3 起重机的故障处理:及时处理起重机出现的故障,避免对工程项目造成影响。
五、起重机的操作数据5.1 起重机的操作规程:操作人员应按照规定的操作程序进行操作,确保起重机的安全运行。
5.2 起重机的操作技巧:操作人员应具备良好的操作技巧,能够熟练地操作起重机。
5.3 起重机的操作注意事项:操作人员在操作起重机时应注意安全,避免发生意外事故。
结语:通过了解起重机的数据及相关公式,可以更好地使用和维护起重机,确保工程项目的顺利进行。
起重机技术参数起重机是一种用于搬运重物的机械设备,广泛应用于工业、建筑和港口等领域。
起重机的性能与技术参数直接影响着其使用效果和安全性能。
本文将从起重机的载荷能力、工作半径、起升高度、工作速度等方面,分析起重机的技术参数。
一、载荷能力起重机的载荷能力是指起重机能够承受的最大重量。
它是衡量起重机性能的重要指标之一。
载荷能力的大小取决于起重机的结构强度、起重机臂的长度、起重机的工作半径等因素。
一般来说,起重机的载荷能力越大,其应用范围就越广。
载荷能力常用吨位来表示,如10吨、50吨等。
二、工作半径起重机的工作半径是指起重机臂的水平距离,即起重物体距离起重机转台中心的水平距离。
工作半径的大小直接影响着起重机的工作范围和灵活性。
工作半径越大,起重机的作业范围就越广。
一般来说,起重机的工作半径可以通过伸缩臂或变幅机构来调整。
三、起升高度起升高度是指起重机起重臂能够达到的最大高度。
起升高度的大小与起重机的结构高度、起重臂的长度等因素有关。
一般来说,起升高度越高,起重机的作业范围就越大。
起升高度通常以米为单位来表示。
四、工作速度工作速度是指起重机在工作过程中各项动作的速度,包括起升速度、变幅速度、行走速度等。
工作速度的快慢直接影响着起重机的工作效率和作业时间。
一般来说,起重机的工作速度越快,其作业效率就越高。
工作速度通常以米/秒为单位来表示。
五、安全保护装置为了确保起重机的安全运行,起重机通常配备了各种安全保护装置,如重载保护装置、高度限位装置、起升限位装置等。
这些装置可以对起重机的各项操作进行监测和控制,一旦发生异常情况,可以及时停机并发出警报,保证操作人员的安全。
六、控制方式起重机的控制方式有多种,常见的有手动控制和无线遥控两种。
手动控制需要操作人员亲自上台操作起重机,需要相应的操作经验和技能。
而无线遥控则可以通过遥控器对起重机进行控制,操作更加灵活方便。
选择何种控制方式需要根据具体的工作环境和操作要求来决定。
起重机数据及公式起重机是一种用于吊装、搬运和抓取重物的机械设备。
它通常由支架、起升机构、行走机构、电气系统和控制系统等组成。
起重机的设计和使用需要考虑到多种因素,包括起重机的类型、工作条件、分量限制、高度限制等。
本文将详细介绍起重机的数据和公式,以匡助您更好地了解和使用起重机。
1. 起重机的基本参数起重机的基本参数包括额定起分量、最大起升高度、最大起升速度、最大行走速度等。
这些参数是根据起重机的设计和创造标准确定的。
根据不同的起重机类型和规格,这些参数会有所不同。
以下是一些常见起重机的基本参数示例:- 起重机类型:塔式起重机- 额定起分量:10吨- 最大起升高度:60米- 最大起升速度:60米/分钟- 最大行走速度:10米/分钟2. 起重机的力学计算起重机的力学计算是用来确定起重机在工作过程中所受到的力和力矩。
这些计算可以匡助我们选择合适的起重机,确保其能够安全和有效地完成工作任务。
以下是一些常见的起重机力学计算公式示例:- 起重机的起升力计算公式:起升力 = 起重物分量 + 起升机构自重 + 起升机构附加负荷- 起重机的倾覆力矩计算公式:倾覆力矩 = 起重物分量 ×起升高度 × sin(倾覆角度)3. 起重机的稳定性计算起重机的稳定性计算是用来确定起重机在工作过程中的稳定性和安全性。
这些计算可以匡助我们选择合适的支撑方式和工作条件,以确保起重机不会倾覆或者发生其他意外情况。
以下是一些常见的起重机稳定性计算公式示例:- 起重机的稳定性计算公式:倾覆力矩 < 抗倾覆力矩其中,抗倾覆力矩可以通过起重机的设计参数和支撑方式来确定。
4. 起重机的电气计算起重机的电气计算是用来确定起重机所需的电气功率和电气设备。
这些计算可以匡助我们选择合适的电气设备,确保起重机的正常运行和安全性。
以下是一些常见的起重机电气计算公式示例:- 起重机的电气功率计算公式:电气功率 = 起升功率 + 行走功率 + 旋转功率 + 其他功率其中,起升功率、行走功率和旋转功率可以根据起重机的设计参数和工作条件来确定。
起重机数据及公式起重机是一种用于吊装和搬运重物的机械设备。
它由吊臂、起重机构、行走机构和控制系统等组成。
起重机的性能和运行参数通常通过一些数据和公式来描述和计算。
下面将详细介绍起重机的数据及公式。
1. 起重机的基本参数:- 额定起分量:起重机能够安全吊装的最大分量。
- 最大起升高度:起重机能够达到的最大起升高度。
- 起升速度:起重机起升负载的速度。
- 行走速度:起重机在地面上行驶的速度。
- 旋转速度:起重机旋转的速度。
2. 起重机的公式:- 起重机的额定载荷计算公式:额定载荷 = 起重机自重 + 起重机结构部件分量 + 起重机额定起分量。
- 起重机的起升速度计算公式:起升速度 = (额定起分量 / 起重机额定起升量) ×额定起升速度。
- 起重机的行走速度计算公式:行走速度 = (额定起分量 / 起重机额定载荷) ×额定行走速度。
- 起重机的旋转速度计算公式:旋转速度 = (额定起分量 / 起重机额定载荷) ×额定旋转速度。
3. 起重机的数据采集与监测:- 起重机的载荷传感器:用于测量起重机吊钩上的载荷分量。
- 起重机的倾斜传感器:用于监测起重机是否倾斜。
- 起重机的高度传感器:用于测量起重机的高度。
- 起重机的速度传感器:用于测量起重机的速度。
4. 起重机的安全控制:- 起重机的分量限制器:用于监测起重机的载荷,当超过额定载荷时发出警报或者住手操作。
- 起重机的高度限制器:用于监测起重机的高度,当超过最大起升高度时发出警报或者住手操作。
- 起重机的速度限制器:用于监测起重机的速度,当超过额定速度时发出警报或者住手操作。
5. 起重机的维护与保养:- 定期检查起重机的结构和关键部件是否有损坏或者磨损。
- 检查起重机的润滑系统,确保润滑油的充足和正常工作。
- 清洁起重机的外表和内部,防止灰尘和杂物对起重机的影响。
以上是关于起重机数据及公式的详细介绍。
起重机的数据和公式可以匡助工程师和操作人员计算起重机的性能和运行参数,从而确保起重机的安全和高效运行。
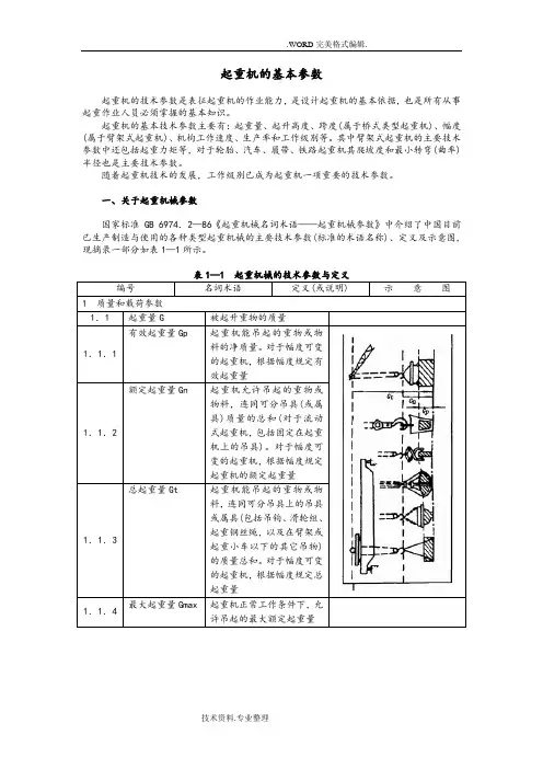
起重机的基本参数起重机的技术参数是表征起重机的作业能力,是设计起重机的基本依据,也是所有从事起重作业人员必须掌握的基本知识。
起重机的基本技术参数主要有:起重量、起升高度、跨度(属于桥式类型起重机)、幅度(属于臂架式起重机)、机构工作速度、生产率和工作级别等。
其中臂架式起重机的主要技术参数中还包括起重力矩等,对于轮胎、汽车、履带、铁路起重机其爬坡度和最小转弯(曲率)半径也是主要技术参数。
随着起重机技术的发展,工作级别已成为起重机一项重要的技术参数。
一、关于起重机械参数国家标准GB 6974.2—86《起重机械名词术语——起重机械参数》中介绍了中国目前已生产制造与使用的各种类型起重机械的主要技术参数(标准的术语名称)、定义及示意图,现摘录一部分如表1—1所示。
二、起重机工作级别以往作为起重机的主要技术参数中,常常提起ⅡB%值、JC%值等标明起重机的级别,如轻级、中级或重级等即所谓的“工作制度”。
随着起重机技术的发展,显然起重机工作制度的技术概念和含义均有相当的欠妥与不足之处,因为起重机工作制度只考虑了起重机的通电时间的长短,来确定起重机的级别是十分不合理的。
当今,作为起重机的一个主要技术参数是起重机的工作级别,它代替了过去不合理的工作制度。
起重机的工作级别的大小高低是由二种能力所决定,其一是起重机的使用频繁程度,称为起重机利用等级;其二是起重机承受载荷的大小,称为起重机的载荷状态。
1.起重机的利用等级起重机在有效寿命期间有一定的工作循环总数。
起重机作业的工作循环是从准备起吊物品开始,到下一次起吊物品为止的整个作业过程。
工作循环总数表征起重机的利用程度,它是起重机分级的基本参数之一。
工作循环总数是起重机在规定使用寿命期间所有工作循环次数的总和。
确定适当的使用寿命时,要考虑经济、技术和环境因素,同时也要涉及设备老化的影响。
工作循环总数与起重机的使用频率有关。
为了方便起见,工作循环总数在其可能范围内,分成10个利用等级(U0~U9),如表1—2所示。
起重机械起重量参数
起重机械的起重量参数是指起重机械在正常工作条件下能够安全起吊的最大质量。
这些参数通常包括额定起重量、最大起重量、起升高度、工作幅度等。
额定起重量是指起重机械在正常工作条件下允许起吊的最大质量,通常以吨(t)为单位。
最大起重量是指起重机械在特殊情况下能够起吊的最大质量,通常比额定起重量大一定比例,但不能超过起重机械的设计承载能力。
起升高度是指起重机械能够提升重物的最大高度,通常以米(m)为单位。
工作幅度是指起重机械的回转中心到吊钩或吊具中心的水平距离,通常以米(m)为单位。
除了上述参数外,起重机械的起重量参数还包括起重机械的自重、起升速度、回转速度、变幅速度等。
这些参数对于起重机械的安全使用和性能评估都非常重要。
在选择起重机械时,需要根据实际需要和工作条件来选择适当的起重量参数。
同时,还需要考虑起重机械的稳定性、可靠性、操作性等因素,以确保起重机械的安全使用和高效运行。
需要注意的是,起重机械的起重量参数可能会受到环境因素、操作方式、负载分布等因素的影响,因此在实际使用中需要进行合理的估算和控制,以确保起重机械的安全运行。
第二章起重机技术参数与载荷目录第一节起重机主要技术参数第二节起重机工作级别第一单元起重机工作级别第二单元起重机结构工作级别第三单元机构工作级别第三节起重机的计算载荷第一单元起重机载荷的作用方式第二单元垂直动载荷第三单元水平载荷第四单元风载荷Pw第五单元其他载荷第四节载荷分类与计算原则第一单元载荷分类与载荷组合第二单元计算原则与安全系数第一节起重机主要技术参数起重机主要参数是表征起重机主要技术性能指标的参数,是起重机设计的依据,也是重机安全技术要求的重要依据。
一、起重量 G起重量指被起升重物的质量,单位为 kg 或 t 。
可分为额定起重量、最大起重量、总起重量、有效起重量等。
1.额定起重量 Gn额定起重量为起重机能吊起的物料连同可分吊具或属具(如抓斗、电磁吸盘、平衡梁等质量的总和。
2.总起重量 Gz 总起重量为起重机能吊起的物料连同可分吊具和长期固定在起重机上的吊具和剧(包括吊钩、滑轮组、起重钢丝绳以及在起重小车以下的其他起吊物)的质量总和。
3.有效起重量 Gp 有效起重量为起重机能吊起的物料的净质量。
该参数需要说明如下:第一,起重机标牌上标定的起重量,通常都是指起重机的额定起重量,应醒目表示在起重机结构的明显位置上。
第二,对于臂架类型起重机来说,其额定起重量是随幅度而变化的,其起重特性指标是用起重力矩来表征的。
标牌上标定的值是最大起重量。
第三,带可分吊具(如抓斗、电磁吸盘、平衡梁等)的起重机,其吊具和物料质量的总服额定起重量,允许起升物料的质量是有效起重量。
二、起升高度 H 起升高度是指起重机运行轨道顶面(或地面)到取物装置上极限位置的垂直距离,单位为m通常用吊钩时,算到吊钩钩环中心;用抓斗及其他容器时,算到容器底部。
1.下降深度 h当取物装置可以放到地面或轨道顶面以下时,其下放距离称为下降深度。
即吊具最低工作位置与起重机水平支承面之间的垂直距离。
2•起升范围D起升范围为起升高度和下降深度之和,即吊具最高和最低工作位置之间的垂直距离。
起重机的基本参数起重机的技术参数是表征起重机的作业能力,是设计起重机的基本依据,也是所有从事起重作业人员必须掌握的基本知识。
起重机的基本技术参数主要有:起重量、起升高度、跨度(属于桥式类型起重机)、幅度(属于臂架式起重机)、机构工作速度、生产率和工作级别等。
其中臂架式起重机的主要技术参数中还包括起重力矩等,对于轮胎、汽车、履带、铁路起重机其爬坡度和最小转弯(曲率)半径也是主要技术参数。
随着起重机技术的发展,工作级别已成为起重机一项重要的技术参数。
一、关于起重机械参数国家标准GB 6974.2—86《起重机械名词术语——起重机械参数》中介绍了中国目前已生产制造与使用的各种类型起重机械的主要技术参数(标准的术语名称)、定义与示意图,现摘录一部分如表1—1所示。
表1—1 起重机械的技术参数与定义编号名词术语定义(或说明) 示意图1 质量和载荷参数1.1 起重量G 被起升重物的质量1.1.1 有效起重量Gp 起重机能吊起的重物或物料的净质量。
对于幅度可变的起重机,根据幅度规定有效起重量1.1.2 额定起重量Gn 起重机允许吊起的重物或物料,连同可分吊具(或属具)质量的总和(对于流动式起重机,包括固定在起重机上的吊具)。
对于幅度可变的起重机,根据幅度规定起重机的额定起重量1.1.3 总起重量Gt 起重机能吊起的重物或物料,连同可分吊具上的吊具或属具(包括吊钩、滑轮组、起重钢丝绳,以与在臂架或起重小车以下的其它吊物)的质量总和。
对于幅度可变的起重机,根据幅度规定总起重量1.1.4 最大起重量Gmax起重机正常工作条件下,允许吊起的最大额定起重量1.2 起重力矩M 幅度L和相应起吊物品重力Q的乘积1.3 起重倾覆力矩M A起吊物品重力Q和从载荷中心线至倾覆线距离A的乘积1.4 起重机总质量Go 包括压重、平衡重、燃料、油液、润滑剂和水等在内的起重机各部分质量的总和1.5 轮压P 一个车轮传递到轨道或地面上的最大垂直载荷(按工况不同,分为工作轮压和非工作轮压)2 起重机尺寸参数2.1 幅度L 起重机置于水平场地时,空载吊具垂直中心线至回转中心线之间的水平距离(非回转浮式起重机为空载吊具垂直中心线至船艏护木的水平距离)2.1.1 最大幅度Lmax 起重机工作时,臂架倾角最小或小车在臂架最外极限位置时的幅度2.1.2 最小幅度Lmin 臂架倾角最大或小车在臂架最内极限位置时的幅度2.2 悬臂有效伸缩距l 离悬臂最近的起重机轨道中心线到位于悬臂端部吊具中心线之间的距离2.3 起升高度H 起重机水平停车面至吊具允许最高位置的垂直距离。
起重机械基本功能参数有哪些?答:起重机械的基本功能参数主要包括:起重量、起重力矩、起升高度、工作速度、工作幅度、起重臂倾角、起重机总重、轮压等。
什么是起重量?什么是额定起重量?什么是有效起重量?答:被提升起的被吊物质量称为起重量。
起重机允许起升物料的最大质量连同起重机取物装置质量的总和称为额定起重量。
起重机的取物装置本身的重量(除吊钩以外),一般应包括抓斗、起重电磁铁、平衡梁、钢水包以及各种辅助吊具等对于幅度可变的起重机,根据幅度规定起重机的额定起重量。
有效起重量是指起重机能吊起的物料或设备的净质量。
起重机标牌上标定的起重量是起重机额定起重量。
起重机吊运超过额定起重量的被吊物件叫超负荷。
什么叫起重力矩?什么叫额定起重力矩?什么叫倾翻力矩?答:起重量G与幅度L的乘积称为起重力矩(载荷力矩)。
额定起重力矩指额定起重量与幅度的乘积。
倾翻力矩是指起吊物的重力与其至倾翻线距离的乘积。
起重机起升高度的具体指向是什么?答:起重机吊具最高工作位置与起重机的水平地平面之间的垂直距离称为起重机的起升高度。
什么叫跨度?答:桥式起重机两端梁车轮踏面中心线间的距离称为起重机的跨度。
起重机工作速度有哪些?各指什么?答:工作速度指起重机在额定载荷下稳定运行的速度。
包括起升速度,大(小)车运行速度、变幅速度和旋转速度等。
额定起升速度:指起升机构电动机在额定转速时,取物装置的上升速度。
大车运行速度:指桥式起重机大车运行机构电动机在额定转速时,起重机整机的运行速度。
小车运行速度:指桥式起重机小车运行机构电动机在额定转速时,起重小车的运行速度。
变幅速度:指臂架式起重机在稳定状态下,额定载荷在变幅平面内水平位移的平均速度。
起重臂伸缩速度:指液压起重机的起重臂伸出(或回缩)时,其尖部沿臂架纵向中心线移动的速度。
行驶速度:指流动式起重机在道路行驶状态下,起重机由自身动力驱动的最大运行速度。
回转速度:指臂架式起重机在旋转机构电动机为额定转速时,起重机转动部分的回转角速度(最大幅度、额定载荷)。