DB34T 1773-2012 发泡水泥板外墙外保温系统
- 格式:doc
- 大小:244.50 KB
- 文档页数:11
复合发泡水泥板施工方案一、编制依据本工程施工图纸;工程施工组织设计;《建筑装饰装修工程质量验收规范》《复合发泡水泥板外墙外保温系统应用技术规程》DGJ32/TJ 174-2014《保温装饰板外墙外保温系统技术规程》DGJ32/TJ86《建筑节能工程施工质量验收规程》DGJ32/19《外墙保温用锚栓》JG/T366二、工程概况本工程外墙混凝土梁柱、砌体墙面等进行抹灰处理后粘贴30mm厚发泡水泥保温板,工序: 工具准备→基层墙体检验、润湿→弹基准线、安装托架→配制粘结砂浆→粘贴发泡水泥保温板→检查保温板粘贴质量→抹第一层抹面砂浆→铺压网格布→安装锚固件→抹第二遍抹面砂浆→保温层验收→柔性耐水腻子→饰面真石漆→工程验收。
三、施工准备1、材料30mm厚发泡水泥板外墙外保温系统所用的材料应有产品合格证书、质量保证书、型式检测报告等。
1.1 发泡水泥板:规格为300*300* 30mm厚。
发泡水泥板各项检测指标应符合《复合发泡水泥板外墙外保温系统应用技术规程》DGJ32/TJ 174-2014要求,无缺棱掉角,无通长裂缝,表观尺寸偏差控制为±3mm,厚度允许偏差+2mm。
1.2 粘结砂浆:规格为25kg/袋,各项性能指标应符合《复合发泡水泥板外墙外保温系统应用技术规程》DGJ32/TJ 174-2014要求1.3 抹面砂浆:规格为25kg/袋,各项性能指标应符合《复合发泡水泥板外墙外保温系统应用技术规程》DGJ32/TJ 174-2014要求1.4 耐碱玻纤网格布:规格为160g/m2,玻璃纤维网格布主要性能指标应符合《复合发泡水泥板外墙外保温系统应用技术规程》DGJ32/TJ 174-2014要求1.5锚栓:规格为ф8*80mm,主要性能指标应符合《复合发泡水泥板外墙外保温系统应用技术规程》DGJ32/TJ 174-2014要求2、主要机具钢锯、手提切割机、开槽器、容器盛桶、电动搅拌器、手持冲击钻、锯齿抹子、不锈钢抹子、搓板、靠尺、水平尺、卷尺、扫帚、橡皮锤、墨斗等。
DB34 发泡水泥板外墙外保温系统External thermal insulation systems offoam cement thermal insulating panel安徽省质量技术监督局 发布前言本标准根据GB/T1.1-2009《标准化工作导则第一部分:标准的结构和编写》进行编写。
本标准由安徽省产品质量监督检验研究院、阜阳市产品质量监督检验所及阜阳市奥捷建筑节能材料有限公司提出。
本标准由安徽省质量技术监督局归口。
本标准起草单位:国家建筑节能产品质量监督检验中心、安徽省产品质量监督检验研究院、安徽省住宅产业化促进中心、合肥特艺建筑节能新技术服务有限公司、合肥乐千年涂料有限公司、安徽鸿业节能科技有限公司、阜阳市奥捷建筑节能材料有限公司、安徽华普节能材料股份有限公司、安徽新起点装饰工程有限公司、安徽晋马环保节能科技有限公司、安徽绿归节能科技有限公司、安徽龙禹环保节能科技有限公司、合肥候鸟新型材料有限公司、阜阳市产品质量监督检验所、煤炭工业合肥设计研究院。
本标准主要起草人:曹丽荣、张璐、鲁长权、姚钟莹、张春海、祁一鸣、方超、项清、苗振岳、谭波涛、李伟、颜威、王福林、巩建、宋广福、吕德春、魏雄、方兵、孙琦、汤俊怀、薛念念、鲍宏伟。
本标准于2012年12月08日首次发布。
发泡水泥板外墙外保温系统1 范围本标准规定了发泡水泥板外墙外保温系统产品的术语和定义、分类、尺寸和标记、要求、试验方法、检验规则、产品合格证和使用说明书、以及产品的包装、运输和贮存。
本标准适用于工业与民用建筑采用的由粘结砂浆、发泡水泥板、抹面砂浆、锚栓、耐碱网格布及涂料饰面等组成的发泡水泥板外墙外保温系统,组成系统的各种材料应由系统生产单位配套供应。
2 规范性引用文件下列文件对于本文件的应用是必不可少的。
凡是注日期的引用文件,仅所注日期的版本适用于本文件。
凡是不注日期的引用文件,其最新版本(包括所有的修改单)适用于本文件。
发泡水泥保温板国家标准
发泡水泥保温板是一种新型的建筑保温材料,具有优良的保温隔热性能,被广
泛应用于建筑墙体、屋面、地面等部位的保温工程中。
为了规范发泡水泥保温板的生产和应用,保障建筑工程的质量和安全,国家制定了相关的标准,即《发泡水泥保温板国家标准》。
该国家标准主要包括发泡水泥保温板的分类、技术要求、试验方法、检验规则、标志、包装、运输和贮存等内容。
首先,标准对发泡水泥保温板进行了分类,根据材料的密度、抗压强度、导热系数等指标进行了细致的划分,以便于生产和应用中的选择和使用。
其次,标准对发泡水泥保温板的技术要求进行了详细规定,包括材料的原料、配比、生产工艺、外观质量、物理性能等方面的要求,确保产品的质量稳定和可靠。
同时,标准还规定了发泡水泥保温板的试验方法,包括材料的密度测试、抗压强度测试、导热系数测试等,以及检验规则,保证产品符合标准要求。
此外,标准还对发泡水泥保温板的标志、包装、运输和贮存进行了规范,以确保产品在整个生产和使用过程中的质量和安全。
遵循《发泡水泥保温板国家标准》的生产和应用,能够有效提高发泡水泥保温
板的质量和性能,保障建筑工程的保温效果和安全性。
因此,生产企业和工程施工单位应当严格按照国家标准的要求进行生产和应用,确保产品的质量和安全。
总的来说,发泡水泥保温板国家标准的制定对于规范发泡水泥保温板的生产和
应用具有重要意义。
只有严格遵循标准的要求,才能够保证发泡水泥保温板在建筑工程中发挥应有的作用,为建筑工程的质量和安全保驾护航。
希望各相关单位能够重视国家标准的执行,共同为建筑行业的发展贡献力量。
发泡水泥外墙保温技术及施工要求(一)、概述 1、工程概况:工程名称:外墙发泡水泥保温施工工程 建设地点:工程范围:图纸包含范围内的保温采用固定全费用单价报价,包工包料施工。
2、施工单位资质要求:建筑节能外墙外保温工程专业承包三级及以上资质(二)、技术标准和要求1、工程规范(一)有关国家法律《中华人民共和国建筑法》、《中华人民共和国劳动法》《中华人民共和国消防法》(二)国家、行业技术标准及管理规定、验收与保养: 《建筑工程施工质量验收统一标准》 《建设工程项目管理规范》 《建筑装饰装修工程质量验收规范》国家标准《严寒和寒冷地区居住建设节能设计标准》JGJ26-2010 国家标准《民用建筑热工设计规范》GB50176-93 国家标准《住宅建筑规范》GB50368-2005国家标准《外墙外保温工程技术规程》JGJ144-2004国家标准《建筑节能工程施工质量验收规范》GB50411-2007《民用建筑工程室内环境污染控制规范》GB50325—2001《建筑节能工程验收规范》 GB50411-2007 GB50300-2000 GB/T50326—2006《居住建筑节能构造》J08J110《公共建筑节能构造》J09J117建筑外墙用无机防火保温板河北省地方标准DB 13/T 1704-2013建设部令第143号《民用建筑节能管理规定》全国民用建筑工程设计技术措施—建筑节能专篇—建筑篇注:若以上标准规范版本有更新的执行最新版本。
说明:上述规范、标准、规程仅是本工程建设的最基本要求,并未包括实施中所涉及到的所有规定、标准和规程。
在施工中对于上述未尽事宜按国家和地方现行的规定及施工图纸要求执行。
2、工程技术要求1、本工程由报价人根据现行规范、标准及施工图纸要求进行报价。
2、实际工程中使用的材料必须经甲方认可后方可用于工程中。
3、报价人应保证工程质量,保证材料质量、规格与数量,满足设计和施工现场要求。
3、材料要求1、“水泥发泡保温板”(1)省及衡水市相关备案材料。
外墙保温施工方案编制:审核:审批:中江国际经济技术合作集团有限公司2017年05月3日目录第一章编制依据 (1)1、合同要求、设计要求、施工图纸、施工组织设计 (1)2、国家规范标准(GB、GB/T、GBJ) (1)3、建筑工程行业标准(JGJ、JGJ/T) (1)4、国家产品标准 (2)5、地方标准............................ 错误!未定义书签。
6、主要图集 (2)第二章工程概况 (3)1、工程现场概况 (3)2、工程设计概况 (3)2、施工重点及难点 (5)第三章施工部署及任务安排 (6)1、施工组织机构 (6)2、工程目标 (7)3、任务安排 (8)4、主要施工方法 (8)第四章施工准备 (8)1、技术准备 (8)2、现场准备 (9)3、人员准备 (9)4、材料准备 (10)5、机具准备 (11)6、作业条件 (11)第五章施工工艺流程及施工工艺 (12)1、外墙保温施工 (12)第六章质量标准及质量保证措施 (21)1、质量标准 (21)2、质量保证措施 (22)第七章环保及安全文明施工 (25)1、安全文明施工 (25)2、环保、消防措施 (29)第八章成品保护措施 (30)1、成品保护要求 (31)2、要求下道工序对成品的保护要求 (31)第一章编制依据1、合同要求、设计要求、施工图纸、施工组织设计2、国家规范标准(GB、GB/T、GBJ)3、建筑工程行业标准(JGJ、JGJ/T)4、国家产品标准5、主要图集第二章工程概况1、工程现场概况2.1总体简介2.1.1工程概况2、工程设计概况1.1、建筑设计概况2、施工重点及难点序号项目内容1 施工重点1、执行标准和施工要求要明确一致。
2、所有材料必须检验(复试)合格后方可使用。
3、细部节点构造做法2 施工难点1、外窗及空调板的保温施工。
(上下两层;注意墙面保温板的平整度、保温钉的数量和网格布的层数,按规定施工员做好旁站工作,做好记录,留好相应影像资料)。
复合发泡水泥板外墙外保温工程施工方案模板一、工程概述复合发泡水泥板外墙外保温工程是指利用复合发泡水泥板作为外墙保温材料,采用特定的施工方案将其安装在建筑外墙表面,目的是提高建筑的保温性能,降低能耗,改善室内舒适度。
二、施工准备2.1 材料准备•复合发泡水泥板•外墙胶•玻璃钢网格布•玻璃钢角线•墙体基层处理材料2.2 施工设备•电动搅拌机•钢丝刷•刮板•抹灰板•建筑扩展胶•建筑密封条三、施工流程3.1 基层处理1.清理墙体表面的灰尘、浮灰等杂质。
2.对墙体表面进行必要的修补和加强处理。
3.2 外墙保温层施工1.将外墙胶均匀涂抹在基层处理后的墙体表面。
2.在外墙胶未干透时,将玻璃钢网格布固定在墙体上。
3.3 复合发泡水泥板安装1.将复合发泡水泥板切割成适当大小。
2.用外墙胶涂抹在复合发泡水泥板的背面。
3.将复合发泡水泥板按照预定的位置贴在墙体上,确保贴合牢固。
3.4 外墙装饰饰面层施工1.用电动搅拌机将腻子糊搅拌均匀,并涂抹在复合发泡水泥板表面。
2.用刮板将腻子糊刮平,形成平整的表面。
3.在腻子糊未完全干燥时,用抹灰板对表面进行整体抹光处理。
3.5 收尾工作1.在墙体交界处、门窗等部位填充建筑扩展胶,确保密封性。
2.对墙体外缝进行密封处理,采用建筑密封条封闭缝隙。
四、验收与保养4.1 施工完成验收1.对外墙外保温工程进行验收,确保施工质量符合规范要求。
2.对外墙表面进行质量检查,修正存在的瑕疵。
4.2 日常保养1.定期检查外墙外保温层的表面是否有裂痕或脱落现象。
2.对外墙保温层进行清洁和保养,保持其外观美观和保温性能。
五、施工注意事项1.施工前应仔细查看施工方案和相关技术规范,确保施工符合要求。
2.在施工过程中,要严格按照施工工序和要求操作,保证施工质量。
3.施工过程中要注意安全,做好现场防护措施,避免施工事故的发生。
以上为复合发泡水泥板外墙外保温工程施工方案模板,具体施工中还需根据实际情况作出相应调整和补充。
DB34T-1773-2012-发泡水泥板外墙外保温系统资料本文旨在介绍DB34T-1773-2012标准下的发泡水泥板外墙外保温系统所需资料,包括材料、工具、施工规范以及注意事项等方面的内容。
发泡水泥板材料发泡水泥板是一种多孔的板材,由水泥、发泡剂、水等原材料混合制成,具有轻质、高强、隔热防火等特点。
其质量应符合DB34T-1773-2012标准规定,同时还应满足以下要求:•密度:一般为400-900kg/m³,可根据具体需要进行调整。
•厚度:常见厚度为20-100mm,应根据外墙结构及保温要求确定。
•尺寸:一般为1200600mm或者24401220mm,在施工前应进行准确测量。
外保温材料除了发泡水泥板外,外保温系统还需要以下材料:1.黏合剂:用于将发泡水泥板粘贴在外墙表面,一般选用耐候性好、粘合力强的聚合物乳液。
2.外墙装饰面层材料:如外墙涂料、瓷砖等,应根据设计要求和环境条件选择合适的装饰面层材料。
3.防水材料:如防水涂料、防水卷材等,用于保护外保温系统不受雨水侵蚀。
施工工具1.钢尺、刷子、刮刀等常用的油漆工具。
2.齿刀:用于切开发泡水泥板,尺寸应与板材厚度匹配。
3.手电钻、钢钻头等:用于在板材上钻孔。
4.玻璃胶枪:用于涂抹黏合剂。
施工规范1.外保温工程应在气温5℃以上、风力小于4级的天气条件下进行。
2.外墙表面必须清洁干燥,无起鼓、开裂等现象。
3.发泡水泥板应按设计要求进行切割,粘贴前应将表面灰土、油脂等杂质清除。
4.发泡水泥板之间和板与墙体之间都需用防水涂料处理。
5.粘贴发泡水泥板时,黏合剂均匀涂抹并用齿刀切出齿状,使其更好地粘附在墙体上。
6.发泡水泥板粘贴完成后,待其干燥固定后,再进行防水涂层施工。
7.外墙装饰面层施工前,应先进行防水涂层的检查和测试。
施工注意事项1.施工人员应穿戴好安全防护用品,注意施工安全。
2.施工现场应保持整洁,防止杂物堆放影响施工效果。
3.对于墙体上的造形突出部分,应采用分段粘贴的方式进行施工。
水泥发泡板外墙外保温系统施工方案一、工程概况一、项目名称:二、项目地址:三、【】总建筑面积为平方米。
四、业主:设计单位:五、监理单位:六、工程分包项目:(A级)水泥发泡板外墙外保温、饰面为油漆涂料。
二、施工组织布置一、施工临时用水、用电:施工期间每个工作面均需提供2~3处用电点、用水点。
二、保证安全生产,文明施工措施(含施工人员的居住、材料堆放)1、凡参加施工的全体人员需反复进行安全教育。
施工前方案及安全措施必须向班组交底,施工全体人员进入施工现场前接受我厂施工部门的上岗前再次培训.2、施工人员在现场要戴安全帽,高空作业还要系安全带,注意力应集中,不得随意打闹,上下左右均要顾及,工种之间相互配合。
3、现场配专职安全质量员一名,必须对施工全过程进行安全质量监护.4、电器设备必须接地,开关设施一机一闸制。
5、施工区域保持环境卫生,现场材料堆放应有序,并分类挂牌存放,水泥发泡板必须室内水平堆放或室外防潮覆盖,聚合物面层砂浆和专门粘结砂浆存放在注意防雨防潮,网格布、固定件也应防雨存放。
三、施工方案一、施工条件与环境(一)施工条件1、基层墙体经过工程验收达到国家验收质量标准结构承重墙面或非承重墙面在找平层施工完毕后,待找平层干燥并已验收合格,即可进行外墙外保温施工。
进行外墙外保温施工的墙体基层墙面的尺寸偏差应符合表1的规定.基层墙体的允许偏差和检查方法。
对于未达到以上标准的墙体应按以下方法进行处理:对新建工程,必须彻底清除基层表面浮灰、油污、空鼓及风化物等影响粘结强度的材料,墙面平整度超差部分应剔凿或用1:3的水泥砂浆修补.2、门窗口门窗洞口经验收,洞口尺寸位置达到设计和质量要求:门窗或铺框已安装完毕.3、窗的保温门窗的保温要按要求做特别的处理,应严格按照设计要求施工,具体做法参见图集。
4、伸缩缝和装饰缝伸缩缝的最大间距应符合图集的要求或与总承包单位协商确定伸缩缝和装饰缝的具体位置,具体做法可参见图集。
5、预埋管道各种与外墙有关的管线、预埋件、支架等已安装到位,并预留出外保温的余地。
复合发泡水泥板外墙外保温系统应用技术规程一、前言复合发泡水泥板外墙外保温系统是指采用复合发泡水泥板作为外墙室内保温层结构体系,并配套安装保温材料,以及夹层砌筑砂浆,滴水和防水系统等耐久材料来实现的外墙保温节能系统的应用技术规程。
二、应用材料1. 复合发泡水泥板:应采用符合GB/T 9848-2011《发泡水泥板》标准要求的复合发泡水泥板作为主结构板材,粘附层和防水层应采用以涂料为主的结构,并符合JB/T 9087-2003《建筑用发泡砂浆面层砌块》标准要求。
2. 绝缘材料:绝缘材料应采用硅酸盐泥绝缘板,其厚度不小于40mm,绝缘板上表面应采用龟裂防护层,并符合JC/T 925-2018《建筑物外保温装置硅酸钙硬膏绝缘板》标准要求。
3. 支撑材料:支撑材料应采用不锈钢或镀锌钢支撑,其符合JB/T 8792-2011《建筑物外保温装置支撑支座》标准要求。
4. 夹层砂浆:夹层砂浆应符合GB/T90250-2009《外墙保温抹灰砂浆》标准要求,配合比由1:2.4混凝土,马赛克色浆1:1.75水泥组成,使用时应将水泥放在干燥夹层中并逐渐加热调节,随后加入水泥,用扒刮放平全面涂刷。
三、施工方法1. 基础施工:(1)顶层必须稳定,干净、表面均匀,铺设底柱时应斜面铺设,确保墙面外角45度,以显示墙的美观。
(2)把支撑材料从发泡水泥板顶部安装,将与支撑材料一起固定在外墙上,确保发泡水泥板正确安装平整,便于夹层施工。
(3)在底部和侧面安装水泥板时,应相对对应于发泡水泥板已安装位置,这样可以确保绝缘材料和支撑材料的正确位置,避免施工中缺陷偏差。
(1)绝缘材料安装时,应拉一条间距拉绳,将绝缘材料按拉绳的相对应位置安装,使其均匀的悬挂在墙体表面上。
(2)安装完绝缘材料后,对材料进行压实,使其表面呈平整状态,裹上蓬松面料缠绕,应充分地把水平和垂直方向补偿。
(3)安装完毕后,要对间距杆和拉绳及其他用料进行清洁,以保证发泡水泥板的美观,并且进行完整的剪切粘贴,一般应不小于3个接缝。
复合发泡水泥板外墙外保温系统应用技术规程复合发泡水泥板外墙外保温系统应用技术规程一、概述复合发泡水泥板外墙外保温系统是一种常用的外墙保温和装饰材料,具有良好的保温隔热性能和较高的施工效率。
为了确保系统的正常使用和施工质量,制定本技术规程。
二、材料要求1. 复合发泡水泥板:外墙外保温系统采用的复合发泡水泥板应符合国家相关标准,具有一定的强度和保温性能。
2. 粘结剂:采用耐候性、耐碱性、耐老化性好的聚合物粘结剂,粘结剂的性质应符合国家相关标准。
3. 防火隔热保温材料:采用不燃材料,如岩棉、聚苯板等,其导热系数应符合国家相关标准。
4. 现场配套材料:胶水、网格布、玻璃纤维网格布、导线、膨胀螺钉等应符合国家相关标准,并配合施工要求使用。
三、施工前准备1. 工程准备:清理外墙表面,确保其干燥、平整和无积水。
2. 材料准备:将所需的材料按照比例配好,并分类摆放,保持材料的存放环境干燥、通风。
3. 设备准备:安排好所需的施工设备,如搅拌机、刮刀、抹灰机等,确保设备完好并易于操作。
四、施工步骤1. 基层处理:清除外墙表面浮尘、油污等杂物,然后涂刷聚合物粘结剂,增强基层的附着力。
2. 外保温材料安装:将防火隔热保温材料按照预定位置固定在基层上,可采用胶水或密封胶做固定。
3. 网格布安装:在外保温材料上涂刷粘结剂,然后将玻璃纤维网格布粘贴在保温材料上,确保网格布牢固无松动。
4. 涂抹保温层:将聚合物粘结剂与干砂按照比例混合搅拌均匀,然后用刮刀将该混合物涂抹在玻璃纤维网格布上,厚度控制在5-6mm。
5. 复合发泡水泥板安装:将复合发泡水泥板按照设计要求定位并用膨胀螺钉固定在保温层上,固定点间距需符合规范要求。
6. 预留构造缝:对于未预设构造缝的部位,应根据设计要求进行预留,尤其是在墙体与柱、板结合处和分层缝处。
7. 砂浆抹面:按照墙体设计要求,将水泥、砂浆和适量的聚合物粘结剂搅拌均匀,然后用刮刀将该砂浆涂抹在复合发泡水泥板上,厚度控制在2-3mm。
复合发泡水泥板外墙外保温系统应用技术规程1. 引言外墙外保温系统是建筑节能的关键组成部分之一。
复合发泡水泥板作为外墙外保温系统的重要材料之一,在应用过程中需要严格遵循技术规程,确保施工质量和保温效果。
本文将介绍复合发泡水泥板外墙外保温系统的应用技术规程。
2. 材料准备在进行复合发泡水泥板外墙外保温系统施工前,需要进行充分的材料准备工作。
主要包括以下内容:•复合发泡水泥板:应符合国家相关标准,表面应平整无破损。
•粘结剂:选用适合复合发泡水泥板的粘结剂,质量应优良。
•钉具:选择质量可靠的钉具,确保固定牢固。
3. 施工工艺3.1 基层处理在进行复合发泡水泥板外墙外保温系统施工前,需要对基层进行处理,确保基层平整、无裂缝、无杂质。
具体做法包括:•清除基层表面的杂质和灰尘。
•对有裂缝的地方进行修补处理。
•在基层上涂刷底漆,增强粘结力。
3.2 粘贴复合发泡水泥板粘贴复合发泡水泥板时,需要注意以下细节:•在复合发泡水泥板背面均匀涂抹粘结剂。
•将复合发泡水泥板贴于基层墙面,用力轻轻捏压,确保牢固粘贴。
•保证复合发泡水泥板之间的接缝平整、紧密。
3.3 施工后处理施工完成后,需要对外墙外保温系统进行后处理,包括:•检查整体保温效果,修补漏洞和空鼓。
•喷涂保温系统表面装饰材料,提高外观质感。
•进行验收,确保施工质量符合相关规定要求。
4. 施工质量检验在施工完成后,需要进行施工质量检验。
主要包括以下内容:•外墙外保温系统厚度测量。
•复合发泡水泥板粘结牢固性检查。
•防水性能测试。
5. 注意事项在复合发泡水泥板外墙外保温系统施工过程中,需要注意以下事项:•雨雪天气慎施工,避免倒影湿陷。
•保持施工人员安全,遵守安全操作规程。
•施工现场保持整洁,确保施工质量。
6. 结语复合发泡水泥板外墙外保温系统在建筑节能中发挥着重要作用,正确的应用技术规程能够确保施工质量和保温效果。
本文对复合发泡水泥板外墙外保温系统的应用技术规程进行了详细介绍,希望能为相关从业人员提供参考。
天津市城乡建设和交通委员会关于发布《泡沫水泥保温板薄抹灰外墙外保温系统性能指标体系(暂行)》
的通知
文章属性
•【制定机关】天津市城乡建设和交通委员会
•【公布日期】2012.09.08
•【字号】津建科[2012]873号
•【施行日期】2012.09.08
•【效力等级】地方规范性文件
•【时效性】现行有效
•【主题分类】建筑节能与科技
正文
天津市城乡建设和交通委员会关于发布《泡沫水泥保温板薄抹灰外墙外保温系统性能指标体系(暂行)》的通知
各有关单位:
为了规范泡沫水泥保温板在我市外墙外保温工程中的应用,确保外墙外保温工程质量,我委组织天津市建材业协会编制了《泡沫水泥保温板薄抹灰外墙外保温系统性能指标体系(暂行)》。
经我委组织专家审查通过,现批准《泡沫水泥保温板薄抹灰外墙外保温系统性能指标体系(暂行)》,自本文发布之日起执行。
各相关单位要认真执行本指标体系,实施过程中如有不明之处及修改意见请及时反馈给天津市建材业协会。
本指标体系由天津市城乡建设和交通委员会负责管理。
本指标体系由天津市建材业协会负责具体技术内容的解释。
该外墙外保温体系在工程使用前,应由该技术拥有单位按照本指标体系编制工程建设企业标准,经我委备案审查通过后,可在多层建筑中试用。
特此通知
2012年9月8日附:泡沫水泥保温板薄抹灰外墙外保温系统性能指标体系(暂行)。
DB34 发泡水泥板外墙外保温系统External thermal insulation systems offoam cement thermal insulating panel安徽省质量技术监督局 发布前言本标准根据GB/T1.1-2009《标准化工作导则第一部分:标准的结构和编写》进行编写。
本标准由安徽省产品质量监督检验研究院、阜阳市产品质量监督检验所及阜阳市奥捷建筑节能材料有限公司提出。
本标准由安徽省质量技术监督局归口。
本标准起草单位:国家建筑节能产品质量监督检验中心、安徽省产品质量监督检验研究院、安徽省住宅产业化促进中心、合肥特艺建筑节能新技术服务有限公司、合肥乐千年涂料有限公司、安徽鸿业节能科技有限公司、阜阳市奥捷建筑节能材料有限公司、安徽华普节能材料股份有限公司、安徽新起点装饰工程有限公司、安徽晋马环保节能科技有限公司、安徽绿归节能科技有限公司、安徽龙禹环保节能科技有限公司、合肥候鸟新型材料有限公司、阜阳市产品质量监督检验所、煤炭工业合肥设计研究院。
本标准主要起草人:曹丽荣、张璐、鲁长权、姚钟莹、张春海、祁一鸣、方超、项清、苗振岳、谭波涛、李伟、颜威、王福林、巩建、宋广福、吕德春、魏雄、方兵、孙琦、汤俊怀、薛念念、鲍宏伟。
本标准于2012年12月08日首次发布。
发泡水泥板外墙外保温系统1 范围本标准规定了发泡水泥板外墙外保温系统产品的术语和定义、分类、尺寸和标记、要求、试验方法、检验规则、产品合格证和使用说明书、以及产品的包装、运输和贮存。
本标准适用于工业与民用建筑采用的由粘结砂浆、发泡水泥板、抹面砂浆、锚栓、耐碱网格布及涂料饰面等组成的发泡水泥板外墙外保温系统,组成系统的各种材料应由系统生产单位配套供应。
2 规范性引用文件下列文件对于本文件的应用是必不可少的。
凡是注日期的引用文件,仅所注日期的版本适用于本文件。
凡是不注日期的引用文件,其最新版本(包括所有的修改单)适用于本文件。
GB/T5486-2008 无机硬质绝热制品试验方法GB6566-2010 建筑材料放射性核素限量GB8624-1997 建筑材料燃烧性能分级方法GB/T10294-2008 绝热材料稳态热阻及有关特性的测定防护热板法GB/T10295-2008 绝热材料稳态热阻及有关特性的测定热流计法GB/T11969-2008 蒸压加气混凝土性能试验方法GB/T 20473-2006 建筑保温砂浆JGJ144-2004 外墙外保温工程技术规程JG149-2003 膨胀聚苯板薄抹灰外墙外保温系统JG158-2004 胶粉聚苯颗粒外墙外保温系统3 术语和定义下列术语和定义适用于本标准。
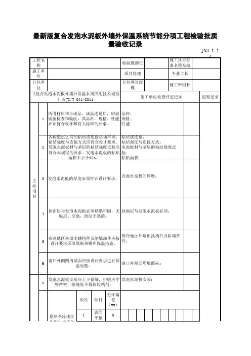
3.1 发泡水泥板外墙外保温系统由粘结砂浆、发泡水泥板、抹面砂浆、锚栓、耐碱网格布,及涂料饰面等组成的置于建筑物外墙的保温及饰面的系统产品。
其基本构造见表1。
3.2 粘结砂浆专用于把发泡水泥板粘结到基层墙体上的产品。
3.3 发泡水泥板是以普通硅酸盐水泥为主料,发泡剂、粉煤灰、外加剂为辅料,经加水搅拌、浇注、发泡、养护、切割而成的具有保温隔热层的板材。
表1 涂料饰面发泡水泥板外墙外保温系统基本构造3.4 锚栓把发泡水泥板固定于基层墙体的专用连接件,通常情况下包括塑料钉或具有防腐性能的金属螺钉和带圆盘的塑料膨胀套管两部分。
3.5 抹面砂浆由水泥基或其他无机胶凝材料、高分子聚合物和填料等材料组成,抹在粘贴好的发泡水泥板外表面,用以保证系统的机械强度和耐久性。
3.6 耐碱网格布耐碱型玻璃纤维网格布,由表面涂覆耐碱防水材料的玻璃纤维网格布制成,埋入抹面胶浆中,形成薄抹灰增强防护层,用以提高防护层的机械强度和抗裂性。
4 分类、尺寸和标记 4.1 分类发泡水泥板外墙外保温系统按抗冲击能力分为普通型(缩写为P )和加强型(缩写为Q )两种类型: P 型:用于一般建筑物2m 以上墙面;Q 型:主要用于建筑首层或2m 以下墙面,以及对抗冲击有特殊要求的部位。
4.2 标记发泡水泥板外墙外保温系统的标记由产品代号和类型组成:类型(P 型或Q 型)示例: FPSNBXT —P 普通型发泡水泥板外墙外保温系统 5 要求5.1 发泡水泥板外墙外保温系统发泡水泥板外墙外保温系统主要技术指标应符合表2要求。
表2 发泡水泥板外墙外保温系统主要技术指标5.2 发泡水泥板发泡水泥板外观尺寸和物理力学性能应符合表3和表4要求。
表3 发泡水泥板外观及尺寸表4 发泡水泥板物理力学性能5.3 粘结砂浆粘结砂浆性能应符合表5的要求。
表5 粘结砂浆主要技术指标5.4 抹面砂浆抹面砂浆性能应符合表6的要求。
表6 抹面砂浆主要技术指标5.5 耐碱玻纤网格布耐碱玻纤网格布性能应符合表7的要求。
表7 耐碱网格布主要指标5.6 锚栓锚栓由螺钉和带圆盘的塑料膨胀套管两部分组成。
金属螺钉应采用不锈钢或经过表面防腐蚀处理的金属制成,塑料钉和带圆盘的塑料膨胀套管应采用聚酰胺、聚乙烯或聚丙烯制成,制作塑料钉和塑料套管的材料不得使用回收的再生材料。
锚栓有效锚固深度不小于25mm,塑料圆盘直径不小于50mm,套管外径7mm~10mm。
锚栓机械固定的主要技术性能指标应符合表8要求。
表8 锚栓机械固定主要指标5.7 弹性底涂弹性底涂性能应符合表9要求。
表9 弹性底涂性能指标5.8 柔性耐水腻子柔性耐水腻子性能应符合表10要求。
表10 柔性耐水腻子性能指标5.9 涂料涂料必须与本系统组成材料相容,其性能指标应符合外墙建筑涂料的相关标准。
5.10 附件在发泡水泥板外墙外保温系统中所采用的附件,包括密封材料、托架、包角条、包边条、盖口条等应分别符合相应的产品标准的要求。
6 试验方法6.1 试验环境标准试验环境为空气温度(23±2)℃,相对湿度(50±10)%。
在非标准试验环境下试验时,应记录温度和相对湿度。
6.2 发泡水泥板外墙外保温系统6.2.1 吸水量按JG149-2003标准6.2.1进行测定。
6.2.2 抗冲击强度按JG149-2003标准6.2.2进行测定。
6.2.3 抗风压按JG149-2003标准附录A进行测定。
6.2.4 耐冻融按JG149-2003标准6.2.4进行测定。
6.2.5 水蒸气湿流密度按JG149-2003标准6.2.5进行测定。
6.2.6 不透水性按JG149-2003标准附录B进行测定。
6.2.7 耐候性按JGJ144-2004标准附录A.2进行测定。
6.2.8 系统抗拉强度按JG158-2004标准附录F进行测定。
6.2.9 火反应性按JG158-2004标准附录H进行测定。
6.3 粘结砂浆按JG149-2003标准6.3进行测定。
6.4 发泡水泥板6.4.1 外观尺寸按GB/T5486-2008的规定进行测定。
6.4.2干表观密度按GB/T5486-2008的规定进行测定。
6.4.3 抗压强度按GB/T5486-2008的规定进行测定。
6.4.4 导热系数按GB/T10294-2008或GB/T10295-2008的规定进行测定。
6.4.5 吸水率按GB/T5486-2008的规定进行测定。
6.4.6 放射性按GB6566-2010的规定进行测定。
6.4.7 燃烧性能按GB8624-1997的规定进行测定。
6.4.8 抗冻性按GB/T20473-2006的第6.7项规定进行测定。
6.4.9 软化系数及蓄热系数按JG158-2004的规定进行测定。
6.4.10 碳化系数按GB/T11969-2008的规定进行测定。
6.4.11 抗拉强度按JG149-2003标准之6.4.1的规定进行测定。
6.5 抹面砂浆按JG149-2003的规定进行测定。
6.6 耐碱玻纤网格布按JG158-2004的规定进行测定。
6.7 弹性底涂及柔性耐水腻子按JG158-2004的规定进行测定。
6.8 锚栓按JG158-2004标准进行测定,单个锚栓5个抗拉力平均值为五个抗拉力值的平均值。
6.9 涂料及附件按建筑外墙涂料相关标准的规定进行测定。
7 检验规则产品检验分出厂检验和型式检验。
7.1 出厂检验7.1.1 出厂检验项目1) 粘结砂浆:拉伸粘结强度原强度、可操作时间;2) 发泡水泥板:外观、尺寸偏差、干表观密度、吸水率;3) 抹面砂浆:拉伸粘结强度原强度、可操作时间;4) 增强材料、锚栓、饰面层涂料、弹性底涂、耐水腻子、按照国家或行业相关产品标准规定的出厂检验项目检验;7.1.2 抽样方法抽样的地点、人员由合同双方商定。
按JG149-2003规定的方法进行抽样。
7.1.3 判定规则按7.1.1规定的检验项目进行出厂检验,全部检验项目符合本标准规定的技术指标,则判定该批产品为合格品;若有一项指标不符合要求时,则判定该批产品为不合格品。
7.2 型式检验7.2.1 型式检验的项目本标准第5章中所列项目均为型式检验项目。
有下列情况之一时,应进行型式检验:1) 试制的新产品投产鉴定时;2) 产品的材料、配方、工艺有重大改变,可能影响产品性能时;3) 正常生产时,每两年进行一次;4) 产品停产一年以上再恢复生产时;5 ) 国家检验机构提出进行型式检验时。
7.2.2 抽样方法按JG149-2003规定的方法进行抽样。
7.2.3 判定规则按7.2.1规定的检验项目进行型式检验,若有一项指标不合格时,应对同一批产品的不合格项目加倍进行复检,如该项指标合格,则判定该批产品为合格;若该项指标仍不合格,则判定该批产品为不合格。
若全部检验项目合格,则判定该批产品为合格。
若有两项及两项以上指标不合格,则判定该批产品为不合格。
8 产品合格证和使用说明书8.1 产品合格证8.1.1 系统及组成材料应有产品合格证,产品合格证应包括下列内容:1) 产品名称、标准编号、商标;2) 生产企业名称、地址;3) 产品规格;4) 生产日期;5) 检验部门印章、检验人员代号。
8.1.2 产品合格证应于产品交付时提供。
8.2 使用说明书8.2.1 使用说明书应包括下列主要内容:1) 产品用途及使用范围;2) 产品特点;3) 使用环境条件;4) 主要使用方法;5) 材料贮存方式;6) 成品保护措施;7) 执行标准;8) 安全及其他注意事项。
8.2.3 应标明使用说明书的出版日期。
8.2.4 生产厂家可根据产品特点编制施工技术规程,若施工技术规程能满足用户对使用说明书的需要时,可用其代替使用说明书。
9 包装、运输和贮存9.1 包装9.1.1 发泡水泥板采用塑料膜包装,在捆扎角处应衬垫硬质材料。
9.1.2 粘结砂浆、抹面砂浆可根据情况采用编织袋或塑料桶盛装,但应注意密封,严防受潮或外泄。
9.1.3 耐碱玻纤网格布每卷应紧密,整齐卷绕,用防水防潮材料包装。
9.1.4 锚栓采用纸箱包装。