炼钢过程中的物料平衡与热平衡计算
- 格式:doc
- 大小:377.00 KB
- 文档页数:11
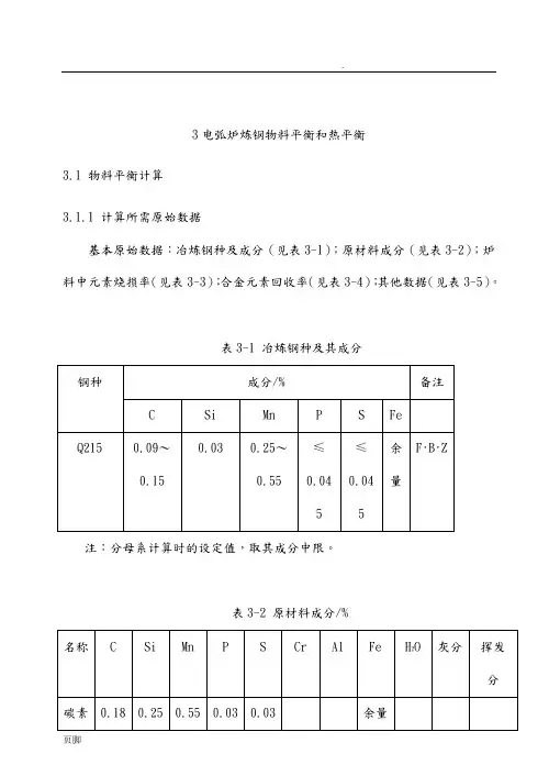
3电弧炉炼钢物料平衡和热平衡3.1 物料平衡计算3.1.1 计算所需原始数据基本原始数据:冶炼钢种及成分(见表3-1);原材料成分(见表3-2);炉料中元素烧损率(见表3-3);合金元素回收率(见表3-4);其他数据(见表3-5)。
表3-1 冶炼钢种及其成分注:分母系计算时的设定值,取其成分中限。
表3-2 原材料成分/%表3-3 炉料中元素烧损①按末期含量比规格下限低0.03%~0.10%(取0.06%)确定(一般不低于0.03%的脱碳量);②按末期含量的0.015%来确定。
表3-4 铁水、废钢成分设定值表3-5 其他数据3.1.2 物料平衡基本项目收入项有:废钢、生铁、焦炭、石灰、萤石、电极、炉衬镁砖、炉顶高铝砖、火砖块、铁合金、氧气和空气。
支出项有:钢水、炉渣、炉气、挥发的铁、焦炭中挥发分。
3.1.3 计算步骤以100kg金属炉料(废钢+生铁)为基础,按工艺阶段——熔化期、氧化期和还原期分别进行计算,然后汇总成物料平衡表。
第一步:熔化期计算。
(1)确定物料消耗量:1)金属炉料配入量。
废钢和生铁按75kg和25kg搭配,不足碳量用焦炭来配。
其结果列于表3-6。
计算用原始数据见表3-2和3-5。
表3-6 炉料配入量①碳烧损率25%。
2)其他原材料消耗量。
为了提前造渣脱磷,先加入一部分石灰(20kg/t(金属料))和矿石(10kg/t(金属料))。
炉顶、炉衬和电极消耗量见表3-5。
(2)确定氧气和空气消耗量:耗氧项包括炉料中元素的氧化,焦炭和电极中碳的氧化;而矿石则带来部分氧,石灰中CaO被自身S还原出部分氧。
前后两者之差即为所需净氧量2.458kg。
详见表3-7。
根据表3-5中的假设,应由氧气供给的氧气为100%,即2.239kg。
由此可求出氧气实际消耗量。
详见表3-8。
上述1)+2)便是熔化期的物料收入量。
表3-7 净耗氧量的计算①令铁烧损率为2%,其中80%生成Fe2O3挥发掉成为烟尘的一部分;20%成渣。
转炉车间炼钢物料平衡热平衡计算转炉车间是炼钢过程中的重要环节,需要进行炼钢物料平衡和热平衡计算,以确保生产过程的稳定和高效。
本文将对转炉车间的炼钢物料平衡和热平衡计算进行详细介绍。
炼钢物料平衡是指通过对转炉车间中的原料投入和产出物料进行测量和计算,从而得到物料平衡的结果。
炼钢物料平衡的目的是确保转炉车间原料的投入和产出物料的稳定性,避免资源的浪费和环境的污染。
物料平衡的计算主要包括原料质量平衡和物料流量平衡两个方面。
原料质量平衡是指对转炉车间中原料的质量进行计算和比较。
首先,需要测量和记录转炉车间中原料的投入量和产出量,包括铁矿石、废钢、废铁、石灰石等原料。
然后,根据原料的化学成分和质量比例,计算不同原料的质量,并与实际投入和产出物料进行比较。
如果投入和产出物料的质量不平衡,就需要调整原料的配比和使用,以达到物料平衡的要求。
物料流量平衡是指对转炉车间中物料流动的计算和分析。
首先,需要测量和记录转炉车间中不同物料的流量和速度,包括氧气、燃烧剂、炉渣、煤粉等。
然后,根据物料流动的速度和体积,计算不同物料在转炉车间中的流量,并与实际测量结果进行比较。
如果物料的流量不平衡,就需要调整物料的供给和流动方式,以保持物料平衡的状态。
炼钢热平衡计算是指通过对转炉车间中的热能输入和输出进行测量和计算,从而得到热平衡的结果。
炼钢热平衡计算的目的是确保转炉车间热能的合理利用和能量的平衡。
热平衡的计算主要包括燃烧热平衡和传热平衡两个方面。
燃烧热平衡是指对转炉车间中燃料的燃烧过程进行计算和分析。
首先,需要测量和记录转炉车间中燃料的消耗量和燃烧产物的产生量,包括煤粉、燃气、燃油等。
然后,根据燃料的能量含量和燃烧反应的热效率,计算燃料的热值和燃烧产生的热能,并与实际产生的热能进行比较。
如果燃烧过程的热能不平衡,就需要调整燃料的供给和燃烧方式,以达到热平衡的要求。
传热平衡是指对转炉车间中传热过程的计算和分析。
首先,需要测量和记录转炉车间中不同部位的温度和热能输入输出,包括炉渣的温度、冷却水的流量和温度、炉气的温度等。
一、炼钢物料平衡与热平衡计算(一)物料平衡物料平衡是计算冶炼过程当中参与炼钢反应的全部物料如铁水、废钢、氧气、矿石、石灰、萤石、炉衬、钢液、炉渣、炉气、烟尘等之间的平衡关系。
热平衡则是计算炼钢过程当中的热量收益(铁水的物理热和化学热)与热量支出(钢、渣、气的物理热、冷却剂吸热及热量损失)之间的平衡关系。
物料平衡计算和热平衡计算有两种方案,一种是为了预设新转炉车间选用有关设备而举行的平衡计算;另一种则是为了改进已投产转炉工艺参数对实测数据举行平衡计算和分析,以指导生产。
基本思路:根据本地的资源环境(铁水成分和温度、石灰等材料的成分)确定计算的基本数据,结合已投产转炉的实际生产环境假定一些数据(喷溅损失、烟尘损失等),然后依据这些原始数据举行平衡计算.(二)热平衡计算为方便计算,以冷料的温度—25℃为基准(起点温度不影响热量收益和热量支出的平衡即相对关系)。
1)热量收益热量收益Q收:一般环境下,转炉炼钢的热收益为铁水的物理热和化学热即元素氧化放热。
(1)铁水的物理热:铁水的熔点t熔=1539-∑△t×X-7=1092 ℃Q铁=M[C固(t熔-25)+λ+C液(t铁-t熔)]=114469.7 kJ(2)铁中元素氧化放热和成渣热:Q放=∑qi×i的氧化量=94148.1 kJ(3)烟尘生成热Q烟尘:Q烟尘=1.6×(77%×56/72×5020+20%×112/160×6670)=6304.4 kJ(4)炉衬中碳氧化放热Q衬:Q衬=0.5×5%×(90%×10950+10%×34520)=332.7 kJ以是,Q收=114469.7+94148.1+6304.4+332.7=215254.9 kJ2)热量支出钢液物理热:(1)钢液的熔点t熔=1539-∑△t×X-7=1520℃Q铁=M[C固(t熔-25)+λ+C液(t终-t熔)]=130277.0 kJ2)熔渣物理热Q渣= M[ C液(t液-25)+λ]=31074.6kJ(炉渣温度比钢水低20℃)3)矿石分化吸热Q矿=1×(29.4%×56/72×5020+61.8%×112/160×6670+209.20)=4242.5kJ4)烟尘带走热Q尘=烟尘量1.6×[1.0(1450-25)+209.20]=2614.7 kJ5)炉气物理热Q气=10.71×1.136(1450-25)=17337.3 kJ6)渣中铁珠带走热量Q和=1.112[0.745(1520-25)+217.568+0.8368(1650-1520)=1601.4 kJ7)喷溅金属带走热量Q和=1.0[0.745(1520-25)+217.568+0.8368(1650-1520)=1440.1 kJ8)热损失吹炼过程当中的热量损失包括炉口和炉体的热辐射及冷却水带走的热量等,因炉容及炉口巨细、耐材厚度等不同而异,一般为热收益的3~8%,取5%。
炼钢物料平衡热平衡计算概述炼钢物料平衡和热平衡计算是炼钢过程中非常重要的工作。
炼钢过程中涉及多种原料和产品,在确保炉况稳定和冶炼效果良好的前提下,需要对原料的投入和产物的产出进行平衡计算。
炼钢物料平衡计算的目的是确定钢铁冶炼过程中各种原料的投入量,确保原料的充分利用以及合理投放。
平衡计算的依据是材料的质量守恒定律,即进入的物料的质量必须等于产出物料的质量。
在炼钢过程中,主要的原料包括铁矿石、废钢、废铁等,而产出的物料则包括粗钢、渣钢、炉渣等。
通过对原料的投入量和产出物料的重量进行平衡计算,可以了解到炼钢过程中原料的利用率以及产物的产出量,从而对冶炼效果进行评估和优化。
热平衡计算是指对炼钢过程中的热量进行平衡计算。
炼钢过程中需要对炉内的温度进行控制,以确保冶炼反应能够正常进行。
在炼钢过程中,原料和加热介质(如燃料)的输入会带来热量的输入,而冶炼过程中的反应则会导致热量的输出,主要包括燃烧、还原和吸热反应等。
通过对输入和输出热量的平衡计算,可以确定炉内的热量分布和热量损失,进而对炉内温度进行控制和优化。
炼钢物料平衡和热平衡计算是炼钢过程中冶炼稳定性和经济效益的重要保障。
通过这些计算,可以了解到原料的利用率和产物的产出量,从而提高冶炼效果和产品质量。
同时,通过热平衡计算可以实时监测炉内的温度变化,及时发现和解决温度异常问题,确保冶炼过程的可控性和稳定性。
因此,炼钢物料平衡和热平衡计算是炼钢过程中不可或缺的重要环节。
炼钢物料平衡和热平衡计算在炼钢过程中起着非常重要的作用。
通过这些计算,冶炼厂可以更好地了解和控制物料的投入和产物的产出,实现冶炼过程的稳定运行和优化效果。
首先,炼钢物料平衡计算能够确保原料的充分利用和合理投放。
在炼钢过程中,钢厂会使用不同的原料,如铁矿石、废钢、废铁等。
这些原料的投入量需要经过平衡计算来确定,以确保原料的利用率最大化。
通过平衡计算,可以了解到每种原料的投入量,避免过量或不足的情况发生。
文档来源为:从网络收集整理.word版本可编辑.欢迎下载支持.钢铁冶金专业设计资料(炼铁、炼钢)本钢工学院冶化教研室二00三年八月第一章物料平衡与热平衡计算物料平衡和热平衡计算是氧气顶吹转炉冶炼工艺设计的一项基本的计算,它是建立在物质和能量不灭定律的基础上的。
它以转炉作为考察对象,根据装入转炉内或参与炼钢过程的全部物料数据和炼钢过程的全部产物数据,如图1-1-1所示的收入项数据和支出项数据,来进行物料的重量和热平衡计算。
通过计算,可以定量地掌握冶炼工重要参数,做到“胸中有数”。
对指导生产和分析研究改进冶炼工艺,设计转炉炼钢车间等均有其重要意义。
由于转炉炼钢过程是一个十分复杂的物理化学过程,很显然,要求进行精确的计算较为困难,特别是热平衡,只能是近似计算,但它仍然有十分重要的指导意义。
物料平衡和热平衡计算,一般可分为两面种方案。
第一种方案是为了设计转炉及其氧枪设备以及相应的转炉炼钢车间而进行的计算,通常侧重于理论计算,特别是新设计转炉而无实际炉型可以参考的情况下;另一种方案是为了校核和改善已投产的转炉冶炼工艺参数及其设备参数或者采用新工艺新技术等,而由实测数据进行的计算,后者侧重于实测。
本计算是采用第一种方案。
目前,我国顶吹转炉所采用的生铁基本上为低磷的(0.10〜0.40%)和中磷的(0.40〜1.00%)两种,对这两种不同含磷量生铁的冶炼工艺制度也不相同。
因此,下面以50吨转炉为例,分别就低磷生铁和高磷生铁两种情况,进行物料平衡和热平衡计算。
1.1原始数据表 1-1-1表1-1-2原材料成分表2-1-1铁水成分与温度转炉冶炼钢种常为普通碳素钢和低合金钢,在此以要求冶炼BD3钢考虑,其成分见表2-1-31-1-4用废钢作冷却剂,其成份与冶炼钢种成份的中限相同。
(见表1-1-3)虽然炉内化学反应,实际上是在炉料温度和炉内上部气相温度之间的任一温度发生的,但反应热效应通常仍采用25 C作为参考温度,值得指出的是,反应热还与组分在铁水中存在形态有关,至今对参与化学反应有关的实际组成物还有不同的看法。
炼钢过程的物料平衡与热平衡计算是建立在物质
生铁
锰铁硅铁
物料平衡计算前,必须确定冶炼设备和方法以及炉
现代电弧炉冶炼工艺与传统三段式有较大的变化
火砖块是浇铸系统的废弃品,它的
配碳比钢种规格中线高0.70%,焦炭的收得率按75%计(7-28)
熔化期脱碳量30%,
CO:CO2=7:3,下同
Fe含量见表7-29
余见注释
焦炭中C含量
烧损率为25%
石灰中的S含
量为0.06%
(3)确定炉渣量:炉渣源于炉料中Si、Mn、P、Fe等元素的氧化产物,炉顶和炉衬的蚀损,焦炭和电极中的灰分,以及加入的各种溶剂。
结果见表7-32.
(4)确定金属量:金属量Qi=金属炉料重+矿石带入的铁量-炉料中C、Si、Mn、P和Fe的烧损量+焦炭配入得碳量
炉顶、炉衬消耗
量见表7-28
烧损的Fe,其中20%进入渣中,其中75%为Fe2O3,25%为FeO
引起氧化期物料波动的因素有:扒除熔化渣,造新渣;金属中
还原期采用白渣操作,引起该期物料变化的因素有:。
第2章炼钢过程的物料平衡和热平衡计算炼钢是通过将生铁加热到高温,然后进行氧化还原反应来去除杂质的过程。
在炼钢过程中,物料平衡和热平衡是非常重要的计算,以确保过程的稳定性和效率。
首先,让我们来看一下炼钢过程中的物料平衡计算。
物料平衡是指在炼钢过程中输入和输出物料的量之间的平衡。
在炼钢过程中,主要的输入物料是生铁、石灰石、废钢等,而主要的输出物料是炼钢渣、废气和钢水等。
物料平衡计算可以通过考虑每个输入和输出物料的质量来完成。
首先需要确定每个输入物料的质量,并计算出每个输入物料的总量。
然后需要确定每个输出物料的质量,并计算出每个输出物料的总量。
最后,通过比较输入和输出物料的总量,可以确定物料平衡是否达到。
在炼钢过程中,石灰石主要用于吸附硫化物和冶炼渣的形成,废钢用于加碳和提供合金元素。
当炼钢渣形成时,一些杂质也会被吸附在渣中,从而净化钢水。
因此,通过控制输入物料的质量,并进行物料平衡计算,可以确保炼钢过程中的物料平衡。
其次,让我们来看一下炼钢过程中的热平衡计算。
热平衡是指在炼钢过程中输入和输出热量之间的平衡。
在炼钢过程中,主要的输入热量是燃料的燃烧热量,而主要的输出热量是废气和钢水。
热平衡计算可以通过考虑每个输入和输出热量的量来完成。
首先需要确定每个输入热量的量,并计算出每个输入热量的总量。
然后需要确定每个输出热量的量,并计算出每个输出热量的总量。
最后,通过比较输入和输出热量的总量,可以确定热平衡是否达到。
在炼钢过程中,需要控制燃料的燃烧速率和炉内气体的流动速率,以确保输入和输出热量的平衡。
此外,还可以通过热回收和余热利用来提高热平衡效果。
例如,可以使用余热回收装置来回收废气中的热能,并将其用于加热其他冷却介质。
综上所述,物料平衡和热平衡计算是炼钢过程中非常重要的计算。
通过控制输入物料的质量和量,并考虑输入和输出热量的平衡,可以确保炼钢过程的稳定性和效率。
此外,还可以使用其他技术和设备来提高物料平衡和热平衡效果,以进一步提高炼钢过程的效率。
转炉物料平衡与热平衡计算简介转炉是冶金行业中常见的设备之一,主要用于高炉炼铁的后续工序。
转炉的工作原理是利用高温将铁水中的杂质进行氧化还原反应,从而得到高纯度的钢水。
为了确保炉内反应的正常进行,需进行物料平衡和热平衡的计算。
本文将介绍转炉物料平衡和热平衡的计算方法,并给出一个示例,以帮助读者更好地理解。
转炉物料平衡计算方法转炉物料平衡是指通过对转炉输入和输出物料的数量进行统计,计算转炉内的物料平衡情况。
物料平衡计算的基本原理是质量守恒定律,即输入物料的总质量必须等于输出物料的总质量。
物料平衡计算的步骤如下:1.确定转炉的输入物料,包括铁水、矿石、废钢等。
2.统计输入物料的质量。
3.确定转炉的输出物料,包括钢水、废气、炉渣等。
4.统计输出物料的质量。
5.比较输入物料的总质量和输出物料的总质量,若两者相等,则物料平衡成立;若不相等,则存在物料的损失或增加。
下面以一个具体的例子来说明转炉物料平衡的计算过程。
假设一个转炉的输入物料包括1000kg的铁水、200kg的矿石和100kg的废钢。
经过转炉反应后,得到800kg的钢水、400kg的废气和100kg的炉渣。
通过统计计算,我们可以得到输入物料的总质量为1000kg + 200kg + 100kg = 1300kg,输出物料的总质量为800kg + 400kg + 100kg = 1300kg。
两者相等,说明物料平衡成立。
转炉热平衡计算方法转炉热平衡是指通过对转炉内的能量输入和输出进行统计,计算转炉的热平衡情况。
热平衡计算的基本原理是能量守恒定律,即输入能量的总量必须等于输出能量的总量。
热平衡计算的步骤如下:1.确定转炉的输入能量,包括燃料的热值、还原剂的热值等。
2.统计输入能量的总量。
3.确定转炉的输出能量,包括钢水的热值、废气的热值等。
4.统计输出能量的总量。
5.比较输入能量的总量和输出能量的总量,若两者相等,则热平衡成立;若不相等,则存在能量的损失或增加。
物料及热量平衡计算(一)、工艺条件及工艺要求1、铁水条件:化学成分:碳:4.5% 硅:0.5% 锰:0.20% 硫:0.045% 磷:0.110%,铁水温度:1350℃2、炉渣成分:碱度3.0,氧化镁10%,3、各辅料成分:石灰(CaO)85% ,二氧化硅1.50%;轻烧白云石:氧化镁28%,氧化钙48%;镁球:氧化镁:65%4、总装入量115吨5、出钢温度:1680℃(二)废钢比计算:1、设上述条件下:铁水x吨废钢y吨X+Y==115设冶炼钢种HRB335,成分:【C】0.21% [Si]0.35% [Mn]1.35% [S]0.030% [P]0.035%2、热收入2.1、铁水物理热:按常温下25℃计算铁的熔点Tf=1539-(100*4.5+8*0.5+5*0.2+30*0.15+25*0.045+7)=1080℃铁的物理热=X*1000[0.744*(1080-25)+217.486+0.8368*(1350-1080)]=1228342X Kj2.2、元素放热:钢水终点【C】0.1%,锰按氧化40%计算,碳氧化成90%CO,10%CO2计算C—CO(4.5-0.1)%*90%*10940*X*1000=433220X KjC—CO2(4.5-0.1)%*10%*34220*X*1000=150570X KjSi—SiO2 0.5%*28314*X*1000=141570*XMn—MnO (0.2-40%*0.2)%*7020*X*1000=8424X KjP—P2O5 0.11*75%*18923*X*1000=15610X Kj实际生产中【P】按氧化75%计算3、热支出3.1、钢熔点Tf=1539—(65*0.21+5*0.35+5*1.35+30*0.035+25*0.030+7)=1508℃装入量115T按实际出钢量108T计算3.2、钢水的物理热=108*1000【0.699*(1508-25)+271.96+0.8368(1680-1508)】=156870756 Kj3.3、钢渣的物理热=115*1000*11%【1.247(1680-25)+209.2】=28753260Kj (渣量按装入量的11%计算)3.4、炉气的的物理热:主要按炉气生成CO和CO2计算,炉气温度1450℃【C】+1/2O2=CO (4.5-0.1)%*90%*28/12=0.0924Kg【C】+1/2O2=CO2 (4.5-0.1)%*90%*44/12=0.0161Kg 则炉气物理热=(0.0924+0.0161)*1.136*(1450-25)*X*1000=175639.8X Kj4、热收入=热支出则得出1977736X=156870756+287532260.25+175639.8X解得铁水=103废钢y==12t(二) (1)铁水【Si】波动0.1%,调整废钢量【Si】波动0.1%则放热波动如下:103*1000*0.1%*28314=2916342K j 根据资料这部分热量的70%用于熔池有效升温每公斤废钢的冷却效应(按出钢温度1680℃,废钢熔点1500℃)Q 废=1*【0.699(1500-25)+271.96+0.8368(1680-1500)】=1453.609Kj/Kg 则得出铁水【Si】波动0.1%,调整废钢量为:2916342*70%/1453.609=1400Kg=1.4t(2) 每吨废钢的降温值(出钢量108t)1453.609*1000=108*1000*0.8368*△t △t=16.1℃.根据经验与资料取△t=14.5℃(3)铁水温度波动10℃调整废钢量,铁水温度波动10℃,则带入的物理热波动为103*1000*0.8367*10=861801Kj 70%用于有效升温则调整废钢量为861801*70%/1453.609=415Kg(4)增加1t铁水,则带入的物理热为1000*【0.744(1080-25)+217.486+0.8368(1350-1080)】=1228342(Kj)元素放热增加如下:C—CO 433220Kj C—CO2 150570Kj Si—SiO2 141570Kj Mn—MnO 8424Kj P—P2O5 15610Kj 总计 621974Kj增加1t铁水总计增加的热量1228342+621974Kj=1850316Kj 70%用于有效升温,则能使钢水升温△t℃则得出:1228342*70%+621947*70=108*1000*0.8368*△t △t=20℃(三)(1)如果每炉烧结矿定为3吨,则需减废钢Xt,增加铁水y吨(103+y)+(12-x)=115,14.5x+20y=3*43 得出x=y=3.74吨即铁水调整为103+3.74=106.74t 废钢调整为12—3.74=8.26t(2)如果烧结矿定位4t 需减废钢Xt增加铁水y吨(103+ y)+(12-X)=115 ,14.5x+20y=4*43 得出x=4.98≈5t,y=4.98≈5t 即铁水调整为103+5=108t 废钢调整为12-5=7t.附表:各冷却剂降温值。
炼钢过程的物料平衡与热平衡计算炼钢过程的物料平衡与热平衡计算是建立在物质与能量守恒的基础上.其主要目的是比较整个冶炼过程中物料、能量的收入项和支出项,为改进操作工艺制度,确定合理的设计参数和提高炼钢技术经济指标提供某些定量依据.应当指出,由于炼钢系复杂的高温物理化学过程,加上测试手段有限,目前尚难以做到精确取值和计算。
尽管如此,它对指导炼钢生产和设计仍有重要的意义。
本章主要结合实例阐述氧气顶吹转炉和电弧炉氧化法炼钢过程物料平衡和热平衡计算的基本步骤和方法,同时列出一些供计算用的原始参考数据。
1.1 物料平衡计算(1)计算所需原始数据。
基本原始数据有:冶炼钢种及其成分(表1);金属料—铁水和废钢的成分(表1);终点钢水成分(表1);造渣用溶剂及炉衬等原材料的成分(表2);脱氧和合金化用铁合金的成分及其回收率(表3);其它工艺参数(表4).①本计算设定的冶炼钢种为H15Mn。
②[C]和[Si]按实际生产情况选取;[Mn]、[P]和[S]分别按铁水中相应成分含量的30%、10%和60%留在钢水中设定。
表2 原材料成分①10%C与氧生产CO2收入项有:铁水、废钢、溶剂(石灰、萤石、轻烧白云石)、氧气、炉衬蚀损、铁合金。
支出项有:钢水、炉渣、烟尘、渣中铁珠、炉气、喷溅。
(3)计算步骤。
以100kg铁水为基础进行计算.第一步:计算脱氧和合金化前的总渣量及其成分.总渣量包括铁水中元素氧化、炉衬蚀损和加入溶剂的成渣量.其各项成渣量分别列于表5、6和7。
总渣量及其成分如表8所示.第二步:计算氧气消耗量。
氧气实际消耗量系消耗项目与供入项目之差,详见表9。
表7 加入溶剂的成渣量(SiO2)=0。
857+0.009+0.028+0.022=0。
914kg。
因设定的终渣碱度R=3.5;故石灰加入量为:[R∑w(SiO2)-∑w(CaO)]/[w(CaO石灰)-R×w(SiO2石灰)]= 2。
738/(88。
00%-3.5×2.50%)=3。
炼钢过程中的物料平衡与热平衡计算炼钢是一种重要的冶金工艺,通过加热和处理铁矿石和其他原料,从而将其转化为钢铁。
在炼钢过程中,物料平衡和热平衡的计算是保证炼钢过程顺利进行的关键。
1.物料平衡计算物料平衡计算是指在炼钢过程中,对原料和产物之间的质量变化进行控制和监测。
物料平衡计算的基本原理是质量守恒定律,即物质在任何化学反应和过程中,质量不能被创造或破坏。
在炼钢过程中,主要的原料包括铁矿石、废钢和其他合金。
物料平衡计算的目的是确定原料和产物之间的质量变化以及原料的流量。
以基本的炼钢炉为例,物料平衡计算可以分为三个主要步骤:1)原料质量和流量测量:测量并记录原料的质量和流量,包括铁矿石、废钢和其他合金的输入。
2)化学反应和质量变化计算:根据炼钢过程中的化学反应,计算原料和产物之间的质量变化。
这包括原料的表面吸附、化学反应和挥发物的产生。
3)产物质量和流量测量:测量并记录产物的质量和流量,包括钢铁和炉渣的输出。
通过这些步骤,可以得到原料和产物之间的质量平衡关系。
通过不断调整原料的输入和产物的输出,可以确保炼钢过程中的物料平衡。
热平衡计算是指在炼钢过程中,通过计算热量的吸收和释放,以确保炉内的温度可以达到所需的炼钢温度。
在炼钢过程中,有几种主要的热量转移方式,包括辐射、传导、对流和蒸发。
热平衡计算的基本原理是能量守恒定律,即能量不能被创造或破坏。
热平衡计算可以分为以下几个步骤:1)炉内温度测量:通过在炉内安装温度传感器,可以测量和记录炉内的温度分布。
2)热量输入和输出计算:通过测量原料的热量输入和产物的热量输出,可以计算总的热量平衡。
热量输入包括燃料燃烧生成的热量和化学反应产生的热量。
热量输出包括炉渣的热量、废气的热量以及钢铁的热量。
3)热量转移计算:通过计算炉内热量的传导、辐射、对流和蒸发,可以确定炉内的热量分布。
这可以通过数学模型和计算方法进行计算。
通过热平衡计算,可以确定炉内的温度分布,并根据需要进行调整。
钢铁冶金专业设计资料(炼铁、炼钢)本钢工学院冶化教研室二00三年八月第一章物料平衡与热平衡计算物料平衡和热平衡计算是氧气顶吹转炉冶炼工艺设计的一项基本的计算,它是建立在物质和能量不灭定律的基础上的。
它以转炉作为考察对象,根据装入转炉内或参与炼钢过程的全部物料数据和炼钢过程的全部产物数据,如图1-1-1所示的收入项数据和支出项数据,来进行物料的重量和热平衡计算。
通过计算,可以定量地掌握冶炼工重要参数,做到“胸中有数”。
对指导生产和分析研究改进冶炼工艺,设计转炉炼钢车间等均有其重要意义。
由于转炉炼钢过程是一个十分复杂的物理化学过程,很显然,要求进行精确的计算较为困难,特别是热平衡,只能是近似计算,但它仍然有十分重要的指导意义。
物料平衡和热平衡计算,一般可分为两面种方案。
第一种方案是为了设计转炉及其氧枪设备以及相应的转炉炼钢车间而进行的计算,通常侧重于理论计算,特别是新设计转炉而无实际炉型可以参考的情况下;另一种方案是为了校核和改善已投产的转炉冶炼工艺参数及其设备参数或者采用新工艺新技术等,而由实测数据进行的计算,后者侧重于实测。
本计算是采用第一种方案。
目前,我国顶吹转炉所采用的生铁基本上为低磷的(0.10~0.40%)和中磷的(0.40~1.00%)两种,对这两种不同含磷量生铁的冶炼工艺制度也不相同。
因此,下面以50吨转炉为例,分别就低磷生铁和高磷生铁两种情况,进行物料平衡和热平衡计算。
1.1原始数据1.1.1铁水成分及温度表1-1-11.1.2原材料成分. . ...v .. ..表1-1-2 原材料成分表2-1-1铁水成分与温度转炉冶炼钢种常为普通碳素钢和低合金钢,在此以要求冶炼BD 3钢考虑,其成分见表2-1-31.1.4平均比热表1-1-41.1.5冷却剂用废钢作冷却剂,其成份与冶炼钢种成份的中限相同。
(见表1-1-3)1.1.6反应热效应虽然炉内化学反应,实际上是在炉料温度和炉内上部气相温度之间的任一温度发生的,但反应热效应通常仍采用25℃作为参考温度,值得指出的是,反应热还与组分在铁水中存在形态有关,至今对参与化学反应有关的实际组成物还有不同的看法。
4.6转炉炼钢的物料平衡及热平衡[5]炼钢过程的物料平衡和热平衡计算是建立在物质与能量守恒的基础上的。
其主要目的是比较整个冶炼过程中物料、能量的收入项和支出项,为改进操作工艺制度,确定合理的设计参数和提高炼钢技术经济指标提供某些定量依据。
应当指出,由于炼钢是复杂的高温物理化学过程,加上测试手段有限,目前尚难以做到精确取值和计算。
尽管如此,它对指导炼钢生产和设计仍有重要的意义。
转炉炼钢的过程是一个很复杂的物理化学变化过程,对其作完全定量的分析是不可能的,但是一些基本的规律和原理在该过程中仍然适用。
比如说转炉炼钢过程遵循物质不灭和能量守恒定律,在这个基础上建立了转炉炼钢过程中的物料平衡和热平衡计算。
用来研究转炉收入、支出的物质和能量在数量上的平衡关系,并用平衡方程式、平衡表或者物流及热流图表示出来。
通过物料平衡和热平衡的计算可以全面的掌握转炉的物料和能量的利用情况,了解转炉的工作能力和热效率,从而为改进工艺、实现转炉最佳操作探索途径,并为降低原材料消耗及合理利用能源和节能提供方向。
总的来说,物料平衡和热平衡的计算一方面可以指导车间或设备的设计,比如说转炉及其供氧设备,或者炼钢车间的设计;另一方面可以改善和校核已投产的转炉冶炼工艺参数、设备适应性能,比如说确定加入冷却剂的数量和时间,或者采用新技术等而由实测数据进行的计算,比如说设计一些自动控制模型时的计算。
4.6.1物料平衡[12]物料平衡是计算炼钢过程中加入炉内和参与炼钢过程的全部物料(铁水、废钢、氧气、冷却剂、渣料和耐材等)及炼钢过程中产物(钢液、炉渣、炉气及烟尘等)之间的平衡关系。
以下通过举例进行计算分析。
1.原材料成分表表2.其它假设条件(根据各类转炉生产实际过程假设):(1)炉渣中铁珠量为渣量的8%;(2)喷溅损失为铁水量的1%;(3)熔池中碳的氧化生成90%C0,10%C02;(4)烟尘量为铁水量的1.6%,其中烟尘中FeO=77%,FeO=20%;23(5)炉衬侵蚀量为铁水量的0.5%;(6)炉气温度取1450°C,炉气中自由氧含量为总炉气量的0.5%;(7)氧气成分:98.5%0,1.5%N。
炼钢物料平衡热平衡计算概述炼钢是一项涉及到复杂物料流动和能量转化的工艺过程。
热平衡计算是炼钢过程中的重要一环,它可用于评估和优化炼钢装置的热能利用效率。
炼钢物料平衡热平衡计算主要包括两个方面:物料平衡计算和热平衡计算。
物料平衡计算是指通过对炼钢装置中各个系统和设备中原料、中间产品和产出物料的流量进行测量和计算,以确定物料流动的平衡状况。
这一步骤通常包括测量和计算进料的质量和流量、测量和计算产出物料的质量和流量以及收集和记录其他与物料平衡相关的数据。
物料平衡计算可帮助工程师了解炼钢过程中原料的利用率和产出物料的损耗情况,从而评估和改进炼钢装置的运行效果。
热平衡计算是指通过对炼钢装置中的热流量进行测量和计算,以确定能量的平衡状况。
在炼钢过程中,燃料燃烧产生的热能被用于加热冷却液、回收热能或用于其他工艺用途。
热平衡计算可以帮助工程师了解炼钢装置中热能的利用率和能量总和的平衡状况,从而优化能源利用,降低能源消耗。
物料平衡和热平衡的计算是相互关联的,彼此影响。
在炼钢过程中,物料的流动和能量的转化是紧密联系的。
例如,在高炉冶炼过程中,铁矿石和焦炭作为原料进入高炉,燃烧产生的热能用于冶炼和预热原料。
热平衡计算可以帮助确定燃烧的热能是否能满足冶炼的要求,物料平衡计算可以帮助确定原料的利用率和产出物料的质量。
总之,炼钢物料平衡热平衡计算是炼钢过程中的关键一环,它可用于评估和优化炼钢装置的热能利用效率。
通过物料平衡计算可以了解原料的利用率和产出物料的损耗情况,通过热平衡计算可以了解炼钢装置中热能的利用率和能量平衡情况。
这两个计算相互关联,彼此影响,共同为炼钢过程的优化提供依据。
炼钢物料平衡热平衡计算是炼钢过程中的重要环节,其目的是评估和优化炼钢装置的热能利用效率。
通过进行物料平衡计算和热平衡计算,可以对炼钢过程中的物料流动和能量转化进行有效控制和管理,从而提高生产效率和降低能耗。
物料平衡计算是通过对炼钢装置中的原料、中间产品和产出物料的流量进行测量和计算,以确定物料流动的平衡状况。
炼钢过程物料平衡和热平衡计算炼钢过程是将生铁或者其他铁合金通过熔炼等一系列工艺操作得到所需成分和性能的钢的过程。
在炼钢过程中,物料平衡和热平衡计算是非常重要的。
物料平衡计算是炼钢过程中的一项重要工作,其目的是通过计算物料的进出量,确定每个工序中原料和产物的平衡情况,以便控制和优化炼钢过程。
炼钢过程中常用的物料平衡计算方法有材料平衡和元素平衡两种。
材料平衡计算主要是根据原料的进出量和成分,以及每个工序中材料的变化情况,来计算各种物料的平衡情况。
以炼钢高炉为例,其主要原料是铁矿石、焦炭和空气,通过冶金反应得到生铁和炉渣。
在材料平衡计算中,需要考虑到进料的质量和数量,以及冶金反应中矿石的还原程度、焦炭的燃烧程度等因素。
通过对每个工序中原料和产物的物料平衡计算,可以确定炉内各种物料的流动情况和变化规律,以便优化炼钢过程,提高钢的质量和产量。
元素平衡计算是针对炼钢过程中的元素进行的平衡计算。
炼钢过程中,除了铁、碳、硅、锰等主要元素外,还有许多杂质元素,如磷、硫、氧等。
元素平衡计算需要考虑每个工序中元素的进出量,以及元素在冶金反应中的分配情况。
通过元素平衡计算,可以确定炼钢过程中每个工序的杂质元素的分布情况,以便进行相应的处理和控制,保证钢的质量符合要求。
热平衡计算是炼钢过程中的另一个重要工作,其目的是通过计算炼钢过程中的热量进出量,了解各个工序的热平衡情况,以便合理利用热能,优化炼钢过程。
炼钢过程中产生的热量主要有焦炭燃烧产生的热量、冶金反应放热产生的热量、热风和燃料的预热热量等。
热平衡计算中需要考虑的因素有炉内热量的进出量、热量的耗散和损失等。
通过热平衡计算,可以确定每个工序中热量的平衡情况,以便根据热量的分布和变化,进行相应的热能利用优化。
在炼钢过程中进行物料平衡和热平衡计算,可以帮助把握炼钢过程中材料和热量的变化规律,从而更好地控制和优化整个过程。
这对于提高炼钢质量、降低成本具有重要意义。
同时,物料平衡和热平衡计算也为炼钢过程的模拟和仿真提供了基础数据,为炼钢工艺的改进和创新提供了理论依据。
炼钢过程的物料平衡与热平衡计算炼钢过程的物料平衡与热平衡计算是建立在物质与能量守恒的基础上。
其主要目的是比较整个冶炼过程中物料、能量的收入项和支出项,为改进操作工艺制度,确定合理的设计参数和提高炼钢技术经济指标提供某些定量依据。
应当指出,由于炼钢系复杂的高温物理化学过程,加上测试手段有限,目前尚难以做到精确取值和计算。
尽管如此,它对指导炼钢生产和设计仍有重要的意义。
本章主要结合实例阐述氧气顶吹转炉和电弧炉氧化法炼钢过程物料平衡和热平衡计算的基本步骤和方法,同时列出一些供计算用的原始参考数据。
1.1 物料平衡计算(1)计算所需原始数据。
基本原始数据有:冶炼钢种及其成分(表1);金属料—铁水和废钢的成分(表1);终点钢水成分(表1);造渣用溶剂及炉衬等原材料的成分(表2);脱氧和合金化用铁合金的成分及其回收率(表3);其它工艺参数(表4).①本计算设定的冶炼钢种为H15Mn。
②[C]和[Si]按实际生产情况选取;[Mn]、[P]和[S]分别按铁水中相应成分含量的30%、10%和60%留在钢水中设定。
表2 原材料成分①10%C与氧生产CO2表4 其它工艺参数设定值收入项有:铁水、废钢、溶剂(石灰、萤石、轻烧白云石)、氧气、炉衬蚀损、铁合金。
支出项有:钢水、炉渣、烟尘、渣中铁珠、炉气、喷溅。
(3)计算步骤。
以100kg铁水为基础进行计算。
第一步:计算脱氧和合金化前的总渣量及其成分。
总渣量包括铁水中元素氧化、炉衬蚀损和加入溶剂的成渣量。
其各项成渣量分别列于表5、6和7。
总渣量及其成分如表8所示。
第二步:计算氧气消耗量。
氧气实际消耗量系消耗项目与供入项目之差,详见表9。
①由CaO还原出的氧量,消耗的CaO量=0.013×56/32=0.023kg表7 加入溶剂的成渣量石灰加入量计算如下:由表5~7可知,渣中已含(CaO)= -0.455+0.004+0.002+0.910=0.461kg;渣中已含(SiO2)=0.857+0.009+0.028+0.022=0.914kg.因设定的终渣碱度R=3.5;故石灰加入量为:[R∑w(SiO2)-∑w(CaO)]/[w(CaO石灰)-R×w(SiO2石灰)]= 2.738/(88.00%-3.5×2.50%)=3.45kg②为(石灰中CaO含量)—(石灰中S→CaS自耗的CaO量)。
②由CaO还原出的氧量,计算方法同表5之注。
总渣量计算如下:因为表8中除(FeO)和(Fe2O3)以外的渣量为:5.965+1.700+1.102+0.124+0.615+0.440+0.540+0.038=7.100kg,而终渣∑w(FeO)=15%(表4-4),故总渣量为7.1/86.75%=8.184kg③w(FeO)=8.184×8.25%=0.675kg.④ w(Fe 2O 3)=8.184×5%—0.017—0.005—0.008=0.379kg.①为炉气中N 2之重量,详见表10第三步:计算炉气量及其成分。
炉气中含有CO 、CO 2、O 2、N 2、SO 2和H 2O 。
其中CO 、CO 2、SO 2和H 2O 可由表4-5~4-7查得,O 2和N 2则由炉气总体积来确定。
现计算如下。
炉气总体积V ∑:g s x 122.40.5%G 0.5%9932V V V V V ∑∑∑⎛⎫=+++- ⎪⎝⎭V ∑ =990.7 98.50g s xV G V +-=998.6190.78.1860.00222.4/3298.50⨯+⨯-⨯ =8.721 m 3式中V g —CO 、CO 2、SO 2和H 2O 诸组分之总体积,m 3。
本计算中,其值为8.950×22.4/28+2.837×22.4/44+0.002×22.4/64+0.011×22.4/18=8.619 m 3G S —不计自由氧的氧气消耗量,kg 。
本计算中,其值为7.851+0.062+0.23=8.619 m 3(见表9);V X —铁水与石灰中的S 与CaO 反应还原出的氧量,m 3。
本计算中,其值为0.002kg(见表9) 0.5%—炉气中自由氧含量,m 3; 99—由氧气纯度为99%转换得来。
计算结果列于表10表10 炉气量及其成分①炉气中O 2体积为8.384×0.5%=0.042 m ;质量为0.042×32/22.4=0.062 kg 。
②炉气中N 2的体积系炉气总体积与其他成分的体积之差;质量为0.052×28/22.4=0.065kg 。
第四步:计算脱氧和合金化前的钢水量。
钢水量Q=铁水量—铁水中元素的氧化量—烟尘、喷溅和渣中的铁损g=100-5.699-﹝1.00×(75%×56/72+20%×112/160)+1+8.184×6%﹞=91.725kg据此可以编制脱氧和合金化前的物料平衡表(表11)。
表11 未加废钢时的物料平衡表注:计算误差为(114.25—114.34)/114.25×100%= -0.010%第五步:计算加入废钢的物料平衡。
如同“第一步”计算铁水中元素氧化量一样,利用表1的数据先确定废钢中元素的氧化量及其耗氧量和成渣量(表12),再将其与表11归类合并,遂得加入废钢后的物料平衡表13和表14表13 加入废钢的物料平衡表(以100kg铁水为基础)注:计算误差为(125.238—125.358)/125.238×100%= —0.1%先根据钢种成分设定值(表1)和铁合金成分及其烧损率(表3)算出锰铁和硅铁的加入量,再计算其元素的烧损量。
将所得结果与表14归类合并,既得冶炼一炉钢的总物料平衡表。
锰铁加入量W Mn为:W Mn =[][]w Mn w Mnn nM M-⨯钢种终点锰铁含量回收率×钢水量=0.95%0.21%67.80%80%-⨯×92.02=1.255kg硅铁加入量W Si为:W Si=[][][]FeMn (w Si w Si)SiSi Si-⨯⨯钢种终点加锰铁后的钢水量-硅铁含量回收率=()0.03%92.021.0760.00573.00%75%⨯+-⨯=0.042kg铁合金中元素的烧损量和产物量列于表15。
表15 铁合金中元素烧损量及产物量①可以忽略脱氧和合金化后的钢水成分如下:w(C)=0.08%+0.07593.129×100%=16%w(Si)=0.0050.02393.129+×100%=0.03%w(Mn)=0.210%+0.6810.000293.129+×100%=0.94%w(P)=0.019%+0.00393.129×100%=0.022%w(S)=0.016%+0.00293.129×100%=0.018%可见,含碳量尚未达到设定值。
为此需在钢包内加焦粉增碳。
其加入量W1为W 1 =()0.170.16%C C-⨯⨯钢水量焦炭含量回收率=0.01%93.12981.50%75%⨯⨯=0.015kg①CO2、H2O和挥发份之总和(未计挥发份燃烧的影响)由此可得冶炼过程(即脱氧和合金化后)的总物料平衡表16表16 总物料平衡表①可以近视认为(0.082+0.008)的氧量系出钢水二次氧化所带入。
1.2 热平衡计算(1)计算所需原始数据。
计算所需基本原始数据有:各种入炉料及产物的温度(表17);物料平均热容(表18);反应热效应(表19);溶入铁水中的元素对铁熔点的影响(表20)。
其它数据参照物料平衡选取。
表17 入炉物料及产物的温度设定值①纯铁熔点为1536℃表19 炼钢温度下的反应热效应分解反应}分解反应表20 溶入铁中的元素对铁熔点的降低值第一步:计算热收入Q s。
热收入项包括:铁水物理热;元素氧化热及成渣热;烟尘氧化热;炉衬中碳的氧化热。
(1)铁水物理热Q w:先根据纯铁熔点、铁水成分以及溶入元素对铁熔点的降低值(表17、1和20)计算铁水熔点T t,然后由铁水温度和生铁比热(表17和18)确定Q w。
T=1536-(4.2×100+0.4×8+0.45×5+0.12×30+0.06×25)-6=1099.45℃tQ=100×〔0.745×(1082-25)+218+0.837×(1300-1082)〕=118632.56KJw(2)元素氧化热及成渣热Q y:由铁水中元素氧化量和反应热效应(表19)可以算出,其结果列于表21。
cQC=1.5×(75%×56/72×4250+20%×112/160×6460)=5075.35KJ (4)炉衬中碳的氧化热Q I:根据炉衬蚀损量及其含碳量确定。
I =0.314%90%11639+0.314%10%34834=586.25KJQ⨯⨯⨯⨯⨯⨯故热收入总值为 :QS=Q W+Q Y+Q C+Q I=227582.40KJ第二步:计算热支出Q Z。
热支出项包括:钢水物理热;炉渣物理热;烟尘物理热;炉气物理热;渣中铁珠物理热;喷溅物(金属)物理热;轻烧白云石分解热;热损失;废钢吸热。
(1)钢水物理热Q g:先按求铁水熔点的方法确定钢水熔点T g;再根据出钢和镇静时的实际温降(通常前者为40~60℃,后者约3~5℃/min,具体时间与盛钢桶大小和浇注条件有关)以及要求的过热度(一般为50~90℃)确定出钢温度T z;最后由钢水量和热容算出物理热。
Tg=1536-(0.10×65+0.18×5+0.020×30+0.021×25) -6=1520℃(式中:0.08、0.21、0.019和0.016分别为终点钢水C、Mn、P和S的含量)Tz=1520+50+50+70=1690℃(式中,50、50和70分别为出钢过程中的温降、镇静及炉后处理过程中的温降和过热度)Qg=91.725×[0.699×(1520-25)+272+0.837×(1690-1520)]=133853.834KJ(2)炉渣物理热Q r:令终渣温度与钢水温度相同,则得:Qr=8.184×[1.248×(1690-25)+209]=18716.153KJ(3)炉气、烟尘、铁珠和喷溅金属的物理热Q x。
根据其数量、相应的温度和热容确定。
详见表22。
表22 某些物料的物理热(4)生白云石分解热Q b:根据其用量、成分和表19所示的热效应计算之。