模板工程检验批质量验收记录表
- 格式:doc
- 大小:193.50 KB
- 文档页数:5
模板安装检验批质量验收记录
项目:______________
施工单位:______________
监理单位:______________
日期:______________
检验批次:______________
一、模板安装质量检验情况
1. 模板安装前检查模板材料是否完好,无裂纹、破损等缺陷。
2. 模板拼接是否紧密,无明显的缝隙和错位现象。
3. 模板支撑、调整和固定是否牢固可靠,是否符合设计要求。
4. 模板表面是否平整光滑,无明显凹凸、裂缝和鼓包现象。
5. 模板安装是否符合施工图纸和相关规范要求。
二、质量验收情况
1. 经检验,模板安装质量符合设计要求和相关规范,检验结果合格。
2. 监理工程师签字:______________
3. 施工单位负责人签字:______________
4. 监理单位负责人签字:______________ 备注:______________
5. 质量验收日期:______________。
表420 水泥混凝土面层模板安装检验批质量验收记录填表说明1、检验批容量填写:同一检验批内的面积数。
2、最小/实际检查数量栏中,最小数量填写按检查数量栏中规定的检查数量。
3、表头中“施工依据”栏目应依照实际的施工操作依据填写,如施工企业的操作规程、工法、施工工艺标准等。
4、主控项目:应符合《城镇道路工程施工与质量验收规范》CJJ1-2008条例10.4.1规定(1)板安装应符合下列规定:模板应与混凝土的摊铺机械相匹配。
模板高度为混凝土板设计厚度,木模板直线部分板厚不小于5cm,每0.8~1m设1处支撑装置;弯道部分板厚为1.5~3cm,每0.5~0.8m设1处支撑装置,模板与混凝土接触面及模板顶面刨光。
5、一般项目(1)模板安装支模前应核对路面标高、面板分块、胀缝和构造物位置。
模板应安装稳固、顺直、平整,无扭曲,相邻模板连接应紧密平顺,不得错位。
严禁在基层上挖槽嵌入模板。
使用轨道摊铺机应采用专用钢制轨模。
模板安装完毕,应进行检验,合格方可使用。
其安装质量应符合表10.4.2的规定。
(2)中线偏位表面均匀、平整、稳定,无推移、浮石。
检查数量:每100米检测1点。
检验方法:钢尺或经纬仪检查。
(3)宽度表面均匀、平整、稳定,无推移、浮石。
检查数量:每20米检测1点。
检验方法:钢尺检测。
(4)顶面高程表面均匀、平整、稳定,无推移、浮石。
检查数量:每20米检测1点。
检验方法:水准仪检测。
(5) 横坡表面均匀、平整、稳定。
检查数量:每20米检测1点。
检验方法:钢尺检测。
(6)相邻板高差表面均匀、平整、稳定。
检查数量:每道缝检测1点。
检验方法:水平尺或塞尺检查。
(7) 模板接缝宽度表面平整、稳定。
检查数量:每道缝检测1点。
检验方法:钢尺检查。
(8) 侧面垂直度表面均匀、平整、稳定。
检查数量:每20米检测1点。
检验方法:水平尺、卡尺检查。
(9) 纵向垂直度表面均匀、平整。
检查数量:每40米检测1点。
检验方法:20米线和钢尺检查。
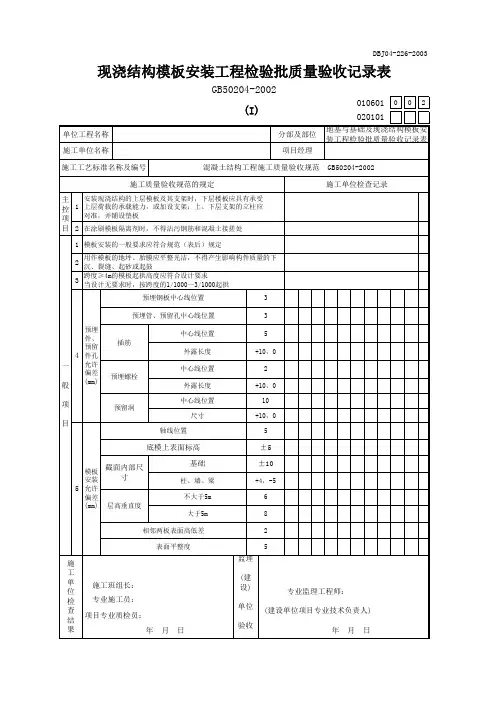
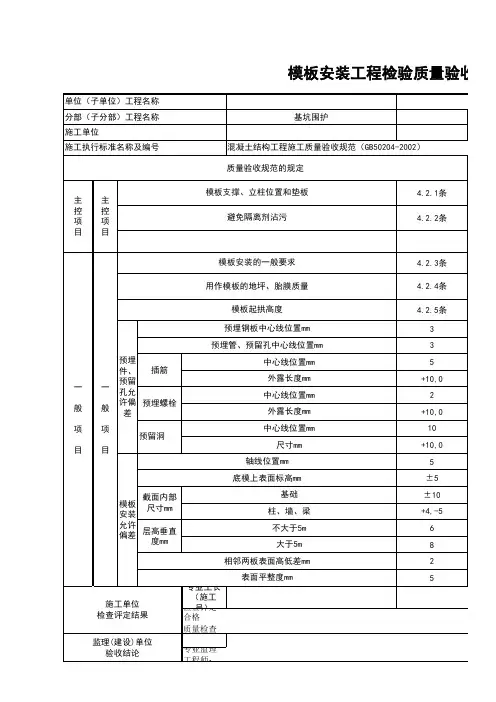
完整版)模板工程检验批质量验收记录表SG-013模板工程检验批质量验收记录表
工程名称:
验收部位:
项目负责人:
施工执行标准及编号:
质量验收规范的规定:
主控项目专业工长:
分部工程名称:
施工单位:
监理(建设)单位:
验收记录:
1.支架:
检查轴线位置,符合4.2.1条要求,无明显偏差。
底模上
表面标高符合4.2.2条要求,误差≤5mm。
截面内部尺寸符合
规定,无明显变形。
2.隔离剂:
隔离剂安装符合要求,未出现松动或错位现象。
基础、梁、柱、墙:
基础、梁、柱、墙的轴线位置符合要求,误差≤5m。
层高
垂直度符合要求,误差±5.相邻两板表面高低差符合要求,误
差±10.表面平整度符合要求,无明显凸凹不平现象。
预埋钢板、预埋管、预留孔中心线位置符合要求。
插筋外露长度符合要求,
无明显短缺或超长现象。
预埋螺栓中心线位置符合要求,外露长度符合要求。
预留洞尺寸符合要求。
起拱梁板长度≮4m,实测点合格率达到95%以上。
施工单位检查评定结果:
施工单位进行了检查,评定结果符合要求。
项目专业质量检查员:
年月日
监理(建设)单位验收结论:
经检查,该工程验收合格。
模板撤除工程检验批质量验收记录
〔GB50204-2002〕表 4.3 编号:010601〔2〕/020211〔2〕□□□□
强制性条文
模板及其支架撤除的顺序及平安措施应按施工技术方案执行。
主控项目
4.3.1底模及其支架撤除时的混凝土强度应符合设计要求;当设计无具体要求时,混凝土强度应符合表
4.3.1的规定。
检查数量:全数检查。
检查方法:检查同条件养护试件强度试验报告。
底模撤除时的混凝土强度要求
表4.3.1
4.3.2 对后张法预应力混凝土结构构件,侧模宜在预应力张拉前撤除;底模支架的撤除应按施工技术方
案执行,当无具体要求时,不应在结构构件建立预应力前撤除。
检查数量:全数检查。
检验方法:观察。
4.3.3 后浇带模板的撤除和支顶应按施工技术方案执行。
检查数量:全数检查。
检验方法:观察。
一般项目
4.3.4侧模撤除时的混凝土强度应能保证其外表及棱角不受损伤。
检查数量:全数检查。
检验方法:观察。
4.3.5模板撤除时,不应对楼层形成冲击荷载。
撤除的模板和支架宜分散堆放并及时清运。
检查数量:全数检查。
检验方法:观察。
注:本表由施工工程专业质量检查员填写,专业监理工程师〔建设单位工程技术负责人〕组织工程专业
质量〔技术〕负责人等进行验收。