2.4 车辆重力、公路汽车荷载(车辆、车道荷载)
- 格式:pdf
- 大小:532.69 KB
- 文档页数:11
桥梁的设计荷载2.1.1 公路桥涵的汽车荷载《公路桥涵设计通用规范》(JDG D60-2004)将公路桥梁汽车荷载分为公路-Ⅰ级和公路-Ⅱ级两个等级。
汽车荷载由车道荷载和车辆荷载组成。
车道荷载由均布荷载和集中荷载组成。
桥梁结构的整体计算采用车道荷载:桥梁结构的局部加载、涵洞、桥台和挡土墙土压力等的计算采用车辆荷载。
车道荷载与车辆荷载的作用不得叠加。
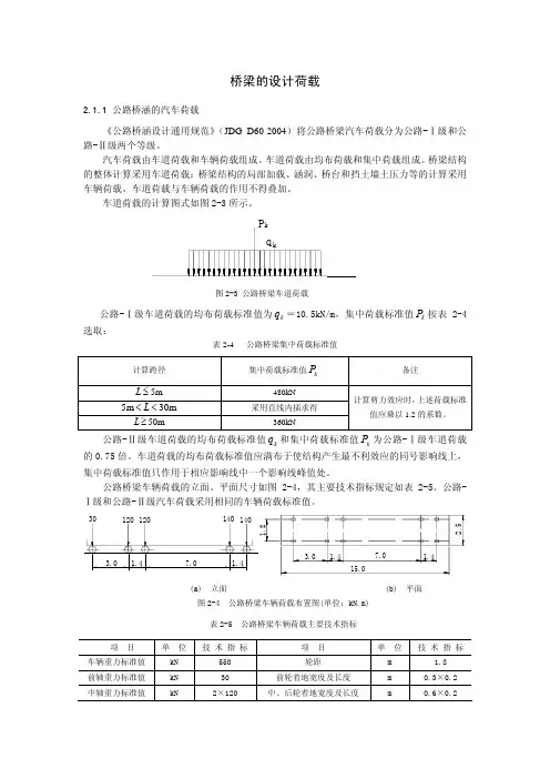
车道荷载的计算图式如图2-3所示。
图2-3 公路桥梁车道荷载公路-Ⅰ级车道荷载的均布荷载标准值为=10.5kN/m,集中荷载标准值按表 2-4选取:k q k P 表2-4 公路桥梁集中荷载标准值计算跨径集中荷载标准值k P 备注5m ≤L480kN m 305m <<L采用直线内插求得50m ≥L360kN计算剪力效应时,上述荷载标准值应乘以1.2的系数。
公路-Ⅱ级车道荷载的均布荷载标准值和集中荷载标准值为公路-Ⅰ级车道荷载的0.75倍。
车道荷载的均布荷载标准值应满布于使结构产生最不利效应的同号影响线上,集中荷载标准值只作用于相应影响线中一个影响线峰值处。
k q k P 公路桥梁车辆荷载的立面、平面尺寸如图2-4,其主要技术指标规定如表2-5。
公路-Ⅰ级和公路-Ⅱ级汽车荷载采用相同的车辆荷载标准值。
(a) 立面 (b) 平面 图2-4 公路桥梁车辆荷载布置图(单位:kN.m) 表2-5 公路桥梁车辆荷载主要技术指标项 目 单 位 技 术 指 标项 目 单 位 技 术 指 标车辆重力标准值 kN 550 轮距m 1.8 前轴重力标准值 kN 30 前轮着地宽度及长度 m 0.3×0.2 中轴重力标准值kN2×120中、后轮着地宽度及长度m0.6×0.2后轴重力标准值kN 2×140 车辆外形尺寸(长×宽)m 15×2.5轴距m3+1.4+7+1.4公路工程技术旧标准中把大量、经常出现的汽车荷载排列成车队形式,作为设计荷载,把偶然、个别出现的平板挂车和履带车作为验算荷载。
交通荷载及路面设计参数在道路设计中,交通荷载是指道路结构承受的车辆荷载力,主要包括静力荷载和动力荷载两种形式。
静力荷载是指车辆静止状态下对道路结构施加的垂直作用力,如停车、交通信号灯等情况下的荷载力。
动力荷载是指车辆运行过程中施加在道路结构上的荷载力,如车辆行驶、超车、制动等情况下的荷载力。
在确定交通荷载时,需要考虑以下因素:1.车辆类型和重量:不同类型的车辆具有不同的荷载特性,例如轿车、货车、客车等。
设计荷载应根据不同类型的车辆的特点和重量来确定。
2.交通流量:道路的荷载应根据预计的交通流量来确定,即预计通过道路的车辆数量。
交通流量对道路的荷载具有直接影响,高交通流量将对道路的结构产生更大的荷载作用。
3.设计寿命:道路的设计寿命是指道路预计使用的年限。
不同的设计寿命要求不同的荷载标准,设计寿命越长,荷载标准越高。
4.地理条件:地理条件对道路的荷载也具有一定的影响。
例如,地震频率较高的地区需要采取更严格的荷载标准。
在道路设计中,除了交通荷载外,还需要考虑路面设计参数,以确保道路具有良好的承载力和耐久性。
一些常见的路面设计参数包括:1.路面材料:选择合适的路面材料是确保路面承载力和耐久性的重要因素。
一般常用的路面材料有沥青混合料、水泥混凝土等。
根据道路的荷载和使用条件合理选择路面材料。
2.路面厚度:路面厚度是指路面上覆盖材料的厚度。
设计路面厚度时需要考虑道路的设计寿命、荷载以及环境因素等,以保证路面的稳定性和耐久性。
3.路肩和排水设计:路肩是指道路两侧与行车道之间的区域,荷载的作用也会对路肩产生一定的影响。
在路面设计中,需要考虑到路肩的稳定和排水性能,以确保路肩能够适应不同的荷载和排水条件。
4.路面结构:路面结构是指路面各层材料的组合方式和厚度。
设计路面结构时需要根据道路的荷载、使用条件和土质情况等因素来确定合理的结构,以确保路面的承载力和耐久性。
综上所述,交通荷载及路面设计参数是道路设计中非常重要的一部分。
《工程结构荷载及可靠度设计》课程笔记第一章:荷载类型1.1 荷载与作用荷载是指作用在结构上的各种力,它们可以导致结构的变形、位移或破坏。
荷载通常分为两类:直接作用和间接作用。
1. 直接作用:指直接施加在结构上的力,如人的重量、家具、车辆等。
这些力可以直接作用在结构的某个部分,导致该部分产生应力、应变和变形。
2. 间接作用:指不是直接施加在结构上的力,但会通过结构的一部分传递到另一部分,如温度变化、地震等。
这些力不会直接导致结构产生应力,但会通过结构的变形和位移产生影响。
1.2 作用的分类荷载作用可以分为以下几类:1. 恒载:指在结构使用过程中始终存在的荷载,如结构自重、固定设备等。
恒载的大小和作用点一般不会发生变化。
2. 活载:指在结构使用过程中可能变化的荷载,如人的活动、车辆的行驶等。
活载的大小和作用点可能会随着时间发生变化。
3.偶然荷载:指在结构使用过程中可能发生,但发生概率较小的荷载,如意外事故、爆炸等。
偶然荷载的大小和作用点通常难以预测。
4.地震作用:指地震时地面的震动对结构产生的影响。
地震作用是一种特殊的偶然荷载,其大小和作用点取决于地震的强度和震中距离。
5.风荷载:指风对结构产生的影响。
风荷载的大小和作用点取决于风速、风向和地形等因素。
6.温度作用:指温度变化对结构产生的影响。
温度作用可能导致结构产生膨胀或收缩,从而产生应力、应变和变形。
7.变形作用:指由于地基沉降、结构老化等原因导致结构产生的变形。
变形作用可能会导致结构的应力、应变和位移发生变化。
8.爆炸作用:指由于爆炸事故对结构产生的影响。
爆炸作用通常会导致结构产生局部破坏或整体破坏。
9.浮力作用:指由于水的浮力对结构产生的影响。
浮力作用通常发生在水下结构或浮体结构中。
10.制动力、牵引力与冲击力:指由于车辆行驶、机械运动等原因对结构产生的影响。
这些力可能会导致结构产生振动、噪声和疲劳损伤。
11.预加力:指在施工过程中预先施加在结构上的力,如预应力混凝土结构中的预应力钢筋。
车道荷载和车辆荷载讲解
车道荷载和车辆荷载是在道路工程设计和车辆运输中经常涉及的概念。
车道荷载是指道路能够承受的最大荷载,而车辆荷载则是指车辆本身的重量。
下面将详细解释这两个概念。
首先,车道荷载是指道路能够承受的最大荷载。
在道路工程设计中,为了确保道路的安全和可靠性,需要考虑道路的荷载能力。
车道荷载的计算是基于道路类型、路基材料、设计期限、交通流量和车辆类型等因素进行的。
通常,工程师会根据这些因素来确定道路的设计强度和厚度,以确保道路能够承受预期的荷载。
其次,车辆荷载是指车辆本身的重量。
车辆荷载是在运输过程中对道路施加的荷载,它由车辆自身的重量以及所装载货物的重量决定。
车辆荷载的合理控制对保障道路安全和延长道路使用寿命至关重要。
如果车辆荷载超过道路的承载能力,将会对道路造成损害,甚至导致道路的坍塌和事故的发生。
因此,合理限制车辆荷载是非常重要的。
在实际运输中,车辆荷载的控制可以通过重量限制和检查站来实现。
重量限制是指对车辆荷载施加一定的上限,以确保车辆不会超过道路的承载能力。
检查站则是在道路上设置的检查点,用于检查车辆的荷载是否超过限制。
这些措施有助于保护道路不受过载运输的影响。
总而言之,车道荷载和车辆荷载是道路工程设计和车辆运输中必须考虑的重要因素。
合理确定车道荷载和限制车辆荷载有助于确保道路的安全和可靠性。
我们应该加强对这些概念的理解,并在实际运输中遵守相关规定,以保护道路的完好和行车安全。
荷载与与结构设计原则复习第一章荷载类型1.荷载类型:1.荷载与作用:荷载、直接作用、间接作用、效应2.作用的分类:按随时间的变异、随空间位置的变异和结构的反应分类例如:1、由各种环境因素产生的直接作用在结构上的各种力称为荷载。
(√)2、由各种环境因素产生的间接作用在结构上的各种力称为荷载。
(×)3、什么是荷载? (荷载的定义是什么?)?)答:由各种环境因素产生的直接作用在结构的各种力称为荷载。
4、土压力、风压力和水压力是荷载,由爆炸、离心作用等产生的作用在物体上的惯性力不是荷载。
(×)5、什么是效应?答:作用在结构上的荷载使结构产生的内力、变形、裂缝等就叫做效应。
6、什么是作用?直接作用和间接作用?答:使结构产生效应(结构或构件的内力、应力、位移、应变、裂缝等)的各种因素总称为作用。
可归结为作用在结构上的力的因素称为直接作用;不是作用力但同样引起结构效应的因素称为间接作用。
7、只有直接作用才能引起结构效应,间接作用并不能引起结构效应。
(×)8、严格意义上讲,只有直接作用才能称为荷载。
(√)9、以下几项中属于间接作用的是C C10、预应力属于 A 。
温度变化属于 B 。
A、永久作用B、静态作用C、直接作用D、动态作用第二章重力1.重力(静载)1)结构自重2)土的自重应力3)雪荷载(基本雪压、雪重度、屋面的雪压)例如:1、基本雪压是指当地空旷平坦地面上根据气象记录资料经统计得到的在结构使用期间可能出现的最大雪压值。
(√)2、我国基本雪压分布图是按照 C 一遇的重现期确定的。
A、10年B、30年C、50年D、100年3、虽然最大雪重度和最大雪深两者有很密切的关系,但是两者不一定是同时出现。
(√)4、造成屋面积雪与地面积雪不同的主要原因有:风、屋面形式和屋面散热等。
2.重力(活载)1)车辆荷载:公路车辆荷载(车道荷载、车列荷载)、列车荷载2)楼面活荷载例如:1、车列荷载与车道荷载有什么区别?答:车列荷载是把大量经常出现的汽车荷载排列成车列的形式作为设计荷载。
新规范中车道荷载由篇一:新旧规范中的汽车荷载比较新旧规范中的汽车荷载比较前言:我国公路桥梁结构设计采用的汽车荷载标准长期以来采用汽车车队的形式,计算荷载和验算荷载相结合的模式。
原规范将汽车荷载划分为汽车—超20级、汽车—20级、汽车—15级、汽车—10级共四个等级,并且每个等级规定了验算荷载——挂车和履带车荷载;而新规范只将汽车荷载分为公路—I级和公路—II级两个等级,取消了原规范规定的汽车—15级和汽车—10级汽车荷载,并且不考虑验算荷载。
公路—I级相当于原规范的汽车—超20,公路—II级相当于原规范的汽车—20级。
两者对简支梁的内力有什么区别,我们接下来就来分析这个问题。
正文:新旧规范汽车荷载对简支梁产生的内力主要体现在两个方面:1.汽车荷载的计算图式不同。
原规范汽车荷载的计算图式是以一辆加重车和具有规定间距的若干辆标准车组成的车队表示的。
新规范采用车道荷载即由均布荷载和集中荷载组成的图式。
2.冲击系数不同。
旧规范近似地认为冲击力与计算跨径成反比,并与桥梁的结构形式有关。
而新规范采用了结构基频来计算桥梁结构的冲击系数。
一.跨径20米的简支梁的内力分析。
下面以混凝土简支梁为研究对象,分析新旧规范标准汽车荷载效应的差别。
该桥标准跨径20m,主梁全长19.96m,计算跨径19.50m,桥面净空为净—7m+2×1.75m。
主梁结构尺寸如下图示。
设计荷载分别采用《公路桥涵设计通用规范》(JTG D60-2004)采用的公路—I级、公路—II级与《公路桥涵设计通用规范》(JTJ 021-85)采用的汽车—超20级、汽车—20级进行对比分析。
(一).新桥规计算的荷载效应根据上节中主梁结构纵、横截面的布置,取用其的一根主梁计算其各控制截面的汽车荷载效应。
汽车荷载效应计算按《公路桥涵通用设计规范》(JTG D60-2004)4.3.2条规定,简支梁结构的冲击系数由下式计算:介于1.5HZ和14HZ之间,冲击系数按下式计算:汽车荷载效应计算结果见下表:(二).按照旧桥规计算的荷载效应汽车荷载效应计算:在汽车荷载效应计算中,直接用规范中采用的标准汽车荷载在主梁上加载,从而计算出主梁各控制截面(支点、四分点和跨中截面)的最大弯矩和剪力效应。
汽车荷载的形式和取值标准一、汽车荷载形式汽车荷载是桥梁设计中的重要因素之一,它主要包括车辆重力、车辆冲击力、车辆扭曲应力以及车辆波动载荷等四种形式。
1.1 车辆重力车辆重力是汽车荷载的基本形式之一,它是指车辆本身的质量所产生的静载荷。
在桥梁设计中,车辆重力是必须考虑的因素之一,因为它会对桥梁的结构产生直接的影响。
1.2 车辆冲击力车辆冲击力是指车辆在行驶过程中由于速度的变化所产生的动载荷。
在桥梁设计中,车辆冲击力需要考虑车辆行驶速度、加速度以及制动等因素的影响。
1.3 车辆扭曲应力车辆扭曲应力是指车辆在行驶过程中由于路面不平整、悬挂系统的不均匀磨损以及轮胎磨损等原因所产生的动载荷。
在桥梁设计中,车辆扭曲应力需要考虑这些因素的影响,以避免对桥梁结构造成过大的应力。
1.4 车辆波动载荷车辆波动载荷是指车辆在行驶过程中由于车轮的振动、车身的颤动以及其他机械系统的振动所产生的动载荷。
在桥梁设计中,车辆波动载荷需要考虑这些因素的影响,以避免对桥梁结构产生过大的振动。
二、汽车荷载取值标准在桥梁设计中,汽车荷载的取值标准也是非常重要的。
下面将分别介绍车辆重力、车辆冲击力、车辆扭曲应力以及车辆波动载荷的标准值。
2.1 车辆重力标准值车辆重力标准值是指在设计桥梁时所采用的车辆重力的标准值。
这个标准值是根据车辆类型、车辆型号以及车辆的分布情况等因素来确定的。
在桥梁设计中,需要根据实际情况选择合适的车辆重力标准值。
2.2 车辆冲击力标准值车辆冲击力标准值是指在设计桥梁时所采用的车辆冲击力的标准值。
这个标准值的确定需要考虑车辆行驶速度、加速度以及制动等因素的影响。
在桥梁设计中,需要根据实际情况选择合适的车辆冲击力标准值。
2.3 车辆扭曲应力标准值车辆扭曲应力标准值是指在设计桥梁时所采用的车辆扭曲应力的标准值。
这个标准值的确定需要考虑路面不平整、悬挂系统的不均匀磨损以及轮胎磨损等因素的影响。
在桥梁设计中,需要根据实际情况选择合适的车辆扭曲应力标准值。
荷载与与结构设计原则复习第一章荷载类型1.荷载类型:1.荷载与作用:荷载、直接作用、间接作用、效应2.作用的分类:按随时间的变异、随空间位置的变异和结构的反应分类例如:1、由各种环境因素产生的直接作用在结构上的各种力称为荷载。
(√)2、由各种环境因素产生的间接作用在结构上的各种力称为荷载。
(×)3、什么是荷载? (荷载的定义是什么?)?)答:由各种环境因素产生的直接作用在结构的各种力称为荷载。
4、土压力、风压力和水压力是荷载,由爆炸、离心作用等产生的作用在物体上的惯性力不是荷载。
(×)5、什么是效应?答:作用在结构上的荷载使结构产生的内力、变形、裂缝等就叫做效应。
6、什么是作用?直接作用和间接作用?答:使结构产生效应(结构或构件的内力、应力、位移、应变、裂缝等)的各种因素总称为作用。
可归结为作用在结构上的力的因素称为直接作用;不是作用力但同样引起结构效应的因素称为间接作用。
7、只有直接作用才能引起结构效应,间接作用并不能引起结构效应。
(×)8、严格意义上讲,只有直接作用才能称为荷载。
(√)9、以下几项中属于间接作用的是C C10、预应力属于 A 。
温度变化属于 B 。
A、永久作用B、静态作用C、直接作用D、动态作用第二章重力1.重力(静载)1)结构自重2)土的自重应力3)雪荷载(基本雪压、雪重度、屋面的雪压)例如:1、基本雪压是指当地空旷平坦地面上根据气象记录资料经统计得到的在结构使用期间可能出现的最大雪压值。
(√)2、我国基本雪压分布图是按照 C 一遇的重现期确定的。
A、10年B、30年C、50年D、100年3、虽然最大雪重度和最大雪深两者有很密切的关系,但是两者不一定是同时出现。
(√)4、造成屋面积雪与地面积雪不同的主要原因有:风、屋面形式和屋面散热等。
2.重力(活载)1)车辆荷载:公路车辆荷载(车道荷载、车列荷载)、列车荷载2)楼面活荷载例如:1、车列荷载与车道荷载有什么区别?答:车列荷载是把大量经常出现的汽车荷载排列成车列的形式作为设计荷载。
公路荷载标准
公路荷载标准
一说到公路荷载,相关建筑人士还是比较陌生的,我国公路荷载标准基本概况如何?以下是为建筑人士公路荷载基本内容,具体内容如下:
我们通过本网站建筑知识专栏的知识整理,公路荷载基本概况如下:
公路荷载标准由国家标准规定作为桥涵设计依据的公路车辆荷载标准。
公路荷载标准基本规定:
1、汽车荷载分为公路Ⅰ级、公路Ⅱ级两个等级。
2、汽车荷载由车道荷载和车辆荷载组成。
3、车道荷载中公路Ⅱ级取公路Ⅰ级的0.75倍,(包括均布荷载标准值和集中荷载标准值)。
4、公路Ⅰ级、公路Ⅱ级采用相同的车辆荷载标准值(550kN重车)。
5、桥梁整体计算用车道荷载,局部计算采用车辆荷载。
,
我们为建筑企业人员推荐:查询建筑企业或建筑施工企业的建筑企业资质、建筑不良记录、建筑企业荣誉可以登入进行查询。
车道荷载和车辆荷载
一说到车辆荷载,相关建筑人士还是比较陌生的,车道荷载和车辆荷载基本概况?有什么区别?以下是为建筑人士车辆荷载基本内容,具体内容如下:
下面通过本网站建筑知识专栏的知识整理,车道荷载和车辆荷载基本概况如下:
车道荷载来算整体的,例如跨中弯矩和剪力及支座剪力,此时的力包括恒载还有活载。
车辆荷载主要算桥梁的局部加载、涵洞、桥台和挡土墙土压力等,例如横向分布系数。
以前公路桥梁设计里边是没有车道荷载这一说法的,只有在城市桥梁设计规范里边有。
现在公路桥梁新规范出来后,荷载的规定有所改动,具体车辆荷载和车道荷载的区别,首先,应用范围不同,城市桥梁的横隔梁、行车道板、桥台或挡土墙后土压力的计算采用车辆荷载。
城市桥梁的主梁、主拱和主桁架等的计算应采用车道荷载。
其次,荷载类型不同,很明显,从名称上就可以看出来,车辆荷载就是车辆骨架的平面投影,荷载只是轴重,是集中荷载的形式,荷载形式同以前公路桥梁设计荷载形式。
车道荷载,当然想想就应该是均布荷载了。
规范上都由很明确的规定的。
我认为两种模式并没有本质区别。
采用车辆模式加载计算不方便,采用车道荷载,只有知道影响线面积和最大竖坐标值,荷载效应即可方便计算出来。
另外,新标准对桥涵设计车道数进行了规定,避
免单纯按标准横向布载的规定在桥面上布置车道数偏多问题。
桥梁车道荷载与车辆荷载的筒说
目前城市桥梁与公路桥梁设计荷载已统一。
公路-1级规定的汽车荷载包括两个内容:一是在总体设计时使用的,叫车道荷载,就是桥梁设计时计算和验算必须使用的结构荷载。
另一个是设计局部构件的规定荷载,叫车辆荷载,例如验算桥面是否被压个洞。
两者不能混用。
车道荷载规定,每个车道每米长度10.5千牛(1.05吨),外加360千牛左右的集中荷载(不管多长每个车道只有一个),例如,2个车道,桥长100米,那么车道荷载是2×(100×10.5+360)=2820千牛(282吨)。
车辆荷载规定,一辆车最大重量不能超过550千牛(55吨)。
对于倒塌部分的桥梁,总共能够上几辆车应该用车道荷载去计算,但每辆车不能超过55吨
规范规定了一辆汽车的重量,超过它的都是超重车,但我国规范与现实的汽车偏差较大,所以现在事故多。
有两条路可走,一是改规范,这将带来巨大的社会代价,因为已建好的桥全部要加强,二是管住车,不能大量超载,管理方面要加强。
真有必须过桥的大件重车不是不能过桥,要通知管理单位验算后,控制交通才能过桥。
不可能所有桥全部加警示标志,国家本身对桥梁和汽车载重量是配套要求的,按这个要求建桥、生产汽车无需警示,只有特殊桥梁、危桥才需要专门标志荷载。
从事大件运输的人不知道规定的载重量是不行的,我们为什么管不起来是深层次的问题。
6 汽车及人群荷载6.0.1 汽车荷载分为公路—Ⅰ级和公路—Ⅱ级两个等级。
汽车荷载由车道荷载和车辆荷载组成。
车道荷载由均布荷载和集中荷载组成。
桥梁结构整体计算应采用车道荷载;桥梁局部加载及涵洞、桥台台后汽车引起的土压力和挡土墙上汽车引起的土压力等的计算应采用车辆荷载。
车辆荷载与车道荷载的作用不得叠加。
6.0.2 汽车荷载等级应符合表6.0.2规定。
表6.0.2 汽 车 荷 载 等 级公路等级高速公路一级公路二级公路三级公路四级公路汽车荷载等级 公路—Ⅰ级 公路—Ⅰ级 公路—Ⅱ级 公路—Ⅱ级 公路—Ⅱ级汽车荷载等级的选用应根据公路等级和远景发展需求确定。
一条公路上的桥涵宜采用同一汽车荷载等级。
6.0.3 公路—Ⅰ级汽车荷载的车道荷载的计算图式如图6.0.3。
图6.0.3 车道荷载1 均布荷载标准值为5.10=K q kN/m 。
2 集中荷载标准值K P 按以下规定选取:桥梁计算跨径j L ≤5m 时,=K P 180kN ;桥梁计算跨径≥j L 50m 时,=K P 360kN ;桥梁计算跨径5<j L <50时,K P 值采用直线内插求得。
计算剪力效应时,上述均布荷载和集中荷载的标准值应乘以1.2的系数。
3 桥梁设计时,应根据本标准第6.0.4条确定的设计车道数布置车道荷载。
每条设计车道上均应布置车道荷载:纵向:均布荷载标准值K q 沿桥梁纵向可任意截取,并满布于使结构产生最不利荷载效应的同号影响线上;集中荷载标准值K P 则作用于相应影响线中一个影响线峰值处。
横向:均布荷载和集中荷载都均匀分布在设计车道3.5m 宽度内。
6.0.4 公路—Ⅰ级汽车荷载的车辆荷载以一辆标准车表示,其主要技术指标应符合表6.0.4-1规定。
表6.0.4-1 车辆荷载主要技术指标项 目 单 位 技 术 指 标车辆重力标准值 kN 550 前轴重力标准值 kN 30 中轴重力标准值 kN 2×120 后轴重力标准值 kN 2×140 轴 距 m 3+1.4+7+1.4轮 距 m 1.8 前轮着地宽度及长度 m 0.3×0.2 中、后轮着地宽度及长度 m 0.6×0.2 车辆外形尺寸(长×宽)m15×2.5车辆荷载在每条设计车道上布置一辆单车。
6 汽车及人群荷载6.0.1 汽车荷载分为公路—Ⅰ级和公路—Ⅱ级两个等级。
汽车荷载由车道荷载和车辆荷载组成。
车道荷载由均布荷载和集中荷载组成。
桥梁结构整体计算应采用车道荷载;桥梁局部加载及涵洞、桥台台后汽车引起的土压力和挡土墙上汽车引起的土压力等的计算应采用车辆荷载。
车辆荷载与车道荷载的作用不得叠加。
6.0.2 汽车荷载等级应符合表6.0.2规定。
表6.0.2 汽 车 荷 载 等 级公路等级高速公路一级公路二级公路三级公路四级公路汽车荷载等级 公路—Ⅰ级 公路—Ⅰ级 公路—Ⅱ级 公路—Ⅱ级 公路—Ⅱ级汽车荷载等级的选用应根据公路等级和远景发展需求确定。
一条公路上的桥涵宜采用同一汽车荷载等级。
6.0.3 公路—Ⅰ级汽车荷载的车道荷载的计算图式如图6.0.3。
图6.0.3 车道荷载1 均布荷载标准值为5.10=K q kN/m 。
2 集中荷载标准值K P 按以下规定选取:桥梁计算跨径j L ≤5m 时,=K P 180kN ;桥梁计算跨径≥j L 50m 时,=K P 360kN ;桥梁计算跨径5<j L <50时,K P 值采用直线内插求得。
计算剪力效应时,上述均布荷载和集中荷载的标准值应乘以1.2的系数。
3 桥梁设计时,应根据本标准第6.0.4条确定的设计车道数布置车道荷载。
每条设计车道上均应布置车道荷载:纵向:均布荷载标准值K q 沿桥梁纵向可任意截取,并满布于使结构产生最不利荷载效应的同号影响线上;集中荷载标准值K P 则作用于相应影响线中一个影响线峰值处。
横向:均布荷载和集中荷载都均匀分布在设计车道3.5m 宽度内。
6.0.4 公路—Ⅰ级汽车荷载的车辆荷载以一辆标准车表示,其主要技术指标应符合表6.0.4-1规定。
表6.0.4-1 车辆荷载主要技术指标项 目 单 位 技 术 指 标车辆重力标准值 kN 550 前轴重力标准值 kN 30 中轴重力标准值 kN 2×120 后轴重力标准值 kN 2×140 轴 距 m 3+1.4+7+1.4轮 距 m 1.8 前轮着地宽度及长度 m 0.3×0.2 中、后轮着地宽度及长度 m 0.6×0.2 车辆外形尺寸(长×宽)m15×2.5车辆荷载在每条设计车道上布置一辆单车。
2.4
汽车(列车)荷载标准:
①车辆荷载——考虑车列形式的荷载,以集中荷载形式作用于车轴位置;
②车道荷载——将车辆重力等效为均布荷载和一个可作用于任意位置的集中荷载。
一、公路桥涵汽车荷载等级(JTGD60-2015)
公路等级高速公路一级公路二级公路三级公路四级公路
汽车荷载等级公路-I级公路-I级公路-I级公路-II级公路-II级
➢我国现行公路桥涵汽车荷载(JTGD60-2015)不同于原公路桥涵车辆设计荷载(JTJ 021-89),汽车荷载由车道荷载和车辆荷载组成。
➢对于桥梁结构的整体计算---采用车道荷载;
➢对于桥梁的局部加载、涵洞、桥台和挡土墙压力等的计算---采用车辆荷载。
•公路桥涵车辆设计荷载(JTJ 021-89)
各级车辆荷载纵向排列
:
相当于公路-I 级相当于公路-II
级
1 、车辆荷载
车辆荷载横向布置(尺寸单位:m)车辆荷载立面、平面尺寸
•车辆荷载的主要技术指标
2、车道荷载
注:计算跨径为:设支座的为相邻两支座中心的水平距离;
不设支座的为上、下部结构相交面中心间的水平距离。
公路-I级:q K=10.5kN/m;当桥涵计算跨径小于或等于5m时,P K=270kN;当桥涵计算跨径大于或等于50m时,P K=360kN;桥涵计算跨径大于5m、小于50m时,P K按直线内插求得。
上述计算得到的剪力效应值应乘以1.2的系数。
公路-II级:车道荷载的q K和P k,为公路-I级车道荷载的0.75倍。
•我国城市桥梁设计荷载标准规定的城—A级(跨度2-20m)
•求弯矩时q M=22.5kN/m,求剪力矩时q Q=37.5k/m
⚫城市桥梁设计荷载
城-A级标准车辆纵向布置及平面布置:
城-B级标准车辆纵向布置及平面布置:
3、横向折减系数和纵向折减系数
横向车道布载系数
对计算跨径大于150m 的大跨径桥梁应按下表的规定对车道荷载进行纵向折减。
桥梁为多跨连
续结构时,整个结构应按其最大计算跨径的纵向折减系数进行折减。
横桥向布置多车道汽车荷载时,汽车荷载标准根据多个车道上同时出现最大汽车荷载的概率大小,规定计算所得内力应考虑汽车荷载的折减;布置一条车道汽车荷载时,应考虑汽车荷载的提高。
横向车道布载系数应符合下表的规定。
多车道布载的荷载效应不得小于两条车道布载的荷载效应。
有缘学习更多驾卫星ygd3076或关注桃报:奉献教育(店铺)
⚫车道荷载具有以下特点:
①对于求弯矩和剪力分别加不同的均布荷载和集中荷载;
②均布荷载和集中荷载随荷载等级而异;
③
对于连续梁,求最大正弯矩或最大负弯矩时,考虑均布荷载的不利分布。
纵向折减系数
•汽车静载试验工况一加载
11。