桥梁汽车及人群荷载
- 格式:doc
- 大小:69.50 KB
- 文档页数:4
目次1总则2术语、符号3城市桥梁设计荷载4城市桥梁设计可变荷载附录A本标准用词说明附加说明1总则1.0.1为改进城市桥梁设计荷载现行方法,采用按车道均布荷载进行加载设计,以达到与国际桥梁荷载标准相接轨的目的,制定本标准。
1.0.2本标准适用于在城市内新建、改建的永久性桥梁和城市高架道路结构以及承受机动车辆荷载的其他结构物的荷载设计。
1.0.3本标准规定的基本可变荷载,适用于桥梁跨径或加载长度不大于150m的城市桥梁结构。
1.0.4本标准的设计活载分为两个等级,即城-A级和城-B级。
1.0.5城市桥梁设计荷载,除应符合本标准外,尚应符合国家现行有关标准的规定。
2术语、符号2.1术语2.1.1作用结构承受各种荷重和变形所引起力效应的通称。
2.1.2荷载各种车辆、人、雪、风引起的重力,包括永久性、可变性和偶然性三类。
2.1.3永久荷载在设计有效期内,其值不随时间变化,或其变化与平均值相比可忽略不计的荷载。
2.1.4可变荷载在设计有效期内,其值随时间变化,且其变化与平均值相比不可忽略的荷载,按其对桥梁结构的影响程度,又可分为基本可变荷载(活载)和其他可变荷载。
2.1.5偶然荷载在设计有效期内,不一定出现,一旦出现,其值将很大且持续时间很短的荷载。
2.1.6承载能力极限状态设计结构达到承载能力的极限状态时,引起结构的效应等于材料的抗力时作为设计条件的设计方法。
2.1.7正常使用极限状态设计结构在正常工作阶段,裂缝、应力与挠度达到最大功能时的设计方法。
2.1.8容许应力设计按各种材料截面达到容许应力时的设计方法。
2.1.9效应结构或构件承受内力和变形的大小。
2.1.10抗力结构或构件材料抵抗外力的能力。
2.1.11桥面铺装桥梁上部结构面板上铺设的防水层与摩损层。
2.1.12行车道板承受行车重力的板式结构。
2.1.13重力密度物质单位体积的重力。
2.1.14车道横向折减系数多车道桥面在横向车道上,当不同时出现活载时,结构效应应予折减的系数。
城市桥梁设计荷载标准1总则1.0.1为改进城市桥梁设计荷载现行方法,采用按车道均布荷载进行加载设计,以达到与国际桥梁荷载标准相接轨的目的,制定本标准。
1.0.2本标准适用于在城市内新建、改建的永久性桥梁和城市高架道路结构以及承受机动车辆荷载的其他结构物的荷载设计。
1.0.3本标准规定的基本可变荷载,适用于桥梁跨径或加载长度不大于150m的城市桥梁结构。
1.0.4本标准的设计活载分为两个等级,即城-A级和城-B级。
1.0.5城市桥梁设计荷载,除应符合本标准外,尚应符合国家现行有关标准的规定。
2术语、符号2.1术语2.1.1作用结构承受各种荷重和变形所引起力效应的通称。
2.1.2荷载各种车辆、人、雪、风引起的重力,包括永久性、可变性和偶然性三类。
2.1.3永久荷载在设计有效期内,其值不随时间变化,或其变化与平均值相比可忽略不计的荷载。
2.1.4可变荷载在设计有效期内,其值随时间变化,且其变化与平均值相比不可忽略的荷载,按其对桥梁结构的影响程度,又可分为基本可变荷载(活载)和其他可变荷载。
2.1.5偶然荷载在设计有效期内,不一定出现,一旦出现,其值将很大且持续时间很短的荷载。
2.1.6承载能力极限状态设计结构达到承载能力的极限状态时,引起结构的效应等于材料的抗力时作为设计条件的设计方法。
2.1.7正常使用极限状态设计结构在正常工作阶段,裂缝、应力与挠度达到最大功能时的设计方法。
2.1.8容许应力设计按各种材料截面达到容许应力时的设计方法。
2.1.9效应结构或构件承受内力和变形的大小。
2.1.10抗力结构或构件材料抵抗外力的能力。
2.1.11桥面铺装桥梁上部结构面板上铺设的防水层与摩损层。
2.1.12行车道板承受行车重力的板式结构。
2.1.13重力密度物质单位体积的重力。
2.1.14车道横向折减系数多车道桥面在横向车道上,当不同时出现活载时,结构效应应予折减的系数。
2.1.15车道纵向折减系数在桥梁跨径范围内的车道上,实际出现的各种轻型车并不符合标准车辆的设计轴重与间距,按标准车计算的结构效应应予折减的系数。
目次1总则2术语、符号3城市桥梁设计荷载4城市桥梁设计可变荷载附录A本标准用词说明附加说明1总则1.0.1为改进城市桥梁设计荷载现行方法,采用按车道均布荷载进行加载设计,以达到与国际桥梁荷载标准相接轨的目的,制定本标准。
1.0.2本标准适用于在城市内新建、改建的永久性桥梁和城市高架道路结构以及承受机动车辆荷载的其他结构物的荷载设计。
1.0.3本标准规定的基本可变荷载,适用于桥梁跨径或加载长度不大于150m的城市桥梁结构。
1.0.4本标准的设计活载分为两个等级,即城-A级和城-B级。
1.0.5城市桥梁设计荷载,除应符合本标准外,尚应符合国家现行有关标准的规定。
2术语、符号2.1术语2.1.1作用结构承受各种荷重和变形所引起力效应的通称。
2.1.2荷载各种车辆、人、雪、风引起的重力,包括永久性、可变性和偶然性三类。
2.1.3永久荷载在设计有效期内,其值不随时间变化,或其变化与平均值相比可忽略不计的荷载。
2.1.4可变荷载在设计有效期内,其值随时间变化,且其变化与平均值相比不可忽略的荷载,按其对桥梁结构的影响程度,又可分为基本可变荷载(活载)和其他可变荷载。
2.1.5偶然荷载在设计有效期内,不一定出现,一旦出现,其值将很大且持续时间很短的荷载。
2.1.6承载能力极限状态设计结构达到承载能力的极限状态时,引起结构的效应等于材料的抗力时作为设计条件的设计方法。
2.1.7正常使用极限状态设计结构在正常工作阶段,裂缝、应力与挠度达到最大功能时的设计方法。
2.1.8容许应力设计按各种材料截面达到容许应力时的设计方法。
2.1.9效应结构或构件承受内力和变形的大小。
2.1.10抗力结构或构件材料抵抗外力的能力。
2.1.11桥面铺装桥梁上部结构面板上铺设的防水层与摩损层。
2.1.12行车道板承受行车重力的板式结构。
2.1.13重力密度物质单位体积的重力。
2.1.14车道横向折减系数多车道桥面在横向车道上,当不同时出现活载时,结构效应应予折减的系数。
第一章绪论第一节概述1.桥梁组成: 上部结构、下部结构、支座、附属结构。
上部结构是跨越结构,是横越空间的部分(如梁桥指位于支座以上的部分) ,通常包括桥跨结构和桥面构造面构造两大部分。
上部结构的作用是跨越障碍并承受其上的桥面荷载和交通荷载。
桥面构造是指公路硷的行车道铺袋,铁路桥的道砟、枕木、轨道,以及伸缩缝、排水防水系统、人行道、安全带、路缘石、栏杆、照明系统等。
下部结构指桥梁支座以下的支承结构,它包括桥墩、桥台和桥墩台之下的基础,是将上部结构及其承受的交通荷载传入地基的结构物。
桥台设在桥跨结构的两端,它除了支承上部结构之外,还起到桥梁和路堤衔接并防止路堤下滑和坍塌的作用,其两侧做成填土或填石锥体并在表面加以铺砌,用来保证桥台和路堤的良好衔接,并保证桥头路堤的稳定。
桥跨结构与墩7台之间还设置支座,桥上还应设伸缩缝,通航河流还常设防止船只撞击墩台的防撞结构等。
二相关专业术语2.净孔径对于梁式桥是指设计洪水位上两个相邻桥墩台之间的净距。
对于拱式桥是每孔拱跨两个拱脚截面最低点之间的水平距离。
3.总孔径各孔净孔径的总和,它反映桥下宣泄洪水的能力4.计算跨径,轴心到轴心对于设有支座的梁桥,是指桥跨结构相邻两个支座中心之间的距离;对于拱式桥,是指桥跨两相邻拱脚截面重心之间的水平距离。
桥梁结构的力学计算,是以计算跨径为基础的。
5.标准跨径对于梁式桥,公路是指两相邻桥墩中线之间的距离,或桥墩中线与桥台背前缘之间的距离:铁路梁式桥特大桥:多孔跨径总长大于1000米,单孔跨径大于150米大桥:1000米大于多孔跨径总长大于100米 150米,大于等于单孔跨径,大于等于40米桥长梁桥系指桥台挡砟前墙之间的长度:供桥系指拱上侧墙与桥台侧墙之间两伸缩缝外端之间的长度,钢架桥系指钢架顺跨度方向外侧间的长度。
6.四按结构体系分类7.梁式桥:简支梁、连续梁、悬臂梁梁式桥在竖向荷载作用下,支座只产生竖向反力,梁部结构只受弯剪(有时也受扭),不承受轴向力。
6 汽车及人群荷载6.0.1 《标准》(97)中的车辆荷载在形式上为四个等级,即汽车—超20级、挂车—120;汽车—20级、挂车—100;汽车—15级、挂车—80;汽车—10级、履带—50。
同时规定,新建公路桥涵的设计不采用汽车—15级、挂车—80荷载,只是为便于国家统计工作的连续性而保留这一级荷载。
《标准》(97)所规定的以车队为计算荷载图式的车辆荷载标准,是设计公路桥梁及其它构造物所规定的计算荷载。
为了保证桥梁的安全储备和使用寿命,对桥上实际行驶的车辆轴重和总重必须予以严格限制,一般情况下,不允许采用设计的极限值。
因此,设计轴荷载多大,桥上实际行驶车辆的轴荷载也允许多大,这是不对的,车辆设计荷载与车辆轴载、总载限制是两个不同的概念,不可混为一谈。
世界上有一些国家制定了车辆轴载限值标准。
他们在制定设计车辆荷载标准及车辆轴重限值时,除了考虑本国的国民经济发展水平外,同时考虑了采用重型汽车提高轴重限值而获得的运输经济效益与相应增加的公路基本建设投资及原有公路网的补强改造费用之间的合理平衡。
由于提高轴重对公路投资的影响十分惊人,长期以来,各国政府都采用了极其慎重的态度。
表6.0.1-1列出了几个经济较发达国家车辆荷载设计值和允许轴载值,表6.0.1-2列举了一些国家和地区的轴载限值。
现行公路桥涵结构设计用车辆荷载标准模式是根据我国建国以后公路上交通荷载的实际情况,经过相当长时期的分析、研究和修正确定的。
经过几十年的修订、完善,其分级逐步完善、科学、合理,基本适应了我国公路桥涵结构发展的需求。
1972年,在修订《标准》时,对原车辆荷载标准进行了一次检查,一方面向用车单位作调查,另一方面对按标准设计的桥梁通过一些重型卡车的能力作了计算比较。
调查及计算分析的结果是:公路上最常行驶的车辆,解放牌一级总重不超过100kN,改装后的黄河牌和一些越野车总重不超过300kN,这些都不超过或略超过标准车加重车,对较重的车要加以验算。
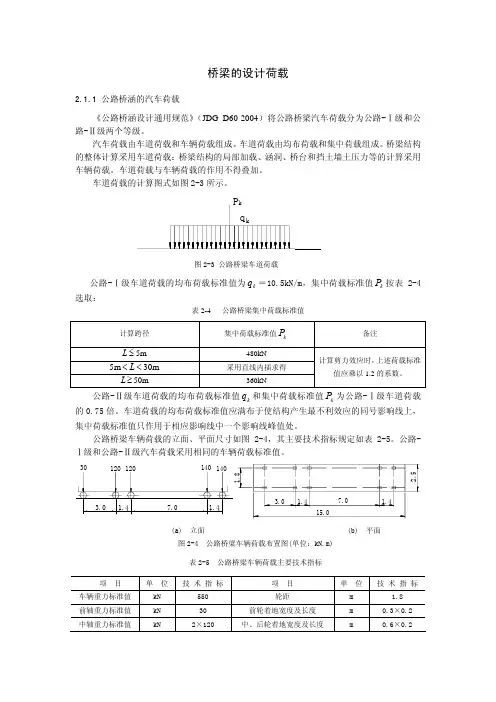
桥梁的设计荷载2.1.1 公路桥涵的汽车荷载《公路桥涵设计通用规范》(JDG D60-2004)将公路桥梁汽车荷载分为公路-Ⅰ级和公路-Ⅱ级两个等级。
汽车荷载由车道荷载和车辆荷载组成。
车道荷载由均布荷载和集中荷载组成。
桥梁结构的整体计算采用车道荷载:桥梁结构的局部加载、涵洞、桥台和挡土墙土压力等的计算采用车辆荷载。
车道荷载与车辆荷载的作用不得叠加。
车道荷载的计算图式如图2-3所示。
图2-3 公路桥梁车道荷载公路-Ⅰ级车道荷载的均布荷载标准值为=10.5kN/m,集中荷载标准值按表 2-4选取:k q k P 表2-4 公路桥梁集中荷载标准值计算跨径集中荷载标准值k P 备注5m ≤L480kN m 305m <<L采用直线内插求得50m ≥L360kN计算剪力效应时,上述荷载标准值应乘以1.2的系数。
公路-Ⅱ级车道荷载的均布荷载标准值和集中荷载标准值为公路-Ⅰ级车道荷载的0.75倍。
车道荷载的均布荷载标准值应满布于使结构产生最不利效应的同号影响线上,集中荷载标准值只作用于相应影响线中一个影响线峰值处。
k q k P 公路桥梁车辆荷载的立面、平面尺寸如图2-4,其主要技术指标规定如表2-5。
公路-Ⅰ级和公路-Ⅱ级汽车荷载采用相同的车辆荷载标准值。
(a) 立面 (b) 平面 图2-4 公路桥梁车辆荷载布置图(单位:kN.m) 表2-5 公路桥梁车辆荷载主要技术指标项 目 单 位 技 术 指 标项 目 单 位 技 术 指 标车辆重力标准值 kN 550 轮距m 1.8 前轴重力标准值 kN 30 前轮着地宽度及长度 m 0.3×0.2 中轴重力标准值kN2×120中、后轮着地宽度及长度m0.6×0.2后轴重力标准值kN 2×140 车辆外形尺寸(长×宽)m 15×2.5轴距m3+1.4+7+1.4公路工程技术旧标准中把大量、经常出现的汽车荷载排列成车队形式,作为设计荷载,把偶然、个别出现的平板挂车和履带车作为验算荷载。
桥梁分类及特点第一章桥梁的组成和分类桥梁的定义:道路路线遇到江河湖泊、山谷深沟以及其他线路等障碍时,为了保持道路的连续性,充分发挥其正常的运输能力,就需要建造专门的人工构造物----桥梁桥梁一方面要保证桥上的交通运行,通常也要保证桥下水流的宣泄、船只的通航或车辆的通行。
1、桥梁的基本组成部分桥跨结构---在线路中断是跨越障碍的主要承载结构,也叫上部结构桥墩和桥台----是支承桥跨结构并将恒载和车辆等活载传至地基的建筑物,也叫下部结构设置在桥两端的叫桥台,除了上述作用外,还与路堤相衔接,以抵御垆邸土压力,防止路堤填土的滑坡和塌落桥墩和桥台中使全部荷载传至地基的底部奠基部分,通常称为基础支座---在桥跨结构和桥墩或桥台的支承处所设置的传力装置,它不仅要传递很大的荷载,并且还要保证桥跨结构能产生一定的变位锥形护坡---在路堤与桥台衔接处,以保证迎水部分路堤边坡的稳定低水位、高水位、设计洪水位净跨径----对于梁式桥是设计洪水位上相邻两个桥墩(或桥台)之间的净距,用表示:对于拱式桥是每孔拱跨两个拱脚截面最低点之间的水平距离总跨径----多孔桥梁中各孔净跨径之和计算跨径-----对于具有支座的桥梁,是指桥跨结构相邻两个支座中心之间的距离;对于拱式桥,是俩相邻拱脚截面形心点之间的水平距离,即拱轴线两端点之间的水平距离拱轴线----拱圈各截面形心点的连线称为拱轴线桥梁全长----简称桥长,是桥梁两端两个侨台的侧墙或八字墙后端点之间的距离桥梁高度-----简称桥高,是指桥面与低水位之间的高差,或为桥面与桥下线路路面之间的距离。
桥下净空高度---- 是设计洪水位或计算通航水位之桥跨结构最下缘之间的距离建筑高度------桥上行车路面标高至桥跨结构最下缘之间的距离容许建筑高度-----公路或铁路定线中所确定的桥面或轨顶标高,对通航净空顶部标高之差净矢高-----从拱顶截面下缘至相邻两拱脚截面下缘最低点之连线的垂直距离计算矢高-----从拱顶截面形心至相邻两拱脚截面形心之连线的垂直距离矢跨比------计算矢高与计算跨径之比,也称拱矢度,它是反映拱桥受力特性的一个重要指标涵洞-----是用来宣泄堤下水流的构造物,通常在建造涵洞时路堤不中断。
人群荷载标准值在建筑设计和结构工程中,人群荷载标准值是一个至关重要的参数。
它是指在建筑物或结构中,人员聚集或移动时所产生的荷载,是设计师和工程师在进行建筑设计和结构计算时必须要考虑的因素之一。
人群荷载标准值的准确计算和合理应用对于保障建筑物和结构的安全性和稳定性具有重要意义。
首先,人群荷载标准值的计算是建筑设计的基础之一。
根据建筑物的用途和功能,设计师需要根据相关规范和标准计算出人群荷载标准值,以确保建筑物在使用过程中能够安全稳定地承载人员的聚集和移动。
例如,在体育馆、会议中心、商场等公共场所,人群荷载标准值的计算尤为重要,因为这些场所经常会有大量人员聚集,如果人群荷载标准值计算不准确,就会对建筑物的安全性产生严重影响。
其次,人群荷载标准值的合理应用对于建筑物的设计和结构计算具有重要意义。
在实际的建筑设计和结构计算中,设计师和工程师需要根据人群荷载标准值来确定建筑物的结构形式、材料选用、承重构件的尺寸和数量等关键参数。
合理应用人群荷载标准值可以有效地提高建筑物的安全性和稳定性,减少结构的失稳和倒塌的风险,保障建筑物在使用过程中的安全性。
此外,人群荷载标准值的准确计算和合理应用也是建筑设计和结构工程领域的一项技术挑战。
由于人员的聚集和移动具有一定的不确定性和随机性,人群荷载标准值的计算和应用需要考虑多种因素的综合影响,包括人员密度、活动方式、行走速度等。
因此,设计师和工程师需要结合实际情况和经验数据,采用合理的计算方法和模型,才能准确地计算和应用人群荷载标准值。
总之,人群荷载标准值在建筑设计和结构工程中具有重要的意义,它不仅是建筑物和结构计算的基础之一,也是保障建筑物安全稳定的关键因素。
因此,设计师和工程师在进行建筑设计和结构计算时,必须要重视人群荷载标准值的准确计算和合理应用,以确保建筑物在使用过程中能够安全稳定地承载人员的聚集和移动。
桥梁的设计荷载及荷载组合(1)如图:一、桥梁的设计荷载选定荷载和进行荷载分析是比结构分析更为重要的问题。
因为它关系到桥梁结构在它的设计使用期限内的安全和桥梁建设费用的合理投资。
近年来,由于交通量的不断增加,大型超重车辆的不断出现,风载、地震荷载的重要性愈显突出等,导致实际与可能作用在桥梁结构上的荷载越来越复杂,这就为桥梁荷载的选定和分析造成了困难,常因初始设计荷载选定的滞后,而造成桥梁早期破坏或加固。
我国现行的公路桥涵设计通用规范(JTJ021-85)中,将作用在桥梁上的荷载分为三大类:1.永久荷载(恒载)在设计使用期内,其值不随时间变化,或其变化与平均值相比可以忽略不计的荷载。
它包括结构重力、预加应力、土的重力及侧压力、混凝土收缩及徐变影响力,基础变位影响力和水的浮力。
2.可变荷载(活载)在设计使用期内,其值随时间变化,且其变化与平均值相比不可忽略的荷载。
按其对桥涵结构的影响程度,又分为基本可变荷载和其他可变荷载。
基本可变荷载包括汽车荷载及其引起的冲击力,平板挂车(或履带车)荷载,人群荷载,离心力,以及所有车辆所引起的土侧压力。
其他可变荷载包括汽车制动力,风力,流水压力,冰压力,温度影响力和支座摩阻力。
3.偶然荷载在设计使用期内,不一定出现,但一旦出现其值很大且持续时间较短的荷载,它包括船只或漂浮物撞击力,地震作用。
下面具体讲述各种荷载的意义:(一)永久荷载结构物的重力及桥面铺装、附属设备等外加重力均属结构重力,可按照结构的实际体积或设计时所假定的体积与材料密度计算。
作用在墩台上的土重力,土侧压力可参照《公路桥涵通用规范》(JTJ021-85)附录一、二和《公路桥涵地基与基础设计规范》(JTJ024-85)附录二中规定计算。
对于预应力混凝土结构,预加应力在结构使用阶段设计时,应作为永久荷载计算其效应,计算时应考虑相应阶段的预应力损失;在结构承载能力极限状态设计时,预应力不作为荷载,而将预应力筋作为普通钢筋计入结构抗力。
目次1总则2术语、符号3城市桥梁设计荷载4城市桥梁设计可变荷载附录A本标准用词说明附加说明1总则1.0.1为改进城市桥梁设计荷载现行方法,采用按车道均布荷载进行加载设计,以达到与国际桥梁荷载标准相接轨的目的,制定本标准。
1.0.2本标准适用于在城市内新建、改建的永久性桥梁和城市高架道路结构以及承受机动车辆荷载的其他结构物的荷载设计。
1.0.3本标准规定的基本可变荷载,适用于桥梁跨径或加载长度不大于150m的城市桥梁结构。
1.0.4本标准的设计活载分为两个等级,即城-A级和城-B级。
1.0.5城市桥梁设计荷载,除应符合本标准外,尚应符合国家现行有关标准的规定。
2术语、符号2.1术语2.1.1作用结构承受各种荷重和变形所引起力效应的通称。
2.1.2荷载各种车辆、人、雪、风引起的重力,包括永久性、可变性和偶然性三类。
2.1.3永久荷载在设计有效期内,其值不随时间变化,或其变化与平均值相比可忽略不计的荷载。
2.1.4可变荷载在设计有效期内,其值随时间变化,且其变化与平均值相比不可忽略的荷载,按其对桥梁结构的影响程度,又可分为基本可变荷载(活载)和其他可变荷载。
2.1.5偶然荷载在设计有效期内,不一定出现,一旦出现,其值将很大且持续时间很短的荷载。
2.1.6承载能力极限状态设计结构达到承载能力的极限状态时,引起结构的效应等于材料的抗力时作为设计条件的设计方法。
2.1.7正常使用极限状态设计结构在正常工作阶段,裂缝、应力与挠度达到最大功能时的设计方法。
2.1.8容许应力设计按各种材料截面达到容许应力时的设计方法。
2.1.9效应结构或构件承受内力和变形的大小。
2.1.10抗力结构或构件材料抵抗外力的能力。
2.1.11桥面铺装桥梁上部结构面板上铺设的防水层与摩损层。
2.1.12行车道板承受行车重力的板式结构。
2.1.13重力密度物质单位体积的重力。
2.1.14车道横向折减系数多车道桥面在横向车道上,当不同时出现活载时,结构效应应予折减的系数。
桥梁荷载分类一、永久荷载(恒载)永久荷载(恒载)是指结构在设计使用期内其值不随时间变化,或其变化与平均值相比可忽略不计的荷载。
作用在桥梁上部结构的恒载,主要是结构物的重力及附属设备等外加重力;作用在墩台的恒载,主要是上部结构的恒载支座作用力、墩台本身重力、土压力及其引起的土侧压力或水浮力(水中墩台)。
预应力在结构使用极限状态设计时应作为永久荷载计算其效应,在承载能力极限状态设计时,作为结构抗力的一部分,而非永久荷载。
二、可变荷载可变荷载是指结构在设计使用期内其值随时间变化,且其变化与平均值相比不可忽略的荷载。
按其对桥涵结构的影响程度,又分为基本可变荷载(活载)和其它可变荷载。
1、基本可变荷载(活载)包括车辆荷载及其影响力,人群荷载和汽车冲击力,离心力,汽车、平板挂车或履带车引起的土侧压力,即是这些车辆荷载在桥台或挡土墙后填土的破坏棱体上引起的土侧压力。
2、其它可变荷载包括自然和人为产生的各种变化力,如风力(风荷载),汽车制动力,温度影响力,支座摩阻力、流水压力及冰压力等。
三、偶然荷载偶然荷载是指结构在设计使用期内不一定出现,但一旦出现,其值很大,且持续时间很短的荷载。
主要是指地震荷载和船只或漂流物的撞击力。
桥梁分类根据不同的分类标准可以对桥梁进行不同的划分,这些划分对理解整个桥梁体系是很有帮助的,根据大纲要求,应对以下几种主要的划分方法有所了解,对按结构体系分类要进行重点的学习和掌握。
按结构体系分类梁式桥、拱式桥、刚架桥、斜拉桥、悬索桥按跨径分类特大桥、大桥、中桥、小桥按桥面位置分类上承式桥、中承式桥、下承式桥、按材料分类木桥、钢桥、圬工桥、钢筋混凝土桥、预应力混凝土桥。
根据不同的分类标准可以对桥梁进行不同的划分,这些划分对理解整个桥梁体系是很有帮助的,根据大纲要求,应对以下几种主要的划分方法有所了解,对按结构体系分类要进行重点的学习和掌握.按结构体系分类梁式桥、拱式桥、刚架桥、斜拉桥、悬索桥按跨径分类特大桥、大桥、中桥、小桥按桥面位置分类上承式桥、中承式桥、下承式桥、按材料分类木桥、钢桥、圬工桥、钢筋混凝土桥、预应力混凝土桥。
汽车及人群荷载
6.0.1 汽车荷载分为公路—Ⅰ级和公路—Ⅱ级两个等级。
汽车荷载由车道荷载和车辆荷载组成。
车道荷载由均布荷载和集中荷载组成。
桥梁结构整体计算应采用车道荷载;桥梁局部加载及涵洞、桥台台后汽车引起的土压力和挡土墙上汽车引起的土压力等的计算应采用车辆荷载。
车辆荷载与车道荷载的作用不得叠加。
6.0.2 汽车荷载等级应符合表6.0.2规定。
表6.0.2 汽车荷载等级
汽车荷载等级的选用应根据公路等级和远景发展需求确定。
一条公路上的桥涵宜采用同一汽车荷载等级。
6.0.3 公路—Ⅰ级汽车荷载的车道荷载的计算图式如图6.0.3。
图6.0.3车道荷载
1 均布荷载标准值为kN/m。
2 集中荷载标准值按以下规定选取:
桥梁计算跨径≤5m时,180kN;
桥梁计算跨径50m时,360kN;
桥梁计算跨径5<<50时,值采用直线内插求得。
计算剪力效应时,上述均布荷载和集中荷载的标准值应乘以1.2的系数。
3 桥梁设计时,应根据本标准第6.0.4条确定的设计车道数布置车道荷载。
每条设计车道上均应布置车道荷载:
纵向:均布荷载标准值沿桥梁纵向可任意截取,并满布于使结构产生最不利荷载效应的同号影响线上;集中荷载标准值则作用于相应影响线中一个影响线峰值处。
横向:均布荷载和集中荷载都均匀分布在设计车道3.5m宽度内。
6.0.4 公路—Ⅰ级汽车荷载的车辆荷载以一辆标准车表示,其主要技术指标应符合表6.0.4-1规定。
表6.0.4-1 车辆荷载主要技术指标
车辆荷载在每条设计车道上布置一辆单车。
车辆荷载的横向布置应符合图6.0.4的规定,并应按本标准第6.0.6条和第6.0.8条的规定计算横向折减。
图6.0.4车辆荷载横向布置
6.0.5 公路—Ⅱ级汽车荷载的车道荷载标准值应取公路—Ⅰ级汽车荷载的车道荷载标准值的0.75倍;公路—Ⅱ级汽车荷载的车辆荷载标准值应与公路—Ⅰ级汽车荷载的车辆道荷载标准值相同。
重型车辆少的四级公路的桥梁设计所采用的汽车荷载标准值可取公路—Ⅰ级汽车荷载标准值的0.60倍。
6.0.6 桥涵设计车道数应符合表6.0.6规定。
表6.0.6 桥涵设计车道数
6.0.7 施加于大跨桥梁上的汽车荷载应考虑纵向折减。
当桥梁计算跨径L≥150m时,应按表6.0.7规定的纵向折减系数进行折减。
当为多跨连续结构时,整个结构均应按最大的计算跨径考虑汽车荷载效应的纵向折减。
表6.0.7 纵向折减系数
6.0.8 多车道桥梁上的汽车荷载应考虑横向折减。
当桥涵设计车道数大于2时,应按表6.0.8规定的横向折减系数进行折减,但折减后的效应不得小于2条设计车道的荷载效应。
表6.0.8 横向折减系数
6.0.9 公路桥梁设有人行道时,应同时计入人群荷载。
1 桥梁单孔跨径50m时,人群荷载标准值为3.0 kN/m2;
桥梁单孔跨径150m时,人群荷载标准值为2.5 kN/m2;
桥梁单孔跨径在50m和150m之间时,人群荷载标准值可采用直线内插求得。
2 城市郊区行人密集地区的公路桥梁,人群荷载标准值取上述规定值的1.15倍。
3 专用人行桥梁,人群荷载标准值取为3.5kN/m2,亦可参照所在省(市、区)城市桥涵设计有关规定确定。