电源避雷器的选型
- 格式:docx
- 大小:19.47 KB
- 文档页数:3
避雷器YH1.5WD-8-19产品说明一、避雷器YH1.5WD-8-19概述避雷器YH1.5WD-8-19瓷外套无间隙金属氧化锌避雷器品种多、规格全,按使用场所分为配电型、电站型、保护电容器组型、保护旋转电机型、变压器中性点保护型、电气化铁道型。
产品性能满足国标GB11032-2000(eqv IEC 60099-4:1991)《交流无间隙金属氧化物避雷器》。
二、避雷器YH1.5WD-8-19技术标准产品生产执行的标准为GB11032-2000(eqv IEC60099-4:1991)《交流无间隙金属氧化物避雷器》、JB/T8952-2005《交流系统用复合外套无间隙金属氧化物避雷器》。
三、使用环境1.环境温度为—40℃~+40℃;2.海拔高度不超过2000m;3.电源频率为48Hz~62Hz;4.最大风速不超过35m/s;5.地震裂度7度及以下地区。
长期施加的电压不超过其最高持续运行电压。
四、产品特点1.体积小、重量轻,耐碰撞、运输无碰损失,安装灵活,特别适合在开关柜内使用;2.特殊结构,整体模压成型,无气隙、密封性能好,防潮防爆;3.爬电距离大,增水性好,耐污能力强,性能稳定,减少运行维护;4.独特配方的氧化锌电阻片,高容量,低泄露;5.实配直流参考电压、方波通流容量和大电流耐受能力都高于国家标准。
五、选型用户可根据被保护对象选用不同型号的避雷器,对使用场所的不同可选用防污型和高原型。
为满足市场的需求我厂可根据用户的要求设计各种非标产品。
|________________________________复合外套金属氧化锌避雷器(HY为老型号)Y为瓷外套金属氧化锌避雷器六、用户需知1、避雷器在安装使用前,应存放在清洁、干燥的房间,不得受到腐蚀性气体或者液体的腐蚀。
2、避雷器在投入运行前,应作预防性试验,在投入运行后,也应定期(10KV以下避雷器5年一次,35KV及以上避雷器2年一次)做如下试验并参照附表与运行前的数据进行对比。
380V SPD4P40KA交流电源避雷器资料电源避雷器三相交流电源避雷器:又称电源避雷模块,电涌保护器/浪涌保护器|浪涌抑制器|避雷器|避雷器是安普迅公司生产的避雷产品,品牌为安迅ANSUNAM系列三相交流电源避雷器应用范围:·三相交流电源避雷器适用于配电室、配电柜、开关柜、交直流配电屏等系统的电源保护;·建筑物内有室外输入的配电箱、建筑物层配电箱;·用于低压(220/380VAC)工业电网和民用电网;·在电力系统中,主要用于自动化机房、变电站主控制室电源屏内三相电源输入或输出端。
三相交流电源避雷器功能与特点·通流容量大,残压低,响应时间快;·漏电流及变化率小;·采用最新热脱离技术,彻底避免火灾;·采用特殊冲击熔片,具有高可靠性;·自带远程告警干接点,便于远程监控;·具有工作故障指示,遥信告警功能;·采用温控保护电路,内置热保护,短路故障自动脱离装置;·3+1保护模式(L-N,N-PE),特别适合电网差的地区使用;·采用标准模块化设计,安装简单,维护方便;·核心元件采用国际知名品牌,性能优异,工作稳定可靠;·可以实现凯文接线;结构严谨,安装方便,维护简单;·工艺考究,能在酸、碱、尘、盐雾及潮湿等恶劣环境下长期工作。
三相交流电源避雷器技术参数:型号AM100A AM80B AM60C AM40D AM40C 标称工作电压Un220V最大持续工作电压Uc320V/385V标称放电电流50kA40kA30kA20kA20kA (In8/20μs)最大放电电流100kA80kA60kA40kA40kA (Imax8/20μs)保护模式L1,L2,L3,N-PE L1,L2,L3,-NN-PEL,N-PEL-NN-PEL,N-PE保护水平Up(8/20μs In)≤2000V≤18001500响应时间≤25ns外形尺寸90*145*6390*145*6390*36*69接线线径25mm225mm216mm210mm2防护等级IP20安装方式35mm导轨安装工作环境环境温度:-40℃~+85℃;相对湿度:≤95%(25℃);海拔≤3km 注:产品规格可能不定期更新,请咨询安普迅公司了解详情。
德国OBO HFA-385/3+NPE 限压型电源防雷器选型表HFA20是专为高要求应用环境而设计的高性能限压型电源防雷器,安装于建筑物内LPZ1-LPZ2,LPZ2-LPZ3交界处的配电柜,适用于机房,铁道,石化等行业;优质配置:采用高灵敏度防雷核心芯片,反应速度快;高通流量,后续速断电流能力强;模块化设计,可带电插拔,便于安装、维护。
技术参数型号HFA-385/3+NPE按VDEC675 Part16的分类级别C类保护模式L-N,N-PE持续工作电压Uc 385V安装位置 LPZ LPZ 1→2标称放电电流(8/20) In 20KA放电电流(8/20)40KA电压保护水平Up ≤1.8kV响应时间TA ≤25ns后备保护125A gL工作温度范围:υ -40℃到+80℃保护等级IP20安装方式35 mm导轨(符合EN 50062)接线线径(L/N) 2.5-3.5mm2保留技术更改权间隙型电源B级单线保护防雷器,过电压保护器,浪涌保护器,电涌保护器,避雷器MCD50-B间隙型电源B级单线保护防雷器,避雷器,过电压保护器,浪涌保护器,电涌保护器避雷器MCD125-B/NPE间隙型电源B级单线保护防雷器,避雷器,过电压保护器,浪涌保护器,电涌保护器避雷器MC50-B间隙型电源B级单线保护防雷器,避雷器,过电压保护器,浪涌保护器,电涌保护器避雷器MC125-B/NPE退藕器LA60-B退藕器LC-63单线B级保护防雷器,避雷器,过电压保护器,浪涌保护器,电涌保护器V25-B/0模块单相二线B级保护防雷器,避雷器,过电压保护器,浪涌保护器,电涌保护器V25-B/1 单相二线B级保护防雷器,避雷器,过电压保护器,浪涌保护器,电涌保护器V25-B/2 三相三线B级保护防雷器,避雷器,过电压保护器,浪涌保护器,电涌保护器V25-B/3 加强型单相二线B级保护防雷器,避雷器,过电压保护器,浪涌保护器,电涌保护器V25-B/1+NPE加强型三相四线B级保护防雷器,避雷器,过电压保护器,浪涌保护器,电涌保护器V25-B/3+NPE单线B级保护带遥信触点防雷器,避雷器,过电压保护器,浪涌保护器,电涌保护器V25-B/2-FS单相二线B级保护带遥信触点防雷器,避雷器,过电压保护器,浪涌保护器,电涌保护器V25-B/3-FS单相二线B级保护带遥信触点防雷器,避雷器,过电压保护器,浪涌保护器,电涌保护器V25-B/1+NPE/FS三相四线B级保护带遥信触点防雷器,避雷器,过电压保护器,浪涌保护器,电涌保护器V25-B/3+NPE/FS单相二线B级保护带声光报警防雷器,避雷器,过电压保护器,浪涌保护器,电涌保护器V25-B/2-AS单相二线B级保护带声光报警防雷器,避雷器,过电压保护器,浪涌保护器,电涌保护器V25-B/1+NPE/AS三相四线B级保护带声光报警防雷器,避雷器,过电压保护器,浪涌保护器,电涌保护器V25-B/3+NPE/AS故障遥信及电压监控报警装置V25-B/4-FS-SU防雷器,避雷器,过电压保护器,浪涌保护器,电涌保护器模块V25-B+C/0模块单相二线B级保护防雷器,避雷器,过电压保护器,浪涌保护器,电涌保护器V25-B +C/1单相二线B级保护防雷器,避雷器,过电压保护器,浪涌保护器,电涌保护器V25-B +C/2加强型三相三线B级保护防雷器,避雷器,过电压保护器,浪涌保护器,电涌保护器V25-B+C/3单相二线B级保护防雷器,避雷器,过电压保护器,浪涌保护器,电涌保护器V25-B +C/1+NPE加强型三相三线B级保护防雷器,避雷器,过电压保护器,浪涌保护器,电涌保护器V25-B+C/3+NPE单相二线B级保护带遥信触点防雷器,避雷器,过电压保护器,浪涌保护器,电涌保护器V25-B+C/2-FS三相三线B级保护带遥信触点防雷器,避雷器,过电压保护器,浪涌保护器,电涌保护器V25-B+C/3-FS单相二线B级保护带遥信触点防雷器,避雷器,过电压保护器,浪涌保护器,电涌保护器V25-B+C/1+NPE/FS三相四线B级保护带遥信触点防雷器,避雷器,过电压保护器,浪涌保护器,电涌保护器V25-B+C/3+NPE/FS单相二线B级保护带声光报警防雷器,避雷器,过电压保护器,浪涌保护器,电涌保护器V25-B+C/2-AS单相二线B级保护带声光报警防雷器,避雷器,过电压保护器,浪涌保护器,电涌保护器V25-B+C/1+NPE/AS三相四线B级保护带声光报警防雷器,避雷器,过电压保护器,浪涌保护器,电涌保护器V25-B+C/3+NPE/AS故障遥信及电压监控报警装置V25-B+C/4-FS-SU。
避雷器的选择方法避雷器如何选择1按额定电压选择:要求避雷器额定电压与系统额定电压一致;2校验最大允许电压:核对避雷器安装地点可能出现的导线对地最大电压,是否不超过避雷器的最大工作电压;导线对地最大电压与系统中性点是否接地及系统参数有关:①中性点不接地系统:导线对地最大电压为系统电压的1.1倍,所以一般没有问题;②中性点经消弧线圈或高阻抗接地系统:一般选择避雷器的最大工作电压等于线电压;③中性点直接接地系统:国产避雷器的中性点直接接地系统中其最大工作电压等于系统电压的0.8倍,所以按额定电压选择是没有问题的;3校验工频放电电压:①在中性点绝缘或经阻抗接地的系统中,工频放电电压应大于相电压的3.5倍;在中性点直接接地的系统中,工频放电电压应大于相电压的3倍;②工频放电电压应大于最大工作电压的1.8倍防雷器 ,又称避雷器、浪涌保护器、电涌保护器、过电压保护器等,主要包括电源防雷器和信号防雷器,防雷器是通过现代电学以及其它技术来防止被雷击中的设备的损坏;避雷器中的雷电能量吸收,主要是氧化锌压敏电阻和气体放电管;基于防雷器的防护想要取得理想的效果,应注重“在合适的地方合理地装设合适的防雷器”,防雷器的选择十分重要;⒈进入建筑物的各种设施之间的雷电流分配情况如下:约有50%的雷电流经外部防雷装置泄放入地,另有50%的雷电流将在整个系统的金属物质内进行分配;这个估模式用于估算在LPAOA区、LPZOB区和LPZ1区交界处作等电位连接的防雷器的通流能力和金属导线的规格;该处的雷电流为10/35μs电流波形;在各金属物质中雷电流的分配情况下:各部分雷电流幅值取决于各分配通道有的阻抗与感抗,分配通道是指可能被分配到雷电流的金属物质,如电力线、信号线、自来水管、金属构架等金属管级及其它接地,一般仅以各自的接地电阻值就可以大致估算;在不能确定的情况下,可以认为接是电阻相等,即各金属管线平均分配电流;⒉在电力线架空引入,并且电力线可能被直击雷击中时,进入建筑物内保护区的雷电流取决于外引线路、防雷器放电支路和用户侧线路的阻抗和感抗;如内外两端阻抗一致,则电力线被分配到一半的直击雷电流;在这种情况下必须采用具有防直击雷功能的防雷器;⒊后续的估模式用于估LPZ1区以后防护区交界处的雷电流分配情况;由于用户侧绝缘阻抗远远大于防雷器放电支路与外引线路的阻抗,进入后续防雷区的雷电流将减少,在数值上不需特别估算;一般要求用于后续防雷区的电源防雷器的通流能力在20kA8/20μs以下,不需采用大通流能力的防雷器;后续防雷区防雷器的选择应考虑各级之间的能量分配和电压配合,在许多因素难以确定时,采用串并式电源防雷器是个好的选择;串并式是根据现代雷电防护中许多应用场合、保护范围层次区分等特点提出的概念相对于传统的并式防雷器而言;其实质是经能量配合和电压分配的多级放电器与滤波器技术的有效结合;串并式防雷有如下特点:应用广泛;不但可以按常规进行应用,也适合保护区难以区别的场所;感生退耦器件在瞬态过电压下的分压、延迟作用,以帮助实现能量配合;减缓瞬态干扰的上升速率,以实现低残压与长寿命以及极快的响应时间;⒋防雷器的其它参数选择取决于各个被保护物所在防雷区的级别,其工作电压以安装在引电路中所有部件的额定电压为准;串并式防雷器还需注意其额定电流;⒌影响电子线雷电流分配的其它因素:变压器端接地电阻降低将使电子线中分配电流增大;供电线缆的长度的增加将使电力线中分配电流减少,并使几要导线中有平衡的电流分配;过短的电缆长度和过低的中性线阻抗将使电流不平衡,从而引起差模干扰;供电线缆并接多用户将降低有效阻抗,导致分配电流增大,在连成网状的供电状态下,雷临时性流主要流入电力线,这是多数雷损发生在电力线处的原因;;。
深圳市安普迅通信技术有限公司是专业的防雷器生产厂商,主要的防雷系列有:AX电源防雷箱,AM电源防雷模块、AS信号防雷器、AR天馈防雷器、AJ监控系统三合一(二合一)集成防雷器、防雷插座(排插),千兆网防雷器,POE以太网供电防雷器,并对外提供OEM 等。
三相交流电源避雷器型号:三相交流电源避雷器型号技术参数:单相交流电源避雷器型号又称电源防雷模块,电涌保护器/避雷器型号|浪涌抑制器|避雷器型号|避雷器是安普迅公司生产的避雷器型号,品牌为安迅ANSUN单相交流电源避雷器型号技术参数:直流电源避雷器型号又称电源防雷模块,电涌保护器/避雷器型号|浪涌抑制器|避雷器型号|避雷器是安普迅公司生产的避雷器型号,品牌为安迅ANSUN直流电源避雷器型号主要性能参数光伏太阳能避雷器型号主要技术参数电源防雷插座技术参数网络信号避雷器型号网络信号避雷器型号技术参数视频信号避雷器型号技术参数控制信号避雷器型号技术参数工控模拟流量控制信号避雷器型号工业模拟流量控制信号避雷器型号技术参数音频信号避雷器型号又叫电话线避雷器型号,音频避雷器,通道避雷器型号。
安普迅是专业生产避雷器型号的避雷器型号生产厂家。
音频信号避雷器型号技术参数电话交换机避雷器型号电话防雷排插串口信号避雷器型号又叫RS232信号避雷器型号或DB头串口信号避雷器型号串口信号避雷器型号技术参数开关型天馈避雷器型号又叫:天馈避雷器/开关型天馈避雷器型号/放电管型天馈避雷器型号/天馈线避雷器三合一监控避雷器型号又叫三合一CCTV视频避雷器型号,三合一避雷器型号,球机避雷器型号,CCTV三合一避雷器型号,监控三合一避雷器,电源视频控制三合一避雷器型号,避雷器。
安普迅是专业的避雷器型号生产厂家,深圳知名防雷公司,专业生产各种型号避雷器型号,品牌为安迅ANSUN.提供5年质保服务。
123监控二合一避雷器型号监控二合一避雷器型号又叫二合一避雷器型号,监控摄像机避雷器型号和电源视频二合一避雷器型号。
金属氧化物避雷器的选择避雷器是电力系统中主要的防雷保护装置之一,只有正确地选择避雷器,方能发挥其应有的防雷保护作用。
1、无间隙金属氧化物避雷器的选择选择的一般要求如下:(1)、应按照使用地区的气温、海拔、风速、污秽以及地震等条件确定避雷器使用环境条件,并按系统的标称电压、系统最高电压、额定频率、中性点接地方式,短路电流值以及接地故障持续时间等条件确定避雷器的系统运行条件。
(2)、按照被保护的对象确定避雷器的类型。
(3)、按长期作用于避雷器上的最高电压确定避雷器的持续运行电压。
(4)、按避雷器安装地点的暂时过电压幅值和持续时间选择避雷器的额定电压。
(5)、估算通过避雷器的放电电流幅值,选择避雷器的标称放电电流。
(6)、根据被保护设备的额定雷电冲击耐受电压和额定操作冲击耐受电压,按绝缘配合的要求,确定避雷器的雷电过电压保护水平和操作过电压保护水平。
(7)、估算通过避雷器的冲击电流和能量,选择避雷器的试验电流幅值,线路放电耐受试验等级及能量吸收能力。
(8)、按避雷器安装处最大故障电流,选择避雷器的压力释放等级。
(9)、按避雷器安装处环境污染程度,选择避雷器瓷套的泄漏比距。
(10)、按避雷器安装的引线拉力、风速和地震等条件,选择它的机械强度。
(11)、当避雷器不满足绝缘配合要求时,可采取适当降低其额定电压或标称放电电流等级或提高被保护设备的绝缘水平等补救措施。
2、主要特性参数选择(1)、持续运行电压Uc中性点直接接地系统的相对地无间隙金属氧化物避雷器,其Uc可按不低于系统最高相电压选取。
在中性点非直接接地系统,如单相接地故障能在10s以内切除,其Uc仍可按不低于选取,但由于我国大部分中性点非直接接地系统中允许带接地故障运行2h以上,因此Uc可按以下原则选取:10s及以内切除故障2h及以上切除故障3~10kV 1.0~1.1U L,35~66kV Uc≥U L至于10s~2h之间,可按2h以上选取,也可参照避雷器的工频电压耐受特性曲线选取。
10kV并联电抗器回路避雷器参数选择10kV并联电抗器的投切引起的过电压会导致真空断路器的重击穿,配置相应的避雷器可限制过电压、保护设备,本文探讨10kV并联电抗器回路无间隙氧化锌避雷器主参数的选择。
标签:并联电抗器过电压氧化锌避雷器参数选择1. 概述广州供电局220kV变电站一般设置220kV、110kV、10kV三个电压等级,部分站点根据系统无功补偿的计算结果,需要在变低10kV侧配置10kV并联电抗器组。
10kV并联电抗器为带绕组设备,具备电感元件的储能特性,在投切时会引起过电压。
因10kV配电装置一般采用移开式开关柜,配置真空开关,在开断较大容量的无功补偿设备时,断口容易发生击穿,对设备绝缘造成危害。
常规的处理方式是在10kV并联电抗器回路的出线侧配置避雷器,以限制过电压,释放磁能。
本文主要探讨该避雷器的参数选择。
2. 10kV并联电抗器的参数3. 10kV避雷器的安装位置断路器在开断并联电抗器时可能发生截流,其截流过电压出现在并联电抗器侧,标准的10kV干式铁心并联电抗器(三相一体式)不带中性点引出线。
故10kV避雷器必须安装在开关出线侧,并设置在并联电抗器的电源侧,具体为:在10kV开关柜的电缆室出线端子旁并接10kV避雷器;或在10kV并联电抗器的电缆接头处并接10kV避雷器。
避雷器每相安装一台,接于相线及地之间。
4. 10kV避雷器的参数选择4.1 10kV避雷器的选型无间隙氧化锌避雷器结构简单,保护性能好,吸收能量大,运行检测方便,非常适合在变电站内使用,选用最为合理的选择。
4.2 避雷器的持续运行电压Uc运行电压直接作用在避雷器的电阻片上,会引起电阻片的劣化,为保证一定的使用寿命,长期作用在避雷器上的电压不得超过避雷器的持续运行电压,以免引起电阻片的过热和热崩溃。
按《交流电气装置的过电压保护和绝缘配合》的规定,对低电阻接地系统,无间隙氧化锌避雷器的持续运行电压Uc≥0.8Um=0.8×12kV=9.6kV。
三相电源防雷器参数
《三相电源防雷器参数》
三相电源防雷器是一种保护设备,它能够有效地防止电网中的过电压和过电流,保护设备和电网免受雷击的损害。
三相电源防雷器的参数有电压、电流、功率、抗扰度、延时时间等。
电压参数是指防雷器能够承受的最大电压,一般情况下,三相电源防雷器的电压参数为220V-380V,也可以根据客户的需要设置更高的电压参数。
电流参数是指三相电源防雷器能够承受的最大电流,一般情况下,三相电源防雷器的电流参数可以达到40A,也可以根据客户的需要设置更高的电流参数。
功率参数是指三相电源防雷器能够承受的最大功率,一般情况下,三相电源防雷器的功率参数为1.5KW,也可以根据客户的需要设置更高的功率参数。
抗扰度参数是指三相电源防雷器能够承受的最大抗扰度,一般情况下,三相电源防雷器的抗扰度参数可以达到2KV,也可以根据客户的需要设置更高的抗扰度参数。
延时时间参数是指三相电源防雷器能够承受的最大延时时间,一般情况下,三相电源防雷器的延时时间参数为20ms,也可以根据客户的需要设置更高的延时时间参数。
三相电源防雷器的参数是保护电网和设备免受雷击的关键参数,因此在选择三相电源防雷器时,应该根据实际情况选择合适的参数,以确保防雷器的良好性能。
电源防雷器的技术参数和要求深圳市瑞隆源电子有限公司浪涌防护器(防雷器) 避雷器的主要技术参数包括以下几个方面:1、防护水平(残压)Up浪涌防护器在通过浪涌电流时,保护器两端的电压差称残压。
防护水平是指在额定放电电流时,防护端的残压水平,即瞬时钳位电压的钳制能力。
这是选择浪涌保护器的一个重要指标,因为电气、电子设备只能承受一定范围的瞬时过电压,如电话交换机要求小于1000V,主机控制部份要求<700V,否则有可能导致设备的损坏。
2、电压标称电压Un:与被防护系统的额定电压相符,例如:230/380V。
工作电压:在电网电压波动范围内具备正常运行的能力。
最大持续运行电压Uc:加在浪涌防护器接线端的最大连续工作电压的有效值。
Uc值必须与标称电压相符,在使用说明的规定范围内。
3、噪音衰耗浪涌瞬态过压一般都会引起微波和瞬态高频噪音,如果浪涌防护器不采用高频滤波器模块对微波和高频噪音进行过滤,就会导致系统紊乱和电子元件老化。
这是浪涌防护系统的安全、可靠的一项重要指标。
4、最大浪涌电流(放电电流)Imax最大浪涌电流是指浪涌防护器处理瞬态过压的最大工作电流。
浪涌电流Imax越大,浪涌防护器的可靠性越高。
当然,选择容量大小决定雷区浪涌的强弱、防护设备的重要性和经济价值等因素。
5、保护模式为保证被防护系统的安全,在三相四线并带地线的电源中必须采用全模式结构的浪涌防护系统。
6、响应时间ta浪涌防护器的响应时间必须比浪涌电流的速度快,是浪涌防护器的一项重要指标,它反映浪涌防护器的特性。
响应时间越小,抑制浪涌瞬态电压的速度就越快。
一般由计算机控制的电子设备,其浪涌防护器的响应时间应<10ns,这样才能达到保护电子设备的目的。
7、自动防故障保护浪涌防护器必须具有自动防故障保护功能。
8、浪涌防护能力(寿命)浪涌防护器在某波形(通常为10kA 8/20μs 20kV波形)下所承受的冲击次数。
9、绝缘电阻:≥1000MΩ10、浪涌防护器的辅助功能状态显示、音响报警、浪涌计数及远程监控功能。
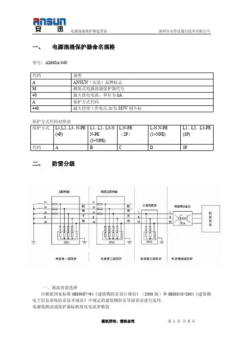
电源防雷器的选型1、电源防雷器的分类 1)按产品性能分类:电压开关型SPD——采用放电间隙技术,可最大限度的消除电网后续电流,疏导10/350μs的模拟雷电冲击电流,按照IEC61312-3的要求,一般用在LPZOB-LPZ1区中电源系统的防雷器。
(亦称短路型SPD)产品特点:雷电通流量大,无漏泄电流,多用于建筑物的总配电系统,实用于各种供电系统制式中。
电压限制型SPD——采用压敏器件,其可较大程度减低电网上的残压,疏导8/20μs的模拟雷电冲击电流,按照IEC61312-3的要求,一般用在LPZ1-LPZ2区中电源系统的防雷器。
产品特点:反应时间快,残压低,应用于TN制式保护效果较好。
(在TT制式中如有漏泄电流,可能引起地电位的升高)复合型SPD——由电压开关型组件和电压限制型组件组合而成的防雷器。
其特性随所加电压的特性可表现为电压开关型、电压限制型或两者特性皆有。
(通常指相线与零线之间采用压敏防雷模块,而零线与地线之间采用放电间隙防雷模块(NPE模块)的防雷器)产品特点:在接地阻抗高或地线接触不良的情况下,因防雷器接在相线与零线之间,而相线与零线回路阻抗主要是供电变压器和电缆,阻抗很低而故障电流很大,流经防雷器的电流可使前端保护断路器或熔断器动作,把防雷器与电网隔离。
2)按保护级别分类: 防雷器按IEC分类方法,分为I、II、III级(顺序对应为B、C、D三级)B级(第I级)防雷器——适用于LPZOA区或LPZOB区与LPZ1区交界面处的等电位连接,能承受直击雷的能量和释放部分直接雷击电流的防雷器。
C级(第II级)防雷器——适用于LPZ1区与LPZ2区交界面处的等电位连接,能够释放由远距离或传导雷击以及开关转换而引起的电涌的防雷器。
D级(第III级)防雷器——适用于LPZ2区与其后续防雷区交界面处的等电位连接,为了保护线路末端的单个负载而设计的防雷器。
3)按电源特性分类: 分为单相交流、三相交流和直流三种。
电源防雷器的选型
1、电源防雷器的分类
1)按产品性能分类:
电压开关型SPD——采用放电间隙技术,可最大限度的消除电网后续电流,疏导10/350μs的模拟雷电冲击电流,按照IEC61312-3的要求,一般用在LPZO B-LPZ1区中电源系统的防雷器。
(亦称短路型SPD)
产品特点:雷电通流量大,无漏泄电流,多用于建筑物的总配电系统,实用于各种供电系统制式中。
电压限制型SPD——采用压敏器件,其可较大程度减低电网上的残压,疏导8/20μs的模拟雷电冲击电流,按照IEC61312-3的要求,一般用在LPZ1-LPZ2区中电源系统的防雷器。
产品特点:反应时间快,残压低,应用于TN制式保护效果较好。
(在TT制式中如有漏泄电流,可能引起地电位的升高)
复合型SPD——由电压开关型组件和电压限制型组件组合而成的防雷器。
其特性随所加电压的特性可表现为电压开关型、电压限制型或两者特性皆有。
(通常指相线与零线之间采用压敏防雷模块,而零线与地线之间采用放电间隙防雷模块(NPE模块)的防雷器)
产品特点:在接地阻抗高或地线接触不良的情况下,因防雷器接在相线与零线之间,而相线与零线回路阻抗主要是供电变压器和电缆,阻抗很低而故障电流很大,流经防雷器的电流可使前端保护断路器或熔断器动作,把防雷器与电网隔离。
2)按保护级别分类:防雷器按IEC分类方法,分为I、II、III级(顺序对应为B、C、D三级)B级(第I级)防雷器——适用于LPZO A区或LPZO B区与LPZ1区交界面处的等电位连接,能承受直击雷的能量和释放部分直接雷击电流的防雷器。
C级(第II级)防雷器——适用于LPZ1区与LPZ2区交界面处的等电位连接,能够释放由远距离或传导雷击以及开关转换而引起的电涌的防雷器。
D级(第III级)防雷器——适用于LPZ2区与其后续防雷区交界面处的等电位连接,为了保护线路末端的单个负载而设计的防雷器。
3)按电源特性分类:分为单相交流、三相交流和直流三种。
4)按外形结构分类:分为模块式、箱式、插座式和机架式。
5)按接线方式分类:分为串联型和并联型。
2、电源防雷器技术参数的选择
1)最大持续运行电压(Uc)的选择
限压型电源防雷器的最大持续运行电压Uc,是影响防雷器运行稳定性的关键参数。
选型时除要符合相关标准要求外,还应考虑电网可能出现的正常波动及最高持续故障电压。
★在纵向保护模式中(L~N;L~PE;N~PE)Uc标称值应≮1.15U*(U*为220V);
★在横向保护模式中(L~L)Uc标称值应≮线间电压的1.15倍。
按照IEC61643-2的说明,在TT交流供电系统中,相线对地线的最高持续故障电压,可能达到标称电压(U N)(交流电压220Urms)的1.5倍,即有可能达到330Urms。
故此在电流不稳定的地方,建议选择电源防雷器的最大持续运行电压值Uc为385Urms的模块。
在直流电源系统中,并没有一个统一的最大持续运行电压值Uc与正常工作电压Un之比例,该比例一般可取1.5倍到2倍之间。
2)电压保护水平(Up)的选择
Us.max<Up<Uchoc (Us.max—电网的最高运行电压;Uchoc—被保护设备的冲击耐受电压)根据IEC60364-4,三相电网电压为230V/400V被保护设备冲击耐受电压(8/20µs)分为四类;
3)残压(Ures)的选择
单纯考虑防雷器残压越低越好,容易引起误导。
首先,不同产品标称的残压数值,必须注明测试电流的大小和波形,才能有一个共同比较的基础。
一般贯常以20KA(8/20μs)测试电流记录残压,作为比较。
其次,对于限压型防雷器选用残压越低时,通常意味其最大持续工作电压Uc越低。
因此,过分强调低残压,是需要付出降低最大持续工作电压Uc的代价。
换来的后果,可能是在市电不稳定地区,防雷器容易因长时间持续过电压而损坏。
按照经验,限压型防雷器残压在2KV以下(20KA;8/20μs),就能对用户设备提供足够的保护。
4)不同供电接地系统中电源防雷器的应用
TN-S制式
TN-C-S制式
5)模块式和箱式电源SPD的选择
模块式和箱式电源SPD最大区别在于体积大小和外壳防护等级。
模块式电源SPD安装体积小,多用于安装空间较小的环境,不宜安装在无人值守的机站和易燃易爆场所;
箱式电源SPD外壳多采用金属材料制成,有较高的外壳防护等级,防火防爆能力强。
6)声光/遥信报警功能的选择
为了监测防雷器的运行状况,当防雷器出现损坏时,用户能及时更换损坏的防雷模块。
在不同的应用环境下都可以实现即时监测,可需要选择合乎特定环境的报警装置。
★声光报警装置,适用在有人值守的环境;
★遥信报警装置,适用在无人值守的环境。