单向板计算书
- 格式:pdf
- 大小:97.66 KB
- 文档页数:7
单向板肋梁楼盖的计算书小组成员:纪昌建陈安羽李立斌舒海鹏姜庆涛罗斌时间:2011/12/22一、板计算根据题意可得:混泥土为C35 f c =19.1Kn/mm 2 f t =1.71 Kn/mm 2板厚:0h >=80mm>=(1/40)L ”=55mm b h 取80mm 次梁:h=(1/12~1/18)L=(525~350) h 取400mm b=(1/2~1/3)h=(200~133.3) b 取150mm 主梁:h=(1/8~1/14)L=(825~471) h 取600mm b=(1/2~1/3)h=(200~133mm) b 取200mm 荷载计算连续板的计算简图80mm 钢筋混凝土:24*0.08=1.922/mm kN25mm 水泥砂浆搅拌面:20*0.025=0.52/mm kN 20mm 厚混合砂浆拌灰:17*0.02=0.342/mm kN 15mm 厚混合砂浆抹灰:17*0.015=0.2552/mm kN 活荷载:q=4.82/mm kN恒荷载:1.92+0.5+0.34+0.255=3.0152/mm kN 1)由可变荷载控制的组合q+g=(1.3*4.8+1.2*3.015)=9.862/mm kN 2)由永久荷载控制的组合q+g=(1.35*3.015+1.3*4.8*0.7)=8.442/mm kN荷载组合值取由可变荷载控制的较大值g+q=9.862/mm kN 板的计算跨度中间跨;l=l=2200-150=2050mm边跨:l=l+h/2=(2200-75-120)+80/2=2045mm<=l+a/2=2005+60=2065mm故取l=2045mm 中间跨与边跨的高度差(2050-2045)/2200=0.227%<10%,可按等跨连续板进行计算连续板受力简图板的弯矩计算截面配筋计算二、次梁计算次梁计算简图连续板传来的荷载9.86KN/m次梁自重25*0.2*(0.4-0.08)=1.6KN/m次梁粉刷 1.7*0.002*(0.4-0.08)*2=0.2176KN/m恒荷载标准值11.68KN/m活荷载标准值 4.8*2.2=10.56KN/m可变荷载效应控制组合g+q=1.2*11.68+1.3*10.08=27.12KN/m永久荷载效应控制组合g+q=1.35*11.68+0.7*1.3*10.08=24.94KN/ml=6300-200=6100mm中间跨l=(6300-120-100)+240/2=6200 mm 边跨故边跨取6200mm(6200-6100)/6200=1.56%<10% 故可能用等跨连续梁计算内力次梁受力简图次梁弯矩计算次梁剪力计算截面承载计算次梁跨中按T 形截面计算21003/0=='l f b 215020001500=+=+s b b 取2100m梁高 h=400mm 360404000=-=h mm 翼缘厚 mm h f 80=次梁正截面受弯承载力计算次梁斜截面受剪承载力计算三、主梁计算主梁计算简图1.次梁恒载 11.68*6.3=73.58KN主梁自重 24*0..2*(0.45-0.08)*2.2=4.08KN 主梁粉刷 17*(0.45-0.08)*0.015*2..3*2=0.43KN g=73.58+4.08+0.43=78.09KN由次梁传来的荷载:q=10.56*6.3=66.528KN 组合:1.2*78.09+66.528*1.3=180.19KN 2.内力计算计算跨度:边跨 l n =6.6-0.12-0.4/2=6.28ml 0=1.025 +b/2=6.637m< Ln+a/2+b/2=6.665m中跨 l n =6.6m-0.4m=6.2ml 0 = l n +b=6.2+0.4=6.6m跨度差: (6.637-6.2)/6.6=0.61%<10% 可接连续板计算 M=0201Ql k Gl k + 剪力V=Q k G k 43+ 中间跨与边跨的平均跨度:(6.64+6.6)/2=6.62 边跨: 0l G •=93.71*6.64=622.23KN*m 0l Q •=86.49*6.64=574.29 KN*m 中间跨: 0l G •=93.71*6.6=618.49 KN*m 0l Q •=86.49*6.6=570.83 KN*m 支座B : 0l G • =93.71*6.62=620.36 KN*m 0l Q •=86.49*6.62=572.56 KN*m主梁正截面受弯承载力计算主梁斜截面受剪承载力计算板平法施工图梁平法施工图11。
混凝土结构班级:工程XXXX 姓名:郑 X X 导师: X X 日期:2013年6月26日单向板肋形楼盖设计计算书一、设计资料.1、某单层工厂仓库,采用砖混结构,层高 3.6m ,楼盖为现浇钢筋砼肋形楼盖,其结构平面布置如下图所示。
楼板活荷载标准值(4.5KN/m ²)。
屋面活荷载组合值系数为0.7。
B=5700mm ,L=5700mm 。
2、图示范围内未考虑楼梯间。
3、钢筋砼柱截面尺寸自定,柱下釆用独立基础,基顶标高为-1.200m 。
4、四周承重墙墙厚自定。
5、屋面做法: 30厚细石砼保护层(324m KN)二毡三油防水层(235.0m KN)20厚水泥砂浆找平层(320m KN )钢筋砼板(325m KN)10厚混合砂浆顶棚抹灰(317m KN)二、计算过程 1、结构方案选择柱网尺寸为5700mm ×5700mm主梁间距为:5700mm ,次梁间距为:1900mm 柱的截面尺寸:300mm ×300mm梁、板截面尺寸选择:板厚h=80;次梁为bxh=180mm ×360mm ,主梁为:bxh=220mm ×600mm板伸入墙内185mm ;次梁,主次梁伸入墙内250mm ,墙厚370mm 。
三、 板的计算2.1板的设计值30厚细石砼保护层(324mKN ) 0.03×24 KN/m 3=0.72KN/m ² 二毡三油防水层(235.0m KN) 0.35KN/m ²20厚水泥砂浆找平层(320mKN ) 0.02×20 KN/m 3 =0.4KN/m ² 100厚钢筋砼板(325m KN) 0.08×25 KN/m 3 =2.5KN/m ²10厚混合砂浆顶棚抹灰(317m KN) 0.01×17 KN/m 3=0.17KN/m ²恒荷载标准值: g k =3.64KN/m ² 活荷载标准值: q k =4.5KN/m ²对于由可变荷载效应控制的组合201 1.2 3.64 1.3 4.510.218/g gk q qk S S S KN m γγγ=+=⨯+⨯=对于由永久荷载效应控制的组合202 1.35 3.640.7 1.3 4.59.009/g gk C q qk S S S KN m γγϕγ=+=⨯+⨯⨯=因此,荷载实际值为10.218 KN/m ² 2.2内力计算板的两个边长比:215.7321.9l n l ===>,故按单向板计算计算跨度边跨 n l =1900-185-180/2=1625mm0n l =l +0.5h=1625+80/2=1665mm中间跨 0l =1900-180=1720mm跨度差172016653303%10%1665-=<.故可按等跨连续板计算内力,取1m 板带作为计算单元材料选择:混凝土C25(f c =11.9 N/mm 2;f t =1.27 N/mm 2);钢筋HPB300(f y =270 N/mm 2);b=1000mm ;h=80mm ;h 0=80-25=55mm ;a 1=1.0边区板带(①-②,⑤-⑥轴线间)1)边跨跨中:M=2.58KN ·m 1、求x:0(155(1x h ==⨯ 04.460.350.355519.25mm h mm =<=⨯= 2、求As :21 1.011.91000 4.46196.6270c yf bxAs mm f α⨯⨯⨯==={}min max 0.2%,45/0.21%t y f f ρ==22min 0.21%100080168196.6bh mm mm ρ=⨯⨯=<3、选配钢筋:查附表11:选φ8@200,As=2512mm 2)B 支座:M=-2.16 KN ·m 1、求x :0(155(1x h ==⨯03.430.350.355519.25mm h mm =<=⨯=2、求As :21 1.011.91000 3.43151270c yf bxAs mm f α⨯⨯⨯==={}min max 0.2%,45/0.21%t y f f ρ== 22min 0.21%100080168151bh mm mm ρ=⨯⨯=>取As =2min0.21%100080168bh mm ρ=⨯⨯=故按照构造配筋 3、选配钢筋:查附表11:选φ8@200,As=2512mm (d 不小于8mm ,间距不小于200) 3)离端第二跨跨中、中间跨跨中:M=1.89 KN ·m 1、求x :0(155(1x h ==⨯02.820.350.355519.25mm h mm =<=⨯=2、求As :21 1.011.91000 2.82124270c yf bxAs mm f α⨯⨯⨯==={}min max 0.2%,45/0.21%t y f f ρ==22min 0.21%100080168124bh mm mm ρ=⨯⨯=> 取As =2min 0.21%100080168bh mm ρ=⨯⨯=故按照构造配筋 3、选配钢筋查附表11:选φ8@200,As=2512mm (d 不小于8mm ,间距不小于200) 4)中间C 支座:M=-1.89 KN ·m 1、求x :0(155(1x h ==⨯02.820.350.355519.25mm h mm =<=⨯=2、求As :21 1.011.91000 2.82124270c yf bxAs mm f α⨯⨯⨯==={}min max 0.2%,45/0.21%t y f f ρ==22min 0.21%100080168124bh mm mm ρ=⨯⨯=>取2min 0.21%100080168As bh mm ρ==⨯⨯= 故按照构造配筋 3.、选配钢筋查附表11:选φ8@200,As=2512mm (d 不小于8mm ,间距不小于200)中间板带(②-⑤轴线间)计算与边区板块相同 1)边跨跨中:M=2.58KN ·mAs=196.62mm选配:φ8@200,As=2512mm 。
混凝土单向板肋梁楼盖设计某多层厂房的建筑平面如图所示,环境类别为一类,楼梯设置在旁的跗属房屋。
楼面均布可变荷载标准值为5kN/m²,楼盖拟采用现浇钢筋混凝土单向板肋梁楼盖。
试进行设计,其中板、次梁按考虑塑性力重分布设计,主梁力按弹性理论计算。
L1×L2=31.2m×18.9m1.设计资料(1)楼面做法:水磨石面层;钢筋混凝土现浇板,20mm混合砂浆抹底。
(2)材料:混凝土C3O,梁钢筋采用HRB400级钢筋,板采用HPB300级钢筋。
2.楼盖的结构平面布置。
主梁沿横向布置,次梁沿纵向布置。
主梁跨度为 6.3m,次梁的跨度为6.3m,主梁每跨布置两根次梁,板的跨度为6.3/3=2.1m,2o l/1o l=6.3/2.1=3,因此按单向板设计。
按跨高比条件,连续板板厚h≥2100/30=70mm,对工业建筑的楼盖板,要求h≥70mm,取板厚h=80mm。
(注:在民用建筑中,楼板往往要双向布置电线管,故板厚常不宜小于100mm。
)次梁截面高度应满足h=o l/18~o l/12=6300/18~6300/12=350~525mm。
考虑到楼面可变荷载比较大,取h=500mm。
截面宽度取b=200mm 主梁截面高度应满足h=o l/15~o l/10=6300/15~6300/10=420~630mm。
取h=600mm截面宽度为b=300mm。
楼盖结构平面布置图见附件3.板的设计(1)荷载恒荷载标准值:水磨石面层 0.65kN/㎡80mm 钢筋混凝土板 0.08×25KN/m³=2.0kN/㎡20㎜混合砂浆 0.02×17KN/m³=0.34kN/㎡小计 2.99kN/㎡板的可变荷载标准值 5.0kN/㎡永久荷载分项系数取1.2;因楼面可变荷载标准值等于4.0kN/2m,所以可变荷载分项系数应取1.3。
于是板的永久荷载设计值g=2.99x1.2=3.59kN/m可变荷载设计值q=5x1.3=6.5kN/mg =10.09KN/m,近似取为g+q=10.0kN/m荷载总设计值q(2)计算简图按照塑性力重分布设计。
单向板肋梁楼盖的计算书小组成员:纪昌建陈安羽李立斌舒海鹏姜庆涛罗斌时间:2011/12/22一、板计算根据题意可得:混泥土为C35 f c =19.1Kn/mm 2 f t =1.71 Kn/mm 2板厚:0h >=80mm>=(1/40)L ”=55mm b h 取80mm 次梁:h=(1/12~1/18)L=(525~350) h 取400mm b=(1/2~1/3)h=(200~133.3) b 取150mm 主梁:h=(1/8~1/14)L=(825~471) h 取600mm b=(1/2~1/3)h=(200~133mm) b 取200mm 荷载计算连续板的计算简图80mm 钢筋混凝土:24*0.08=1.922/mm kN25mm 水泥砂浆搅拌面:20*0.025=0.52/mm kN 20mm 厚混合砂浆拌灰:17*0.02=0.342/mm kN 15mm 厚混合砂浆抹灰:17*0.015=0.2552/mm kN 活荷载:q=4.82/mm kN恒荷载:1.92+0.5+0.34+0.255=3.0152/mm kN 1)由可变荷载控制的组合q+g=(1.3*4.8+1.2*3.015)=9.862/mm kN 2)由永久荷载控制的组合q+g=(1.35*3.015+1.3*4.8*0.7)=8.442/mm kN荷载组合值取由可变荷载控制的较大值g+q=9.862/mm kN 板的计算跨度中间跨;l=l=2200-150=2050mm边跨:l=l+h/2=(2200-75-120)+80/2=2045mm<=l+a/2=2005+60=2065mm故取l=2045mm 中间跨与边跨的高度差(2050-2045)/2200=0.227%<10%,可按等跨连续板进行计算连续板受力简图板的弯矩计算截面配筋计算二、次梁计算次梁计算简图连续板传来的荷载9.86KN/m次梁自重25*0.2*(0.4-0.08)=1.6KN/m次梁粉刷 1.7*0.002*(0.4-0.08)*2=0.2176KN/m恒荷载标准值11.68KN/m活荷载标准值 4.8*2.2=10.56KN/m可变荷载效应控制组合g+q=1.2*11.68+1.3*10.08=27.12KN/m永久荷载效应控制组合g+q=1.35*11.68+0.7*1.3*10.08=24.94KN/ml=6300-200=6100mm中间跨l=(6300-120-100)+240/2=6200 mm 边跨故边跨取6200mm(6200-6100)/6200=1.56%<10% 故可能用等跨连续梁计算内力次梁受力简图次梁弯矩计算次梁剪力计算截面承载计算次梁跨中按T 形截面计算21003/0=='l f b 215020001500=+=+s b b 取2100m梁高 h=400mm 360404000=-=h mm 翼缘厚 mm h f 80=次梁正截面受弯承载力计算次梁斜截面受剪承载力计算三、主梁计算主梁计算简图1.次梁恒载 11.68*6.3=73.58KN主梁自重 24*0..2*(0.45-0.08)*2.2=4.08KN 主梁粉刷 17*(0.45-0.08)*0.015*2..3*2=0.43KN g=73.58+4.08+0.43=78.09KN由次梁传来的荷载:q=10.56*6.3=66.528KN 组合:1.2*78.09+66.528*1.3=180.19KN 2.内力计算计算跨度:边跨 l n =6.6-0.12-0.4/2=6.28ml 0=1.025 +b/2=6.637m< Ln+a/2+b/2=6.665m中跨 l n =6.6m-0.4m=6.2ml 0 = l n +b=6.2+0.4=6.6m跨度差: (6.637-6.2)/6.6=0.61%<10% 可接连续板计算 M=0201Ql k Gl k + 剪力V=Q k G k 43+ 中间跨与边跨的平均跨度:(6.64+6.6)/2=6.62 边跨: 0l G •=93.71*6.64=622.23KN*m 0l Q •=86.49*6.64=574.29 KN*m 中间跨: 0l G •=93.71*6.6=618.49 KN*m 0l Q •=86.49*6.6=570.83 KN*m 支座B : 0l G • =93.71*6.62=620.36 KN*m 0l Q •=86.49*6.62=572.56 KN*m主梁正截面受弯承载力计算主梁斜截面受剪承载力计算板平法施工图梁平法施工图11。
单向板楼盖设计计算书解:一、板的设计:1:确定板厚及次梁截面1 板厚hh≥1/40=2000/40=50mm,并应不小于民用建筑楼面最小厚度70mm,取h=80mm。
②次梁截面b×h次梁截面高h按1/20~1/12初估,选h=450mm,截面宽b=(1/2~1/3)h,选b=200mm。
图1:板的计算简图4)弯矩及配筋计算取板的截面有效高度h0=h-20=60mm,并考虑②~⑤轴线间的弯矩折减,可列表计算如下(表1)。
对四周与梁整浇的单向板跨中和中间支座处,弯矩可减少20%(如上表1中括号数字),也可直接采用钢筋面积折减,即将非折减处的钢筋面积直接乘以0.8这样计算简便些,且误差不大,偏于安全。
表1:板的配筋设计注:①括号内数字用于②~⑤轴间。
2 ρminbh=75mm2。
在一般情况下,楼面所受动力荷载不大,可采用分离式配筋。
本例采用的配筋图如图2所示。
图2:板配筋平面图(分离式)板配筋选择法:板的配筋用间距s表示。
在求出钢筋面积As后,习惯上是通过查“板配筋表”得到间距的(附表11);通过该表的编制可知间距s、钢筋直径d、计算面积As的关系是:故在算出钢筋面积后,可将其存储于计算器内,然后选择常用直径d与28相乘,再平方;然后除以As即得间距s,此法快速方便,可称为板配筋的“28d”法。
二、次梁设计(按塑性理论计算)1 计算简图的确定②主梁截面尺寸选择主梁截面高度h为(1/14~1/18)l0=430~750mm,选h=600mm;由b=(1/2~1/3)h,选b=250mm;则主梁截面尺寸b×h=250mm×600mm③计算简图根据平面布置及主梁截面尺寸,可得出次梁计算简图(图2.28)。
中间跨的计算跨度l0 l0=5.75mm;边跨的计算跨度l0=ln+a/2=5.88mm<1.025 ln=5.9m。
边跨和中间跨计算跨度相差2.2%,可按等跨连续梁计算。
图2:次梁计算简图的确定(a)尺寸及支承情形;(b)计算简图2)内力及配筋计算①正截面承载力计算次梁跨中截面按T形截面计算,翼缘计算宽度按规定(附表12)有:以此作为判别T形截面类别的依据。
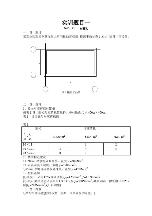
实训题目一2010、12 付丽文一、设计题目某工业用现浇钢筋混凝土单向板助形楼盖,楼盖平面如图1所示,试设计该楼盖。
图3-1 楼盖平面图二、设计资料1、楼面可变荷载标准值按表1设计题号对应荷载值选择,中柱断面尺寸400m×400m。
表1设计题号对应荷载值1)20mm厚水泥砂浆面层,重度γ=20KN/m32)钢筋混凝土现板,重度γ=25KN/ m3。
3)15mm厚混合砂浆板底抹灰,重度γ=17KN/ m33、材料选用(1)混凝土采用C20(可以调整)(f C=9.6N/mm2, f t=1.1N/mm2)(2)钢筋梁中受力钢筋采用HRB335级(f y=300N/mm2,)其余钢筋一律采用HPB235级(f y =210N/mm2,)(可以调整)三、设计内容1)结构平面布置(柱网布置,主梁、次梁及板的布置。
)_2)板的内力计算、配筋计算(按塑性理论计算内力)3)次梁的内力计算、配筋计算(按塑性理论计算内力)4)主梁的内力计算、配筋计算(按弹性理论计算内力)5)绘制结构施工图(图幅比例可以自行掌握)①结构平面布置(比例1:100,可以在此图中画出板的配筋图)。
②次梁配筋图(比例1:50、1:25)。
③主梁配图及M、V包络图(比例1:40、1:20)④钢筋明细表及必要的说明。
四、设计要求(1)计算书要求书写工整、数字准确、画出必要的计算简图。
(2)制图要求所有图线、图例尺寸和标注方法均应符合国家现行的建筑制图标准,图样上所有汉字和数字均应书写端正、排列整齐、笔画清晰,中文书写为长仿宋字。
解:一、选择题目选设计任务书中的第4组题目,l1=30m,l2=20.7m二、结构平面布置结构平面布置如图1所示。
三、单向板的设计1、板厚及主次粱截面尺寸多跨连续板的厚度按不进行挠度验算条件不小于l0/40,同时对于现浇工业建筑单向楼板厚度不小于70mm.222222000000/26.0/17015.0153/00.2/2508.080)2(/40.0/2002.02015594%,10%95.02100/21002120.2120,2140)2/1202/2001202300(2/2120)2/802/2001202300(2/)2/2/(2100)2002300(32250,325~217650)2/1~3/1()2/1~3/1(650,863~4936900)8/1~14/1()8/1~14/1(200,225~150450)2/1~3/1()2/1~3/1(.450,5003336000)12/118/1()12/118/1(.80,5.57)40/2300(40/m KN m KN mm m KN m KN mm m KN m KN mm mm l mm mm a l mm mm h l a h l l mm mm l l mm b mm mm h b mm h mm mm l h mm b mm mm h b mm h mm mm l h mm h mm mm l n n n n =⨯=⨯=⨯<=-==+--=+=+--=++==-====⨯====⨯====⨯===-=⨯-=-====厚混合沙浆板底抹灰)(钢筋混凝土现浇板厚水泥沙浆面层)(、荷载计算跨连续板计算。
一、设计资料某建筑现浇钢筋混凝土楼盖,建筑轴线及柱网平面见图14-37。
层高4.5m。
楼面可变荷载标准值5kN/,其分项系数1.3。
楼面面层为30mm厚现制水磨石,下铺70mm厚水泥石灰焦渣,梁板下面用20mm厚石灰砂浆抹灰梁、板混凝土均采用C25级;钢筋直径≥12mm时,采用HRB335钢,直径<12mm,采用HPB235钢。
二、结构布置楼盖采用单向板肋形楼盖方案,梁板结构布置及构件尺寸见图14-37。
图14-37 单向板肋形楼盖结构布置三、板的计算板厚80mm。
板按塑性内力重分布方法计算,取每m宽板带为计算单元,有关尺寸及计算简图如图14-38所示。
图14-38 板的计算简图1.荷载计算30mm现制水磨石0.65kN/ 70mm水泥焦渣14kN/×0.07m=0.98 kN/ 80mm钢筋混凝土板25kN/×0.08m=2 kN/ 20mm石灰砂浆17kN/×0.02m=0.34 kN/恒载标准值=3.97 kN/活载标准值=5.0 kN/荷载设计值p=1.2×3.97+1.3×5.0=11.26 kN/每米板宽p=11.26 kN/ 2.内力计算计算跨度板厚h=80mm,次梁b×h=200mm×450mm边跨=2600-100-120+=2420mm中间跨=2600-200=2400mm跨度差(2420—2400)/2400=0.83<10%,故板可按等跨连续板计算。
板的弯矩计算截面位置弯矩系数M=边跨跨中×11.26×=5.99B支座×11.26×=-4.67中间跨跨中×11.26×=4.05中间C支座×11.26×=-4.05 3.配筋计算b=1000mm,h=80mm,=80-20=60mm,=11.9,=1.27,=210截面位置M(kN·m)==1-=()实配钢筋边跨跨中 5.99 0.140 0.151 51310@140,561B支座-4.67 0.109 0.116 3948/10@140460中间跨跨中①-②④-⑤轴线间4.05 0.095 0.1 3408@140,359②-④轴线间4.05×0.8 0.076 0.079 2696/8@140,281中间C支座①-②④-⑤轴线间-4.05 0.095 0.1 340 8@140,359②-④轴线间-4.05×0.80.076 0.079 269 6/8@140,281其中均小于0.35,符合塑性内力重分布的条件。
LB-1矩形板计算项目名称_____________日期_____________设计者_____________校对者_____________一、构件编号: LB-1二、示意图三、依据规范《建筑结构荷载规范》 GB50009-2001《混凝土结构设计规范》 GB50010-2002四、计算信息1.几何参数计算跨度: Lx = 6000 mm; Ly = 2500 mm板厚: h = 100 mm2.材料信息混凝土等级: C25 fc=11.9N/mm2 ft=1.27N/mm2 ftk=1.78N/mm2Ec=2.80×104N/mm2钢筋种类: HRB335 fy = 300 N/mm2Es = 2.0×105 N/mm2最小配筋率: ρ= 0.200%纵向受拉钢筋合力点至近边距离: as = 20mm保护层厚度: c = 10mm3.荷载信息(均布荷载)= 1.200永久荷载分项系数: γG= 1.400可变荷载分项系数: γQ准永久值系数: ψq = 1.000永久荷载标准值: qgk = 10.000kN/m2可变荷载标准值: qqk = 4.000kN/m24.计算方法:弹性板5.边界条件(上端/下端/左端/右端):固定/固定/固定/固定6.设计参数结构重要性系数: γo = 1.00泊松比:μ = 0.200五、计算参数:1.计算板的跨度: Lo = 2500 mm2.计算板的有效高度: ho = h-as=100-20=80 mm六、配筋计算(lx/ly=6000/2500=2.400>2.000,所以选择多边支撑单向板计算):1.Y向底板配筋1) 确定底板Y向弯距My = (γG*qgk+γQ*qqk)*Lo2/24= (1.200*10.000+1.400*4.000)*2.52/24= 4.583 kN*m2) 确定计算系数αs = γo*My/(α1*fc*b*ho*ho)= 1.00*4.583×106/(1.00*11.9*1000*80*80)= 0.0603) 计算相对受压区高度ξ = 1-sqrt(1-2*αs) = 1-sqrt(1-2*0.060) = 0.0624) 计算受拉钢筋面积As = α1*fc*b*ho*ξ/fy = 1.000*11.9*1000*80*0.062/300= 197mm25) 验算最小配筋率ρ = As/(b*h) = 197/(1000*100) = 0.197%ρ<ρmin = 0.200% 不满足最小配筋要求所以取面积为As = ρmin*b*h = 0.200%*1000*100 = 200 mm26) 计算横跨分布钢筋面积不宜小于纵跨板底钢筋面积的15%,所以面积为:As1 = As*0.15 = 200.00*0.15 = 30 mm2不宜小于该方向截面面积的0.15%,所以面积为:As1 = h*b*0.0015 = 100*1000*0.0015 = 150 mm2取二者中较大值,所以分布钢筋面积As = 150 mm2采取方案d8@200, 实配面积251 mm22.Y向上端支座钢筋1) 确定上端支座弯距M o y = (γG*qgk+γQ*qqk)*Lo2/12= (1.200*10.000+1.400*4.000)*2.52/12= 9.167 kN*m2) 确定计算系数αs = γo*M o y/(α1*fc*b*ho*ho)= 1.00*9.167×106/(1.00*11.9*1000*80*80)= 0.1203) 计算相对受压区高度ξ = 1-sqrt(1-2*αs) = 1-sqrt(1-2*0.120) = 0.1294) 计算受拉钢筋面积As = α1*fc*b*ho*ξ/fy = 1.000*11.9*1000*80*0.129/300= 408mm25) 验算最小配筋率ρ = As/(b*h) = 408/(1000*100) = 0.408%ρ≥ρmin = 0.200% 满足最小配筋要求采取方案d8@120, 实配面积419 mm23.Y向下端支座钢筋1) 确定下端支座弯距M o y = (γG*qgk+γQ*qqk)*Lo2/12= (1.200*10.000+1.400*4.000)*2.52/12= 9.167 kN*m2) 确定计算系数αs = γo*M o y/(α1*fc*b*ho*ho)= 1.00*9.167×106/(1.00*11.9*1000*80*80)= 0.1203) 计算相对受压区高度ξ = 1-sqrt(1-2*αs) = 1-sqrt(1-2*0.120) = 0.1294) 计算受拉钢筋面积As = α1*fc*b*ho*ξ/fy = 1.000*11.9*1000*80*0.129/300 = 408mm25) 验算最小配筋率ρ = As/(b*h) = 408/(1000*100) = 0.408%ρ≥ρmin = 0.200% 满足最小配筋要求采取方案d8@120, 实配面积419 mm24.左边支座配筋1) 构造左边钢筋面积钢筋面积As = ρmin*b*h = 0.200%*1000*100 = 200 采取方案d8@200, 实配面积251 mm25.右边支座配筋1) 构造右边钢筋面积钢筋面积As = ρmin*b*h = 0.200%*1000*100 = 200 采取方案d8@200, 实配面积251 mm2七、跨中挠度计算:Mk -------- 按荷载效应的标准组合计算的弯矩值Mq -------- 按荷载效应的准永久组合计算的弯矩值1.计算标准组合弯距值Mk:Mk = Mgk +Mqk= (qgk+qqk)*Lo2/24= (10.000+4.000)*2.52/24 = 3.646 kN*m2.计算永久组合弯距值Mq:Mq = Mgk +Mqk= (qgk+ψq*qqk)*Lo2/24= (10.000+1.0*4.000)*2.52/24= 3.646 kN*m3.计算受弯构件的短期刚度 Bs1) 计算按荷载荷载效应的标准组合作用下,构件纵向受拉钢筋应力σsk = Mk/(0.87*ho*As) (混凝土规范式 8.1.3-3)= 3.646×106/(0.87*80*251) = 208.696 N/mm2) 计算按有效受拉混凝土截面面积计算的纵向受拉钢筋配筋率矩形截面积: Ate = 0.5*b*h = 0.5*1000*100= 50000mm2ρte = As/Ate (混凝土规范式 8.1.2-4)= 251/50000 = 0.502%3) 计算裂缝间纵向受拉钢筋应变不均匀系数ψψ = 1.1-0.65*ftk/(ρte*σsk) (混凝土规范式 8.1.2-2)= 1.1-0.65*1.78/(0.502%*208.696) = -0.004因为ψ不能小于最小值0.2,所以取ψ = 0.24) 计算钢筋弹性模量与混凝土模量的比值αEαE = Es/Ec = 2.0×105/2.80×104 = 7.1435) 计算受压翼缘面积与腹板有效面积的比值γ f矩形截面,γf=06) 计算纵向受拉钢筋配筋率ρρ = As/(b*ho)= 251/(1000*80) = 0.314%7) 计算受弯构件的短期刚度 BsBs = Es*As*ho2/[1.15ψ+0.2+6*αE*ρ/(1+ 3.5γf')](混凝土规范式8.2.3--1) = 2.0×105*251*802/[1.15*0.200+0.2+6*7.143*0.314%/(1+3.5*0.0)]= 5.692×102 kN*m24.计算受弯构件的长期刚度B1) 确定考虑荷载长期效应组合对挠度影响增大影响系数θ当ρ'=0时,θ=2.0 (混凝土规范第 8.2.5 条)2) 计算受弯构件的长期刚度 BB = Mk/(Mq*(θ-1)+Mk)*Bs (混凝土规范式 8.2.2)= 3.646/(3.646*(2.0-1)+3.646)*5.692×102= 2.846×102 kN*m25.计算受弯构件挠度fmax = (qgk+qqk)*Lo4/(384*B)= (10.000+4.000)*2.54/(384*2.846×102)= 5.004mm6.验算挠度挠度限值fo=Lo/200=2500/200=12.500mmfmax=5.004mm≤fo=12.500mm,满足规范要求!八、裂缝宽度验算:1.跨中X方向裂缝1) 计算荷载效应My = (qgk+qqk)*Lo2/24= (10.000+4.000)*2.52/24= 6.152 kN*m2) 光面钢筋,所以取值vi=0.73) 因为C < 20,所以取C = 204) 计算按荷载荷载效应的标准组合作用下,构件纵向受拉钢筋应力σsk=Mk/(0.87*ho*As) (混凝土规范式 8.1.3-3)=6.152×106/(0.87*80*251)=352.174N/mm5) 计算按有效受拉混凝土截面面积计算的纵向受拉钢筋配筋率矩形截面积,Ate=0.5*b*h=0.5*1000*100=50000 mm2ρte=As/Ate (混凝土规范式 8.1.2-4)=251/50000 = 0.0050因为ρte=0.0050 < 0.01,所以让ρte=0.016) 计算裂缝间纵向受拉钢筋应变不均匀系数ψψ=1.1-0.65*ftk/(ρte*σsk) (混凝土规范式 8.1.2-2) =1.1-0.65*1.780/(0.0100*352.174)=0.7717) 计算单位面积钢筋根数nn=1000/dist = 1000/200=58) 计算受拉区纵向钢筋的等效直径deqdeq = (∑ni*di2)/(∑ni*vi*di)=5*8*8/(5*0.7*8)=119) 计算最大裂缝宽度ωmax=αcr*ψ*σsk/Es*(1.9*C+0.08*Deq/ρte) (混凝土规范式 8.1.2-1) =2.1*0.771*352.174/2.0×105*(1.9*20+0.08*11/0.0100)=0.3692mm > 0.30, 不满足规范要求2.上端支座跨中裂缝1) 计算荷载效应M o y = (qgk+qqk)*Lo2/12= (10.000+4.000)*2.52/12= 7.292 kN*m2) 光面钢筋,所以取值vi=0.73) 因为C < 20,所以取C = 204) 计算按荷载荷载效应的标准组合作用下,构件纵向受拉钢筋应力σsk=Mk/(0.87*ho*As) (混凝土规范式 8.1.3-3)=7.292×106/(0.87*80*419)=250.037N/mm5) 计算按有效受拉混凝土截面面积计算的纵向受拉钢筋配筋率矩形截面积,Ate=0.5*b*h=0.5*1000*100=50000 mm2ρte=As/Ate (混凝土规范式 8.1.2-4)=419/50000 = 0.0084因为ρte=0.0084 < 0.01,所以让ρte=0.016) 计算裂缝间纵向受拉钢筋应变不均匀系数ψψ=1.1-0.65*ftk/(ρte*σsk) (混凝土规范式 8.1.2-2)=1.1-0.65*1.780/(0.0100*250.037)=0.6377) 计算单位面积钢筋根数nn=1000/dist = 1000/120=88) 计算受拉区纵向钢筋的等效直径deqdeq = (∑ni*di2)/(∑ni*vi*di)=8*8*8/(8*0.7*8)=119) 计算最大裂缝宽度ωmax=αcr*ψ*σsk/Es*(1.9*C+0.08*Deq/ρte) (混凝土规范式 8.1.2-1)=2.1*0.637*250.037/2.0×105*(1.9*20+0.08*11/0.0100)=0.2165mm ≤ 0.30, 满足规范要求3.下端支座跨中裂缝1) 计算荷载效应M o y = (qgk+qqk)*Lo2/12= (10.000+4.000)*2.52/12= 7.292 kN*m2) 光面钢筋,所以取值vi=0.73) 因为C < 20,所以取C = 204) 计算按荷载荷载效应的标准组合作用下,构件纵向受拉钢筋应力σsk=Mk/(0.87*ho*As) (混凝土规范式 8.1.3-3)=7.292×106/(0.87*80*419)=250.037N/mm5) 计算按有效受拉混凝土截面面积计算的纵向受拉钢筋配筋率矩形截面积,Ate=0.5*b*h=0.5*1000*100=50000 mm2ρte=As/Ate (混凝土规范式 8.1.2-4)=419/50000 = 0.0084因为ρte=0.0084 < 0.01,所以让ρte=0.016) 计算裂缝间纵向受拉钢筋应变不均匀系数ψψ=1.1-0.65*ftk/(ρte*σsk) (混凝土规范式 8.1.2-2)=1.1-0.65*1.780/(0.0100*250.037)=0.6377) 计算单位面积钢筋根数nn=1000/dist = 1000/120=88) 计算受拉区纵向钢筋的等效直径deqdeq = (∑ni*di2)/(∑ni*vi*di)=8*8*8/(8*0.7*8)=119) 计算最大裂缝宽度ωmax=αcr*ψ*σsk/Es*(1.9*C+0.08*Deq/ρte) (混凝土规范式 8.1.2-1) =2.1*0.637*250.037/2.0×105*(1.9*20+0.08*11/0.0100)=0.2165mm ≤ 0.30, 满足规范要求。
整体式单向板肋梁楼盖结构设计计算书整体式单向板肋梁楼盖结构设计计算书第⼀章设计资料1.结构形式采⽤砖混结构,内框架⽀撑体系,外墙厚度370㎜,混凝⼟柱的截⾯尺⼨为300mm×300mm.2.建筑平⾯尺⼨长宽尺⼨采⽤27000㎜×18000㎜。
3.楼⾯构造4.荷载永久荷载:包括梁、楼板及构造⾃重。
钢筋混凝⼟容重为25KN/m3,⽔泥砂浆容重为20KN/m3,⽯灰砂浆容重为17KN/m3。
可变荷载:楼⾯均布活荷载标准值为5.7K/㎡,分项系数为1.3。
5.材料选⽤钢材:主梁、次梁、受⼒主筋采⽤HRB335级,板及梁内其他钢筋采⽤HPB235级。
第⼆章设计计算书⼀.柱⽹的设计及主、次梁的截⾯尺⼨设计1. 27m×18m,柱⽹布置为矩形,柱截⾯尺⼨300mm×300mm,主梁跨度6m,次梁跨度4.5m,板跨2.0m。
2. 板的厚度:h=2000/40=50mm,取h=100mm。
3. 次梁的截⾯尺⼨:h=()×5400=(300—450)mm,取h=400mm,b=()×400=(200—267)mm,取b=200mm.4. 主梁尺⼨:h=()×6000=(428—750)mm,取h=600mm,b=()×600=(300—400)mm,取b=300mm.⼆、板的设计1. 荷载计算:取1m宽板带为计算单元a. 恒荷载: 20mm ⽔泥砂浆垫层 20 X 0.02=0.4 KN/m100mm 钢筋混凝⼟楼板 25 X0.1=2.5 KN/m板底粉刷 0.25KN/m⼩计:3.2KN/m永久荷载分项系数则:b. 活荷载:活荷载分项系数则:板上总荷载:g+q=3.84+7.41=11.25KN/㎡2. 设计简图板跨简图取1m宽的板为单元体=1650mm =1800mm边跨:中跨:跨差==5.8%<10% 故可按照等跨为⽆跨处理。
3. 板的计算计算简图和荷载分布4.内⼒计算M1== ×11.25× =2.96KN/mMB=—= -×11.25 ×=-2.96KN/mM2== ×11.25 ×=2.28 KN/mMC=—= -× 11.25×=-2.60KN/m5. 配筋计算板厚=100mm 保护层厚度=20mm =-20=100-20=80mm取混凝⼟标号为C30 =14.3N/mm 取HPB235级钢筋 =210 N/mm 轴线②—⑤,—之间的板带,其四周均和梁整体浇注,故这些板中间跨度及中间的弯矩可以折减20%,但边跨及第⼀跨内⼒⽀座处的弯矩不可折减。
一、设计资料某建筑现浇钢筋混凝土楼盖,建筑轴线及柱网平面见图14-37。
层高4.5m。
楼面可变荷载标准值5kN/,其分项系数1.3。
楼面面层为30mm厚现制水磨石,下铺70mm厚水泥石灰焦渣,梁板下面用20mm厚石灰砂浆抹灰梁、板混凝土均采用C25级;钢筋直径≥12mm时,采用HRB335钢,直径<12mm,采用HPB235钢。
二、结构布置楼盖采用单向板肋形楼盖方案,梁板结构布置及构件尺寸见图14-37。
图14-37 单向板肋形楼盖结构布置三、板的计算板厚80mm。
板按塑性内力重分布方法计算,取每m宽板带为计算单元,有关尺寸及计算简图如图14-38所示。
图14-38 板的计算简图1.荷载计算30mm现制水磨石0.65kN/ 70mm水泥焦渣14kN/×0.07m=0.98 kN/ 80mm钢筋混凝土板25kN/×0.08m=2 kN/ 20mm石灰砂浆17kN/×0.02m=0.34 kN/恒载标准值=3.97 kN/活载标准值=5.0 kN/荷载设计值p=1.2×3.97+1.3×5.0=11.26 kN/每米板宽p=11.26 kN/ 2.内力计算计算跨度板厚h=80mm,次梁b×h=200mm×450mm边跨=2600-100-120+=2420mm中间跨=2600-200=2400mm跨度差(2420—2400)/2400=0.83<10%,故板可按等跨连续板计算。
板的弯矩计算截面位置弯矩系数M=边跨跨中×11.26×=5.99B支座×11.26×=-4.67中间跨跨中×11.26×=4.05中间C支座×11.26×=-4.05 3.配筋计算b=1000mm,h=80mm,=80-20=60mm,=11.9,=1.27,=210截面位置M(kN·m)==1-=()实配钢筋边跨跨中 5.99 0.140 0.151 51310@140,561B支座-4.67 0.109 0.116 3948/10@140460中间跨跨中①-②④-⑤轴线间4.05 0.095 0.1 3408@140,359②-④轴线间4.05×0.8 0.076 0.079 2696/8@140,281中间C支座①-②④-⑤轴线间-4.05 0.095 0.1 340 8@140,359②-④轴线间-4.05×0.80.076 0.079 269 6/8@140,281其中均小于0.35,符合塑性内力重分布的条件。
目录一、荷载情况及材料选用 (1)二、计算跨径及主梁截面设计 (1)三、荷载计算 (2)四、计算简图 (2)五、内力计算 (3)六、内力包络图 (5)七、正截面受弯承载力计算 (6)八、斜截面受剪承载力计算 (8)九、附加箍筋计算 (8)现浇钢筋混凝土单向板肋梁楼盖设计计算书一、荷载情况及材料选用1.荷载选用排名32,查表1、表2、表3得:恒载标准值8.2/k g kN m = 活载标准值16.6/k q kN m = 粉刷层厚20mm ,重度取17kN/m 3,混凝土重度取25 kN/m 3 恒载分项系数取1.2;活载分项系数取1.4 2.材料选用混凝土C30(2214.3; 1.43c t N Nf f mmmm ==);梁中纵向受力钢筋采用HRB400(2360c t Nf f mm==),其他钢筋均采用HRB335(2300c t Nf f mm ==)二、计算跨径及主梁截面设计由于主梁线刚度较柱线大很多,故中间支座可安脚趾考虑。
主梁计算跨径按取为7.2m 。
截面高11()4807201510h L mm ==,取700h mm =;截面宽11()23035032b h mm ==,取300b mm =为简化计算,主梁自重按集中荷载考虑。
次梁传来的恒载 8.27.259.04kN ⨯= 主梁自重 250.3(0.70.08) 2.411.16kN ⨯⨯-⨯= 主梁粉刷 170.02(0.70.08) 2.42 1.01kN ⨯⨯-⨯⨯= 恒载标准值 71.15kN 活载标准值 16.67.2119.52kN ⨯= 恒载设计值 71.15 1.285.38G kN =⨯= 活载设计值 119.52 1.4167.33Q kN =⨯=四、计算简图弯矩:QL k GL k M 21+= 剪力:Q k G k V 43+=614.74GL kN m = 1204.78QL kN m =其中, 可由书中表查可知。
单向板计算书项目名称_____________日期_____________设计者_____________校对者_____________一、示意图:二、基本资料:1.依据规范:《建筑结构荷载规范》(GB 50009--2001)《混凝土结构设计规范》(GB 50010--2002)2.几何参数:宽度: l x = 6000 mm 长度: l y = 3000 mm 板厚: h = 120 mm 3.荷载设计值:(均布荷载)q = 15.000 kN/m4.材料信息:混凝土强度等级: C25 钢筋等级: HPB235(Q235)三、计算结果:1.弯矩值:M x = 1.413 kN ·m M y = 5.485 kN ·mM xo = -7.695 kN ·m M yo = -11.192 kN ·m2.X向板底钢筋:配筋率ρ=0.0677%ρ<ρmin = max{ 0.002,0.45·f t/f y} = 0.2721% ρ = ρmin = 0.2721%计算面积:326.57 mm2采用方案:d6@80 实配面积:353.43 mm23.Y向板底钢筋:配筋率ρ=0.2675%ρ<ρmin= 0.2721% ρ = ρmin = 0.2721%计算面积:326.57 mm2采用方案:d6@80 实配面积:353.43 mm2 4.X向支座钢筋:配筋率ρ=0.3791%计算面积:379.11 mm2采用方案:d6@70 实配面积:403.92 mm2 5.Y向支座钢筋:配筋率ρ=0.5607%计算面积:560.66 mm2采用方案:d8@80 实配面积:628.32 mm2。
一、 设计资料1、某单层工厂仓库,采用砖混结构,层高3.6m ,楼盖为现浇钢筋砼肋形楼盖,其结构平面布置如下图所示。
2、图示范围内未考虑楼梯间。
3、钢筋砼柱截面尺寸自定,柱下釆用独立基础,基顶标高为-1.200。
4、四周承重墙墙厚自定。
5、屋面做法:30厚细石砼保护层(324m KN ) 三毡四油防水层(24.0m KN)20厚水泥砂浆找平层(320m KN) 钢筋砼板(325m KN)10厚混合砂浆顶棚抹灰(317m KN)6、材料选用自定7、屋面可变荷载:6KN/M2钢筋混凝土单向板肋梁楼盖设计计算书1、楼盖梁格布置及材料、截面尺寸确定确定主梁的跨度为6.0m,次梁的跨度为6.0m,主梁每跨内布置两根次梁,板的跨度为2.0m,四面墙体均采用370mm厚,柱横截面尺寸采用350×350mm。
楼盖结构的平面布置图如图所示。
板:对工业建筑的楼板,要求h≥70㎜,所以板厚取h=80㎜,采用C25混凝土、HRB400钢筋。
次梁:次梁截面高度应满足(1/20 ~ 1/15)l=(1/20 ~ 1/15)×6000=300 ~400mm,取h=400mm,截面宽b=(1/3 ~ 1/2)h=(1/3 ~ 1/2) ×400=133 ~200mm,取b=200mm(次梁:b×h=200×400mm),采用C25混凝土、纵向钢筋采用HRB400,箍筋采用HPB300。
主梁:主梁截面高度应满足h=(1/12 ~ 1/8 )l=(1/12 ~ 1/8) ×6000=500~750mm,取h=650mm,截面宽度b=(1/3 ~ 1/2)h=(1/3 ~ 1/2) ×650=217 ~ 325mm,取b=300mm(主梁:b×h=300×650mm),采用C25混凝土,纵向钢筋HRB400 ,箍筋采用HPB300 。
柱子:截面尺寸采用:350×350mm,混凝土等级C30,钢筋采用HRB400,箍筋HPB300。
整体式单向板肋梁楼盖课程设计计算书一、设计资料1,某工业用仓库,楼面使用活荷载为8km/m2 。
2,楼面面层为水磨石(低层20mm水泥砂浆,10mm面层)自重为0.65km/m2 。
梁板天花用混合砂浆抹灰15mm。
3,材料选用:混凝土采用C25:梁中受力纵筋采用II级钢筋,其他钢筋均采用I级钢筋。
4,二楼楼面平面如图所示,图示范围内不考虑楼梯间。
外墙厚370mm。
图1 二楼楼盖结构平面布置图二:[解]一、板的设计(按塑性内力重分布计算)(一)荷载板自重: 1.2*0.08*25=2.4 KN/m2楼面面层: 1.2*065=0.78 KN/m2顶花楼灰: 1.2*0.015*17=0.31 KN/m2恒载: 2.4+0.78+0.31=3.49 KN/m2活载: 1.3*8.0 KN/m2总荷载:g+q=10.4+3.49=13.89 KN/m2 q/g=10.4/3.49=2.98(二)计算简图(1)板按考虑塑性内力重分布设计。
根据不验算挠度的刚度条件,板厚应不小于l/40=2000/40=50mm,但是此值小于工业房屋楼面最小厚度70mm的构造要求,考虑楼面活载较大,故取板厚h=80mm :次梁截面高度h 按l /14~l/14初估,取h=450mm ,截面宽度按h/3~h/2初估为200mm 。
根据结构平面布置,板的几何尺寸如图2所示。
(2)取1m 宽板作为计算单元,各跨的计算跨度为:中间跨: l o =l n =2.0-0.2=1.8 m边跨: l n +2n =2.0-0.12-22.0+28.0=1.82 m 故板的计算简图如图2所示。
(a ) 实际结构(b ) 计算简图图2 板的计算简图(三) 弯矩计算 边跨与中间跨的计算跨长相差8.18.182.1-*100%=1.1%<10%,故可按等跨连续板计算内力,其结果如下表一:表一:(四)配筋计算取板的截面有效高度h0=60mm,板的配筋计算如下表二:表二:板的配筋示意图如图3;跨板带(①~②、⑤~⑥轴线)以及中间跨板带配筋平面详图见图4。