铁总日常检查及不良行为认定、扣分表
- 格式:docx
- 大小:25.22 KB
- 文档页数:5
工程质量检查问题扣分表
(2015年版)
一、重大质量问题
如在检查过程中发现如下问题,将分别进行扣分处理,并通报集团高管,且视情况严重程度给予挂网通报:
二、严重质量问题
如在检查过程中发现如下问题,将分别进行扣分处理:
三、资料问题
为了规范资料管理,要求每种资料归档整齐,且有资料目录,如资料不齐全或资料失真、造假,将在实测实量分数基础上扣除相应分数。
资料总分为5分,
四、管理行为扣分
上次检查评估提出的问题整改完成率在85%及以上不扣分,完成率位于70%至85%之间(包括70%)时扣2分,完成率不足70%时扣4分,完成率不足50%时扣8分;(当某项问题存在多处时,随机抽随机抽检,如果该项问题随机抽检合格率不足80%,则视为该项问题未完成整改。
)
五、现场工程进度管理偏差扣分
现场工程进度对比集团挂网二级计划工期偏差超出30天,每项给予2~4分扣分处理;情节严重者将给予挂网通报。
——————完——————。
铁路工程信用评价不良行为认定标准.铁路工程信用评价不良行为认定标准中国铁路总公司正式发布了《铁路建设项目施工企业信用评价办法》(铁建设〔2014〕129号),集团公司以“隧工程函[2014]250号”文进行了转发。
评价结果仍为A、B、C三级,前10名为A级,排名后3名及存在重大不良行为的为C级,其余为B级。
A级给予1次投标加分机会,C级停止2个月投标。
请各铁路项目部、各单位/部门认真学习该办法,采取切实有效的管理措施,杜绝较大及重大不良行为,坚决规避可能引起停标处罚的行为发生(目前,安全质量交通事故、质量问题、稳定事故、施工进度、行贿受贿、污染破坏环境等均会导致被停标处罚),维护并提升集团公司在铁路行业的信用。
本次信用评价办法力度大,涉及到项目管理要素的各个方面。
既增加了标准化管理绩效考评分、各种不良行为认定项、信用评价施工考核费用,还加大了安全质量事故(包括已运营线路)的信用评价扣分力度、评价结果对企业经营投标影响力度、对未完成投资计划或重点控制工程严重滞后负主要责任的进行停标处罚。
办法对不良行为认定的变化主要有:(其他变化详见铁建设〔2014〕129号文)1.一般不良行为由5项增加到12项。
2.较大不良行为认定项由15项增加到23项。
项。
8项增加5重大不良行为认定项由3.附件:各种不良行为认定及扣分标准(摘录)重大不良行为认定标准及公布期限个人公布期限企业公布重大不良行为认定编公布人期标公布期项目责分管1单位工程不合格责直接任项目责严重污染或破坏分管2境的责人直接责.任人项目负行贿受贿等违反责3分管政纪律的行责特企业重责故(含工程项目责路交通事故4分管重责加直接责理,不含不可任人的起引力抗.事故)企业负因工程原因引起较责项目的,或造成旅客责5分管突、脱轨、火灾责爆炸的一般铁路直接通事任责企业类责6量事故(隐特项目6 3年年责人年年年重大按报不的事月故等级加重分管负6126 年2重大.一级处理)月责人年年月直接责任(依较事故质定施工企业对建设目未完成投资计项目任务或在建项目7责点控制工程进度后负有主要责任的发生严重恶意扰项目负*年1年18责人民、破坏文件、打.架斗殴、群体上访事件且影响恶劣等备注:1.第1项以质量监督和管理部门通报为依据;2.第2项以煤体公布并经核实或部省一级业务主管部门通报为依据;3.第3项以司法机关或有关纪检部门认定的事实和处理结果作为依据;4.企业负责人是指企业法人;项目负责人是指投标书中的或经建设单位认可的项目经理;分管负责人是指投标书中的或经建设单位批准认可的项目副经理或总工;”项为容易被忽视的不良行为。
以下是一个简单的公司员工扣分表模板,可以根据具体情况进行调整和修改:
员工姓名:_____________ 部门:_____________________ 日期:___________________
备注:(可添加其他需要扣分的项目和标准)
总扣分:______
说明:根据员工在工作中的表现,对相应的行为进行扣分。
总扣分将作为评估员工绩效和考虑相应的奖惩措施的依据。
请员工务必认真对待,并努力避免扣分行为的发生。
注意:在使用扣分制度前,请确保你的公司已经明确了相应的规定和流程,以及员工对于扣分制度的知情和同意。
此模板仅供参考,具体实施应根据公司实际情况进行调整和完善。
员工扣分规章制度表格一、扣分对象:全公司员工二、扣分标准:根据员工违规行为的严重程度进行扣分,具体分数如下:1.迟到:每次迟到扣1分,连续迟到3次以上每次迟到扣2分。
2.旷工:每次旷工扣2分,连续旷工3次以上每次旷工扣5分。
3.不服从管理安排:不按时完成工作任务或者拒绝执行上级领导的合理指令扣3分。
4.擅自离岗:未经请假擅自离开工作岗位扣5分。
5.利用工作时间进行私人活动:在工作时间内做与工作无关的事情扣2分。
6.违反公司规定:违反公司相关制度规定扣4分。
7.工作懈怠:工作态度不端正,效率低下扣2分。
8.辱骂他人:在工作场所辱骂他人扣5分。
9.抽烟喝酒:在工作时间或者工作场所抽烟或者喝酒扣3分。
10.其他违规行为:根据实际情况酌情扣分。
三、扣分处理:1.员工每月底根据上述扣分标准进行相应扣分。
2.扣分将被记录在员工档案中,并作为绩效考核的重要依据。
3.根据扣分情况,公司将采取相应的处罚措施,包括但不限于:警告、降职、罚款、停职等。
四、扣分奖励:1.每季度表现良好,无过错扣分的员工将获得相应的奖励,包括但不限于:奖金、晋升机会、学习培训机会等。
2.扣分少于5分的员工将被视为表现良好员工。
五、员工申诉:1.如对扣分有异议,员工可向人力资源部门提出申诉,由人力资源部门进行审核处理。
2.申诉流程:员工→直接上级→人力资源部门。
六、制度遵守:1.员工应严格遵守公司各项规章制度,维护公司形象和利益。
2.如有发现同事有违规行为,应主动举报,以维护整个团队的工作秩序。
七、其他事宜:1.本制度自颁布之日起生效,公司保留最终解释权。
2.如对扣分标准有任何疑问或建议,请及时向人力资源部门反馈。
以上为员工扣分规章制度表格,希望全体员工能够认真遵守,共同营造和谐的工作环境和团队氛围。
感谢大家的支持和配合!。
铁路轨道运行日常安全检查记录表一、检查详情
二、检查内容
1. 轨道状况检查
- 轨道弯曲情况
- 轨道高度情况
- 轨距是否符合标准要求- 轨道轴向测量情况
- ...
2. 轨道防护设施检查
- 遮盖物是否完好
- 防撞设施是否稳固
- 隔离设施是否齐全
- ...
3. 轨道信号检查
- 信号灯是否亮度正常
- 信号显示是否清晰可辨认- 信号机动作是否灵敏
- ...
4. 轨道沿线设备检查
- 信号设备是否完好
- 检测设备是否正常
- 线缆是否损坏
- ...
5. 轨道交通安全管理检查
- 轨道交通安全规章制度是否落实
- 安全设施是否齐备
- 人员培训是否到位
- ...
三、检查结果
1. 正常情况
- 检查员发现的问题均已修复,无安全隐患。
2. 异常情况
- 检查员发现的问题尚未修复或存在安全隐患。
四、备注
- 其他需要记录的补充信息。
以上为铁路轨道运行日常安全检查记录表的模板,可根据实际情况进行填写。
请在每次检查后及时记录检查结果,并采取相应的措施解决发现的问题,保障铁路轨道的安全运行。
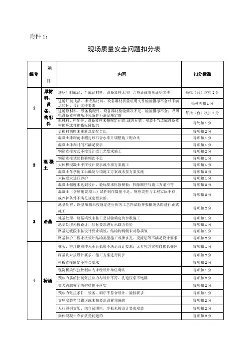
附件1:现场质量安全问题扣分表备注:1.建设单位应结合项目特点,对《现场质量安全问题扣分表》进行补充、细化,明确扣分标准。
附件2:施工管理扣分表备注:1.建设单位应结合项目特点,在上述检查项目的基础上制订《施工管理检查实施细则》,补充增加检查内容及子项目,明确检查方法及相关扣分标准,并与本办法有关扣分标准保持一致。
2.对各施工单位检查频次应基本均衡;检查子项目的扣分不得超过该子项目的扣分上限。
附件3:铁路工程管理平台自动采集问题扣分表说明:“人工核查”是指由人工调查现场实际信息并与平台提供信息进行对比统计数据。
“自动”是指系统根据该模块的平台数据自动计算。
附件4:质量监督检测中心抽检不合格项目及扣分表备注:对表中未列项目抽检达到本办法规定的不良行为认定条件的,按相应扣分标准进行扣分.一般不良行为认定及扣分标准备注:具体扣分由建设单位在规定幅度范围内细化并公布。
较大不良行为认定、扣分标准及公布期限重大不良行为认定标准及公布期限2. 第2项以媒体公布并经核实或部省一级业务主管部门通报为依据;3. 第3项以司法机关或有关纪检部门认定的事实和处理结果作为依据。
信用评价抢险加分标准备注:1.抢险加分申请项目须符合下列条件之一:①山体滑坡1万方及以上;②路堤、路堑边坡溜坍1千方及以上;③隧道衬砌严重开裂、变形、垮塌;④桥梁墩台倾斜超限、冲倒;⑤涵洞冲毁。
⑥路堤冲空;⑦中断行车时间6小时及以上(以行车调度命令为准);⑧限速慢行24小时及以上(以行车调度命令为准)。
2.铁路局集团公司根据施工企业实际投入抢险的人员、大型机械设备以及抢险时间情况、灾害规模和复杂程度,合理提出加分建议值。
干线抢险取同档中较大值,支线抢险取同档中较小值。
抢险时间12小时以内的取同档下限,96小时以上的取同档上限。
3.新线抢险涉及隧道被困人员救援抢险的,可取同档高限。
4.抢险加分以项目为单位,不得将多个项目捆起来加分。
5.多个施工企业共同参与一个项目抢险的,应根据发挥的作用加分,非主要施工企业加分值不超过发挥主要作用的施工企业加分值的70%。
附件1:现场质量安全问题扣分表备注:1.建设单位应结合项目特点,对《现场质量安全问题扣分表》进行补充、细化,明确扣分标准。
附件2:施工管理扣分表备注:1.建设单位应结合项目特点,在上述检查项目的基础上制订《施工管理检查实施细则》,补充增加检查内容及子项目,明确检查方法及相关扣分标准,并与本办法有关扣分标准保持一致。
2.对各施工单位检查频次应基本均衡;检查子项目的扣分不得超过该子项目的扣分上限。
附件3:铁路工程管理平台自动采集问题扣分表“自动”是指系统根据该模块的平台数据自动计算。
附件4:质量监督检测中心抽检不合格项目及扣分表备注:对表中未列项目抽检达到本办法规定的不良行为认定条件的,按相应扣分标准进行扣分.一般不良行为认定及扣分标准备注:具体扣分由建设单位在规定幅度范围内细化并公布。
较大不良行为认定、扣分标准及公布期限重大不良行为认定标准及公布期限2. 第2项以媒体公布并经核实或部省一级业务主管部门通报为依据;3. 第3项以司法机关或有关纪检部门认定的事实和处理结果作为依据。
信用评价抢险加分标准备注:1.抢险加分申请项目须符合下列条件之一:①山体滑坡1万方及以上;②路堤、路堑边坡溜坍1千方及以上;③隧道衬砌严重开裂、变形、垮塌;④桥梁墩台倾斜超限、冲倒;⑤涵洞冲毁。
⑥路堤冲空;⑦中断行车时间6小时及以上(以行车调度命令为准);⑧限速慢行24小时及以上(以行车调度命令为准)。
2.铁路局集团公司根据施工企业实际投入抢险的人员、大型机械设备以及抢险时间情况、灾害规模和复杂程度,合理提出加分建议值。
干线抢险取同档中较大值,支线抢险取同档中较小值。
抢险时间12小时以内的取同档下限,96小时以上的取同档上限。
3.新线抢险涉及隧道被困人员救援抢险的,可取同档高限。
4.抢险加分以项目为单位,不得将多个项目捆起来加分。
5.多个施工企业共同参与一个项目抢险的,应根据发挥的作用加分,非主要施工企业加分值不超过发挥主要作用的施工企业加分值的70%。
铁运公司职工安全违章通用记分标准一、有下列行为者记十分:1、乘务人员无调度行车命令单出乘。
2、通信中断,气候恶劣,盲目发布行车命令。
3、大修、维修铁路需中断运输或临时封闭,不提前报告。
4、未制订、落实安全防护措施,就组织危险作业。
5、损坏、擅自撤除安全卫生防护装置、设施和通讯装置。
6、启动(合闸、开闸)已停机挂牌设备。
7、未停机进行⑴手工加油;⑵移动(非手持式)工具;⑶调整处理故障;⑷清扫。
8、在禁火区吸烟,动用明火,使用普通电器。
9、接触或触摸运行设备的运转部位。
10、搭乘非规定载人装置:①自卸汽车;②牵引连结部件。
12、矿工两天。
二、有下列行为之一者记八分:1、无人接车,无信号通过道口。
2、不服从站方信号,及调度临时改变运行的命令。
3、在无专人监护的情况下,独自从事危险作业。
4、无《特种作业人员操作证》者进行特种作业。
5、对未经确认用途的容器进行焊补或切割。
6、检修、清扫机电设备、压力管道及其附件时,未切断(电、气)源,未挂上警示标牌。
7、检查故障前,或检修结束后,未与操作工联系,未经安全确认就盲目启动设备试机或作业。
8、擅自触动、扳动电气开关、管道阀门。
9、在起重机、悬臂和悬吊重物的下方逗留。
10、乘坐在载有超重、超长、超宽货物的装置内。
11、乘坐在高于车厢墙板的车辆上,装重平板车上,车辆的侧墙板上。
三、有下列行为之一者记六分:1、运行途中机车停放下坡无防护措施。
2、同一区间运行两台车。
3、不按规定传送电话。
4、违章指挥。
5、因工作临时拆除防护装置未及时恢复。
6、持无效操作证者(未按时接受复审或复审不合格者)进行特种作业。
7、戴手套操作旋转设备,使用大锤(手锤)。
8、高处作业未系安全带。
9、钻、跨越皮带输送机,达引钢丝绳、运输车辆。
10、未按有关规定正确穿戴防护用品进入生产车间、施工现场。
四、有下列行为之一者记四分:1、站区调运溜放。
2、停车、车辆压标。
3、机车通过道未放横杆、挡道器,不开红灯音响。
铁路机车车辆驾驶人员积分管理扣分项目及标准1.发生各类责任事故扣减12分。
2. 冒进、冒出信号或超速运行扣减12分。
3. 擅自关闭行车安全装备运行扣减12分。
4. 错误输入主要控车参数,造成后果扣减12分;未造成后果扣减6分;及时修改扣减3分。
(1)错输车站代码开车(2)错输、漏输支线。
(3)错输股道号码,造成股道短输长。
(4)错输列车总重、辆数、换长。
(5)错输交路号(区段号)。
(6)错输“本/补”。
5. 非正常停车后不按规定报告车站值班员或列车调度员扣减12分。
6. 班前、班中饮酒上岗作业扣减12分。
7. 不具备岗位资格条件违章上岗、无证驾驶或擅自交他人驾驶扣减12分。
8. 作业人身安全防护不到位扣减12分。
(1)隔离开关作业防护不到位。
(2)高空作业防护不到位。
9. 电气化区段未办理停电确认手续,登上机车、车辆上部扣减12分。
10. 闲杂人员登乘机车或携带“三品”登乘机车扣减12分。
11. 在站停车机车无人值守(特殊规定除外)或单机在段停留无人值守,又未采取防溜措施扣减12分。
12. 错输、漏输运行揭示,造成严重后果的扣减12分。
13. 行车安全装备不良牵引列车、人为破坏行车安全装备、违章解锁监控装置扣减12分。
14. 发生铁路交通相撞事故后不停车(特殊规定可以不停车的列车除外)、不汇报、不按规定处理扣减12分。
15. 错误操作行车安全装备牵引列车造成装备失去正常功能扣减12分。
16. 停车信号前未采取制动措施,造成监控装置防冒控制动作扣减12分。
17. 入库不按规定进行行车安全装备检测或出库前不确认行车安全装备状态,造成行车安全装备不良出库牵引列车扣减12分。
18. 不按规定转储监控记录文件,造成记录数据丢失扣减12分。
19. 机车乘务员中断瞭望、臆测行车扣减12分。
20. 列车运行中出现机车故障,原因不明,未采取措施,盲目运行扣减12分。
21. 机车在运行中发生电器装置打火、冒烟等异常现象,未立即进行处置或在机械间内吸烟、使用明火扣减12分。