光缆敷设检验批质量验收记录
- 格式:doc
- 大小:34.00 KB
- 文档页数:1
光缆敷设检验批质量验收记录一、项目背景根据项目计划,我单位负责在地区完成光缆敷设工作。
为确保光缆敷设的质量,保证后续网络建设的稳定性和可靠性,特进行光缆敷设的检验批质量验收。
二、验收时间与地点日期:XXXX年XX月XX日地点:XXXX工程施工现场三、参与人员1.验收人员:(1)项目负责人(2)光缆施工队代表(3)光缆验收专家2.见证人员:(1)监理工程师(2)业主代表四、验收内容1.光缆材料验收(1)核对光缆批次、型号等信息是否与项目规划一致;(2)检查光缆外观,是否有划痕、破损等缺陷;(3)测量光缆的外径是否符合标准要求;(4)检查光缆包装是否完好。
2.光缆敷设质量验收(1)核对敷设前的工程准备情况,包括挖槽、敷设管道等;(2)检查敷设过程中的拉力是否符合要求,是否造成光缆外皮受损;(3)检查敷设时的弯曲半径是否符合要求;(4)检查敷设时的回流比例,确保光缆的拉力均匀;(5)检查光缆在管道中的占比是否符合要求。
3.光缆接头质量验收(1)检查接头模块的外观,是否有划痕、凹陷等缺陷;(2)检查接头连接情况,是否牢固、无松动现象;(3)检查光纤的熔接质量,包括熔接点可靠性和熔接损耗;(4)使用OTDR等设备检测接头的衰耗和反射率。
五、验收结果经过验收,光缆敷设的质量符合相关要求,达到了预期效果。
六、存在问题及改进措施1.存在问题:(1)部分光缆外皮有划痕或破损;(2)部分敷设过程中的弯曲半径不符合要求;(3)部分接头模块有轻微凹陷。
2.改进措施:(1)加强施工人员的培训,提高施工质量意识;(2)加强光缆的保护,避免划痕和破损;(3)加强对敷设过程中的质量监督,确保弯曲半径符合要求;(4)加强接头模块的保护,避免凹陷和损坏。
七、验收结论本次光缆敷设检验批的质量验收取得了良好的效果,光缆敷设质量符合相关要求。
同时,针对存在的问题,我们将及时采取改进措施,提升施工质量,确保后续网络建设的稳定性与可靠性。
八、附件1.光缆材料检验报告2.光缆敷设现场照片3.接头质量检测报告以上为光缆敷设检验批质量验收记录,共计XXX字。
线缆敷设检验批质量验收记录线缆敷设检验批质量验收记录注:本表内容的填写需依据《现场验收检验批检查原始记录》。
本检验批质量验收的规范依据见本页背面。
填写说明一、填写依据1 《智能建筑工程施工规范》GB50606-2010。
2 《建筑工程施工质量验收统一标准》GB50300-2013。
二、检验批划分可按设计系统、设备组别、区域划分。
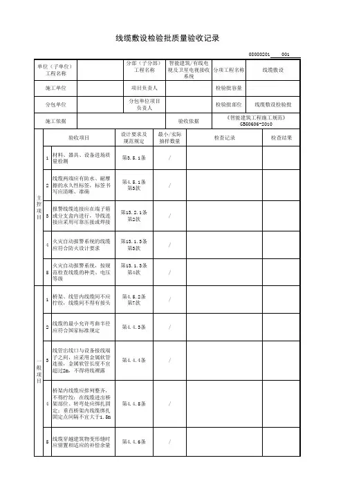
三、GB50606-2010规范摘要主控项目3.5.1 材料、器具、设备进场质量检测应符合下列规定:1 需要进行质量检查的产品应包括智能建筑工程各子系统中使用的材料、硬件设备、软件产品和工程中应用的各种系统接口;列入中华人民共和国实施强制性产品认证的产品目录或实施生产许可证和上网许可证管理的产品应进行产品质量检查,未列入的产品也应按规定程序通过产品质量检测后方可使用。
2 材料及主要设备的检测应符合下列规定:1)按照合同文件和工程设计文件进行的进场验收,应有书面记录和参加人签字,并应经监理工程师或建设单位验收人员确认;2)应对材料、设备的外观、规格、型号、数量及产地等进行检查复核;3)主要设备、材料应有生产厂家的质量合格证明文件及性能的检测报告。
3 设备及材料的质量检查应包括安全性、可靠性及电磁兼容性等项目,并应由生产厂家出具相应检测报告。
4.5.1 主控项目应符合下列规定:3 线缆两端应有防水、耐摩擦的永久性标签,标签书写应清晰、准确。
13.2.1 桥架、管线敷设除应执行国家标准《火灾自动报警系统施工及验收规范》GB50166-2007第3.2节的规定和本规范第4章的规定外,尚应符合下列规定:2 报警线缆连接应在端子箱或分支盒内进行,导线连接应采用可靠压接或焊接。
13.1.3 材料与设备准备应符合下列规定:3 桥架、线缆、钢管、金属软管、阻燃塑料管、防火涂料以及安装附件等应符合防火设计要求。
4 应根据现行国家标准《火灾自动报警系统设计规范》GB50116的有关规定,对线缆的种类、电压等级进行检查。
注:本表内容的填写需依据《现场验收检验批检查原始记录》。
本检验批质量验收的规范依据见本页背面。
填写说明一、填写依据1 《智能建筑工程施工规范》GB50606-2010。
2 《建筑工程施工质量验收统一标准》GB50300-2013。
二、检验批划分可按设计系统、设备组别、区域划分。
三、GB50606-2010规范摘要主控项目3.5.1 材料、器具、设备进场质量检测应符合下列规定:1 需要进行质量检查的产品应包括智能建筑工程各子系统中使用的材料、硬件设备、软件产品和工程中应用的各种系统接口;列入中华人民共和国实施强制性产品认证的产品目录或实施生产许可证和上网许可证管理的产品应进行产品质量检查,未列入的产品也应按规定程序通过产品质量检测后方可使用。
2 材料及主要设备的检测应符合下列规定:1)按照合同文件和工程设计文件进行的进场验收,应有书面记录和参加人签字,并应经监理工程师或建设单位验收人员确认;2)应对材料、设备的外观、规格、型号、数量及产地等进行检查复核;3)主要设备、材料应有生产厂家的质量合格证明文件及性能的检测报告。
3 设备及材料的质量检查应包括安全性、可靠性及电磁兼容性等项目,并应由生产厂家出具相应检测报告。
4.5.1 主控项目应符合下列规定:3 线缆两端应有防水、耐摩擦的永久性标签,标签书写应清晰、准确。
13.2.1 桥架、管线敷设除应执行国家标准《火灾自动报警系统施工及验收规范》GB50166-2007第3.2节的规定和本规范第4章的规定外,尚应符合下列规定:2 报警线缆连接应在端子箱或分支盒内进行,导线连接应采用可靠压接或焊接。
13.1.3 材料与设备准备应符合下列规定:3 桥架、线缆、钢管、金属软管、阻燃塑料管、防火涂料以及安装附件等应符合防火设计要求。
4 应根据现行国家标准《火灾自动报警系统设计规范》GB50116的有关规定,对线缆的种类、电压等级进行检查。
一般项目4.5.2 一般项目应符合下列规定:7 桥架、线管内线缆间不应拧绞,线缆间不得有接头。
线缆敷设检验批质量验收记录线缆敷设检验批质量验收记录注:本表内容的填写需依据《现场验收检验批检查原始记录》。
本检验批质量验收的规范依据见本页背面。
填写说明一、填写依据1 《智能建筑工程施工规范》GB50606-2010。
2 《建筑工程施工质量验收统一标准》GB50300-2013。
二、检验批划分可按设计系统、设备组别、区域划分。
三、GB50606-2010规范摘要主控项目3.5.1 材料、器具、设备进场质量检测应符合下列规定:1 需要进行质量检查的产品应包括智能建筑工程各子系统中使用的材料、硬件设备、软件产品和工程中应用的各种系统接口;列入中华人民共和国实施强制性产品认证的产品目录或实施生产许可证和上网许可证管理的产品应进行产品质量检查,未列入的产品也应按规定程序通过产品质量检测后方可使用。
2 材料及主要设备的检测应符合下列规定:1)按照合同文件和工程设计文件进行的进场验收,应有书面记录和参加人签字,并应经监理工程师或建设单位验收人员确认;2)应对材料、设备的外观、规格、型号、数量及产地等进行检查复核;3)主要设备、材料应有生产厂家的质量合格证明文件及性能的检测报告。
3 设备及材料的质量检查应包括安全性、可靠性及电磁兼容性等项目,并应由生产厂家出具相应检测报告。
4.5.1 主控项目应符合下列规定:3 线缆两端应有防水、耐摩擦的永久性标签,标签书写应清晰、准确。
13.2.1 桥架、管线敷设除应执行国家标准《火灾自动报警系统施工及验收规范》GB50166-2007第3.2节的规定和本规范第4章的规定外,尚应符合下列规定:2 报警线缆连接应在端子箱或分支盒内进行,导线连接应采用可靠压接或焊接。
13.1.3 材料与设备准备应符合下列规定:3 桥架、线缆、钢管、金属软管、阻燃塑料管、防火涂料以及安装附件等应符合防火设计要求。
4 应根据现行国家标准《火灾自动报警系统设计规范》GB50116的有关规定,对线缆的种类、电压等级进行检查。