电缆敷设检验批质量验收记录
- 格式:xls
- 大小:27.50 KB
- 文档页数:1
电缆管配置及敷设检验批质量验收记录电缆管是电力、通信等行业中用来保护电缆的一种管道,具有防水、耐压、耐腐蚀等特点。
电缆管的配置及敷设是一项重要的工作,对于保证电缆的安全运行具有重要意义。
为了确保电缆管的配置及敷设的质量,需要进行检验批质量验收,并记录下来。
一、项目名称:电缆管配置及敷设二、施工单位:质量检查员:三、施工内容:1.配置电缆管:根据设计要求,根据现场条件选择合适的电缆管材料。
主要包括:(1)电缆管:选择合适的规格和材质的电缆管,保证电缆自由敷设,并满足设计要求。
(2)连接件:选择合适的连接件,保证电缆管的连接牢固,不漏水。
2.敷设电缆管:根据设计图纸及现场实际情况,进行电缆管的敷设。
主要包括:(1)预埋:将电缆管埋入地下,预留出口,保证电缆的顺利敷设。
(2)穿线:将电缆通过电缆管的内部,保证电缆的安全通行。
(3)焊接:对于需要连接的电缆管,采用焊接方式连接,保证连接的牢固性。
四、验收项目:1.电缆管配置(1)是否按照设计要求选择合适的电缆管材料。
(2)电缆管材料的规格和材质是否符合设计要求。
(3)连接件是否选择合适,并实施牢固的连接。
2.电缆管敷设(1)电缆管是否按照设计图纸进行正确的预埋、穿线和焊接。
(2)电缆管的埋深是否符合设计要求。
(3)电缆管的敷设是否保持整齐、平直,是否有坠挂、屈曲等情况。
五、质量验收标准:1.电缆管配置(1)电缆管材料的规格和材质应符合设计要求。
(2)连接件应能够实现电缆管的连接,并能够保证连接的牢固性,不漏水。
2.电缆管敷设(1)电缆管的预埋、穿线和焊接应按照设计图纸进行,保证无误。
(2)电缆管的埋深应符合设计要求。
(3)电缆管的敷设应整齐、平直,无坠挂、屈曲等情况。
六、质量验收结果:1.电缆管配置(1)电缆管材料的规格和材质符合设计要求。
(2)连接件安装牢固,无漏水现象。
2.电缆管敷设(1)电缆管的预埋、穿线和焊接符合设计要求。
(2)电缆管的埋深符合设计要求。
电缆敷设检验批质量验收记录单位:____________________________项目:____________________________工程地点:____________________________施工单位:____________________________监理单位:____________________________日期:____________________________一、工程概况1.电缆敷设工程总长度:____________________________2.敷设电缆种类及规格:____________________________3.敷设方式:____________________________4.敷设路径及埋深:____________________________5.周边环境情况:____________________________二、施工过程1.施工前准备工作:(1)质量控制计划:____________________________(2)施工图纸和技术规范:____________________________(3)施工人员配备及培训情况:____________________________(4)施工材料及设备准备情况:____________________________2.施工过程控制:(1)施工队伍组织情况:____________________________(2)施工现场管理情况:____________________________(3)施工过程中的质量控制措施:____________________________(4)施工过程中的安全防护措施:____________________________三、检验批质量验收1.检验批划分及数量:____________________________2.检验批工作量划分:____________________________3.检验批质量验收人员:____________________________4.检验批质量验收仪器设备:____________________________四、验收标准和方法1.验收标准:____________________________2.验收方法:____________________________3.验收结果判定标准:____________________________检验批号:____________________________序号施工环节质量问题整改措施整改结果处理人验收人备注六、问题整改及验收情况1.整改措施描述:____________________________2.整改质量验收情况:____________________________七、质量验收结果1.经质量验收,检验批质量合格率为:____________________________八、质量验收结论1.根据质量验收结果,判定该电缆敷设工程质量为:____________________________2.对于不合格的情况,提出整改意见:____________________________九、负责人签字施工单位负责人签字:____________________________监理单位负责人签字:____________________________附件:______________(包括但不限于:检验批划分表、验收报告、整改报告等)以上为电缆敷设检验批质量验收记录,共计1200字。
电线电缆穿管和线槽敷线安装检验批质量验收记录项目名称:XXX电气工程验收日期:20XX年XX月XX日验收单位:XXX工程公司施工单位:XXX工程队一、施工单位基本情况施工单位:XXX工程队组织结构:由一名项目经理,两名工程师和十名工人组成。
资质证书:具有XXX相关资质证书。
施工人员:施工工人经过专业培训,持有相应的工作证书。
二、施工材料的验收情况1.电线、电缆序号规格型号生产厂家验收数量合格数量备注1XXXXXXXXXX2XXXXXXXXXX3XXXXXXXXXX备注:所有材料品牌规格符合设计要求,生产厂家具有相应的生产许可证。
2.线槽序号型号供应商验收数量合格数量备注1XXXXXXXXXX2XXXXXXXXXX3XXXXXXXXXX备注:线槽的材质符合设计要求,安装前进行了外观检查,无裂纹、变形等表面缺陷。
三、穿管安装质量验收情况1.管道铺设序号管道规格验收长度合格长度备注1XXXXXX2XXXXXX3XXXXXX备注:管道铺设符合设计要求,规格、长度等符合要求。
无破损、松动等质量问题。
2.穿线验收序号穿线位置穿线长度验收结果备注1XXXX合格2XXXX合格3XXXX合格备注:穿线操作规范,无线缠绕、破损等问题,穿线长度满足要求。
四、敷线安装质量验收情况1.敷设长度序号敷设位置敷设长度验收结果备注1XXXX合格2XXXX合格3XXXX合格备注:敷设长度符合设计要求,无断头、错位等问题。
2.线缆固定序号固定位置固定方式验收结果备注1XXXX合格2XXXX合格3XXXX合格备注:线缆固定牢固,固定位置正确,无松动、脱落等现象。
五、施工质量问题处理情况施工过程中未发现质量问题。
六、验收结论通过以上的检验与验收,电线、电缆穿管和线槽敷线安装工作符合设计要求和施工规范。
施工单位按照要求对材料和施工过程进行检查和验收,没有发现重大质量问题。
现将该记录交验收单位,经过审查合格。
七、备注(可根据实际情况添加相关备注信息)施工单位项目经理签字:____________施工单位质量人员签字:____________验收单位负责人签字:____________以上是电线、电缆穿管和线槽敷线安装检验批质量验收记录的样本,该记录对于电气工程的施工质量控制具有重要的参考价值,可以确保工程的顺利进行和安全运行。
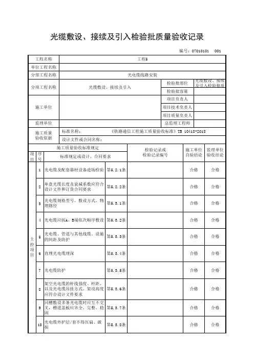
光缆敷设检验批质量验收记录一、项目背景根据项目计划,我单位负责在地区完成光缆敷设工作。
为确保光缆敷设的质量,保证后续网络建设的稳定性和可靠性,特进行光缆敷设的检验批质量验收。
二、验收时间与地点日期:XXXX年XX月XX日地点:XXXX工程施工现场三、参与人员1.验收人员:(1)项目负责人(2)光缆施工队代表(3)光缆验收专家2.见证人员:(1)监理工程师(2)业主代表四、验收内容1.光缆材料验收(1)核对光缆批次、型号等信息是否与项目规划一致;(2)检查光缆外观,是否有划痕、破损等缺陷;(3)测量光缆的外径是否符合标准要求;(4)检查光缆包装是否完好。
2.光缆敷设质量验收(1)核对敷设前的工程准备情况,包括挖槽、敷设管道等;(2)检查敷设过程中的拉力是否符合要求,是否造成光缆外皮受损;(3)检查敷设时的弯曲半径是否符合要求;(4)检查敷设时的回流比例,确保光缆的拉力均匀;(5)检查光缆在管道中的占比是否符合要求。
3.光缆接头质量验收(1)检查接头模块的外观,是否有划痕、凹陷等缺陷;(2)检查接头连接情况,是否牢固、无松动现象;(3)检查光纤的熔接质量,包括熔接点可靠性和熔接损耗;(4)使用OTDR等设备检测接头的衰耗和反射率。
五、验收结果经过验收,光缆敷设的质量符合相关要求,达到了预期效果。
六、存在问题及改进措施1.存在问题:(1)部分光缆外皮有划痕或破损;(2)部分敷设过程中的弯曲半径不符合要求;(3)部分接头模块有轻微凹陷。
2.改进措施:(1)加强施工人员的培训,提高施工质量意识;(2)加强光缆的保护,避免划痕和破损;(3)加强对敷设过程中的质量监督,确保弯曲半径符合要求;(4)加强接头模块的保护,避免凹陷和损坏。
七、验收结论本次光缆敷设检验批的质量验收取得了良好的效果,光缆敷设质量符合相关要求。
同时,针对存在的问题,我们将及时采取改进措施,提升施工质量,确保后续网络建设的稳定性与可靠性。
八、附件1.光缆材料检验报告2.光缆敷设现场照片3.接头质量检测报告以上为光缆敷设检验批质量验收记录,共计XXX字。
线缆敷设检验批质量验收记录线缆敷设检验批质量验收记录注:本表内容的填写需依据《现场验收检验批检查原始记录》。
本检验批质量验收的规范依据见本页背面。
填写说明一、填写依据1 《智能建筑工程施工规范》GB50606-2010。
2 《建筑工程施工质量验收统一标准》GB50300-2013。
二、检验批划分可按设计系统、设备组别、区域划分。
三、GB50606-2010规范摘要主控项目3.5.1 材料、器具、设备进场质量检测应符合下列规定:1 需要进行质量检查的产品应包括智能建筑工程各子系统中使用的材料、硬件设备、软件产品和工程中应用的各种系统接口;列入中华人民共和国实施强制性产品认证的产品目录或实施生产许可证和上网许可证管理的产品应进行产品质量检查,未列入的产品也应按规定程序通过产品质量检测后方可使用。
2 材料及主要设备的检测应符合下列规定:1)按照合同文件和工程设计文件进行的进场验收,应有书面记录和参加人签字,并应经监理工程师或建设单位验收人员确认;2)应对材料、设备的外观、规格、型号、数量及产地等进行检查复核;3)主要设备、材料应有生产厂家的质量合格证明文件及性能的检测报告。
3 设备及材料的质量检查应包括安全性、可靠性及电磁兼容性等项目,并应由生产厂家出具相应检测报告。
4.5.1 主控项目应符合下列规定:3 线缆两端应有防水、耐摩擦的永久性标签,标签书写应清晰、准确。
13.2.1 桥架、管线敷设除应执行国家标准《火灾自动报警系统施工及验收规范》GB50166-2007第3.2节的规定和本规范第4章的规定外,尚应符合下列规定:2 报警线缆连接应在端子箱或分支盒内进行,导线连接应采用可靠压接或焊接。
13.1.3 材料与设备准备应符合下列规定:3 桥架、线缆、钢管、金属软管、阻燃塑料管、防火涂料以及安装附件等应符合防火设计要求。
4 应根据现行国家标准《火灾自动报警系统设计规范》GB50116的有关规定,对线缆的种类、电压等级进行检查。
电缆沟内和电缆竖井内电缆敷设分项工程检验批质量验收记录项目名称:电缆沟内和电缆竖井内电缆敷设分项工程工程地点:验收日期:年月日验收员:一、项目简介本验收记录旨在对电缆沟内和电缆竖井内电缆敷设分项工程进行质量验收,确保工程质量符合设计要求和相关标准。
二、检验依据1.工程设计文件;2.相关技术标准和规范;3.施工合同及附件。
三、质量验收内容1.电缆敷设的质量-电缆埋深和埋设质量;-电缆的连接和接头的质量;-电缆固定材料的使用和质量;-电缆穿越孔的施工质量。
2.电缆和管道的隔离-电缆与其他管道的间距;-电缆与管道的穿越部位密封材料的使用和质量。
3.管沟和竖井的质量-管沟和竖井的尺寸和形状符合设计要求;-管沟和竖井的基底和墙壁平整度;-管沟和竖井的防渗措施;-管沟和竖井的排水条件。
四、质量验收方法1.实地检查对电缆敷设部位进行实地检查,包括埋设深度、连接处、固定材料和穿越孔的施工质量等。
2.抽样检测选择样品进行质量抽样检测,包括电缆连接处的电阻测试、电缆外观检查等。
3.文件资料审查对施工单位提供的相关文件资料进行审查,包括电缆敷设图纸、质量检测报告等。
五、质量验收结果及处理意见根据实地检查、抽样检测和文件资料审查的结果,对各项质量验收内容进行评估和判定。
1.电缆敷设的质量-电缆埋深和埋设质量:符合设计要求,合格。
-电缆的连接和接头的质量:连接牢固,无松动和漏电现象,合格。
-电缆固定材料的使用和质量:固定材料完好无损,固定可靠,合格。
-电缆穿越孔的施工质量:孔洞尺寸和位置准确,密封材料齐全,合格。
2.电缆和管道的隔离-电缆与其他管道的间距:符合设计要求,合格。
-电缆与管道的穿越部位密封材料的使用和质量:材料质量良好,密封效果良好,合格。
3.管沟和竖井的质量-管沟和竖井的尺寸和形状符合设计要求:尺寸和形状符合设计要求,合格。
-管沟和竖井的基底和墙壁平整度:平整度符合设计要求,合格。
-管沟和竖井的防渗措施:防渗措施完整,符合要求,合格。
电缆通道安装和通道内电缆敷设检验批质量验收记录电缆通道是电力、通信、控制等行业中常用的一种设施,它能够起到保护电缆、线管以及其他设备的作用。
为了保证电缆通道的安装质量和通道内电缆的敷设质量,需要进行检验批质量验收记录。
本文将详细介绍电缆通道安装和通道内电缆敷设的质量验收记录。
一、检验批质量验收记录的目的1、为了保证电缆通道的安装质量,避免可能存在的安全隐患;2、为了监督和评估工程质量,确保工程符合相关规范和技术要求;3、为了记录和保留质量验收的全过程,作为后续执法执规检查的重要依据。
二、检验批质量验收记录的内容1、工程概况在本部分主要记录电缆通道的基本信息,包括工程名称、工程地点、建设单位、施工单位等。
2、质量验收人员清单在本部分记录参与质量验收的人员名单,包括质量监督员、建设单位代表、施工单位代表等。
3、工程质量验收时间在本部分记录质量验收的时间,包括验收开始时间、验收结束时间等。
4、质量验收的具体内容在本部分详细记录质量验收的具体内容,包括电缆通道的安装情况、通道内电缆的敷设情况等。
5、质量验收的标准和要求在本部分列出质量验收的标准和要求,包括相关的规范、技术要求等。
6、质量验收结果在本部分记录质量验收的结果,包括合格、不合格等。
7、问题和处理意见在本部分记录质量验收中发现的问题,并提出处理意见。
8、签字确认在本部分进行质量验收人员的签字确认,包括质量监督员、建设单位代表、施工单位代表等。
三、检验批质量验收记录的编写要点1、内容详实具体在编写检验批质量验收记录时,要求内容详实具体,尽量精确描述安装和敷设的情况。
2、记录准确在编写检验批质量验收记录时,要求记录准确,不得遗漏任何重要信息。
3、条理清晰在编写检验批质量验收记录时,要求条理清晰,按照一定的逻辑顺序进行描述。
4、质量验收结果真实在编写检验批质量验收记录时,要求质量验收结果真实可靠,不得有任何歧视、造假的情况。
总结:电缆通道安装和通道内电缆敷设的检验批质量验收记录是确保电缆通道安全可靠的重要步骤。
电线导管电缆导管和线槽敷设安装检验批质量验收记录电线导管、电缆导管和线槽是现代建筑和电气工程中常见的电力线路敷设工具,它们在建筑物和工厂中起到重要的作用。
为了保证电气线路的安全和稳定运行,电线导管、电缆导管和线槽的安装质量必须得到严格的检验和验收。
本文将以电线导管、电缆导管和线槽的敷设安装为核心,详细介绍质量验收记录的编写内容。
一、项目基本信息2.施工单位:___________3.监理单位:___________4.验收单位:___________5.质量验收日期:___________6.质量验收人员:___________二、质量验收内容1.检测工具和设备-使用的检测设备和仪器:___________-检测设备和仪器的检定证书:___________2.材料验收-电线导管、电缆导管和线槽的材料规格和型号:___________-材料的厂家和出厂合格证明:___________-材料的外观和规格尺寸检查:___________-材料的包装和运输状况:___________3.预埋及固定验收-导管的埋设位置和深度:___________-导管固定的方式和固定点的数量:___________-导管的固定件安装情况:___________-导管的跨越或穿越问题:___________4.接头和弯头的验收-接头的安装方式和接头箱的固定情况:___________-接头的连接牢固性检查:___________-弯头的位置和角度:___________-弯头的安装牢固性:___________5.配线和铺设验收-电线导管、电缆导管和线槽的连接方式和连接件的质量:___________-电线导管、电缆导管和线槽的走向和布置:___________ -线槽的卧式和立式铺设情况:___________-线槽的终端和分支处的处理:___________-线槽起伏、转角和变径处的处理:___________6.安全和防火验收-线槽的密封和遮蔽情况:___________-线槽与其他设备或构筑物的防火隔离:___________-线槽的防水和防腐措施:___________7.线路测试和试验-完成的线路测试和试验项目:___________-测试和试验结果记录:___________8.文档和报告验收-施工图纸和设计文件的合规性检查:___________-监理单位的质量监督报告:___________三、质量验收结论1.验收合格情况:___________2.验收不合格情况:___________3.验收意见和建议:___________四、质量验收附件1.相关材料合格证明和检测报告2.图纸和设计文件3.其他重要文件和证明材料质量验收记录需要详细记录电线导管、电缆导管和线槽的各项安装情况,包括材料验收、预埋及固定验收、接头和弯头的验收、配线和铺设验收、安全和防火验收、线路测试和试验、文档和报告验收等内容。
GD-C5-71256/1单位(子单位) 工程名称分部(子分部)工程名称智能建筑/会议系统分项工程名称线缆敷设施工单位项目负责人张建飞检验批容量/分包单位/分包单位项目负责人/检验批部位地下一层施工依据地下一层多煤体平面图纸验收依据《智能建筑工程施工规范》 GB50606-2010验收项目设计要求及规范规定最小/实际抽样数量检查记录检查结果1材料、器具、设备进场质量检测第3.5.1条全/全全数检查,全部合格符合要求2线缆两端应有防水、耐摩擦的永久性标签,标签书写应清晰、准确第4.5.1条第3款全/全全数检查,全部合格符合要求3报警线缆连接应在端子箱或分支盒内进行,导线连接应采用可靠压接或焊接第13.2.1条第2款全/全全数检查,全部合格符合要求4火灾自动报警系统的线缆应符合防火设计要求第13.1.3条第3款/////5火灾自动报警系统,按规范检查线缆的种类、电压等级第13.1.3条第4款 /////1桥架、线管内线缆间不应拧绞,线缆间不得有接头第4.5.2条第7款全/全全数检查,全部合格符合要求符合要求2线缆的最小允许弯曲半径应符合国家标准规定第4.4.3条全/全全全数检查,全部合格符合要求3线管出线口与设备接线端子之间,应采用金属软管连接,金属软管长度不宜超过2m,不得将线裸露第4.4.4条全/全全数检查,全部合格全/全全数检查,全部合格符合要求4桥架内线缆应排列整齐,不得拧绞;在线缆进出桥架部位、转弯处应绑扎固定;垂直桥架内线缆绑扎固定点间隔不宜大于1.5m第4.4.5条全/主控项目一般项目全数检查,全部合格符合要求5线缆穿越建筑物变形缝时应留置相适应的补偿余量第4.4.6条* G D - C 5 - 71256/1 *。