变压器调试记录
- 格式:doc
- 大小:143.00 KB
- 文档页数:9
项目名称:
项目名称:
填写要求:2、工程参数包括源文件和定值文件必须下发,电压电流死区、零区必须设置,设定值为额定值的5%。
远动点表需及时提交给相关调度厂家。
3、各回路CT变比根据现场据实填写,电压根据各段母线填写电压数值,电流要求施工单位调试时准备负载,各回路通过临时负载据实填写电流数值。
4、遥控分合闸正常打“√”,不正常打“×”,不正常在备注内注明原因。
5、遥信根据调试情况据实填写,正常打“√”,不正常打“×”。
6、本表格填写完毕,手机拍照后网传留存,原件交项目经理。
1、开关柜填写按先高压后低压顺序,多余栏目用“-”(柜号柜名及开关编号)。
变压器试验记录DQ1-17单位工程名称工程编号型号容量(KV A)号位相数电压(KV)制造厂接线组别电流(A)出厂日期冷却方式短路阻扰(%)出厂编号直流电阻ΩI(Ω)Ⅱ(Ω)Ⅲ(Ω)Ⅳ(Ω)Ⅴ(Ω)低压侧A aB bC c误差(%)误差(%)变压比铭牌变化分接开关位置高压侧电压(V)低压侧电压(V)实测变比变比误差(%)1..1.2/1.1.21.2.3/1.2.31.3.1/1.3.11.11.2 1.21.3 1.31.1 1.11.2 1.21.3 1.31.1IⅡⅢⅣⅤ接线组别(或极性)检查绝缘试验项目测试部位绝缘电阻(MΩ)及吸收比交流耐压泄漏电流介质换失角正切值tgδ(%)温度(0C)R60’吸收比频电压(KV)时间(min)直流电压(V)泄漏电流(μA)高压-低及地低压-高压及地绝缘油油别油号击穿电压(KV)第一次第二次第二次第四次第五次平均值结论试验施工班(组)长:质检员:技术负责人:年月日建设(监理)单位专业工程师:年月日说明:适用于线圈电力变压器试验,三线圈的,可按规范要求内容绘制表格填写。
电力肖弧线圈和油浸电抗器试验亦可适用上表。
表中“直流电阻”栏低压侧应根据绕组是否在中性点引出。
确定检查线间或相间直流电阻值,并在栏内填写清楚。
变压器调试记录范文一、调试目的变压器作为电力系统的重要设备之一,在其安装和投入运行之前必须进行调试,以保证其正常安全运行。
本次调试的目的是对现场安装好的变压器进行测试和检查,确保其各项指标符合要求,同时发现并解决可能存在的问题。
二、调试时间和地点调试时间:2024年8月1日至8月5日地点:XX变电所三、调试人员和设备调试人员:1.负责调试工作的技术人员:张工、李工、王工2.监工:刘工程师设备:1.变压器2.变压器油样采集器3.环境温湿度检测仪4.直流电压表、交流电压表5.电流表6.绝缘电阻测试仪7.变压器偏差综合测试仪四、调试内容和步骤1.外观检查a.检查变压器绝缘子、油箱、阀门、冷却器等设备的外观是否有损坏。
b.检查地脚螺栓是否紧固。
2.绝缘电阻测试a.使用绝缘电阻测试仪对变压器的绕组和绝缘子进行测试,记录测试结果。
b.确保绝缘电阻满足要求。
3.油温测试a.使用环境温湿度检测仪对变压器油温进行测试并记录。
b.确保油温在正常范围内。
4.油样采集和测试a.使用变压器油样采集器采集变压器油样。
b.将油样送往实验室进行测试,包括溶解气体检测、水分含量、酸值、耐张强度等指标。
5.全部绕组直流电阻测量a.使用直流电压表对变压器的绕组进行直流电阻测量。
b.记录测量结果。
6.变压器空载试验a.检测变压器是否有短路或接线错误。
b.施加额定电压,记录各相电压和电流值。
c.检查变压器运行是否正常,是否有异常现象。
7.变压器负载试验a.分别施加额定负载电流,逐步增加负载。
b.检查变压器运行是否正常,记录各项指标。
8.零序电流测试a.使用综合测试仪对变压器的零序电流进行测试。
b.记录测试结果。
9.调功率测试a.使用综合测试仪对变压器的调功率进行测试。
b.记录测试结果。
五、现场记录根据以上调试内容和步骤,我对变压器进行了详细的测试和检查,以下是调试记录:1.外观检查:变压器各部件和设备外观完好,无损坏情况。
地脚螺栓紧固。
电气设备测试、调试记录C7-6-001设备种类试验V记录项目检验V调试V配电箱、ZXA-1-4主要试验、检验、调试内容:1、母线连接压接牢固。
2、隔离开关,负荷开关分、合灵活。
3、开关动触头与静触头接触良好,接触面均匀。
4、工作零线与保护零线分别压接牢固。
5、漏电开关,按试验按钮,动作灵活。
6、通电试验、检验,各种仪表、指标正常,线电压均为400V。
结论及处理意见:经检验及通电试运行开关电气完好,符合运行规范要求同意进行下一验收程序。
2022年年10月14日参加人员电气技术负责人电管人员安全员试验、检验、调试人员临时用电电气设备试验、检验、调试记录AQ-C7-6工程名称5#商品住宅楼等35项(顺义区赵全营镇镇中心区E1-03、E3-03、E3-04等地块居住、商业(配建限价商品房)(原板桥二期)项目)编号C7-6-002设备种类生活区、办公区、食堂电气安装试验V记录项目检验V调试V1、选用电器材料合格。
2、日光灯选用电子起动,开关控制相线。
3、插座与照明分开敷设,选用单相220V/20A漏电开关控制。
4、开关选用按板式控制相线,距门边水平距离合格。
5、线路敷设选用PVC塑料线槽,电线为BV塑铜线。
6、送电试运行正常,测试相电压230V。
7、选用电器材料合格。
8、插座与照明分开敷设,选用220V/20A漏电开关控制。
9、开关选用防水型、控制相线,距门边水平距离合格。
10、插座选用防水型,安装高度合格。
11、线路敷设选用PVC塑料线槽,电线为BV塑铜线。
12、电器金属外壳与保护零线可靠连接。
13、控制开关分、合灵活,漏开动作正常。
14、送电试运行正常相电压230V。
结论及处理意见:经检验及通电试运行开关电气完好,符合运行规范要求同意进行下一验收程序。
2022年年10月20日参加人员电气技术负责人电管人员安全员试验、检验、调试人员临时用电电气设备试验、检验、调试记录AQ-C7-6工程名称5#商品住宅楼等35项(顺义区赵全营镇镇中心区E1-03、E3-03、E3-04等地块居住、商业(配建限价商品房)(原板桥二期)项目)编号C7-6-003设备种类试验V记录项目检验V调试VFXB1#8#二级电箱主要试验、检验、调试内容:1、电缆两端压接紧固,接触良好。
设备调试记录Ⅰ基本要求和内容(1)电气设备调试记录应包括高低压配电装置、电力变压器、发电机组、备用和不间断电源设备、电气动力设备和低压电器等电气设备的试验调整报告、交接试验报告和电气设备(系统)试运行记录等。
(2)高压的电气设备和布线系统及继电保护系统的试验调整和交接试验必须符合现行国家标准《电气装置安装工程电气设备交接试验标准》GB50150〔以下简称GB50150〕的规定,并出具试验调整、交接试验报告。
(3)低压的电气设备和布线系统的试验调整和交接试验应符合现行国家标准GB50303规定,并出具试验调整和交接试验报告。
(4)发电机交接试验包括静态试验和运转试验,其试验部位、试验内容和试验结果应符合设计要求、设备技术文件和现行国家标准GB50303规定,并填写试验调整和交接试验报告,并经有关人员签证齐全。
(5)现场单独安装的低压电器交接试验内容、试验结果应符合现行国家标准GB50303规定,并填写试验调整、交接试验报告,并经有关人员签证齐全。
(6)高低压变配电装置试运行应符合以下规定:1)试运行应在试运行前有关的电气试验调整、交接试验项目完成,并出具合格试验调整、交接试验报告,以及施工单位编制出书面试运行方案或作业指导书,明确试运行程序后,方可开展;2)二次回路应在绝缘电阻测试合格后,方可接通控制电源和操作电源,模拟试验二次回路的控制、联锁、保护和信号等动作均必须符合设计要求,且灵敏可靠、正确无误。
若有不正常,必须查明原因,排除故障,并做好记录;3)试运行过程应严格按照设备技术文件和试运行方案中的程序和步骤认真操作,做好各项调试,测量记录各项运行数据,检查各部位有无异常情况;4)试运行过程若出现质量事故,必须查明事故原因,及时处理,并做好记录;5)填写试运行记录,并经有关人员签证齐全。
(7)发电机组试运行应符合以下规定:1)发电机组空载试运行应在静态试验、随机配电盘控制柜接线检查合格后开展;2)负荷试运行应在调试和空载试运行合格后开展;3)试运行过程应严格按照设备技术文件和试运行方案中的程序和步骤认真操作,做好各项调试,测量记录各项运行数据,检查各部位有无异常情况;4)按设计的自备电源使用分配预案开展预定负荷试验,机组连续运行12h,无机械、电气等故障和无漏油、漏水、漏气等缺陷,试运行合格,才能投入使用;5)发电机馈电线路连接后,两端的相序应与原供电系统的相序一致;6)试运行过程若出现质量事故,必须立即停车,查明事故原因,及时处理,并做好记录;7)填写试运行记录,并经有关人员签证齐全。
17变压器现场调试记录调试日期:202X年XX月17日调试地点:XX变电站调试人员:1.主变压器操作员:张师傅2.调试工程师:李工程师3.值班操作员:王师傅调试目的:对17号变压器进行现场调试,确保其正常运行,并检查各项指标是否符合要求。
调试步骤及记录:1.值班操作员王师傅将17号变压器开关切换到试验运行位置,等待变压器升温至设定温度。
2.调试工程师李工程师检查变压器警报系统是否正常工作,并进行初步检查,确保变压器外观无明显损坏或渗漏。
3.张师傅依据操作规程对变压器进行通风系统的测试,确保冷却系统正常工作,并记录各项指标如下:-冷却系统压力:正常,为0.5MPa;-冷却系统温度:正常,为30℃。
4.李工程师检查变压器绝缘系统的运行情况,并测量绝缘电阻。
记录如下:-绝缘电阻:正常,为500MΩ。
5.张师傅依据操作规程进行变压器的油温保护系统测试,并记录油温如下:-油温:正常,为45℃。
6.李工程师对变压器的有载调压性能进行测试,以确保其输出电压稳定。
记录如下:-电压波动范围:正常,波动范围在允许范围内(±2%);-调压器动作情况:正常。
7.张师傅对变压器的绕组温度进行测量,并记录如下:-A相绕组温度:正常,40℃;-B相绕组温度:正常,41℃;-C相绕组温度:正常,39℃。
8.李工程师对变压器的接地系统进行测试,记录如下:-接地电阻:正常,为3Ω。
9.张师傅对17号变压器进行负载测试,将其负载率逐渐增加至额定负载的85%,并观察变压器运行情况以及各项指标的变化。
记录如下:-负载率:正常,稳定在85%;-温升情况:正常,温升符合规定范围。
10.最后,李工程师对变压器的保护系统进行测试,确保各项保护措施可靠运行。
记录如下:-过流保护:正常;-过温保护:正常;-过载保护:正常。
调试结果及建议:经过以上调试步骤的检查和测试,17号变压器各项指标均符合要求,正常运行。
根据现场调试结果,建议在日常运行中注意以下事项:1.定期检查变压器冷却系统的工作状态,确保维持正常的冷却效果。
《变电站电气设备调试记录方案》一、项目背景随着电力需求的不断增长,变电站作为电力系统的重要组成部分,其安全稳定运行至关重要。
为了确保变电站电气设备的正常运行,提高供电可靠性,需要对变电站的电气设备进行全面的调试和记录。
本次调试记录方案旨在规范变电站电气设备调试过程,明确调试步骤和要求,确保调试结果的准确性和可靠性。
二、施工步骤1. 调试前准备(1)熟悉设备图纸和技术资料,了解设备的性能和参数。
(2)准备调试所需的仪器仪表和工具,如万用表、示波器、兆欧表等。
(3)检查调试现场的安全设施和环境条件,确保调试工作的安全进行。
2. 变压器调试(1)测量变压器的绕组直流电阻,检查各绕组的电阻值是否符合要求。
(2)进行变压器的变比测量,核对变压器的变比是否与铭牌相符。
(3)测量变压器的绝缘电阻,包括绕组对地、绕组间的绝缘电阻。
(4)进行变压器的空载试验,测量变压器的空载电流和空载损耗。
(5)进行变压器的负载试验,测量变压器的负载电流和负载损耗。
3. 高压开关柜调试(1)检查高压开关柜的外观和机械结构,确保开关柜的外观完好,机械操作灵活可靠。
(2)进行高压开关柜的绝缘电阻测量,包括母线对地、相间的绝缘电阻。
(3)进行高压开关柜的工频耐压试验,检验开关柜的绝缘强度。
(4)检查高压开关柜的二次回路,确保二次回路接线正确,信号指示准确。
(5)进行高压开关柜的断路器调试,包括断路器的分合闸时间、同期性等参数的测量。
4. 低压开关柜调试(1)检查低压开关柜的外观和机械结构,确保开关柜的外观完好,机械操作灵活可靠。
(2)进行低压开关柜的绝缘电阻测量,包括母线对地、相间的绝缘电阻。
(3)检查低压开关柜的二次回路,确保二次回路接线正确,信号指示准确。
(4)进行低压开关柜的断路器调试,包括断路器的分合闸时间、脱扣器动作电流等参数的测量。
5. 继电保护装置调试(1)检查继电保护装置的外观和接线,确保装置的外观完好,接线正确。
(2)进行继电保护装置的定值校验,核对保护定值是否与设计要求相符。
《变电站电气设备调试记录方案》一、项目背景随着电力需求的不断增长,变电站作为电力系统的重要组成部分,其稳定运行至关重要。
为了确保变电站电气设备的安全可靠运行,提高供电质量,需要对变电站的电气设备进行全面的调试。
本次调试的变电站为[变电站名称],该变电站主要承担着[供电区域]的电力供应任务。
变电站内的电气设备包括变压器、断路器、隔离开关、互感器、避雷器等。
本次调试的目的是检验这些电气设备的性能是否符合设计要求,以及在运行过程中是否存在潜在的问题。
通过调试,可以及时发现并解决问题,为变电站的正式投运做好准备。
二、施工步骤1. 调试前准备(1)熟悉电气设备的技术资料和调试要求,制定详细的调试计划。
(2)准备好调试所需的仪器仪表、工具和材料,确保其性能良好、精度符合要求。
(3)对调试人员进行技术培训和安全交底,明确调试任务和注意事项。
(4)检查电气设备的安装情况,确保设备安装牢固、接线正确。
2. 变压器调试(1)测量变压器的绕组直流电阻,检查各相绕组电阻是否平衡,与出厂值相比是否有明显变化。
(2)进行变压器的绝缘电阻测试,包括绕组对地绝缘电阻、绕组间绝缘电阻等,判断变压器的绝缘状况。
(3)进行变压器的变比测试,检查变压器的变比是否符合设计要求。
(4)进行变压器的空载试验,测量变压器的空载电流和空载损耗,检查变压器的铁芯质量。
(5)进行变压器的负载试验,测量变压器的负载电流和负载损耗,检查变压器的绕组质量。
3. 断路器调试(1)进行断路器的绝缘电阻测试,检查断路器的绝缘状况。
(2)进行断路器的导电回路电阻测试,检查断路器的接触电阻是否符合要求。
(3)进行断路器的分合闸时间测试,检查断路器的分合闸速度是否符合要求。
(4)进行断路器的低电压动作试验,检查断路器在低电压下能否可靠动作。
4. 隔离开关调试(1)进行隔离开关的绝缘电阻测试,检查隔离开关的绝缘状况。
(2)进行隔离开关的接触电阻测试,检查隔离开关的接触是否良好。
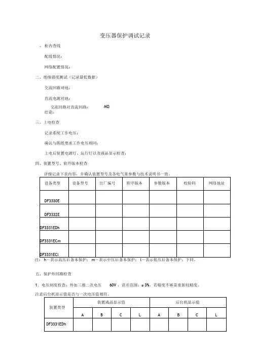
变压器保护调试记录
、柜内查线
配线情况:
网络配置情况:
二、绝缘强度测试(记录最低数据)
交流回路对地:
直流电源对地:
交流回路对直流回路:MΩ
结论:
三、上电检查
记录系统工作电压:
确认与图纸要求工作电压相同:
上电后装置电源灯、运行灯以及液晶显示检查:
四、装置型号、软件版本检查
五、保护外回路检查
1.电压刻度检查:外加三相二次电压60V ,误差范围:± 3%,若精度不够需重新较精度。
2
3
4
六、定值整定:
1. 按照保护定值通知单的要求,逐项进行定值整定,整定完毕后,立即打印定值单,并与调度定值通知单核对,修改、核对无误后,打印正式定值单附后。
3. 检查保护及跳合闸压板:
根据定值单检查柜内所有保护、跳闸出口压板,记录检查结果。
;跳闸出口压板投: ;跳闸出口压板投:
结论:
七 . 跳合闸回路及遥控功能测试:
1.
2.
八、保护整组测试
保护压板投: 保护压板退:
1. 模拟保护动作,传动开关,记录整组动作情况。
(记录填写时,可根据实际情况删减,下
2.
八、二次回路测试:
附 1:现场打印保护定值单。
箱变调试记录表箱变调试检查项目表项目工号服务起止日期年月日—年月日产品编号检查项内容完成情况备注一般检查1、箱变外形、箱门、外封板螺丝、填料函等有无变形或脱落。
□是□ 否2、元件及型材安装,是否与图纸相符并符合相关技术要求。
□是□ 否3、各元器件一次部分连接是否与一次系统图一致。
□是□ 否4、高压部分螺栓紧固检查:真空断路器、负荷开关、电流互感器、电压互感器、变压器分接头、水平母排、电缆夹、绝缘护套、绝缘子。
□是□ 否5、低压部分螺栓紧固检查:水平母排、框架及塑壳断路器输入输出侧、变压器输入输出端、单柜分支母排、电流互感器支架、绝缘子、绝缘防护板。
□是□ 否6、二次回路接线是否正确,二次端子螺丝是否紧固。
侧重于:电压互感器二次线、电流互感器二次线、控制变压器输入输出接线。
□是□ 否7、电气间隙及爬电距离检查:电压等级(kV) 0.4 0.69 7.2 12 24电气间隙(mm) ≥10 ≥18 ≥100 ≥125 ≥180爬电距离(mm) ≥14 ≥24 ≥144 ≥240 ≥480□是□ 否8、柜内清洁检查:工具、螺丝、电缆残留物、灰尘及其它异物清除。
□是□ 否机械操作1、对安装在柜内的所有手动操作部件,如接地刀、隔离开关、机械联锁机构操作检查。
□是□ 否2、抽出式部件手动操作:连接位置、试验位置、分离位置动作是否灵活。
□是□ 否电气调试1、一、二次回路绝缘阻值(脱开电压互感器熔断器)测量:高压2500V绝缘摇表测量,相间及对地不低于10兆欧;低压500V绝缘摇表测量,相间及对地不低于0.5兆欧;二次控制回路--万用表兆欧档测量,大于20欧以上。
□是□ 否2、上电前,检查高压进线、低压馈线一次电缆连接是否可靠固定以及紧固;接地刀、高低压断路器处于分闸状态;柜内门处于关闭状态。
□是□ 否3、箱变上电,保护装置定值整定,由高压到低压,逐次上电。
□是□ 否4、电气联锁:超温、网门、失压脱扣、急停试验。
XXXXX电力工程有限公司电气设备试验调试报告报告类型: 800kVA箱式变压器试验报告日期: 2014年 10 月 10 日客户名称: XXXXX有限公司项目名称: XXXXX有限公司3*800kVA箱变安装项目审核:批准:编制:10KV变压器现场试验记录型号: SCB10—800/10 额定容量:800KVA 额定电压:10/0。
4 日期:2014 9出厂序号:1485252 联接组标号:Dyn11生产厂家:新疆邦特电器制造有限公司阻抗电压:6。
06%三:铁心对地绝缘电阻; 500MΩ五:绕组连同套管的绝缘电阻(MΩ)实验结论:所做试验项目结果符合GB50150—2006规程有关规定使用仪器:MODEL—3125数字式高压绝缘电阻测试仪 GSBZC型全自动变比测试仪高压试验变压器GCSB-6KVA/50KV GC644—10A直流电阻测试仪试验负责人:编制:试验人员:天气:晴试验温度:20℃试验日期:年月日10KV高压柜现场试验记录柜号:1# 计量柜结论:所做试验项目结果符合GB50150-2006柜号:2#出线柜结论:所做试验项目结果符合GB50150—2006使用仪器:高压试验变压器GCSB—10KVA/50KV MODEL—3125数字式高压绝缘电阻测试仪试验负责人:编制:试验人员: 天气: 晴试验温度:20℃试验日期:年月日10KV氧化锌避雷器现场试验记录使用仪器:MODEL-3125数字式高压绝缘电阻测试仪直流高压发生器 ZGF—120/2试验负责人:编制:试验人员: 天气: 晴试验温度:20℃试验日期:年月日低压柜现场调试记录一.GGD低压柜主母线绝缘电阻(MΩ)二.低压出线各回路绝缘电阻(MΩ)使用仪器:MODEL—3125数字式高压绝缘电阻测试仪试验负责人:编制:试验人员:天气: 晴试验温度:20℃试验日期:年月日接地网现场测试记录使用仪器:GC2571数字接地电阻测试仪0。
JL7.5-14-0704NS913低压变压器保护测控装置调试大纲及调试记录版本:V1.1装置编号调试日期调试人员质检人员南京南自科技发展有限公司南京南自电气科技有限公司2007年6月版本声明本调试大纲适用于软件版本V4.43,与之相对的软件与硬件信息如下:调试大纲版本修改记录检验报告总表1.通电前检测1.1外观检查外观检查内容如下:a.机箱表面无碰伤;b.油漆喷塑均匀、色泽无差异;c.印制线路板干净、无助焊剂;d.键盘接触可靠;e.指示灯布置整齐、液晶窗口无划痕。
本项结论:1.2参数检查对照装置铭牌,检查下列内容:a) 检查电源模块,电源输入电压与铭牌一致;开入量回路电阻选用与电源电压相符;b) 检查继电器模块,与本型号保护装置相符合,继电器回路以及开入量回路电阻选用与电源电源相符。
c) 检查继电器模块上元件方向,特别注意二极管方向正确。
如果调试前无特殊要求,J1(2.3)应插入短接,即TWJ继电器在印制板上直接与HQ(X6-6)端子相短接;如果用户要求TWJ单独由X6-2端子输出,则用镀银的铜丝将J1(2,3)断开。
本项结论:合格1.3 CPU模块检测对照印刷电路板,检查下列内容:a.元器件方向、位置焊接正确,特别检查钽电容焊接方向正确、U01(TMS320F206)DSP器件管腿之间无短路;b.测量+5V;5VGND;A VDD(+5V)、A VSS(-5V)与AGND;-12V与AGND;+24V与24VGND电源回路无短路;c.J5应插入短接帽短接,J1、J2程序固化插入短接帽短接,其余短接块插入短接帽但不短接。
本项结论:1.4装置接地检测测量装置接地端子X1-3与机箱上、下、左、右、前、后各部分电阻,阻值应小于0.5欧姆。
本项结论:合格2.绝缘、耐压检验2.1绝缘性能测量各输入、输出回路对地以及各输入、输出回路之间的绝缘电阻,其阻值应大于100MΩ.本项结论:合格2.2耐压性能在强电回路对地以及强电回路之间施加2000V漏电流为5mA的工频电压、历时1分钟,要求无闪烁、击穿现象。
变压器保护调试记录
一、柜内查线
配线情况:
网络配置情况:
二、绝缘强度测试(记录最低数据)
交流回路对地: MΩ
直流电源对地: MΩ
交流回路对直流回路: MΩ
结论:
三、上电检查
记录系统工作电压: V
确认与图纸要求工作电压相同:。
上电后装置电源灯、运行灯以及液晶显示检查:。
四、装置型号、软件版本检查
详细记录下表内容,并确认装置型号及各电气量参数与技术说明书一致。
注:h-表示高压后备本保护;m-表示中压后备本保护;l-表示低压后备本保护;下同。
五、保护外回路检查
1.电压刻度检查:外加三相二次电压60V,误差范围:±3%,若精度不够需重新较精度。
注意后台机显示值是否与一次电压值相符。
2.电流刻度检查:外加三相二次电流5A,误差范围:±3%,若精度不够需重新较精度。
注意后台机显示值是否与一次电流值相符。
3.开入量检查:
4.开出传动:
六、定值整定:
1. 按照保护定值通知单的要求,逐项进行定值整定,整定完毕后,立即打印定值单,并与调度定值通知单核对,修改、核对无误后,打印正式定值单附后。
3. 检查保护及跳合闸压板:
根据定值单检查柜内所有保护、跳闸出口压板,记录检查结果。
保护压板投:;跳闸出口压板投:。
保护压板退:;跳闸出口压板投:。
结论:。
七. 跳合闸回路及遥控功能测试:
1. 跳合闸回路测试:
八、保护整组测试
1.模拟保护动作,传动开关,记录整组动作情况。
(记录填写时,可根据实际情况删减,下同)
2. 模拟本体、有载瓦斯动作,传动开关,记录动作情况。
七、控制开关型号
八、二次回路测试:
1. CT二次回路检查
2. 控制回路绝缘检查
3. 相互动作结论:
附1:现场打印保护定值单附2:使用仪表。