变压器运行方式
- 格式:doc
- 大小:49.00 KB
- 文档页数:11
变压器的运行原理
变压器是一种用来改变交流电压的电气设备,其运行原理主要基于电磁感应和法拉第电磁感应定律。
变压器主要由一个铁芯和两个绕组组成,分别是输入侧的初级绕组和输出侧的次级绕组。
首先,当交流电流通过变压器的初级绕组时,产生的磁场会使铁芯磁化,从而在次级绕组中感应出电动势。
根据法拉第电磁感应定律,感应电动势的大小与磁场的变化率成正比,因此变压器的初级和次级绕组匝数的比值决定了输出电压和输入电压的比值。
其次,由于铁芯的存在,可以大大增强磁场的传导效果,减小电磁泄漏,提高变压器的效率。
铁芯的磁化特性也对变压器的运行有重要影响,通常使用硅钢片制成的铁芯可以减小铁芯的磁滞和涡流损耗,提高变压器的效率和稳定性。
此外,变压器的运行还受到电阻、感抗和容抗等因素的影响。
电阻会导致变压器的损耗,感抗和容抗会影响变压器的电流和功率因数,需要在设计和运行过程中进行合理的补偿和控制。
总的来说,变压器的运行原理是利用电磁感应的原理,通过变压器的变压比和铁芯的磁化来改变输入和输出的电压。
在实际应用中,需要考虑电阻、感抗和容抗等因素,以确保变压器的稳定运行和高效率的电压变换。
变压器作为电力系统中的重要设备,承担着电压变换和电力传输的重要功能,对电力系统的运行和稳定性起着至关重要的作用。
变压器按用途可以分为:电力变压器和特殊变压器(电炉变、整流变、工频试验变压器、调压器、矿用变、音频变压器、中频变压器、高频变压器、冲击变压器、仪用变压器、电子变压器、电抗器、互感器等)。
那么变压器如何操作呢,变压器操作有什么秘诀吗?1.变压器的停、送电操作顺序的规定及变压器工作状态分类1.1变压器停送电操作顺序主变压器停、送电操作顺序是:停电时先停负荷侧,后停电源侧;送电时先送电源侧,后送负荷侧,原因是:a.多电源时,按上述顺序停电,可以防止变压器反充电,若先停电源侧,遇有故障可能造成保护误动或拒动,延长故障切除时间,扩大停电范围。
b.从电源侧逐级送电,如遇故障便于按送电范围检查。
c.当负荷侧母线电压互感器带有低频减载装置,且未装电流闭锁时,停电先停电源侧,可能由于大型同步电动机的反馈,使低频减载装置误动作。
1.2变压器工作状态分类运行后的变压器工作状态分四种状态,即运行状态、热备用状态、冷备用状态和检修状态。
运行状态:变压器的断路器、隔离开关都处在合闸位置的运行工作状态;热备用状态:变压器只断开断路器,隔离开关仍在合闸位置的非运行工作状态;冷备用状态:变压器的断路器、隔离开关都在分闸位置的非运行工作状态;检修状态:变压器所有断路器、隔离开关已断开,并完成了装设地线,悬挂标示牌,设置临时遮栏等安全技术措施的非运行状态。
2.变压器的运行电压规定2.1运行电压的范围规定运行电压一般不应高于运行分接额定电压的105%,对于特殊的使用情况,允许不超过110%的额定电压运行。
2.2电流与电压的关系电流与电压的关系按下式:当负荷电流/额定电流=K,(0≤K≤1)时,按U(%)=110-5K2对运行电压U进行限制。
2.3电压过高对变压器的影响和危害电源电压升高,磁通Фm增加,从而使励磁电流Im增加,励磁电流是无功电流,因而无功增加,变压器允许通过的有功功率降低。
另外电压升高,磁通增大,使铁心饱和产生过激磁,造成变压器的电压、磁通波形畸变(形成峰波),高次谐波分量增加,因而增加电机和线路的附加损耗,产生系统的谐振过电压,破坏电气设备绝缘,同时高次谐波要干扰附近的通讯线路。
第二篇 变压器的运行规程1.变压器的运行方式:1.1变压器的允许运行方式1.1.1变压器额定运行方式1.1.1.1变压器在额定使用条件下,可按铭牌规范连续运行。
1.1.1.2油浸自冷方式的变压器其上层油温的允许值最高不得超过95℃,一般不宜超过85℃。
1.1.1.3强迫油循环风冷的变压器上层油温一般不超过75℃,最高不超过85℃。
1.1.1.4干式变压器其各部分的温升不得超过100℃(测量方法:电阻法)。
运行中温度按一般不超过110℃,最高温度不超过130℃。
1.1.1.5变压器的外加一次电压可以较额定电压为高,但一般不得超过相应分接头电压值的5%。
无论电压分接头在任何位置。
若所加一次电压不超过其额定值的5%,则变压器的二次侧可带额定电流。
1.1.2变压器允许的过负荷运行方式:1.1.2.1变压器可以在正常过负荷和事故过负荷的情况下运行。
正常过负荷的允许值应根据变压器的负荷曲线、冷却介质温度以及过负荷前变压器接带的负荷来确定。
事故过负荷只允许在事故情况下(例如运行中的若干台变压器中有一台损坏,又无备用变压器。
则其余变压器允许按事故过负荷运行)使用。
变压器存在较大缺陷(如冷却系统不正常、严重漏油、色谱分析异常等)时不准过负荷运行。
过负荷的最高值:油浸自冷变压器不应超过额定容量的30%,强油风冷变压器不应超过20%。
1.1.2.2变压器在过负荷运行时,应投入全部冷却装置。
1.1.2.3全天满负荷工作的变压器不宜过负荷运行。
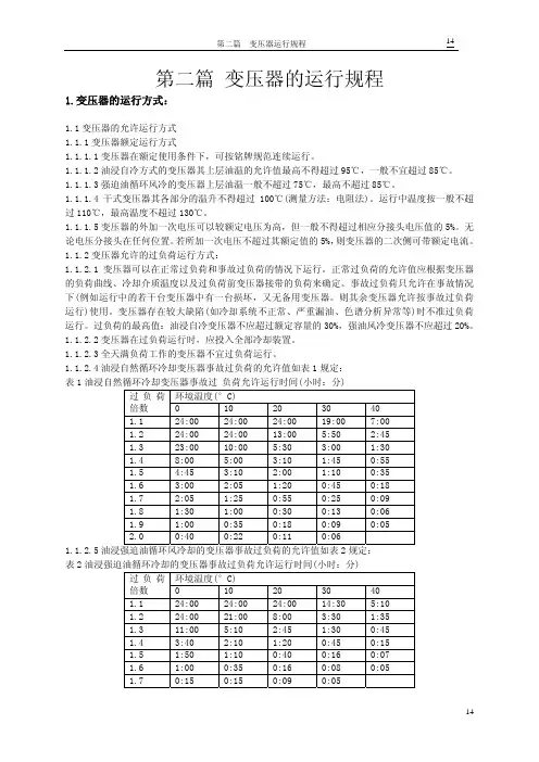
1.1.2.4油浸自然循环冷却变压器事故过负荷的允许值如表1规定:表1油浸自然循环冷却变压器事故过 负荷允许运行时间(小时:分)环境温度(°C)过负荷倍数 0 10 20 30 401.1 24:00 24:00 24:00 19:00 7:001.2 24:00 24:00 13:00 5:50 2:451.3 23:00 10:00 5:30 3:00 1:301.4 8:00 5:00 3:10 1:45 0:551.5 4:45 3:10 2:00 1:10 0:351.6 3:00 2:05 1:20 0:45 0:181.7 2:05 1:25 0:55 0:25 0:091.8 1:30 1:00 0:30 0:13 0:061.9 1:00 0:35 0:18 0:09 0:052.0 0:40 0:22 0:11 0:061.1.2.5油浸强迫油循环风冷却的变压器事故过负荷的允许值如表2规定:表2油浸强迫油循环冷却的变压器事故过负荷允许运行时间(小时:分)过负荷环境温度(°C)倍数 0 10 20 30 401.1 24:00 24:00 24:00 14:30 5:101.2 24:00 21:00 8:00 3:30 1:351.3 11:00 5:10 2:45 1:30 0:451.4 3:40 2:10 1:20 0:45 0:151.5 1:50 1:10 0:40 0:16 0:071.6 1:00 0:35 0:16 0:08 0:051.7 0:15 0:15 0:09 0:051.1.2.6变压器经过事故过负荷以后,应将事故过负荷的大小和持续时间记入变压器的技术档案内。
变压器运行方式
大地零位为标准,电气接地才安全。
配变运行多方式,TT、TN、和IT。
TN系统又分三,TN.S、TN.C,
还有TN.C.S,接地系统任你选。
我国低压配电系统主要有TT方式(三相四线制,电源有一点与地直接连接,负荷侧电气装置外露可导电部分连接的接地极与电源接地极无电气联系)、TN方式、和IT(三相三线)方式,其中TN方式又可分成TN-S(三相五线制),TN-C(三相四线制)、TN-C-S(由三相四线制改为三相五线制)三种形式,见表6-6。
其中,第一个T 表示变压器中性点接地(另一个T表示用电设备机壳的某一点接地),I表示绝缘不接地或经高阻抗接地,N表示保护侧外壳牢固接到系统接地点或称接零,S表示中性线和保护导线分别接地,C表示中性线和保护导线共同接地(PEN导线)。
目前主要接地系统有TT、TN-C、IT。
在一个接地系统中不得与其他接地系统混用。
我国厂矿企业通常采用TT系统,即“三相四线制”供电。
当供电线路与用电设备距离不是很远时,也常采用TN-S系统,即“三相五线制”。
变压器经济运行方式
变压器经济运行方式就是指在保证正常运行的基础上,以尽可能节约能源和降低成本的方式运行变压器。
变压器是电力传输中不可缺少的设备,用于变换电力电压,保证电力安全稳定地传输。
而经济运行方式则可以让变压器在满足这一基本功能的同时,达到最佳的经济效益,为电力行业带来更高的效益和更长远的发展。
为实现变压器经济运行,需要从多方面入手,如有效控制变压器的损耗和热量发散;建立完善的电能管理制度和完备的故障及缺损检测体系,及时发现并定位问题,从而进行及时维护和更换;同时,还需要在变压器的选型、设计和施工过程中尽可能降低投资成本,提高设备的质量和工作效率。
近年来,随着经济的不断发展和电力需求的快速增长,变压器经济运行越来越受到重视。
通过采用节能技术和先进的管理方法,可以减少能源浪费,节约电力成本,保证电力稳定供应,促进电力产业可持续健康发展。
因此,变压器经济运行方式已经成为电力行业推广的一个重要目标。
变压器运行方式1.l变压器运行方式(1)变压器在运行中,电压在额定值的±5%以内变动时,其额定容量不变;(2)变压器外加一次电压可以比额定电压高,最高不超过相应分接头额定电压值的105%;(3)变压器三相负荷不平衡时,不平衡电流不得超过额定电流的10%,且必须严格监视最大相的负荷电流值不得超过额定值;(4)02号启备变有载调压装置,正常运行时投入〃远方、电动〃位置;(5)主变、02号启备变、高厂变均为A级油浸电力变压器,励磁变、低压厂变为F级干式变压器,运行中的环境温度为40℃时,其温升、温度的限额见表26.1;表26-1变压器温升、温度的限额设备名称主变02号启备变及高厂变励磁变低压厂变冷却方式强油油浸风冷干式干式风冷限额温升(OC)油温45458080绕组6375上层油温限值油温8595(℃)报警温度(°C)油温7575120绕组8585冷却风机启动油温555580温度(℃)绕组冷却风机停用油温454560温度(Oe)绕组(6)为防止绝缘油加速劣化,自然循环风冷变压器油温不超过85℃,强迫油循环风冷变压器油温不超过75℃;(7)强油风冷式变压器正常运行时,必须投入冷却器;(8)变压器可以在正常过负荷和事故过负荷的情况下运行,控制变压器上层油温不超过规定值;监视干式变压器线圈温度不超过规定值;(9)变压器存在较大缺陷时(如冷却系统不正常,严重漏油,色谱分析异常等)不允许过负荷运行;(10)变压器过负荷运行时,必须投入全部冷却器,并加强对变压器上层油温的监视和对变压器的检查;(Il)油浸式变压器允许短时间过负荷能力见表26-2(正常寿命,过载前已带满负荷、环境温度40。
C);表26-2油浸式变压器变压器过载的允许时间过电流(%)允许运行时间(min)204803012045606045752010010(12)干式变压器过负荷允许运行时间见表26-3;表26-3干式变压器过负荷允许运行时间过负荷倍数允许运行时间(min)过负荷倍数允许运行时间(min)1.2120 1.520 1.380 1.610 1.445。
变压器的工作原理是什么变压器是一种常见的电气设备,它在电力系统中起着非常重要的作用。
它的工作原理是通过电磁感应的方式来实现电压的变换。
在变压器中,主要通过互感器原理来实现电能的传递和变换,从而实现电压的升降。
接下来,我们将详细介绍变压器的工作原理。
首先,变压器由铁芯和线圈构成。
铁芯是变压器的主要部件,它能够有效地集中磁场,从而实现电能的传递。
线圈则是通过绕制在铁芯上,分为初级线圈和次级线圈。
当通过初级线圈加上交流电压时,就会在铁芯中产生交变磁场,这个磁场会穿过次级线圈,从而在次级线圈中感应出电动势,从而实现电压的变换。
其次,根据电磁感应定律,变压器工作时,磁通量的变化会在次级线圈中感应出感应电动势。
当次级线圈中的导体形成闭合回路时,感应电动势会产生感应电流,从而实现电能的传递。
同时,根据电磁感应定律,感应电动势的大小与磁通量的变化率成正比,因此可以通过改变初级线圈的匝数来实现电压的升降。
最后,变压器的工作原理可以用数学公式来描述。
根据电磁感应定律和法拉第电磁感应定律,可以得到变压器的变压比公式,U1/U2=N1/N2,其中U1和U2分别表示初级和次级线圈的电压,N1和N2分别表示初级和次级线圈的匝数。
这个公式表明了变压器的电压变换与线圈匝数的关系,从而可以实现不同电压等级之间的电能传递。
综上所述,变压器的工作原理是通过电磁感应的方式来实现电压的变换。
通过铁芯和线圈的结构,以及电磁感应定律和数学公式的描述,可以清晰地了解变压器的工作原理。
在电力系统中,变压器起着非常重要的作用,它能够实现电压的升降,从而适应不同电气设备的需要,保障电力系统的正常运行。
希望通过本文的介绍,读者能够更加深入地了解变压器的工作原理。
变压器经济运行方式的分析摘要:如今我们都在倡导建设节约型社会和低碳型社会,变压器的使用能够很好帮助我们节约用电。
变压器的经济运行是在保证变压器正常运行、传输的电量能够满足生产的需要的基础上,充分运用现有的设备,通过选择变压器运行的最佳方式、变压器的运行位置以及优化负载调整器等措施技术,最大程度上降低变压器对电能的损耗,从而提高电源侧功率。
经过严密分析计算的变压器经济运行方式,能够在少花投资甚至是不花投资的基础上,运用科学的管理办法,利用已有的设备,达到节约用电的目的。
关键词:变压器;经济运行方式;实现方式引言变压器的经济运行指的是在经济技术允许以及保证安全生产条件下,运用优选运行方式,进行适当的负载调整,改善变压器运行的条件,减少变压器对电能的损耗。
实现变压器的经济运行能够降低投资、充分运用设备、从而实现节约用电。
因此,我们有必要对变压器的经济运行方式和实现方法进行探讨,从而不断推进节约型社会和低碳型社会的建设。
1.电力变压器的工作原理特点变压器的一次绕组(一次绕组)与交流电源接通后,经绕组内流过交变电流产生磁通,在这个磁通作用下,铁芯中便有交变磁通,即一次绕组从电源吸取电能转变为磁能,在铁芯中同时交(环)链原、副边绕组(二次绕组),由于电磁感应作用,分别在原、二次绕组产生频率相同的感应电动势。
如果此时二次绕组接通负载,在二次绕组感应电动势作用下,便有电流流过负载,铁芯中的磁能又转换为电能。
这就是变压器利用电磁感应原理将电源的电能传递到负载中的工作原理。
2.影响变压器经济运行的原因分析2.1 变电技术方法落后现阶段,还有不少变电运行管理人员还在依靠人为经验来确定变压器的运行方式,不能真正根据电网的复杂特性以及实际变电运行特点选择最科学的变压器运行方式。
此外,一些变电运行部门虽然制定了变压器经济运行方案,但主要还是以负载的变化情况为依据,在执行过程中往往需要与调度工作人员进行协调才能确定负载的变化情况,变电运行的智能调节水平较低,在可靠性方面还存在不足。
变压器并列运行的条件及方式
变压器并列运行的条件是:
1. 类型相同:并列运行的变压器应该是同一类型的变压器,即输入输出电压和频率相同。
2. 空载参数相近:并列运行的变压器应具有相似的空载参数,如短路阻抗和空载电流等。
3. 额定容量接近:并列运行的变压器的额定容量应该接近,以确保负载能够平均分配。
4. 相序一致:并列运行的变压器的相序应该一致,以避免相序不一致导致的问题。
变压器并列运行的方式有两种:
1. 主变和备变并列运行:将主变和备变的高压侧和低压侧分别通过并联装置连接在一起,当主变故障时,备变能够自动接替主变运行。
2. 并列运行:将多台变压器的高压侧和低压侧通过并联装置连接在一起,平均分配负载,提高供电能力。
在并列运行时,需要通过控制器或开关装置来确保各变压器的运行状态协调一致。
变压器运行方式定义变压器是一种常见的电力设备,用于改变交流电的电压。
它通过电磁感应的原理,将输入的交流电能转换成所需的输出电压。
变压器运行方式包括两种:单相运行和三相运行。
一、单相变压器运行方式单相变压器是指只有一个绕组的变压器。
它由一个铁芯和两个绕组组成,一个绕组称为初级绕组,另一个绕组称为次级绕组。
单相变压器有两种运行方式:自耦变压器和互感变压器。
自耦变压器是指初、次级绕组共用一部分线圈的变压器。
它的原理是通过改变绕组的接线方式,使得输入电压和输出电压之间产生不同的变压比。
自耦变压器适用于需要较小变压比的场合,例如调节电源电压。
互感变压器是指初、次级绕组没有共用线圈的变压器。
它的原理是通过绕组之间的磁耦合作用,实现电能的传递和变压。
互感变压器适用于需要较大变压比的场合,例如电力系统中的输电和配电。
二、三相变压器运行方式三相变压器是指有三个绕组的变压器。
它由一个铁芯和三个绕组组成,分别称为高压绕组、中压绕组和低压绕组。
三相变压器有两种运行方式:星形运行和三角形运行。
星形运行是指变压器的高压绕组和低压绕组都采用星形接线。
在星形运行方式下,高压绕组和低压绕组的线电压和相电压相等,变压比为1:1。
星形运行方式适用于电力系统中的配电和终端供电。
三角形运行是指变压器的高压绕组和低压绕组都采用三角形接线。
在三角形运行方式下,高压绕组和低压绕组的线电压和相电压之间存在变压比关系。
三角形运行方式适用于电力系统中的输电和长距离传输。
三相变压器的运行方式可以根据实际需求进行选择,以满足不同的电力传输和供电要求。
总结起来,变压器的运行方式包括单相运行和三相运行。
单相变压器有自耦变压器和互感变压器两种运行方式,适用于不同的变压比要求。
三相变压器有星形运行和三角形运行两种方式,适用于不同的电力传输和供电需求。
通过合理选择变压器的运行方式,可以实现电能的传输和变压,满足电力系统的正常运行和用电需求。
变压器运行方式1主题内容与适用范围本规程规定了电力变压器(下称变压器)运行的基本要求、运行方式、运行维护、不正常运行和处理,以及安装、检修、试验、验收的要求。
本规程适用于电压为1kV及以上的电力变压器。
2引用标准GB1094.1~1094.5电力变压器GB6450干式电力变压器DL400继电保护和安全自动装置技术规程SDJ7电力设备过电压保护设计技术规程SDJ8电力设备接地设计技术规程SDJ9电气测量仪表装置设计技术规程SDJ2变电所设计技术规程DL/T573-95电力变压器检修导则3基本要求3.1保护、测量、冷却装置3.1.1变压器应按有关标准的规定装设保护和测量装置。
干式变压器有关装置应符合相应技术要求。
3.1.2装有气体继电器的油浸式变压器,无升高坡度者,安装时应使顶盖沿气体继电器方向有1%~1.5%的升高坡度。
3.1.3变压器的冷却装置应符合以下要求:a.按制造厂的规定安装全部冷却装置;b.风扇的附属电动机应有过负荷、短路及断相保护;3.1.4变压器应按下列规定装设温度测量装置:a.应有测量顶层的温度计(柱上变压器可不装),无人值班变电站内的变压器应装设指示顶层最高值的温度计;b.干式变压器应按制造厂的规定,装设温度测量装置。
3.2有关变压器运行的其它要求3.2.1变压器应有铭牌,并标明运行编号和相位标志。
3.2.2变压器在运行情况下,应能安全地查看顶层温度。
3.2.3室内安装的变压器应有足够的通风,避免变压器温度过高。
3.2.4变压器室的门应采用阻燃或不燃材料,并应上锁。
门上应标明变压器的名称和运行编号,门外应挂“止步,高压危险”的标志牌。
3.3技术文件3.3.1变压器投入运行前,应保存好技术文件和图纸。
a.制造厂提供的说明书、图纸及出厂试验报告;3.3.1.2检修竣工后需交:a.变压器及附属设备的检修原因及检修全过程记录;3.3.2每台变压器应有下述内容的技术档案:a.检修记录;b.预防性试验记录;c.变压器保护和测量装置的校验记录;4变压器运行方式4.1一般运行条件4.1.1变压器的运行电压一般不应高于该运行分接额定电压的105%。
对于特殊的使用情况,允许在不超过110%的额定电压下运行。
4.1.2干式变压器的温度限值应按制造厂的规定。
4.1.3变压器三相负载不平衡时,应监视最大一相的电流。
接线为YN,yn0的大、中型变压器允许的中性线电流,按制造厂及有关规定。
接线为Y,yn0(或YN,yn0)和Y,Zn11(或YN,zn11)的配电变压器,中性线电流的允许值为额定电流的25%和40%,或按制造厂的规定。
4.2变压器在不同负载状态下的运行方式4.2.1负载电流和温度的最大限值。
各类负载状态下的负载电流和温度的最大限值如表2所示,顶层油温限值为105℃。
当制造厂有关于超额定电流运行的明确规定时,应遵守制造厂的规定。
表2变压器负载电流和温度最大限值负载类型配电变压器中型电力变压器大型电力变压器正常周期性负载负载电流(标么值)1.5 1.5 1.3 热点温度与绝缘材料接触的金属部件的温度(℃)140 140 120长期急救周期性负载负载电流(标么值)1.8 1.5 1.3 热点温度与绝缘材料接触的金属部件的温度(℃)150 140 130短期急救负载负载电流(标么值)2.0 1.8 1.5 热点温度与绝缘材料接触的金属部件的温160 160度(℃)4.2.8长期急救周期性负载的运行4.2.8.1长期急救周期性负载下运行时,将在不同程度上缩短变压器的寿命,应尽量减少出现这种运行方式的机会;必须采用时,应尽量缩短超额定电流运行的时间,降低超额定电流的倍数,按制造厂规定投入备用冷却器。
4.2.8.2当变压器有较严重的缺陷(如冷却系统不正常,有局部过热现等。
)或绝缘有弱点时,不宜超额定电流运行。
4.2.8.3在长期急救周期性秀载下运行期间,应有负载电流记录。
4.2.9短期急救负载的运行4.2.9.1短期急救负载下运行,相对老化率远大于1,绕组热点温度可能达到危险程度。
在出现这种情况时,应投入包括备用在内的全部冷却器(制造厂另有规定的除外),并尽量压缩负载、减少时间,一般不超过0.5h。
当变压器有严重缺陷或绝缘有弱点时,不宜超额定电流运行。
5变压器的运行维护5.1变压器的运行监视5.1.1无人值班变电站内的变压器,应经常监视仪表的指示,及时掌握变压器运行情况。
监视仪表的抄表数由现场规程规定。
当变压器超过额定电流运行时,应作好记录。
无人值班变电站的变压器应在每次定期检查时记录其电压、电流和顶层温度,以及曾达到的最高顶层温度等。
对配电变压器应在最大负载期间测量三相电流,并设法保持基本平衡。
5.1.2变压器的日常巡视检查,可参照下列规定:a.变压器每小时巡视一次,夜间应有一次巡检;5.1.3在下列情况下应对变压器进行特殊巡视检查,增加巡检查次数:a.新设备或经过检修、改造的变压器在投运72h内;b.有严重缺陷时;c.气椽突变(如大风、大雾、大雪、冰雹、寒潮等)时;d.雷雨季节特别是雷雨后;e.高温季节、高峰负载期间;f.变压器急救秀载运行时。
5.1.4变压器日常巡视检查一般包括以下内容:a.变压器的温度和温度计应正常;b.外部无破损裂纹、无放电痕迹及其它异常现象;c.变压器音响正常;d.各冷却器手感温度应相近,风扇、运转正常;e.引线接头、电缆、母线应无发热迹象;f.有载分接开关的分接位置及电源指示应正常;g.干式变压器的并部表面应无积污;i.变压器室的门、窗、照明应完好,房屋不漏水,温度正常;5.1.5应对变压器作定期检查(检查周期由现场规程规定),并增加以下检查内容:a.外壳应无异常发热;b.各部的接地应好;必要时应测量铁芯和夹层的接地电流;c.各种标志应齐全明显;d.各种保护装置应齐全、良好;e. 各种温度计应在检定周期内,超温信号应正确可靠;f.消防设施应齐全完好;g.室内变压器通风设备应完好;5.1.6下述维护项目的周期,可根据具体情况在现场规程中规定:a.清扫变压器污物;b. 清扫冷却系统影响散热的污物;c. 各种控制箱和二次回路的检查和清扫,各种接线点和二次回路的检查清扫。
5.2变压器的投运和停运5.2.1在投运变压器之前,值班人员应仔细检查,确认变压器及其保护装置在良好状态,具备带电运行条件。
并注意外部有无异物,临时接地线是否已拆除,分接开关位置是否正确。
5.2.2运用中的备用变压器应随时可以投入运行。
长期停运者应定期充电,同时投入冷却装置。
5.2.3变压器投运和停运的程序在现场规程中规定,并须遵守下列各项:a.变压器的充电应在有保护装置的电源侧用断路器操作,停运时应先停负载侧,后停电源侧。
b.允许用熔断器投切空载配电变压器和66kV的站用变压器。
5.2.4新投运的变压器应按GBJ148中2.10.1条和2.10.3条规定试运行。
更换绕组后的变压器参照执行,其冲击合闸次数为3次。
5.2.5新装、大修、事故检修后的变压器,应空载运行24小时。
5.2.6干式变压器在停运和保管期间,应防止绝缘受潮。
5.3瓦斯保护装置的运行5.3.1变压器运行时瓦斯保护装置应接信号和跳闸,有载分接开关的瓦斯保护应接跳闸。
5.5变压器分接开关的运行维护5.5.1无励磁调压奕压器在变换分接时,应作多次转动,以便消除触头上的氧化厝和油污。
在确认变换分接正确并锁紧后,测量绕组的直流电阻。
分接变情况应作记录。
10kV及以下变压器和消弧线圈变换分接时的操作和测量工作,也可在现场规程中自行规定。
5.5.2为防止开关在严重过负载或系统短路时进行切换,宜在有载分接开关控制回路中加装电流闭锁装置,其整定值不超过变压器额定电流的1.5倍。
5.6厂用变压器,应加强清扫,防止污闪、封堵孔洞,防止小动物引起短路事故。
5.7.新装或变动过内外连接接线的变压器,运行前必须核定相位。
5.8变压器的经济运行5.8.1变压器的投运应按照负载情况,从安全、经济原则出发,合理安排,使总损耗最小。
6变压器的不正常运行和处理6.1运行中的不正常现象和处理6.1.1值班人员在变压器运行中发现不正常现象时,应设法尽快消除,并报告上级和做好记录。
6.1.2变压器有下列情况之一者应立即停运,运用中的备用变压器,应尽可能先将其投入运行:a.变压器声响明显增大,很不正常,内部有爆裂声;b.套管有严重的破损和放电现象;c.变压器冒烟着火。
6.1.3当发生危及变压器安全的故障,而变压器的有关保护装置拒动时,值班人员应立即将变压器停运。
6.1.4当变压器附近的设备着火、爆炸或发生其他情况,对其压器构成严重威胁时,值班人员应立即将变压器停运。
6.1.5变压器温升高超过制造厂规定的限值时,值班人员应按以下步骤检查处理:a.检查变压器的负载和冷却介质的温度,并与在同一负载和冷却介质温度下正常的温度核对;b.核对温度测量装置;c.检查变压器冷却装置或变压器室的通风情况。
若温度升高的原因是由于冷却系统的故障,且在运行中无法修理者,应将变压器停运修理;若不能立即停运修理,则值班人员应按现场规程的规定调整变压器的负载至允许运行温度下的相应容量。
在正常负载和冷却条件下,变压器温度不正常并不断上升,且经检查证明温度指示正确,则认为变压器已发生内部故障,应立即将变压器停运。
变压器在各种超额定电流方式下运行,若顶层温度超过105℃时,应立即降低负载。
6.1.6铁芯多点接地而接地电流较大时,应安排检修处理。
在缺陷消除前,可采取措施限流,并加强监视。
6.1.7系统发生单相接地时,应监视变压器的运行情况。
6.2瓦斯保护装置动作的处理6.2.2在查明原因消除故障前不得将变压器投入运行。
为查明原因应重点考虑以下因素,作出综合判断:a.保护及直流等二次回路是否正常;b.变压器外观有无明显反映故障性质的异常现象;c.必要的电气试验结果;d.变压器其它继电保护装置动作情况。
6.3变压器跳闸和灭火6.3.1变压器跳闸后,应立即查明原因。
如综合判断证明变压器跳闸不是由于内部故障所引起,可重新投入运行。
若变压器有内部故障的征象时,应作进一步检查。
6.3.2变压器跳闸后,应立即投入运用中的备用中变压器。
6.3.3变压器着火时,应立即断开电源,停运冷却器,并迅速采取灭火措施,防止火势蔓延。
7变压器的安装、检修、试验和验收7.1奕压器的安装项目和要求,应按GBJ148中的要求,以及制造厂的特殊要求。
7.2运行中的变压器是否需要检修和检修项目及要求,应在综合分析下列因素的基础上确定:a.电力变压器检修工艺导则推荐的检修周期和项目;b.结构特点和制造情况;c.运行中存在的缺陷及其严重程度;d.负载状况和绝缘老化情况;e.历次电气试验结果;f.与变压器有关的故障和事故情况;g.变压器的重要性。