100NB45冷凝泵凝结水泵
- 格式:doc
- 大小:108.00 KB
- 文档页数:3
凝结水泵的原理及用途
凝结水泵是一种将蒸汽凝结后的水回收再利用的设备。
其原理是利用热交换器将高温高压的蒸汽传递给低温低压的凝结水,使蒸汽冷凝成水,从而达到回收再利用的目的。
凝结水泵通常用于工业生产中,特别是在蒸汽动力装置中,如发电厂、化工厂、纸浆厂等。
在这些生产过程中,大量的蒸汽会被释放到空气中,造成能源浪费和环境污染。
凝结水泵可以回收这些蒸汽,将其转化为可再利用的水源,从而节约能源和降低环境污染。
此外,凝结水泵还可以帮助提高生产效率和降低生产成本。
汽轮机介绍之凝结水泵的概述及技术规范凝结水泵是汽轮机系统中的重要设备,主要用于将凝结水从凝结器送回锅炉再次蒸发。
本文将对凝结水泵的概述和技术规范进行详细介绍。
一、凝结水泵概述凝结水泵是一种具有高性能和高可靠性的泵,主要用于输送高温、高压和具有悬浮颗粒物的凝结水。
其工作原理是通过泵的叶轮转动产生压力,将凝结水从凝结器中抽出,再通过输水管道输送至锅炉中。
凝结水泵通常由电动机、泵体、叶轮、轴承和密封件组成。
凝结水泵的主要特点如下:1.高效性能:凝结水泵采用先进的涡流泵技术,具有优异的水力性能和高效的蒸汽排放能力。
能够满足汽轮机系统对凝结水输送的需求。
2.高可靠性:凝结水泵采用特殊设计的轴承和密封件,具有良好的耐久性和可靠性,能够在长时间的工作中保持稳定的运行状态。
3.适应性强:凝结水泵能够适应不同温度和压力的凝结水输送需求,并能够处理具有悬浮颗粒物的介质。
4.结构紧凑:凝结水泵采用紧凑的结构设计,占地面积小,便于安装和维修。
二、凝结水泵技术规范凝结水泵的性能和使用要求需要符合相关的技术规范。
以下是常见的凝结水泵技术规范要求:1.流量范围:凝结水泵的流量范围应满足实际工况的需求。
一般来说,流量范围应在设计点的80%~120%之间。
2.扬程范围:凝结水泵的扬程范围应满足实际工况的需求。
通常,扬程范围应在设计点的90%~110%之间。
3.效率要求:凝结水泵的效率要求应满足指定工况下的效率要求,通常要求不低于90%。
4.运行稳定性:凝结水泵的运行稳定性要求应满足相关的规范要求,包括振动、噪声、温升等指标。
5.材料要求:凝结水泵的主要构件,如泵体、叶轮、轴承等,应采用耐高温、耐腐蚀的材料,以保证泵的正常工作。
6.安全保护:凝结水泵应配备相应的安全保护装置,如温度传感器、振动传感器、过压保护装置等,以保证系统运行的安全可靠性。
7.维护要求:凝结水泵应具备方便清洗和维护的设计,如便于拆卸叶轮、进水室和泵体的设计,以减少维护时间和成本。
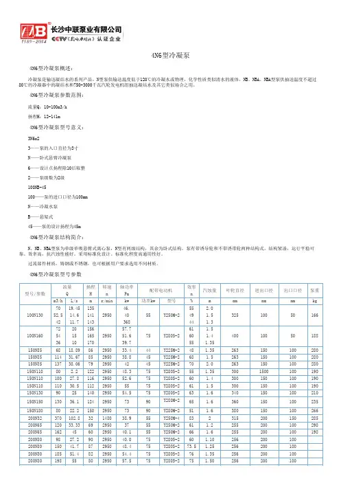
N型冷凝泵的使用说明N型冷凝泵的概述:冷凝泵是输送凝结水的系列产品。
N型泵供输送温度低于120℃的冷凝水或物理,化学性质类似清水的液体。
N型冷凝泵的参数范围:流量Q:10-100m³/h扬程H:12-141mN型冷凝泵的型号意义:3N6x23——泵的入口直径为3寸N——卧式悬臂冷凝泵6——设计点扬程除10后取整2——泵级数为2级N型冷凝泵的结构说明:N型泵为单级单吸悬臂式离心泵,N型有两级结构,其余为卧式结构。
泵有带诱导轮和不带诱带轮两种结构式。
结构紧凑,运行平稳可靠、效率高,抗汽蚀性能好。
采用标准化设计、标准化程度高通用性好。
过流部件材质:铸钢或不锈钢,也可根据用户要求选用不同材质。
一、泵的安装1、开箱后检查泵和电机,如果证实没有任何因装、卸和运输过程中造成的损坏和紧固连接件松动,泵的进出口封盖完好,无污物等进入泵内,则可直接送到使用现场去安装。
2、安装泵的基础平面应用水平仪找平,待基础水泥凝固后,将泵安装在基础上,并用水平仪校正底座,应严格检查泵轴和电机轴的同心度,联轴器外圆偏移允差0.1毫米,两联轴器端面间隙一周上最大和最小的间隙差别不得超过0.3毫米。
3、泵的吸入管路和压出管路应设有支撑,不允许管路的重量直接由泵来承受,检查管路,仪表等接口处密封是否良好。
二、泵的使用1、启动1)、准备必要的工具2)、检查悬架体储油室之油位,应控制在油位计中心线2毫米左右的位置上。
3)、检查电动机的转动方向是否与泵的转向相符,严禁反转。
4)、用手转动联轴器,应感觉轻松且轻重均匀,并注意辨别泵内有无磨擦声和异物滚动等杂音,如有应设法排除。
5)、关闭吐出管道闸阀及出口压力表、排净泵内空气,使泵内和吸入管内充满液体。
6)、输送液体温度高于80℃时,泵要均匀预热,即用输送的高温液体注入泵体,打开各处的冷水管和密封室泄漏量控制旋塞,检查其流动情况及温度。
7)、启动电机(最好先点动,确认泵转动方向正确后才正式运行),打开进出口压力表,再慢慢打开出口管路闸阀到所需位置,将密封室泄漏量控制旋塞跳到适当位置。
N,Nb,Nba,gN,gNl型冷凝泵衡。
贸易顺差激增的原因在于:国际经济形势较好,国内生产能力过剩,企业出口愿望强烈。
前些年投资累计形成的加工生产能力现在逐步释放,使得国内市场竞争加剧,迫使企业努力扩大出口。
而我国出口中加工贸易比重大,较少受国内限制因素的制约,只要存在外部需求,加工贸易出口就可快速增长。
此外,出口退税政策等也刺激了经济对外需的过度依赖。
而近两年国际市场初级产品一直处于高价位,特别是近期国际油价再度暴涨,致使进口成本上升,在一定程度上降低了进口需求。
过大的贸易顺差,一方面造成贸易摩擦大量增加,人民币升值压力加大;另一方面也反映出国内需求某种程度的不足。
经济对外依存度高也加大了经济增长的风险。
造成贸易不平衡的根本原因在于我国在国际分工中的特殊地位,因而短期内迅速调整、实现贸易平衡的难度很大。
从长期来看,应通过提高自主创新能力,转变外贸增长方式,努力实现贸易平衡。
房地产行业中存在的问题需要高度重视。
房地产业是我国国民经济重要的支柱产业,房地产业的健康发展有利于国民经济的稳定运行,有利于全面建设小【NL系列立式泥浆泵】产品:【NL系列立式泥浆泵】产品简介:NL系列泥浆泵系单级单吸立式离心泵,主要部件有蜗壳、叶轮、泵座、泵壳、支撑筒、电机座、电动机等组成。
蜗壳、泵座、电机座、叶轮螺母是生铁铸造、耐腐性、耐腐蚀性较好,加工工艺方便。
叶轮为三片单园弦弯叶,选用半封闭叶轮,并采用可锻铸铁、所以强度高,耐腐蚀;加工方便,通过性好,效率高。
为了减轻重量和减少车削量、泵轴是优质碳素钢冷拉园钢制造。
泵座中装有四只骨架油封和轴套,防止轴磨损,延长轴的使用寿命。
NL系列泥浆泵可垂直或倾斜使用,占地面积小,蜗壳需埋在工作介质中工作,容易启动,不需弓I水,旋转方向应从电机尾部看是顺时针方向工作。
总机长度备有各种规格,以便使用单位根据用途因地制宜地选用。
【NL系列立式泥浆泵】型号意义:【NL系列立式泥浆泵】主要用途:1、NL系列多用液下泵系单级单吸离心泵,使用于矿山、造纸、印染、环保、石墨、云母、黄金、陶瓷、炼油、石油、化工、农场、盐场、碘场、染化、酿酒、食品、化肥、焦化选厂、建筑、大理石厂、金矿、泥浆、流沙、泥塘、污塘、污浊液送吸浓浆稠液、装料及悬浮物质的污水作业,也可作煤矿排水及含有泥块的流体。
凝结水泵的工作原理
凝结水泵是一种常见的水泵类型,它具有独特的工作原理。
凝结水泵主要用于
处理凝结水或液态物质的输送和泵送工作。
其工作原理如下:
首先,凝结水泵通过一个电动机或者其他类型的动力源驱动。
这个动力源会提
供足够的能量,将凝结水泵推动起来。
接下来,凝结水泵将凝结水或液态物质从低压区域抽取到高压区域。
凝结水泵
的内部通道和叶轮会产生一个较高的压力,使得凝结水或液态物质得以被泵送。
在凝结水泵内部,一个旋转的叶轮负责将凝结水或液态物质推向泵的出口。
当
动力源开始工作时,叶轮旋转并产生离心力,将凝结水或液态物质从泵的进口处吸入,并且通过泵的出口处排出。
在这个过程中,凝结水泵还使用一系列的密封装置,以确保泵的效率和安全性。
其中一种常见的密封装置是机械密封,它可以防止液体泵出时的泄漏。
总而言之,凝结水泵通过动力源的驱动,将凝结水或液态物质从低压区域抽取
到高压区域,并通过旋转的叶轮将其排出。
通过合理设计和运行,凝结水泵在许多工业和民用领域中发挥着重要的作用。
CONTENTS01020304050607N100N130150N11012080312120(m/h)38135(m)3N621060254N6A106025100N13001N83N64N6100N130 2.5N32 3N624N626N6150N1103ZCuZn16Si445HT200HT200(4N626N6)()ZCuZn16Si4 HT200ZCuAI10Fe3ZCuAI10Fe3022846151003042001501008060504030203015108654325Q (m /h )3H(m)05(%))/h 150140130120110100903210706050302010)1401301201104321060565248161284064206050403098765(%)32162.56055506555450501001500607上海连成集团简介◇荣获“中国驰名商标”“国家免检产品”◇上海连成(集团)有限公司是一家著名的以研究制造泵、阀等流体输送设备、电气控制系统和环保设备的多元化经营的大型集团企业。
经过十多年的发展,集团拥有四个工业园区,分布于上海和浙江等,总占地面积达21万平方米。
总部设在封浜工业园区;现有员工3500多人,大中专生占68%,其中中级职称者305人、高级职称者96人、国家级专家2人、教授5人;拥有连成泵业、连成电机、连成物流、连成阀门、连成环境工程设备、连成通用设备安装工程等6家全资子公司;其产品品种达一千多种,涵盖泵系列、变频控制系列、软启动柜、阀门、电机、成套供水设备系列,性价合理,质量可靠;广泛应用于市政、水利、建筑、消防、电力、环保、石油、化工、矿业、医药等领域。
销售收入连续多年在行业中名列前茅。
集团通过了ISO9001、ISO14001、OHSAS18001等认证,全面推行了ERP信息化管理,先后获得国家和行业颁发的消防、石油化工、煤矿等重要领域的生产许可证;荣获产品质量免检证书、CCC认证及CE认证、国家工商行政管理总局颁发的“中国驰名商标”、国家消费者协会授予的“全国质量服务满意单位”、全国给排水用户满意“十佳企业”及“上海市著名商标”、“上海市名牌产品”、“上海市百强私营企业”、上海“市级企业技术中心”、“上海市高新技术企业”等众多荣誉称号。
凝结水泵原理凝结水泵是一种常见的水泵类型,它利用凝结水的原理来实现水的输送和排放。
在工业和生活中,凝结水泵被广泛应用于空调系统、冷却系统、供水系统等领域。
本文将介绍凝结水泵的原理及其工作过程。
凝结水泵的原理是基于凝结水的自然现象。
当水蒸气冷却到一定温度时,会凝结成液态水。
凝结水泵利用这一原理,通过抽气和减压的方式,将凝结水从低压区域输送到高压区域,实现水的循环和输送。
凝结水泵主要由抽气装置、凝结器、泵体和输送管道组成。
首先,抽气装置通过减压将低压区域的凝结水抽入凝结器中,然后凝结器将凝结水冷却成液态水。
接着,泵体将液态水从凝结器中抽出,并通过输送管道输送到需要的地方。
整个过程中,抽气装置不断将低压区域的水蒸气抽入,形成循环输送的效果。
凝结水泵的工作过程可以简单描述为,首先,抽气装置通过减压将低压区域的水蒸气抽入凝结器中,然后凝结器将水蒸气冷却成液态水。
接着,泵体将液态水从凝结器中抽出,并通过输送管道输送到需要的地方。
整个过程中,抽气装置不断将低压区域的水蒸气抽入,形成循环输送的效果。
凝结水泵具有结构简单、运行可靠、维护方便等优点,因此被广泛应用于各种场合。
在空调系统中,凝结水泵可以将凝结水排出,保持空调系统的正常运行;在冷却系统中,凝结水泵可以将冷却水输送到需要的地方,起到冷却作用;在供水系统中,凝结水泵可以将凝结水从水箱中抽出,保持供水系统的正常运行。
总之,凝结水泵通过利用凝结水的原理,实现了水的输送和排放。
它在工业和生活中扮演着重要的角色,为各种系统的正常运行提供了保障。
希望本文的介绍能够让读者对凝结水泵有一个更加深入的了解。
电厂凝结水泵安装标准:
电厂凝结水泵的安装标准主要包括以下步骤:
1.将电机端联轴器装在电机轴外伸端。
2.把电机吊起,放在电机支座上。
3.泵与电机的找中心、连接。
以泵联轴器为基准,盘动电机转子测量圆周和端面偏差。
4.将百分表支在联轴器下端面,用汽机房行车及倒链将泵轴提升到行程上限,从百分
表读出泵轴总窜量。
5.调整倒链,将泵轴下落到厂家要求位置。
6.用联接螺栓将两联轴器上紧,复查中心。
7.安装附属管路,包括水泵密封水管路、轴承冷却水管道、吸入、吐出、密封水压力
表以及脱气管等。
8.根据厂家提供的图纸和技术要求,检查设备外观及零部件是否无碰伤、锈蚀等现象。
同时,检查电机开箱时是否有运输过程中的损伤,线圈是否受潮。
9.根据垫铁布置图将垫铁位置铲平,根据水泵安装标高配制出相应的平垫铁。
10.根据厂家供图纸、资料、合格证等齐全性进行检查。
11.测量基础筒深及垂直度偏差,应符合要求。
地脚螺栓上的油脂、污垢应清理干净。
12.根据实际情况选择合适的动态轨迹线接法进行电机接线。
冷凝泵的用途冷凝泵是一种常见的工业设备,用于将气体或蒸汽冷凝为液体,以便进行后续处理或回收利用。
它在多个领域中发挥着重要的作用,下面将分别介绍其在制冷、空调、化工和电力行业中的应用。
1. 制冷行业中的应用在制冷系统中,冷凝泵通过将高温高压的气体冷却、压缩和冷凝,将其转化为液体形式。
这样可以方便进行储存和运输,并减少系统中的运行压力。
冷凝泵通常与蒸发器、压缩机等组件配合使用,构成完整的制冷循环系统。
2. 空调行业中的应用冷凝泵也是空调系统中的重要组成部分。
当空调系统中的蒸发器吸收热量后,冷凝泵将热气体冷却并压缩,使其转化为液体。
这样,空调系统能够通过循环运作,将热量从室内排出,从而实现降温效果。
冷凝泵在空调系统中的运行稳定性和效率对整个系统的性能起到至关重要的作用。
3. 化工行业中的应用在化工生产过程中,冷凝泵广泛应用于各种蒸汽回收、液化和冷却的工艺。
例如,在石油炼制过程中,冷凝泵用于将石油蒸汽冷凝成液体,以便进行下一步的分离和提取。
在化学反应中,冷凝泵也可用于将反应产生的蒸汽冷凝为液体,以便进行后续的处理和分离。
4. 电力行业中的应用在电力发电过程中,冷凝泵被广泛应用于蒸汽动力系统中。
在燃煤、燃气或核能发电厂中,冷凝泵用于将蒸汽冷凝为水,以便在锅炉中重新加热并循环使用。
这样可以提高发电效率,减少能源浪费。
冷凝泵在电力行业中的应用对于提高发电效率和保护环境具有重要意义。
冷凝泵在制冷、空调、化工和电力行业中的应用非常广泛。
它通过将气体冷凝为液体,方便储存、运输和后续处理。
冷凝泵的运行稳定性和效率对于各个行业的生产和能源利用起着重要作用。
随着技术的不断发展,冷凝泵的性能和效率也在不断提高,为工业生产和能源节约做出了重要贡献。
汽轮机凝结水系统设备介绍1、凝汽器1)概述凝汽器的主要功能是在汽轮机的排汽部分建立一个较低的背压,使蒸汽能最大限度地做功,然后冷却成凝结水,回收至热井内。
凝汽器的这种功能需借助于真空抽气系统和循环水系统的配合才能实现。
真空抽气系统将不凝结气体抽出;循环水系统把蒸汽凝结热及时带走,保证蒸汽不断凝结,既回收了工质,又保证排汽部分的高真空。
凝汽器除接受主机排汽、小汽机排汽、本体疏水以外,还接受低压旁路排汽,高、低加事故疏水及除氧器溢流水。
我公司的凝汽器为双壳体、单流程、双背压表面式凝汽器,并列横向布置。
由两个斜喉部、两个壳体(包括热井、水室、回热管系)、循环水连通管及底部的滑动、固定支座等组成的全焊接钢结构凝汽器。
(见图10-2)凝汽器喉部上布置组合式7、8号低压加热器、给水泵汽轮机排汽管、汽轮机旁路系统的三级减温器等。
在高压凝汽器和低压凝汽器喉部分别布置了喷嘴,当低压缸排汽温度高于80℃时保护动作。
汽轮机的5、6、7、8段抽汽管道及轴封回汽、送汽管道从喉部顶部引入,5、6段抽汽管道分别通过喉部壳壁引出,7、8段抽汽管接入布置在喉部内的组合式低压加热器。
壳体采用焊接钢结构,分为高压壳体和低压壳体,内有管板、冷却管束、中间隔板和支撑杆等加强件。
管板与端盖连接,将凝汽器壳体分为蒸汽凝结区和循环水进出口水室;中间隔板用于管束的支持和固定。
管束采用不锈钢管,布置方式见图10-3。
这种布置方式的特点是换热效果好,汽流在管束中的稳定性强。
由于布置合理,凝结水下落时可破坏下层管束的层流层,改善传热效果。
凝汽器壳体下部为收集凝结水的热井,凝结水出口设置在低压侧壳体热井底部,凝结水出口处设置了滤网和消涡装置。
循环水室内表面整体衬天然橡胶并整体硫化。
凝汽器循环水采用双进双出形式,前水室分为四个独立腔室,低压侧两个水室为进水室,高压侧两个水室为出水室;后水室为四个独立腔室,均为转向水室。
凝汽器与汽轮机排汽口采用不锈钢膨胀节挠性连接(图10-4),凝汽器下部支座采用PTFE(聚四氟乙烯)滑动支座,并设有膨胀死点及防上浮装置,补偿运行中凝汽器及低压缸的膨胀差,并避免凝结水和循环水的载荷对汽轮机低压缸的影响。
安国市石元水泵生产100NB45冷凝泵凝结水泵
100NB45型冷凝泵型号说明:
流量:24立方每小时
扬程:50米
转速:2950转每分钟
功率:7.5KW
效率:54%
汽蚀余量:0.84米
叶轮直径:196毫米
进口尺寸:DN100
出口尺寸:DN40
100NB45型冷凝泵特点:
N型泵有卧式、单级或多级、悬臂式及带诱导轮等多种结构形式。
主要由泵体、泵盖、叶轮、轴、轴套和支承部分构成。
3N6、4N6、4N6A及100N130型泵为卧式悬臂单级冷凝泵;2.5N3×2、3N6×2、4N6×2型泵为卧式悬臂两级冷凝泵;6N6及150N110是卧式悬臂带诱导轮单级冷凝泵。
轴承采用悬臂式托架装有两个滚动向心球轴承支承。
可承受未被平衡的轴向力,采用稀油润滑。
NB、NBA型泵是单级单吸悬臂式离心泵,主要由进水口、泵体、叶轮、轴和轴套等零件组成。
伸出端由一个滑动轴承和一对滚动轴承支承,滚动轴承用油脂润滑。
泵的轴封采用软填料密封或机械密封。
泵的传动通过弹性联轴器由电机直接驱动,从电机方向看,泵均为逆时针方向旋转。
凝结水泵概述:
N型泵,系单级单吸悬臂式离心冷凝泵。
NB、NBA型泵,系单级单吸悬臂式离心冷凝泵。
GN、GNL 型泵,系两级单吸离心式冷凝泵,适用于电厂,用来抽送冷凝器中的凝结水和750~3000kw汽轮发电机组抽送凝结水或物理、化学性质类似于水的其他液体之用。
液体温度不超过80℃。
泵进口压力不高于0.6MPa。
凝结水泵参数范围:
流量Q 11~120m3/s
扬程H 12~143m
凝结水泵型号说明:
100NB-45
100-泵进口口径(mm)
N-冷凝水泵
B-悬架式
45-泵的设计扬程m。