工程质量通病检查表
- 格式:doc
- 大小:306.50 KB
- 文档页数:20
东山110kV变电站工程质量通病防治措施执行情况检查记录表土建部分序号质量通病防治措施执行情况评价成果备注一、钢筋混凝土现浇楼板混凝土表面损伤如蜂窝、露筋、孔洞、夹渣匀质性差、裂缝等1.现浇板混凝土应采用中粗砂。
严把原材料质量关,优化配合比设计,适当减小水灰比。
2.当需要采用减水剂来提高混凝土性能时,应采用减水率高、分散性能好、对混凝土收缩影响较小的外加剂,其减水率不应低于 8%。
3.预拌混凝土的含砂率应控制在 40%以内,每立方米混凝土粗骨料的用量不少于 1000kg,粉煤灰的掺量不宜大于水泥用量的 15%。
4.预拌混凝土进场时应检查入模塌落度,塌落度值按施工规范采用。
5.严格控制现浇板的厚度和现浇板中钢筋保护层的厚度,特别是板面负筋保护层厚度,不使负筋保护层过厚而产生裂缝。
6.阳台、雨蓬等悬挑现浇板的负弯矩钢筋下面,应设置间距不大于 500mm 的钢筋保护层垫块,在浇筑混凝土时保证钢筋不移位。
双层双向钢筋,应设置钢筋撑脚,钢筋撑脚纵横间距不大于 500mm,应交叉分布,并对上下层钢筋作有效固定。
7.现浇板中的线管必须布置在钢筋网片之上(双层双向配筋时,布置在下层钢筋之上),交叉布线处应采用线盒,线管的直径应小于 1/3 楼板厚度,沿预埋管线方向应增设φ6@150、宽度不小于 450mm 的钢筋网带。
严禁水管水平埋设在现浇板中。
8.现浇板浇筑宜采用平板振动器振捣,在混凝土终凝前进行二次压抹。
9.现浇板浇筑后,应在终凝后进行覆盖和浇水养护,养护时间不得少于 7d;对掺用缓凝型外加剂或有抗渗性能要求的混凝土,不得少于 14d。
夏季应适当延长养护时间,以提高抗裂性能。
冬季应适当延长保温和脱模时间,使其缓慢降温,以防温度骤变、温差过大引起裂缝。
10.现浇板养护期间,当混凝土强度小于 1.2MPa 时,不得进行后续施工。
当混凝土强度小于 10MPa 时,不得在现浇板上吊运、堆放重物。
吊运、堆放重物时应减轻对现浇板的冲击影响。
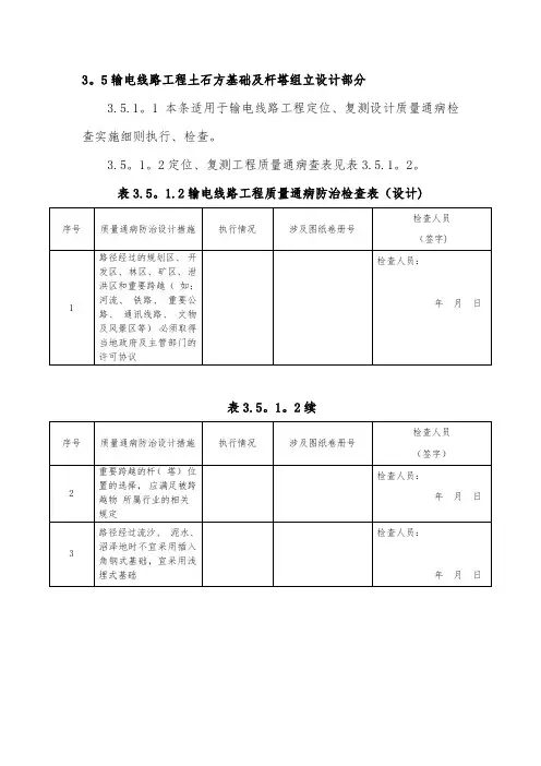
3。
5输电线路工程土石方基础及杆塔组立设计部分3.5.1。
1本条适用于输电线路工程定位、复测设计质量通病检查实施细则执行、检查。
3.5。
1。
2定位、复测工程质量通病查表见表3.5.1。
2。
表3.5。
1.2输电线路工程质量通病防治检查表(设计)表3.5。
1。
2续3.5.2.1本条适用于输电线路工程防护工程质量通病检查实施细则执行、检查。
3。
5.2.2防护工程质量通病查表见表3.5.2。
2。
表3.5.2。
2输电线路工程质量通病防治检查表(设计)3。
5。
3输电线路工程架线施工设计部分3。
5.3。
1本条适用于输电线路工程架线质量通病检查实施细则执行、检查。
3。
5。
3.2架线质量质量通病查表见表3.5.3.2。
表3。
5.3。
2输电线路工程质量通病防治检查表(设计)3.6输电线路工程土石方基础及杆塔组立施工部分3。
6.1。
1本条适用于输电线路工程定位、复测施工质量通病检查实施细则执行、检查。
3.6。
1.2定位、复测工程质量通病查表见表3.6。
1.2。
表3。
6.1。
2输电线路工程质量通病防治检查表(施工)3。
6。
2。
1本条适用于输电线路工程基础施工质量通病检查实施细则执行、检查.3。
6.2.2基础工程质量通病查表见表3。
6。
2。
2.表3。
6。
2。
2输电线路工程质量通病防治检查表(施工)表3.6.2。
2续3.6.3。
1本条适用于输电线路工程基础位移、扭转质量通病检查实施细则执行、检查。
3。
6.3。
2基础位移、扭转质量通病查表见表3。
6。
3。
2。
表3.6.3。
2输电线路工程质量通病防治检查表(施工)3.6。
4.1本条适用于输电线路工程混凝土质量质量通病检查实施细则执行、检查。
3。
6。
4。
2混凝土质量质量通病查表见表3。
6.4。
2。
表3.6。
4。
2输电线路工程质量通病防治检查表(施工)3。
6。
5。
1本条适用于输电线路工程接地沟埋设深度不够质量通病检查实施细则执行、检查.3.6。
5。
2接地沟埋设深度不够质量质量通病查表见表3。
附录1
砌体工程质量检查表
附录8
住宅工程电气配管不通、管内穿线、金属线管质量通病治理检查表
附录5
附录13
住宅工程质量通病防治任务书
(施工单位):
由你公司承建的工程以下内容列入住宅质量通病防治计划,具体项目如下:
1、楼板裂缝防治
2、填充墙裂缝防治
3、内外墙抹灰空鼓裂缝防治
4、外墙保温饰面层裂缝、渗漏防治
5、外窗渗漏防治
6、有防水要求的房间地面渗漏防治
7、屋面渗漏防治
8、卫生间等电位联接不规范防治
9、电气暗配管不通,管内穿线“死线”,金属线管有毛刺防户内配电箱及配线不规范防治10、户内配电箱安装及配线不规范防治
11、地漏安装不规范防治
12、散热器安装不规范及支管渗漏防治
防治住宅工程质量通病是有效提高工程质量、维护公众利益的重要举措,务求实效。
请参照《山东省住宅工程质量通病防治办法》的要求,认真编制上述项目的《住宅工程质量通病防治方案和施工措施》,经项目总监理工程师审查后,于年月日前报我单位批准。
(建设单位章)
年月日
附录14
住宅工程质量通病防治内容总结报告施工单位:
附件:份
附录15
住宅工程质量通病防治工作评估报告监理单位:
附录16
地基基础工程质量通病控制专项验收记录表
附录16
地基基础工程质量通病控制专项验收记录表
附录17
竣工工程质量通病控制专项验收记录表。
住宅工程质量通病防治任务书(施工单位):由你公司承建的工程以下内容列入住宅工程质量通病防治计划,具体项目如下:1、墙体裂缝防治(含填充墙体)2、钢筋混凝土现浇楼板裂缝防治3、楼地面渗漏防治4、外墙渗漏防治(含女儿墙、做R角、钝角处理)5、门窗渗漏防治(窗口粉滴水线、窗台放坡、玻璃胶密封性、窗框的排水)6、屋面渗漏防治7、室内标高和几何尺寸控制8、地下室渗漏防治9、给排水管道堵塞、滴漏防治防治住宅工程质量通病是有效提高住宅工程质量、维护公众利益的重要举措,任务实效。
《住宅工程质量通病防治方案和施工措施》,经项目总监理工程师审查后,于年月日前报我单位批准。
(建设单位章)年月日住宅工程质量通病防治设计交底记录住宅工程质量通病防治方案及措施审批表住宅工程质量通病防治施工技术措施交底记录住宅工程质量通病防治检查表(一)现浇楼板裂缝防治钢筋工程隐蔽工程验收记录现浇楼板裂缝防治砼工程隐蔽工程验收记录现浇楼板裂缝防治砼工程隐蔽工程验收记录墙体裂缝防治砌体工程隐蔽工程验收记录墙体裂缝防治砌体工程隐蔽工程验收记录墙体裂缝防治砌体工程隐蔽工程验收记录墙体裂缝防治粉刷基层处理隐蔽工程验收记录外墙防渗漏挑眼洞填堵隐蔽工程验收记录住宅工程质量通病防治检查表(二)建筑物室内高度测量记录建筑物室内标高、轴线、楼板厚度测量记录楼地面渗漏防治管道安装隐蔽工程验收记录楼地面渗漏防治管道安装隐蔽工程验收记录门窗渗漏防治、门窗制作安装隐蔽工程验收记录屋面渗漏防治隐蔽工程验收记录住宅工程质量通病防治检查表(三)【本文档内容可以自由复制内容或自由编辑修改内容期待你的好评和关注,我们将会做得更好】感谢您的支持与配合,我们会努力把内容做得更好!。
质量通病专项检查评分表项目名称所属单位项目经理项目总工考核项考核要求分值扣分得分1基坑支护、降排水及监测是否按照设计和规范要求设臵变形监测点并进行变形监测【不合格1分/处,最高2分】: 2 是否按照设计和规范要求进行支护施工【不合格1分/处,最高2分】: 2 降水是否满足图纸要求【不合格1分/处,最高2分】: 2 现场总平排水是否合理【不合格1分/处,最高2分】: 2 是否按要求进行楼栋的沉降观测【不合格1分/处,最高2分】: 2 合计102 桩基桩长和压力值是否符合设计要求【不合格1分/处,最高2分】: 2 预制桩的焊接【不合格1分/处,最高2分】: 2 桩身质量是否符合设计和规范要求【不合格1分/处,最高2分】: 2 合计63 混凝土现场是否存在混凝土缺陷未修复(夹渣、涨模、蜂窝、麻面、狗洞、漏筋、平整度、标高、收面质量、拆模损伤等)【3分/处,最高10分】:10 现场是否存在墙面、板面开裂、渗漏水【3分/处,最高10分】:10 现场构件尺寸偏差【不合格1分/处,最高3分】: 3 是否有的质量缺陷修补方案、修补记录、防治措施、修复不合格施工缝凿毛【未凿1分/处,最高5分】: 5 板使用平板振动器【未使用扣5分/处,部分使用扣3分】: 5 降板高低差【不符合设计2分/处,最高5分】: 5 养护【现场养护不到位5分】: 5 现场试验室【未设臵扣10分,设臵不合格扣5分】:10 现场同条件、标养试块留臵【不符合要求扣1-5分】: 5 相差2个标号及以上的高低标号分隔【措施无或无效5分/处,最高10分】10 现场回弹【主体3-5组、二次结构3组,10分,任一组不合格计0分】:数据附后10 现场混凝土质量控制重难点识别调查:现场问答。
混凝土施工总工对施工员值班的手写交底、责任旁站制:现场问答。
合计784 钢筋钢筋连接及锚固(搭接、电渣压力焊、直螺纹、焊接、锚固)【2分/处,最高10分】10 放射筋、板及箍筋加密区、吊筋、腰筋、悬挑构件钢筋【2分/处,最高10分】10 使用原材料不合格,钢筋调直设备,是否存在瘦身钢筋【10分】10 钢筋保护层【3组,3分/组】:数据附后9 合计395 模板模板工程后浇带拆模和回顶,是否单独支撑【2分/处,最高5分】: 5 支模架(加固、步距、间距、扫地杆、剪刀撑、边梁、大梁)【3分/处,最高10分】:10 预埋件、预留洞口的标高、定位、固定【2分/处,最高4分】:。
无质量通病工程检查记录表工程名称: 青岛九天国际飞行学院滨州大高分院综合楼表1建设单位(签章): 施工单位(签章):检查人: 检查人:监理单位(签章):检查人:年月日工程名称:青岛九天国际飞行学院滨州大高分院综合楼表2建设单位(签章):施工单位(签章):检查人:检查人:监理单位(签章):检查人:年月日工程名称:青岛九天国际飞行学院滨州大高分院综合楼表3建设单位(签章):施工单位(签章):检查人:检查人:监理单位(签章):检查人:年月日工程名称: 青岛九天国际飞行学院滨州大高分院综合楼表4-1建设单位(签章):施工单位(签章):检查人:检查人:监理单位(签章):检查人:年月日工程名称: 青岛九天国际飞行学院滨州大高分院综合楼表4-2建设单位(签章):施工单位(签章)检查人:检查人:监理单位(签章):检查人:年月日工程名称:青岛九天国际飞行学院滨州大高分院综合楼表5建设单位(签章) 施工单位(签章)检查人:检查人:监理单位(签章)检查人:年月日工程名称:青岛九天国际飞行学院滨州大高分院综合楼表6建设单位(签章) 施工单位(签章)检查人:检查人:监理单位(签章)检查人:年月日工程名称:青岛九天国际飞行学院滨州大高分院综合楼表7建设单位(签章):施工单位(签章):检查人:检查人:监理单位(签章):检查人:年月日工程名称:青岛九天国际飞行学院滨州大高分院综合楼表8建设单位(签章):施工单位(签章):检查人:检查人:监理单位(签章):检查人:年月日工程名称:青岛九天国际飞行学院滨州大高分院综合楼表9建设单位(签章):施工单位(签章):检查人:检查人:监理单位(签章):检查人:年月日工程名称: 青岛九天国际飞行学院滨州大高分院综合楼表10建设单位:(签章) 施工单位(签章):检查人:检查人:监理单位(签章):检查人:年月日工程名称: 青岛九天国际飞行学院滨州大高分院综合楼表11建设单位:(签章) 施工单位(签章):检查人:检查人:监理单位(签章):检查人:年月日工程名称: 青岛九天国际飞行学院滨州大高分院综合楼表12建设单位:(签章) 施工单位(签章):检查人:检查人:监理单位(签章):检查人:年月日工程名称: 青岛九天国际飞行学院滨州大高分院综合楼表13建设单位:(签章) 施工单位(签章):检查人:检查人:监理单位(签章):检查人:年月日工程名称:青岛九天国际飞行学院滨州大高分院综合楼表14建设单位(签章):施工单位(签章):检查人:检查人:监理单位(签章):检查人:年月日工程名称:青岛九天国际飞行学院滨州大高分院综合楼表15检查人:检查人:监理单位(签章)检查人:年月日。
墙柱拉结钢筋检查表
工程名称:检查部位:层至层
项目经理签字:总监理工程师签字:监督员签名:
检查时间:年月日注:本表每个工程填写一份;施工、监理对所有楼层全数检查;监督机构可使用钢筋扫描仪抽查;当监督机构使用本表时,监督员应在“监督员签名”栏签名,企业自查时不用签该栏。
混凝土同条件养护试件检查表
工程名称:检查部位:层至层
项目经理签字:总监理工程师签字:监督员签名:
检查时间:年月日注:本表每个工程填写一份;施工、监理对混凝土同条件试件全数检查;监督机构可抽查;当监督机构使用本表时,监督员应在“监督员签名”栏签名,企业自查时不用签该栏。
附录1
砌体工程质量检查表
附录8
附录9
住宅工程电气配管不通、管内穿线、金属线管质量通病治理检查表
附录2
住宅工程填充墙质量通病治理检查表
附录3
住宅工程墙面抹灰裂缝质量通病治理检查表
附录4
住宅工程外墙保温饰面面层裂缝、渗漏质量通病治理检查表
附录5
住宅工程外窗渗漏质量通病治理检查表
附录6
附录6
附录7
住宅工程屋面渗漏质量通病治理检查表
附录10
住宅工程配电箱安装及配线质量通病治理检查表
附录11
住宅工程地漏安装质量通病治理检查表
附录12
住宅工程散热器及支管质量通病治理检查表
附录13
住宅工程质量通病防治任务书
(施工单位):
由你公司承建的工程以下内容列入住宅质量通病防治计划,具体项目如下:
1、楼板裂缝防治
2、填充墙裂缝防治
3、内外墙抹灰空鼓裂缝防治
4、外墙保温饰面层裂缝、渗漏防治
5、外窗渗漏防治
6、有防水要求的房间地面渗漏防治
7、屋面渗漏防治
8、卫生间等电位联接不规范防治
9、电气暗配管不通,管内穿线“死线”,金属线管有毛刺防户内配电箱及配线不规范防治
10、户内配电箱安装及配线不规范防治
11、地漏安装不规范防治
12、散热器安装不规范及支管渗漏防治
防治住宅工程质量通病是有效提高工程质量、维护公众利益的重要举措,务求实效。
请参照《山东省住宅工程质量通病防治办法》的要求,认真编制上述项目的《住宅工程质量通病防治方案和施工措施》,经项目总监理工程师审查后,于年月日前报我单位批准。
(建设单位章)
年月日
注:本任务书一式三份,建设、监理、施工各一份
附录14
住宅工程质量通病防治内容总结报告施工单位:
附件:份
附录15
住宅工程质量通病防治工作评估报告
附录16
地基基础工程质量通病控制专项验收记录表
地基基础工程质量通病控制专项验收记录表
竣工工程质量通病控制专项验收记录表。