建筑工程质量通病防控系列表格
- 格式:docx
- 大小:29.86 KB
- 文档页数:22
住宅工程质量通病防治任务书
(施工单位):
由你公司承建的工程以下内容列入住宅工程质量通病防治计划,具体项目如下:
1、墙体裂缝防治(含填充墙体)
2、钢筋混凝土现浇楼板裂缝防治
3、楼地面渗漏防治
4、外墙渗漏防治(含女儿墙、做R角、钝角处理)
5、门窗渗漏防治(窗口粉滴水线、窗台放坡、玻璃胶密封性、窗框的排水)
6、屋面渗漏防治
7、室内标高和几何尺寸控制
8、地下室渗漏防治
9、给排水管道堵塞、滴漏防治
防治住宅工程质量通病是有效提高住宅工程质量、维护公众利益的重要举措,任务实效。
《住宅工程质量通病防治方案和施工措施》,经项目总监理工程师审查后,于年月日前报我单位批准。
(建设单位章)
年月日
住宅工程质量通病防治方案及措施审批表
200 年月日
现浇楼板裂缝防治钢筋工程隐蔽工程验收记录
现浇楼板裂缝防治砼工程隐蔽工程验收记录
现浇楼板裂缝防治砼工程隐蔽工程验收记录
墙体裂缝防治砌体工程隐蔽工程验收记录
墙体裂缝防治砌体工程隐蔽工程验收记录
墙体裂缝防治砌体工程隐蔽工程验收记录
墙体裂缝防治粉刷基层处理隐蔽工程验收记录
外墙防渗漏挑眼洞填堵隐蔽工程验收记录
住宅工程质量通病防治检查表(二)
200 年月日
建筑物室内标高、轴线、楼板厚度测量记录施工单位:
楼地面渗漏防治管道安装隐蔽工程验收记录
楼地面渗漏防治管道安装隐蔽工程验收记录
门窗渗漏防治、门窗制作安装隐蔽工程验收记录
屋面渗漏防治隐蔽工程验收记录
年月日。
质量通病防治措施记录表
施工负责人: 专职质检员: 监理:
质量通病防治措施记录表
施工负责人: 专职质检员: 监理:
质量通病防治措施记录表
施工负责人: 专职质检员: 监理:
质量通病防治措施记录表
施工负责人: 专职质检员: 监理: 质量通病防治措施记录表
施工负责人: 专职质检员: 监理:
质量通病防治措施记录表
施工负责人: 专职质检员: 监理: 质量通病防治措施记录表
施工负责人: 专职质检员: 监理: 质量通病防治措施记录表
施工负责人: 专职质检员: 监理:。
桥梁、路基、隧道工程质量通病原因分析及预防
措施表
表-1 桥梁工程质量通病原因分析及预防措施表
表-1 桥梁工程质量通病原因分析及预防措施表
表-2 桩基工程质量通病原因分析及预防措施表
表-3 混凝土工程质量通病原因分析及预防措施表
表-4 路基工程质量通病原因分析及预防措施表
表-4 路基工程质量通病原因分析及预防措施表
表-5 砌石工程质量通病原因分析及预防措施表
表-6 钢筋工程质量通病原因分析及预防措施表
表-7 隧道工程质量通病预防措施表。
质量通病防治措施执行记录(开工前)质量通病防治措施执行记录(基础施工)质量通病防治措施执行记录(铁塔组立)质量通病防治措施执行记录(架线)下面是赠送的范文,不需要的朋友可以下载后编辑删除2013党风建设心得体会范文按照上级的统一部署,我们认真组织开展了党风廉政建设教育活动。
通过学习,我对活动的重要意义有了一个更高的认识,使我对开展党风廉政建设的重要性和必要性有了更进一步的认识和了解。
可以肯定地说,通过这次教育活动,使自己对相关内容在原有的学习基础上有了更进一步的提高,在一些方面拓宽了思路,开阔了视野,增强了搞好工作的信心。
现就学习情况谈一点粗浅的认识和看法。
一、加强党风廉政建设,干干净净履行职责党风廉政建设关乎民心向背,关乎事业成败。
党中央领导集体对加强党风廉政建设和反腐败斗争给予高度关注和重视,采取了强力措施,中纪委三次全会上提出了“四大纪律”、“八项要求”,中央连续出台了《党内监督条例》和《纪律处分条例》两个法规,充分显示了坚持不懈反腐倡廉的强大决心。
对于廉洁自律问题,要把握好两条:一要干事,二要干净,也就是既勤又廉。
不勤政无以立业,就没地位;不廉政无以立身,就栽跟头。
要把这两条统一起来对待,经得起考验,树立好形象。
1、要警钟长鸣,筑牢防线。
任何腐化、腐败行为都是从思想的蜕化开始的,都有一个思想演变的过程。
因此,把牢思想这一关是最有效的预防,加强思想教育也是反腐倡廉的根本之策。
我们一时一刻都不能放松世界观、人生观、价值观的改造。
要认识到权力是一把双刃剑,用好了能为民造福,用不好也能为自己造“罪”。
我虽然只是公安局一名普通民警,也应该倍加珍惜得来不易的工作,不要因一念之差给家庭、给亲人带来无以挽回的痛苦。
2、从严自律,管住自己。
当前市场经济的趋利性逐步渗透到社会生活的方方面面,形形色色的价值观不断充斥人们的思想,我们现在各方面的条件也有了很大的改善。
但越是在这种形势下,越要保持清醒的头脑,越要保持艰苦奋斗的作风,越要从方方面面严格要求自己。
质量通病原因分析及预防措施表汇总(doc 8页)质量通病原因分析及预防措施表 (1) 隧道工程 通病现象 原因分析 预防措施 1、隧道在掘进开挖过程中,发生上、下、左、右轮廓超、欠挖。
1、测量不准,放线偏差较大。
2、炮孔钻眼过程中孔眼不直发生斜孔超限; 3、爆破参数选择有误,装药量过多或不合理。
1、保证测量工作的换手复核制; 2、精确计算爆破参数,正式进洞前进行工艺试验,地质条件变化时及时调整有关参数; 3、钻孔过程中控制孔眼位置及其方向。
2、喷射砼脱层隆起,砼喷射层与岩面不粘结,砼喷层之间粘结不好。
1、受喷面松动岩石未清除; 2、受喷岩面浮碴杂物未用压力风、压力水冲洗或冲洗不彻底; 3、受喷面滴水、淋水、集中出水点未处理; 4、间隔喷砼前一层喷面未用风、水清洗浮碴; 5、风压与喷射距离不协调。
1、清除松动岩石,清除受喷面浮碴杂物; 2、对喷水、淋水、集中出水点的受喷面采用凿槽、埋管进行引导疏干处理; 3、喷射砼前进行试喷,确定风压与喷射距离之间的协调关系。
3、整体台车衬砌接茬处发生错台,相邻断面衬砌砼1、台车刚度小,砼浇筑时发生变形; 2、模板使用时间过长发生变形; 3、相邻节段接茬处未采取处1、台车设计时加大刚度、挠度检算,可采用稍大的安全系数; 2、模板发生变形时一律进行更换; 3、相邻节段接茬处采用加强措施,如使用横向液压千斤顶、丝杠顶撑表面接茬处错台超出标准。
理措施。
等,使相接处密贴。
4、锚杆安装不牢固、抗拔力不够,锚杆长度、数量不够及超挖较大时填充片石造成空洞的偷工减料行为。
1、锚固长度不够;2、砂浆注不饱满;3、砂浆包裹锚杆厚度不够或根本没有砂浆;4、孔眼内杂物没有处理干净;5、孔眼深度同锚杆长度不配套。
6、人为意识。
1、钻孔直径应与锚杆直径相配套;严格按设计及设计孔深钻孔;2、压浆前用压力风及压力水冲净孔眼;3、锚杆除锈、矫直、安装时确保锚杆与孔眼中心线在同一直线上;4、孔内注浆从孔底开始,均匀连续进行,中途不得间断;5、采用早强药包裹锚杆时,处理后的锚杆外径应与孔眼直径配套。
质量通病防治措施记录表工程项目名称:大西铁路客运专线临汾洪洞西220kV线路工程建设单位山西省电力公司电网工程指挥部施工单位山西省送变电工程公司单位工程基础工程监理单位山西锦通工程项目管理咨询有限公司杆号工程地点山西省山阴县玉井镇施工日期序号防治项目主要措施检查情况1 基面及接地沟回填土下沉按规范回填,加强回填土过程控制。
2 施工基面排水不畅按规范和设计要求做好排水和挡水措施。
3 开方、降基面内边坡坡度不够设计单位应加强现场勘察工作,细化设计深度,基础浇制前进行检查。
4 档距、转角塔角度超差设计单位应加强现场勘察工作。
施工单位应逐基加强复测的精度5 基础连接处出现蜂窝、麻面加强振捣操作人员的技术培训,使其正确掌握振捣操作技术6 二次抺面鼓肚按要求支顶牢固,及时操平抺面7 泥水坑基础下沉、漂移,造成数据超差设计提出泥水坑地基基础处理措施,完善施工方案,做好地基处理。
8 基础立柱端部混凝土表面存在气孔多改进施工方法、加强上部振捣方法并控制严格控制混凝土水灰比。
混凝土含水率。
9 保护帽混凝土强度不够,外观工艺差认真执行配合比措施,重视保护帽施工工艺。
10 回填土沉陷、防沉层不整齐加强对施工人员的成品保护意识施工负责人:专职质检员:监理:质量通病防治措施记录表工程项目名称:右玉~翠微双回220kV线路工程建设单位山西省电力公司电网工程指挥部施工单位山西省送变电工程公司单位工程杆塔工程监理单位山西锦通工程项目管理咨询有限公司杆号工程地点山西省山阴县玉井镇施工日期序号防治项目主要措施检查情况1 螺栓匹配不统一材料站应核对进行设计图纸发放,施工队应采用有标识的容器进行分类防止混乱。
2 螺栓露出长度不一致组织施工队认真学习掌握施工图3 塔料弯曲变形磨损认真按照施工作业指导书施工,对塔料采取保护措施4 主材与塔脚结合不紧密加强铁塔试组装检查,提高放样水平;焊接工艺应符合要求,控制变形。
5 塔上垫板质量不合格,造成接触不紧密加强进场检验,杜绝不合格品进入施工现场6 防松圈起不到防松作用重视防松圈安装,加强检查。
住宅工程质量通病防治任务书
________________________ (施工单位):
由你公司承建的 _____________________________________ 工程以下
内容列入住宅工程质量通病防治计划,具体项目如下:
1、墙体裂缝防治(含填充墙体)
2、钢筋混凝土现浇楼板裂缝防治
3、楼地面渗漏防治
4、外墙渗漏防治(含女儿墙、做R角、钝角处理)
5、门窗渗漏防治(窗口粉滴水线、窗台放坡、玻璃胶密封性、窗框
的排水)
6、屋面渗漏防治
7、室内标高和几何尺寸控制
&地下室渗漏防治
9、给排水管道堵塞、滴漏防治
防治住宅工程质量通病是有效提高住宅工程质量、维护公众利益的
重要举措,任务实效。
《住宅工程质量通病防治方案和施工措施》,经项目总监理工程师审查后,于—年—月—日前报我单位批准。
_________________ (建设单位章)
______ 年 ____ 月_____ 日
住宅工程质量通病防治设计交底记录
住宅工程质量通病防治方案及措施审批表
住宅工程质量通病防治施工技术措施交底记录
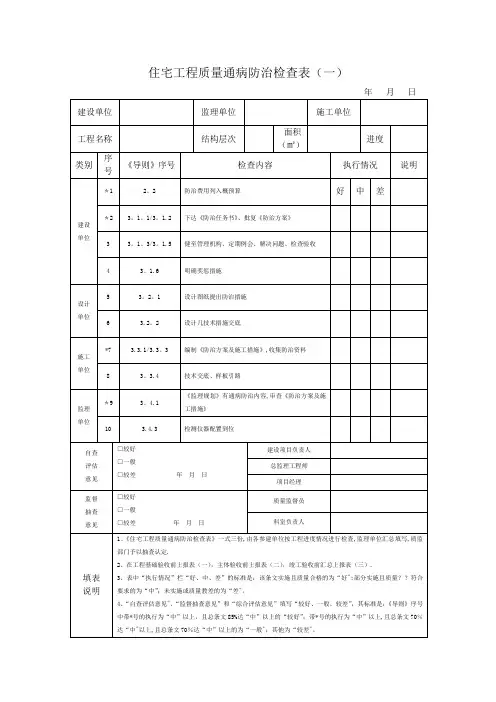
住宅工程质量通病防治检查表(一)
200 年月日
现浇楼板裂缝防治钢筋工程隐蔽工程验收记录
现浇楼板裂缝防治砼工程隐蔽工程验收记录
现浇楼板裂缝防治砼工程隐蔽工程验收记录
墙体裂缝防治砌体工程隐蔽工程验收记录
墙体裂缝防治砌体工程隐蔽工程验收记录
墙体裂缝防治砌体工程隐蔽工程验收记录
墙体裂缝防治粉刷基层处理隐蔽工程验收记录
外墙防渗漏挑眼洞填堵隐蔽工程验收记录
住宅工程质量通病防治检查表(二)
200 年月日
建筑物室内高度测量记录
建筑物室内标高、轴线、楼板厚度测量记录施工单位:
楼地面渗漏防治管道安装隐蔽工程验收记录
楼地面渗漏防治管道安装隐蔽工程验收记录
门窗渗漏防治、门窗制作安装隐蔽工程验收记录
屋面渗漏防治隐蔽工程验收记录
住宅工程质量通病防治检查表(二)
年月日。