xxx专用车制造有限责任公司质量手册(doc61页)
- 格式:doc
- 大小:338.00 KB
- 文档页数:59
本手册依据GB/T 19001-2008/ISO9001:2008《质量管理体系要求》标准编制,它阐述了本公司的质量方针、质量目标、并对公司的质量管理体系提出了具体要求,现予以批准颁布实施。
本手册是公司质量管理体系的法规性文件,是指导公司质量管理体系运行的准则,也是公司对所有顾客的承诺,公司的所有员工自本手册实施之日起,必须遵照执行。
总经理:批准日期:二00九年四月二十日为了贯彻GB/T 19001-2008/ISO9001:2008 《质量管理体系—要求》标准,加强对质量管理体系的领导,特指定公司质量副总经理为公司的管理者代表。
其职责是:1、确保质量管理体系所需的过程得到建立和保持。
2、向最高管理者报告质量管理体系的业绩和改进需求。
3、确保在整个公司内提高满足顾客要求的意识。
4、就质量管理体系有关事宜与外部的联络。
总经理:二00九年四月二十日伍思为汽车(集团)有限公司是我国汽车行业重点骨干企业之一,是以生产整车的伍思为汽车股份有限公司为核心,主要产品是日本五十铃九十年代最新水平的N、T两系列轻型商用车、F系列重型商用车及U系列多功能乘用车。
目前公司拥有国际九十年代先进水平的技术装备,建成了主要工艺制造体系和质量检测体系,建立了完善的质量保证体系和售后服务网络。
公司以一流的技术装备、严格科学的管理,不断推出技术领先的产品,具有稳定可靠的产品质量保证能力。
公司自成立以来,一贯奉行“以用户为中心”的管理理念,始终坚持技术领先和优质精品原则,产品执行五十铃质量标准,产品质量处于国内领先水平,曾连续四年获国家汽车质量监督抽查和全国统检第一名。
公司的产品曾被评为“全国用户满意产品”、“全国用户满意汽车品牌”、“重庆名牌产品”。
连续三年获全国质量效益型企业,并获特别奖。
本公司按GB/T19001-2008/IS09001:2008《质量管理体系》标准要求建立的质量管理体系,履盖公司生产的五十铃N、T、U、F四系列整车及底盘。
Q/QM X X X电机制造有限公司企业标准Q/QM 20001—2020质量手册(依据IATF16949:2016标准编制)版本:编制:审核:批准:2020 - 10 - 1发布2020 - 10 - 1实施颁布令本公司质量手册是依据IATF16949:2016规范的要求,结合我公司的实际情况编制,并符合国家有关法律、法规和各项政策的规定。
本公司质量手册阐述了本公司的质量方针和质量目标,描述了本公司质量管理体系及运行的总体要求和基本原则,质量管理体系所需过程及过程之间的相互关系及质量管理体系文件的相互引用。
本公司质量手册编制过程中,充分考虑质量管理八大原则,采用过程的方法,结合PDCA循环和基于风险的思维。
规范了本公司为实施质量管理,开展质量活动,质量控制,质量改进等采用的系统方法,是本公司开展质量管理活动的依据,是全体员工应遵循的质量法规和行为准则,是向顾客或第二方、第三方认证机构提供审核我厂质量管理体系的依据。
现批准IATF16949:2016《质量手册》(A版)从2020年10月1日起正式实施,各部门全体员工必须认真学习并严格遵照执行。
总经理:日期:管理者代表任命为了贯彻执行IATF16949:2016规范的要求,加强对质量管理体系运作的领导,提高工作的有效性,特任命技术总监为XXX电机制造有限公司管理者代表,其职责和权限是:——在最高管理者的领导下,组织贯彻执行工厂质量方针和质量目标。
——确保质量管理体系所需的过程得到建立、实施和保持。
——组织内部质量体系审核,对质量管理体系运行情况进行协调和监控。
——向最高管理者报告质量管理体系的运行情况和工作业绩及改进需求。
——确保在整个组织内以顾客为焦点、满足顾客要求的意识得到建立和提高。
——负责本组织质量管理体系有关事宜的外部联络、沟通和协调。
总经理:日期:质量方针车品即是人品质量精益求精服务追求极致经营创新高效质量目标——整车下线合格率≧95%;——AUDIT分值≦1000;——客户满意度≧95%;公司概况1 范围本《质量手册》适用于XX牌电动四轮轿车产品设计开发、生产制造、销售服务全过程。
质量手册本手册依据ISO/TS16949 2nd标准编制受控状态:受控号:持有者:发放日期:目录章节标题页码目录 2修改控制 3第一章总经理声明 4第二章概述 51 手册简介 52 公司概况 53 范围与应用 64 组织结构75 质量方针与质量目标76 术语和定义8 第三章质量管理体系描述104 质量管理体系105 管理职责126 资源管理217 产品实现248 测量、分析和改进35 第四章质量体系程序和过程清单42 第五章质量管理体系过程定位图44修改控制第一章总经理声明上汽集团奇瑞汽车有限公司(以下简称本公司)的《质量手册》根据《ISO/TS16949 2nd国际汽车工业质量体系要求》以及本公司的实际情况编制,并符合国家的有关法律、法规和各项政策的规定。
本公司全体员工必须严格执行本《质量手册》和其它质量管理体系文件的规定,确保质量管理体系、质量、技术和成本的持续改进。
并负有以下责任:a)积极参与质量管理体系的各项活动,在自己的工作中贯彻质量方针,为实现公司的质量目标,持续改进质量管理体系的有效性以及产品质量和过程能力而努力;b)以顾客为中心,满足顾客要求,提高顾客满意度;c)严格执行纪律,防止一切与质量管理体系要求不一致的情况发生;d)本公司鼓励并支持员工的创新精神。
员工发现的有关质量管理体系的任何改进机会和其它问题应及时通过规定的渠道向公司提出;为了确保按照ISO/TS16949 2nd的要求建立、实施、维护并持续改进质量管理体系,特任命:负责质量和技术的总经理助理为本公司的管理者代表。
按照ISO/TS16949 2nd和本手册的要求进行工作。
本《质量手册》从2002年月1日起正式实施。
总经理:年月日第二章概述1. 手册简介本《质量手册》是本公司质量管理体系的第一级文件,它阐明了本公司的质量方针和质量管理体系的范围,并在本质量手册的第三章,从五个方面对应于《ISO/TS16949 2nd国际汽车工业质量体系要求》的条款,描述了满足ISO/TS16949 2nd的途径和职责。
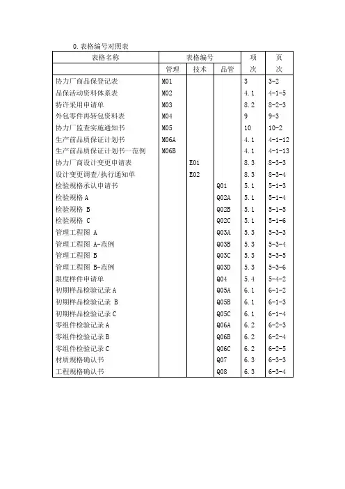
0-2广州风神汽车有限公司内容:目录页次1.前言/目的/适应范围1-12.品质保证构成基准2-13.品质保证负责人之选任3-14.品质保证活动4-1-14.1新产品的品质保证4-1-14.2量产期的制造管理4-2-15.标准之建立5-1-15.1检验规格5-1-15.2检验方式5-2-15.3管理工程图5-3-15.4限度样件5-4-15.5作业标准书5-5-16.检验之实施6-1-16.1初期样品承认作业6-1-16.2量产期交货检验6-2-16.3材质/工程规格确认作业6-3-16.4免验作业6-4-17.一般管理7-1-17.1量具管理7-1-17.2初物管理7-2-17.3批次管理7-3-17.4特殊工程的管理7-4-18.异动管理8-1-18.1品质异常处理8-1-18.2特许采用作业8-2-18.3设计变更8-3-18.4工程变更8-4-19.重要保安零件管理9-110.监查作业10-111.市场品质11-11.前言/目的/适应范围1.1前言本[协力厂商品质保证手册(Q606)]自1983年使用至今,配合本公司组织职掌异动、市场需求、协力厂商建议及各阶段之管理水准提升等因素,前后修订了三次,发行至四版。
本公司为响应政府之环保政策,推行无纸化运作,于1999年开始实施管理规范文件电子化,并将ISO文件电子化后全数重新以一版发行,本手册配合本公司最近的组织职掌异动,及文件电子化作全面重新编排修订,以第二版发行。
顾及部份协力厂商与本公司之电脑连线作业,未完善,本手册对协力厂商仍以纸版发行。
1.2目的本手册的使用目的在于表明品质保证作业,基准及广州风神汽车有限公司与协力厂商之间有关品质作业之支援与配合事宜,以期经由双方的共认与行动,达成生产符合品质要求之产品。
1.3适应范围本手册适应于与广州风神汽车有限公司订有基本合约书之所有协力厂商生产之汽车零件。
1-12.品质保证构成基准为制造符合要求之产品,维持其稳定及提高生产力,协力厂商应有符合其生产规模之品管体制,其构成基准如下:2.1品质保证活动(1)新产品的品质保证对新承制零件开发,协力厂商应进行品质规划,拟订活动管理项目,并进行追踪,以确保其品质。
TN/Q M—01质量手册依据IS09001:2008标准编制版次:3受控状态:发放编号:编制:审核:批准:2010—01—06 发布2010—01—06实施布TN ISO9001TN ISO9001手册颁布令本手册规定了本公司质量方针、质量目标以及本公司所建立并实施的质量管理体系的基本框架和要求,是本公司各部门、各岗位、各场所开展活动所必须遵循的法规和准则。
全体员工必须根据本手册及其支持性文件——程序文件、工艺文件、作业指导书等和产品有关技术规范、国家法规、法规的规定进行运作,确保各项工作质量符合规定要求,创造一种持续满足顾客要求的控制环境。
我公司2005年4月1日制订、实施第一版《质量手册》,由于公司的发展及组织架构的变化,已不能适应公司实际运行;对此,公司2008年5月对1.0版《质量手册》进行修订,编制出公司2.0版《质量手册》;现由于GB/T19001标准由2000版换为2008版,为此,公司决定对2.0版《质量手册》进行换版。
我决定自2010年1月6日开始实施。
相关人员必须按本手册要求实施和保持质量管理体系,以符合ISO9001:2008标准要求。
原2.0版《质量手册》停止使用。
我将亲自参与质量管理体系的管理工作,并任命沈义强为本人在质量管理方面的全权代表——管理者代表,并负责:a. 对外代表本公司联系与协商ISO9000质量管理体系相关事宜;b. 确保质量管理体系有效运作和保持;c. 向本人报告体系运行状况,提出改正建议;d. 组织监督各环节质量管理体系运行状况,对不符合质量体系文件规定的活动,有权采取必要措施,直至该问题得到解决。
总经理(签名):日期:TN ISO9001。
批准页质量是企业的生命。
为了保证稳定的产品质量,按照《特种设备安全监察条例》、质检总局22号文《锅炉压力容器制造监督管理办法》、TSGZ0004-2007《特种设备制造、安装、改造、维修质量保证体系基本要求》、《压力容器安全技术监察规程》、《液化气体汽车罐车安全监察规程》,结合公司实际,我授权柯银河同志为质保工程师,组织修订了《质量保证手册》。
本手册是我公司的质量法规,是质量活动必须遵循的纲领性文件,现予颁发,全公司员工必须认真学习,遵照执行。
本手册自2008年9月10日生效,原手册同时废止。
经理:2008年7月10日主要引用标准1.说明本公司《压力容器制造质量手册》是依据国家有关锅炉压力容器的法律、法规及一系列标准要求,结合本公司实际情况编制的。
引用的法规和标准均为最新版本,凡以后如有《法律、法规》“和《标准》更新,将直接被公司《压力容器制造质量手册》引用,相应的旧标准作废。
2. 引用的主要法规、标准2.1 中华人民共和国国务院令(第373号)——《特种设备安全监察条例》。
2.2特种设备安全技术规范TSG Z0004-2007——《特种设备制造、安装、改造、维修质量保证体系基本要求》。
2.3 国家质量监督检验检疫总局令(第22号)——《锅炉压力容器制造监督管理办法》。
2.4 国质检锅[2003]194号文件--《锅炉压力容器制造许可条件》、《锅炉压力容器制造许可工作程序》、《锅炉压力容器产品安全性能监督检验规则》。
2.5 质技监局锅发[1999](154号)——《压力容器安全技术监察规程》。
2.6《液化气体汽车罐车安全监察规程》2.7 GB190 《危险货物包装标志》2.8 GB1589 《道路车辆外廓尺寸轴荷及质量限值》2.9 GB4785 《汽车及挂车外部照明和信号装置的安装规定》2.10 GB7258 《机动车运行安全技术条件》2.11 GB12676 《汽车制动系统结构性能和实验方法》2.12 GB4185 《半挂车通用技术条件》2.13 QC/T252 《专用汽车定型试验规程》2.14 QC/T310 《半挂车支承装置》2.15 GB150—1998《钢制压力容器》。
XXXXXX专用汽车SC400-质量手册-01-10 公布 -02-10 实施XXXXXXXXXX专用汽车公布质量手册公布令本手册是依据GB/T19001《质量管理体系——要求》和《强制性产品认证工厂质量确保能力要求》相关要求制订,它叙述了企业质量方针、质量目标,并对企业质量管理体系提出了具体要求,本手册适适用于企业生产全部产品。
本手册自 2月10 日起正式实施。
本手册是企业质量管理基础法规,是质量管理体系运行准则,也是企业对全部用户承诺,企业全部职员自本手册实施之日起,必需遵照实施。
总经理:01月08日质量方针和质量目标同意令本企业质量方针是:创新改善打造精品,真诚服务追求卓越企业质量目标:增强全员用户质量意识,发挥企业团体精神,争取在三年内,即到,企业质量奋斗目标是:1)用户满意度达成80%;2)整车一次交检合格率巩固达成92%;3)企业管理水平全方面达成ISO9001:标准要求。
实现方针目标承诺:明确方针内涵,强化培训,人人了解用户要求,并和岗位工作融合,确保方针目标实施。
以现代质量管理八项标准为指针,充足发挥领导者作用,这是方针目标实现根本确保。
强化贯标力度,完善体系运行考评制度,并重奖重罚贯标有功和不力人员,使落实ISO9000标准在全企业蔚然成风。
总经理:01月08日管理者代表授权书今授权企业副总经理为我企业管理者代表,其职责是:1)确保质量管理体系所需过程得到建立、实施和保持;2)向总经理汇报质量管理体系业绩和改善需求;3)确保在整个企业内提升满足用户要求意识;4)就质量管理体系相关事宜和外部各方联络;5)确保加贴强制性认证标志产品符合认证标志要求;6)建立文件化程序,确保认证标志妥善保管和使用,确保不合格品或获证产品变更后未经认证机构确定,不加贴强制性认证标志。
望企业全部相关人员服从协调,共同推行质量职能,以确保质量管理体系有效运行。
总经理:01月08日目录0序言(7)1.范围(9)2.引用标准(10)3.术语和定义(11)4.质量管理体系4.1总要求(12)4.2文件要求(13)5.管理职责5.1管理承诺(15)5.2以用户为关注焦点(16)5.3质量方针(17)5.4策划(18)5.5职责、权限和沟通(19)5.6管理评审(21)6.资源管理6.1资源提供(22)6.2人力资源(23)6.3基础设施(24)6.4工作环境(25)7.产品实现7.1产品实现策划(26)7.2和用户相关过程(27)7.3设计和开发(29)7.4采购(32)7.5生产和服务提供(34)7.6监视和测量装置控制(37)8.测量、分析和改善8.1总则(39)8.2监视和测量(40)8.3不合格品控制(43)8.4数据分析(44)8.5改善(45)附表1:企业组织机构图(47)附表2:企业质量职责分配表(48)附表3:质量管理体系程序文件清单(49)附表4:质量管理体系文件更改一览表(50)附表5:QMS过程步骤图(51)附表6:质量管理体系文件发放统计表(52)0.1企业情况介绍XXXXXXXXXXXX专用汽车系河南XX实业发展有限责任企业和河南XX股份共同出资组建,项目总投资5188万元,注册资金4000万元人民币,关键生产多功效水车、自卸汽车等专用汽车产品。
Q/QM X X X X X X X X X企业标准Q/QM 20001—2017质量手册(依据IATF16949:2016标准编制)版本:编制:审核:批准:2017-10-1发布2017-10-1实施颁布令本公司质量手册是依据IATF16949:2016规范的要求,结合我公司的实际情况编制,并符合国家有关法律、法规和各项政策的规定。
本公司质量手册阐述了本公司的质量方针和质量目标,描述了本公司质量管理体系及运行的总体要求和基本原则,质量管理体系所需过程及过程之间的相互关系及质量管理体系文件的相互引用。
本公司质量手册编制过程中,充分考虑质量管理八大原则,采用过程的方法,结合PDCA循环和基于风险的思维。
规范了本公司为实施质量管理,开展质量活动,质量控制,质量改进等采用的系统方法,是本公司开展质量管理活动的依据,是全体员工应遵循的质量法规和行为准则,是向顾客或第二方、第三方认证机构提供审核我厂质量管理体系的依据。
现批准IATF16949:2016《质量手册》(A版)从2017年10月1日起正式实施,各部门全体员工必须认真学习并严格遵照执行。
总经理:日期:管理者代表任命为了贯彻执行IATF16949:2016规范的要求,加强对质量管理体系运作的领导,提高工作的有效性,特任命技术总监为XXXXXXXXX管理者代表,其职责和权限是:——在最高管理者的领导下,组织贯彻执行工厂质量方针和质量目标。
——确保质量管理体系所需的过程得到建立、实施和保持。
——组织内部质量体系审核,对质量管理体系运行情况进行协调和监控。
——向最高管理者报告质量管理体系的运行情况和工作业绩及改进需求。
——确保在整个组织内以顾客为焦点、满足顾客要求的意识得到建立和提高。
——负责本组织质量管理体系有关事宜的外部联络、沟通和协调。
总经理:日期:质量方针车品即是人品质量精益求精服务追求极致经营创新高效质量目标——整车下线合格率≧95%;——AUDIT分值≦1000;——客户满意度≧95%;公司概况1 范围本《质量手册》适用于XX牌电动四轮轿车产品设计开发、生产制造、销售服务全过程。
目录附件一:现代汽车维修企业内部管理文件汇编综合管理制度人事管理制度员工招聘客户返回信息及处理情况汇总表配件部工作职责采购员岗位职责仓管员岗位职责材料库安全规定车间工作程序车间纪律车间工作职责员工辞职与辞退员工试用期合同员工正式合同应聘人员基本条件新进人员试用期满考核评定表员工奖励与处罚员工守则厂长经理岗位职责厂办主管岗位职责技术部工作质量考核技术部工作职责业务接待工作质量考核业务结帐规定车间主管岗位职责处罚报告单班长责任制和奖惩条例设备管理制度检验制度车身技术标准喷漆技术标准电器二级维护技术标准机修二级技术标准汽车发动机大修竣工技术标准汽车大修竣工出厂标准安全生产制度汽车修理工安全操作规程电工(空调)安全操作规程处理车主(客户)投诉程序后续工作制度财务管理制度货币资金管理条例货币资金交收程序财务部经理工作考核办法财务部经理的岗位职责财务部经理的工作范围财会交接手续费用报销管理条例出差管理规定差旅费开支标准规定出纳员岗位职责固定资产管理规定公务车辆管理规定门卫制度配件部工作程序卫生标准及奖惩暂行规定保安员值勤守则存货的管理车间工作质量考核表钣金工安全操作规程气焊安全操作规程砂轮机安全操作规程钻床安全操作规程机具设备管理制度实施细则举升机安全操作规程业务大厅管理方案厂区内禁止吸烟的规定前台业务接待规范机工岗位责任制漆工、钣金岗位责任制电工岗位责任制计量管理制度明码标价规定技术资料管理制度业务开发部,业务人员守则业务开发部工作程序市场部考勤管理与业务考核指标细则客户管理客户跟踪反馈信息表修车用户质量投诉表员工假期待遇总览附件二:质量管理文件质量手册(GB/T19001-2000idtISO9001:2000)控制性质分发编号编制人:审核人:批准人:批准日期:2001- - 发布2001- -实施X X 市X X 汽车服务有限公司××市××汽车服务汽车有限公司质量手册目录发布令------------------------------------------------------------------------ 1质量方针质量目标--------------------------------------------------------2公司简介----------------------------------------------------------------------3管理者代表任命书----------------------------------------------------------4质量手册说明----------------------------------------------------------------5质量手册的管理----------------------------------------------61.《质量手册》适用说明-----------------------------------------------------72.《质量手册》引用标准-----------------------------------------------------73.《质量手册》术语和定义--------------------------------------------------74.质量管理体系----------------------------------------------------------------8总要求-------------------------------------------------------------------------8文件要求----------------------------------------------------------------------85.管理职责---------------------------------------------------------------------11管理承诺---------------------------------------------------------------------11以顾客为关注焦点---------------------------------------------------------11质量方针---------------------------------------------------------------------11策划---------------------------------------------------------------------------11职责权限与沟通------------------------------------------------------------12管理评审---------------------------------------------------------------------156.资源管理---------------------------------------------------------------------17资源的提供------------------------------------------------------------------17人力资源---------------------------------------------------------------------17基础设施和工作环境------------------------------------------------------177.产品实现---------------------------------------------------------------------19产品实现过程的策划------------------------------------------------------197.2与顾客有关的过程---------------------------------------------------------197.3设计和开发------------------------------------------------------------------197.4采购---------------------------------------------------------------------------197.5生产和服务提供------------------------------------------------------------207.6监视和测量装置的控制---------------------------------------------------238.测量、分析和改进---------------------------------------------------------25总则---------------------------------------------------------------------------25监视和测量------------------------------------------------------------------25不合格品控制---------------------------------------------------------------27数据分析---------------------------------------------------------------------27改进---------------------------------------------------------------------------28附录一程序文件清单附录二ISO9000(2000)质量体系认证组织结构图附录三ISO9000(2000)质量体系文件控制程序职能分配表综合管理制度根据国家有关规定,结合本厂实际情况,特制定本制度,具体规定如下:1.员工要树立“用户第一、质量第一”的经营观念,热情接待车主,精心维修车辆,确保修车质量。
目录公司概况 (1)批准页 (2)质量方针和质量目标 (3)质量方针、目标展开 (4)质量手册管理办法 (5)任命书 (6)1.范围 (7)1.1 总则 (7)2.引用标准 (8)3.术语和定义 (8)4.质量管理体系 (9)4.1 总要求 (9)4.2 文件要求 (10)5.管理职责 (12)5.1管理承诺 (12)5.2 以顾客为关注焦点 (13)5.3 质量方针 (13)5.4 策划 (13)5.5职责、权限和沟通 (14)5.6管理评审 (17)6.资源管理 (19)6.1 资源的提供 (19)6.2 人力资源 (19)6.3 基础设施 (20)6.4 工作环境 (20)7.产品实现 (21)7.1 产品实现的策划 (21)7.2 与顾客有关的过程 (22)7.3 设计 (23)7.4 采购 (23)7.5 生产和服务提供 (24)8.测量、分析和改进 (27)8.1总则 (27)8.2 监视和测量 (27)8.3不合格品控制 (29)8.4 数据分析 (29)8.5 改进 (29)附录A:质量管理组织机构图 (31)附录B:质量管理体系职能分配表 (32)附录C:程序文件清单 (33)质量手册修改控制 (34)公司概况南京绅华汽车贸易有限公司(简称南京绅华)成立于2007年4月10日,注册资本600万元,新厂房自2007年6月11号开始建设,至2007年10月18日竣工,投资1600万元,占地面积10000m2、建筑面积5000m2,其中展厅面积1600 m2,维修车间面积3400 m2,具有停车位100个,可同时容纳30辆车的维修。
南京绅华是MG名爵汽车公司设立在南京地区的唯一的一家F级(旗舰级)特许专营店,是集整车销售、配件销售、汽车维修、汽车检测、汽车咨询、信息反馈等服务于一身的综合性汽车服务企业。
公司座落于红山路90号,地理位置优越,交通便利,现拥有专业完备的服务团队,其中专科以上学历的管理人员有16名,中高级维修技工28名。
受控状态:编号:CY.QMAO—2021xxx专用车制造有限责任公司质量手册编制: 日期:审核: 日期:批准: 日期:发放号: 持有人:xxx专用车制造有限责任公司xxx专用车制造有限责任公司质量手册编号:CY.QMAD-2021 共68页第1页本章:第1—1页质量手册发布令第A版第0次修改质量手册发布令本手册是依据GB/T19001-2000?质量管理体系---要求?标准和?强制性产品认证工厂质量保证能力要求?制定的,它阐述了本企业的质量方针、质量目标,并对本企业的质量管理体系提出了具体要求。
本手册适用于本企业生产的系列客车、底盘及厢式专用车产品的设计、开发、制造和效劳。
本手册自2021年1月10日起正式实施。
本手册是本企业质量管理的根本法规,是质量管理体系运行的准那么,也是本企业对所有顾客的承诺,本企业的所有员工自本手册实施之日起,必须遵照执行。
总经理:日期2021年1月10日xxx专用车制造有限责任公司质量手册编号:CY.QMAD-2021 共68页第2页本章:第1—1页最新精品Word 欢迎下载可修改质量方针批准令第A版第0次修改质量方针批准令本企业的质量方针是:科技求开展、质量求生存、诚信求效益、效劳求满意。
质量方针的内涵是:以先进的技术不断开发新产品,以最好的质量和最高的效率保持企业的生命力,以顾客为关注焦点,实现我们对顾客及相关方的承诺。
望全体员工认真理解质量方针的内涵,并以实际行动贯彻执行。
总经理:日期:2021年1月10日xxx专用车制造有限责任公司质量手册编号:CY.QMAD-2021 共68页第3页本章:第1—1页管理者代表任命书第A版第0次修改管理者代表任命书今任命孙礼安为我公司的管理者代表,任职三年,届满时重新任命,并授权其职责范围内的相应权限,其职责是:1、确保质量管理体系所需要的过程得到建立、实施和保持;2、向总经理报告质量管理体系的业绩和改进需求;3、确保在整个本企业内提高满足顾客要求的意识;4、就质量管理体系有关事宜与有关各方联络;5、组织内部质量审核,批准内审方案、审核报告和纠正/预防措施。
xx汽车质量手册xx汽车质量手册受控状态:受控号:发放日期:目录章节标题页码目录 2修改控制 3 第一章总经理声明 4 第二章概述 51 手册简介 52 公司概况 53 范围与应用 64 组织结构75 质量方针与质量目标76 术语和定义8 第三章质量管理体系描述104 质量管理体系105 管理职责126 资源管理217 产品实现248 测量、分析和改进35第四章质量体系程序和过程清单42 第五章质量管理体系过程定位图44修改控制第一章总经理声明(以下简称本公司)的《质量手册》根据《ISO/TS16949 2nd国际汽车工业质量体系要求》以及本公司的实际情况编制,并符合国家的有关法律、法规和各项政策的规定。
本公司全体员工必须严格执行本《质量手册》和其它质量管理体系文件的规定,确保质量管理体系、质量、技术和成本的持续改进。
并负有以下责任:a)积极参与质量管理体系的各项活动,在自己的工作中贯彻质量方针,为实现公司的质量目标,持续改进质量管理体系的有效性以及产品质量和过程能力而努力;b)以顾客为中心,满足顾客要求,提高顾客满意度;c)严格执行纪律,防止一切与质量管理体系要求不一致的情况发生;d)本公司鼓励并支持员工的创新精神。
员工发现的有关质量管理体系的任何改进机会和其它问题应及时通过规定的渠道向公司提出;为了确保按照ISO/TS16949 2nd的要求建立、实施、维护并持续改进质量管理体系,特任命:负责质量和技术的总经理助理为本公司的管理者代表。
按照ISO/TS16949 2nd和本手册的要求进行工作。
本《质量手册》从2002年月1日起正式实施。
总经理:年月日第二章概述1. 手册简介本《质量手册》是本公司质量管理体系的第一级文件,它阐明了本公司的质量方针和质量管理体系的范围,并在本质量手册的第三章,从五个方面对应于《ISO/TS16949 2nd国际汽车工业质量体系要求》的条款,描述了满足ISO/TS16949 2nd的途径和职责。
XXXXXXXX有限公司供应商质量体系运行(质量管理)调查表分类号:P7.06-06注:本表由供应商填写,西奥公司评价组在进行评价时验证。
填表人:审核:XXXXXXXX有限公司供应商质量保证能力调查表分类号:P7.06-03续表:填表人:审核:XXXXXXXXXX有限公司供应商基本概况调查表分类号:P7.06-01续表:评价员:资料提供:年月日年月日XXXXXXXX有限公司供应商质量体系评价(现场) 分类号:P7.06-07结论表编号:供应商:______________地址:____________评价日期:_____供应商陪同人员:评价目的:____________________________________________________________评价范围:___________评价依据:____________被评价产品/生产现场:_______________________评价类型:______初评______跟踪验证______其他是否需要监督检查:_______________________评语:________________________________________________________________________________________________审核员姓名:____________________电话:____________________评价结论:推荐————进入合格供应商待定————继续整改不推荐———作为潜在供应商或不考虑合作XXXXXXXX有限公司年月日注:此表反馈给分承包方一份。
受控状态: 编号:CY.Q MA O—2003
xxx 专用车制造有限责任公司
质 量 手 册
编 制: 日 期:
审 核: 日 期:
批 准: 日 期:
发放号: 持有人:
x xx 专用车制造有限责任公司ﻩ
质量手册发布令
本手册是依据GB/T19001-2000《质量管理体系---要求》标准和《强制性产品认证工厂质量保证能力要求》制定的,它阐述了本企业的质量方针、质量目标,并对本企业的质量管理体系提出了具体要求。
本手册适用于本企业生产的系列客车、底盘及厢式专用车产品的设计、开发、制造和服务。
本手册自2003年1月10日起正式实施。
ﻩ
本手册是本企业质量管理的基本法规,是质量管理体系运行的准则,也是本企业对所有顾客的承诺,本企业的所有员工自本手册实施之日起,必须遵照执行。
总经理
: 日期2003年1月10日
质量方针批准令
本企业的质量方针是:科技求发展、质量求生存、诚信求效益、服务求满意。
质量方针的内涵是:以先进的技术不断开发新产品,以最好的质量和最高的效率保持企业的生命力,以顾客为关注焦点,实现我们对顾客及相关方的承诺。
望全体员工认真理解质量方针的内涵,并以实际行动贯彻执行。
总经理:
日期:2003年1月10日
管 理 者 代 表 任 命 书
今任命孙礼安为我公司的管理者代表,任职三年,届满时重新任命,并授权其职责范围内的相应权限,其职责是:
1、确保质量管理体系所需要的过程得到建立、实施和保持;
2、向总经理报告质量管理体系的业绩和改进需求
;
3、确保在整个本企业内提高满足顾客要求的意识;
4、就质量管理体系有关事宜与有关各方联络;
5、组织内部质量审核,批准内审计划、审核报告和纠正/预防措施。
望本企业有关人员服从协调,共同履行质量职能,以确保质量管理体系有效运行。
总经理:
日期:2003年1月10日。