如何正确使用机油讲解学习
- 格式:pdf
- 大小:2.15 MB
- 文档页数:49
汽车发动机润滑油正确使用摘要:汽车发动机润滑油是车辆维修保养的重要项目之一,直接关系到汽车发动机的工作好坏,了解润滑油在保养中的相关内容,才能解决和消除润滑油在保养中经常出现的误区。
关键词:保养消耗量黏度发动机润滑油以下简称机油,按发动机不同又将机油分为汽油机油和柴油机油两大类。
它是汽车润滑材料中用量最大,性能要求较高、品种规格繁多,工作条件非常苛刻的一种油品。
它的作用:润滑、密封、冷却、清洁、防锈。
1、汽车机油在保养中的几个误区1.1检查机油应该是保养时才做的事检查机油应该是保养时才做的事,这种观点是错误的。
正确的做法应该养成及时检查车辆状况的习惯。
车辆的保养周期的制定是根据汽车的正常行驶情况制定的。
对于使用条件比较恶劣或老旧的车辆,有些工作必须在两次保养周期之间进行。
1.2机油少了就是“烧机油”机油少了就是“烧机油”,这种观点是错误的。
正确的做法是只要发动机运转就存在机油消耗现象,只要发动机机油耗量不超过标准要求,而且发动机运转无异常现象,则既不会影响整车的排放指标,也不会对发动机造成危害。
1.3机油越多越好机油越多越好,这种观点是错误的。
正确的做法,如果机油加的太多,发动机曲轴的工作阻力就会增大,这样,不仅增加发动机的内部功率损失,还会造成燃烧室积碳增多。
所以,机油量应控制在机油尺的上、下刻线之间为好。
1.4机油越黏越好有人误认为机油越黏越好,这种观点是错误的。
许多人靠观察机油的颜色,认为颜色越深黏度越大,就认为是好油。
正确说法,其实对于具体的某一辆车,我们一定要选择其适用的黏度级别及质量级别的机油,并非每台车都适用高黏度油。
与低黏度油相比,高黏度油流动性较差,启动阻力大,油耗大;高黏度油在启动瞬间比低黏度油更能到达摩擦部位,对车辆冷启动的伤害大一些;高黏度油低温启动差,尤其在冬天,车辆难以启动。
对于新车或刚大修过的车辆,应使用黏度较小的机油,有利于发动机的磨合及使用效果。
对于老旧汽车,零部件都有一定程度的磨损,摩擦间隙较大,高黏度油有利于加强其密封性。
简述换机油的步骤
换机油是汽车保养中比较常见的一项工作,正确的换油可以有效延长发动机的使用寿命,提高汽车的性能和安全性。
下面我们来详细了解一下换机油的步骤。
第一步:准备工作
在换机油之前,我们需要准备好以下工具和材料:新的机油、机油滤芯、油漆刷、油漆桶、扳手、油漏盘、橡胶手套、防护眼镜等。
第二步:排放旧油
我们需要将旧的机油排放出来。
我们可以先将发动机预热一段时间,以便油液更容易流出。
然后找到机油排放口,放置好油漏盘,用扳手拧开排放口,将旧油排放到油漏盘中,直到排干为止。
第三步:更换机油滤芯
在更换机油之前,我们还需要更换机油滤芯。
先用油漆刷将滤芯上的灰尘和污垢清理干净,然后用扳手拧下滤芯,用新的滤芯替换,注意安装时要保持正确的方向和位置。
第四步:加入新机油
将新的机油倒入机油桶中,然后用漏斗将机油倒入发动机油箱中。
倒入机油的数量要按照汽车制造商的要求,一般情况下可以在发动
机盖上找到相应的标识或说明。
倒入机油后,我们需要启动发动机并让其运转一段时间,以便机油可以均匀地分布到各个部位。
第五步:检查机油液位
等发动机停下来后,我们需要检查机油液位是否合适。
在发动机盖上有一个标识,可以用刻度尺或指示棒来检查机油液位是否在合适的范围内。
如果不足,我们可以再添加一些机油。
第六步:清理
完成换油后,我们需要将油漏盘和其他工具清理干净,并将旧的机油和机油滤芯妥善处理。
总结
以上就是换机油的步骤,正确的换油可以延长发动机寿命,提高汽车性能和安全性。
因此,我们需要定期对车辆进行保养和检查,确保汽车的正常运行。
润滑油正确使用方法润滑油的正确使用方法如下:一、正确选用润滑油的号牌。
选用润滑油牌号主要考虑两个条件:一是根据发动机工作条件的苛刻程度选用适当的润滑油品种;二是根据机械的所在地区季节气温,结合发动机的性能和技术状态,选用适当的润滑油牌号。
二、及时更换润滑油。
更换润滑油的时间一般有两种方法,一种是按规定行驶里程数或使用时间来进行发动机润滑油的更换,这种方法会造成润滑油性能完好时就被换掉,造成浪费。
另一种方法是按润滑油品质指标的变化,一旦失去润滑能力及时更换。
用品质指标进行换油是最准确的换油方法,有条件的应对润滑油的理化指标进行检验来确定换油,避免浪费。
那么应该怎样更换发动机润滑油呢,可以参考下述方法进行:(一)经常在寒冷地带使用的发动机,其燃油较易凝结混入润滑油中,因此,必须勤换油;反之,常在温暖地带使用的发动机,其换油周期可较长。
(二)经常全负荷运转的发动机,进入气缸的润滑油被炽烈的火焰烧去,不易积碳和污损油质,因此换油周期可较长;反之,经常轻负荷运转的发动机,进入气缸的润滑油不易燃烧净,常结成积碳,使润滑油变质,换油周期则应较短。
、(三)车辆经常在多灰尘的环境下或潮湿地区工作,换油周期应较短;反之,经常在较清洁的环境下或干燥地区工作的车辆,换油周期可较长。
(四)新车或发动机刚大修的车辆,在磨合时期内换油周期应较短;磨合期后,换油周期则可酌情延长。
换油时,由于机内残留的旧润滑油会对新加的润滑油起腐蚀作用,换润滑油时应趁热将旧润滑油放干净,然后按3/4柴油和1/4新润滑油的比例注入油底壳,启动柴油机低速运转3~4分钟,对油道进行清洗,接着将上述清洗油放净并保养润滑油滤清器后,即可添加新润滑油,润滑油不可加得太多,否则会加大曲轴运转阻力,助长柴油机烧润滑油,使缸内积碳增多。
三、减少润滑油消耗。
每次启动发动机之前要查看有无漏润滑油处。
若有润滑油从飞轮边缘或油底壳后端向外滴油时,则为曲轴后油封漏油;若润滑油从凸轮轴后端盖处顺缸体向外流油,说明凸轮轴后端盖处密封不严而漏油;若润滑油从曲轴皮带轮甩出,说明正时齿轮盖垫片损坏或装置不当而漏油;若其他各衬垫或油管接头松动破裂而漏油时,从外表可以看出有漏油的痕迹,应检查各连接螺钉或油管接头是否松动及衬垫是否破裂等。
机油更换的步骤和注意事项机油更换是保持发动机正常运转的重要环节,正确的更换机油可以延长发动机的使用寿命,提高汽车性能。
下面将介绍机油更换的步骤和需要注意的事项。
一、机油更换的步骤1. 准备工作:首先,停车并将车辆停在水平的地面上,拉起手刹,并且准备好更换机油所需的工具和材料,如机油滤清器、滤清器扳手、油漏盘、机油漏斗、机油等。
同时,确保车辆的发动机已经熄火并且冷却下来,以免烫伤。
2. 找到机油底壳:打开车辆发动机舱盖,找到机油底壳,一般位于发动机正下方,是一个较大的金属盖子。
3. 清理底壳:用清洁布或纸巾将机油底壳周围的污垢擦拭干净,以免污垢进入发动机。
4. 放置油漏盘:将油漏盘放置在机油底壳下方,以接收流出的旧机油。
5. 打开机油底壳:使用扳手或扳手插件,逆时针旋转机油底壳盖,直到松动。
然后,手动旋转底壳盖,直到底壳盖完全松开,使旧机油流出。
6. 更换机油滤清器:在机油底壳上方,通常有一个圆筒形的装置,即机油滤清器。
使用滤清器扳手,逆时针旋转滤清器,直到松动。
然后,手动旋转滤清器,直到滤清器完全松开。
将旧机油滤清器取出,并用新机油滤清器替换。
7. 加入新机油:将新机油滤清器拧紧并保持稳定。
然后,接上机油底壳盖,并用扳手或扳手插件顺时针旋转,直到底壳盖紧固。
8. 加入新机油:找到发动机舱内的机油加注口,用机油漏斗将新机油倒入机油箱。
根据车辆的使用手册,确定所需的机油种类和机油容量。
慢慢倒入机油,避免溢出。
9. 检查机油量:加入机油后,关闭机油加注口,并擦拭干净。
启动发动机并让其运转几分钟,然后关闭发动机。
等待几分钟,使机油回流到机油底壳。
再次打开机油加注口,使用机油尺测量机油的量,确保机油在正常范围内。
10. 清理工具和废弃物:将使用过的机油滤清器、废弃机油和其他废弃物放置在密闭的容器中,以便安全处理。
用清洁布或纸巾擦拭工具和机油箱周围的污垢。
二、机油更换的注意事项1. 定期更换机油:根据车辆的使用手册,遵循建议的更换机油的里程数或时间间隔。
汽车保养维修指南更换机油的正确步骤汽车保养维修指南:更换机油的正确步骤机油是汽车引擎保持正常工作的重要润滑剂,定期更换机油是保持车辆性能和延长寿命的必要步骤。
本指南将为您介绍汽车更换机油的正确步骤,以确保您能够正确进行机油更换,并保证汽车的可靠性和安全性。
步骤一:准备工作1. 将车辆停在平坦的地面,拉起手刹,并关闭发动机。
确保车辆处于稳定状态。
2. 准备好更换机油所需的工具和材料,包括:新机油、机油滤清器、油漏盘、扳手、汽车千斤顶或千斤顶,以及防护手套。
步骤二:排放旧机油1. 找到汽车引擎舱盖下的机油底壳。
根据汽车制造商提供的指示,找到机油底壳上的油排放螺栓。
2. 将油漏盘放在机油底壳下方,并使用扳手拧松油排放螺栓。
注意要小心烫伤,因为废机油可能会很热。
3. 完全打开油排放螺栓,让废机油从机油底壳流入油漏盘中。
等待几分钟,确保所有废机油都排出。
4. 拧紧油排放螺栓,确保密封良好。
步骤三:更换机油滤清器1. 根据汽车制造商提供的指示,找到发动机侧面的机油滤清器。
使用扳手将机油滤清器取下。
2. 将一些新机油涂抹在新机油滤清器的密封圈上,以确保密封良好。
3. 将新机油滤清器手动旋转到规定的位置,然后用扳手拧紧。
请注意,不要过度拧紧滤清器,避免损坏。
步骤四:添加新机油1. 打开发动机舱盖,并找到机油加注口。
使用漏斗将新机油缓慢倒入机油加注口。
2. 根据汽车制造商的建议,逐渐加入正确数量的机油。
可以在发动机舱盖上找到相关信息。
3. 加入适量机油后,关闭机油加注口。
步骤五:检查机油量和泄漏1. 等待几分钟,让机油充分流入引擎底部。
2. 取出油尺,擦净后再次插入机油加注口。
然后拔出油尺,检查机油位是否在正常范围内。
3. 检查机油滤清器和机油加注口周围是否有任何泄漏。
如果有,需要修复或更换密封垫。
步骤六:清理和处理废机油1. 将油漏盘中的废机油倒入空的密封容器中。
不要将废机油倒入排水口或其他地方,以免对环境造成污染。
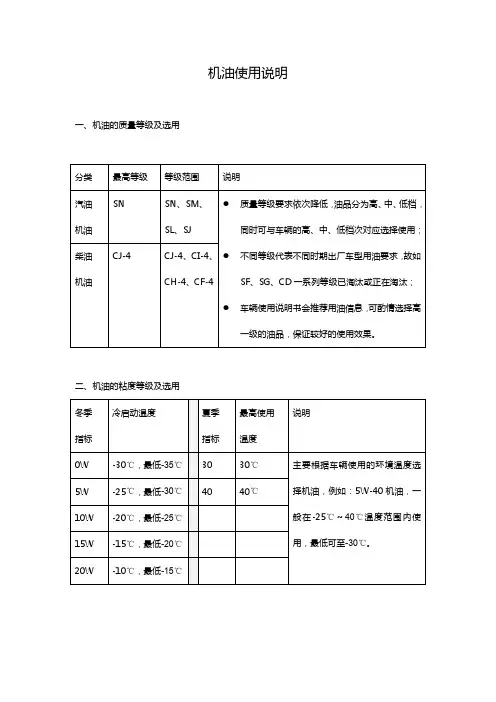
机油使用说明一、机油的质量等级及选用分类最高等级等级范围说明汽油机油SNSN、SM、SL、SJ●质量等级要求依次降低,油品分为高、中、低档,同时可与车辆的高、中、低档次对应选择使用;●不同等级代表不同时期出厂车型用油要求,故如SF、SG、CD 一系列等级已淘汰或正在淘汰;●车辆使用说明书会推荐用油信息,可酌情选择高一级的油品,保证较好的使用效果。
柴油机油CJ-4CJ-4、CI-4、CH-4、CF-4二、机油的粘度等级及选用冬季指标冷启动温度夏季指标最高使用温度说明0W -30℃,最低-35℃3030℃主要根据车辆使用的环境温度选择机油,例如:5W-40机油,一般在-25℃~40℃温度范围内使用,最低可至-30℃。
5W -25℃,最低-30℃4040℃10W -20℃,最低-25℃15W -15℃,最低-20℃20W-10℃,最低-15℃三、车系与用油质量等级车系代表品牌研发特点机油选择德系奔驰,宝马,奥迪,大众注重整车质量和机械技术,一般做工都比较好对油品要求高,多数使用SN、SM美系别克、福特、克莱斯勒、林肯、雪佛兰、卡迪拉克、道奇关注汽车的结实、耐用,比较耗油对油品要求较高,可用SN、SM、SL,多用较大粘度机油,如SM5W-40、SL10W-40日系丰田、日产、本田、斯巴鲁、马自达、三菱、五十铃、铃木关注驾乘者的感受,一般比较人性化偏用节油性好的小粘度机油,如SN5W-30韩系起亚、现代跟美系类似,但差一些同美系法系标致、雷诺、雪铁龙做工细致,底盘技术出色,但成本较高,配件贵对机油要求高,多使用SN、SM上海继润石化科技有限公司2014年9月。
润滑油使用方法润滑油是一种广泛应用于汽车、机械设备和工业设备等领域的重要润滑剂。
正确使用润滑油可以有效降低设备的摩擦和磨损,提升工作效率和寿命。
下面我将详细介绍润滑油的使用方法。
1.选择合适的润滑油首先,根据设备的工作环境、负荷条件和性能要求选取合适的润滑油。
常见的润滑油包括矿物油、合成油和半合成油等。
根据设备制造商提供的技术规格书,选择符合要求的牌号和粘度等级的润滑油。
2.准备润滑系统在使用润滑油之前,需要将润滑系统做好准备工作。
首先,检查设备的润滑系统是否完好,包括油箱、油泵、滤清器、冷却器等。
确保没有漏油、堵塞或损坏现象。
其次,确定合适的添加方式和位置,如调整油位、安装润滑油滤清器和油冷却器等。
3.更换润滑油润滑油的更换周期根据设备的使用情况和润滑油的性能来确定。
通常,润滑油需要定期更换,以保证其良好的润滑效果。
润滑油更换的步骤如下:- 停机检查:将设备停机,断开电源并等待设备冷却至室温。
检查润滑系统是否正常运行,检查废油排放和出油点是否畅通。
- 废油排放:打开废油排放装置,将旧油从设备中排出。
注意使用适当的容器,防止废油外泄和环境污染。
- 更换滤清器:如果设备配备了滤清器,按照设备制造商的要求更换滤芯。
确保滤清器安装正确,密封良好。
- 添加新油:根据设备的润滑系统容量和更换周期,准确计量和添加新的润滑油。
在加注润滑油之前,确保润滑油的包装完好,无异常。
4.注意润滑油的保存和保养润滑油的保存和保养对于其良好的使用效果至关重要。
以下是润滑油保养的几个关键点:- 储存:润滑油应存放在阴凉、干燥和通风良好的地方,远离火源和高温。
避免直接曝光在阳光下,以免日晒造成油质劣化。
- 封存:润滑油容器的密封性应良好,以防止空气和水分进入油中。
一旦油箱或包装损坏,应及时更换容器,并不得重新密封。
- 过滤:使用滤芯或滤清器对润滑油进行过滤,可有效去除杂质和污染物,并延长润滑油的使用寿命。
- 检查:定期检查润滑油的外观、颜色和气味等。
加机油注意事项
1、更换机油之前:
(1) 检查机油量:检查机油量关系着引擎的健康,及时补加机油避免
出现低油量烧机现象;
(2) 清理机油联接处:驾车时,机油箱或者机油嘴常常会有油污渗漏,更换前要将污渍清理干净,并检查管路是否损坏;
(3) 取出汽车动力滤清器:确保需要更换机油,但动力滤清器可以多
次使用,无需每次更换;
2、更换机油时:
(1) 选择机油:按照车辆使用手册要求,选择发动机所需的机油,要
注意质量,以免影响车辆正常使用;
(2) 机油更换间隔:发动机机油一般每三千五百公里要更换一次,但
购入车辆初始机油耐久性高,可以扩大更换机油的间隔;
3、更换机油后:
(1) 调整机油量:机油要想有效保护发动机,其油量必须保持在一定
的范围,按照操作要求正确补充;
(2) 更换机油滤芯:随着机油的使用,粘稠度和干燥度会变大,老化
的机油会调整油压供不足,因此更换机油的同时应该更换滤芯;
(3) 查看机油水平:机油更换完毕就需要查看机油水平,确保油位在
允许的范围内;
(4) 清理滤芯处的机油:由于机油更换后散发出的油烟,会使滤芯及机油箱出现油污,因此应当重新清洗滤芯及机油箱;
(5) 运转发动机检测:将更换机油的操作全部完成后,要将车辆开到正常驾驶位置,发动发动机,检查是否有抖动,声音是否稳定,机油压力等情况。
机油保养操作步骤及注意事项机油保养是车辆维护保养中非常重要的一项工作,下面是关于机油保养的50条操作步骤及注意事项:1. 确保车辆完全停稳,将车辆停在平整的地面上,并拉起手刹。
2. 等待车辆的发动机冷却至常温,以免触及热的机油而受伤。
3. 提前准备好所需的机油、机油滤芯、扳手和油漏斗。
4. 找到车辆的机油加注口,通常位于发动机罩下方,具体位置可参考车辆说明书。
5. 使用扳手将机油加注口盖打开,并准备好接受旧机油的容器。
6. 使用扳手拧开机油排油螺栓,放出旧机油,要确保容器能够完全接收所有旧机油。
7. 用干净的布或纸巾擦拭机油排油螺栓,确保螺栓周围的清洁。
8. 拧下旧机油滤芯,将其放入废弃的机油容器中,清理滤芯座以确保新滤芯能够完全安装。
9. 在滤芯座上涂抹少量新机油,以保证滤芯的密封性和拧上新机油滤芯。
10. 使用油漏斗倒入新机油到机油加注口中,并使用机油量规来核对添加的机油数量。
11. 关上机油加注口盖。
12. 将废旧机油倒入废旧机油容器中,并妥善处理,以保护环境。
13. 检查机油排油螺栓和机油加注口盖的安装是否牢固。
14. 起动发动机并让其运行几分钟,以便机油能够流动到各个部位。
15. 关闭发动机,等待几分钟以便机油回流到油底壳。
16. 使用机油量规检查机油液面,调整至适当的位置。
17. 检查机油滤芯和机油排油螺栓是否有漏油情况,如有发现漏油,及时处理。
18. 记录机油更换的日期和里程数,以便于下次保养时参考。
19. 定期检查机油的质量和油液量,发现异常情况要及时进行维护。
20. 根据车辆使用和环境情况,选择适合的机油品牌和粘度等级。
21. 在高温和频繁行驶的情况下,需要更加频繁地检查和更换机油。
22. 机油更换时,最好配合滤芯一起更换,以保证机油净化效果。
23. 确保购买的机油滤芯符合车辆品牌和型号要求,以免出现不匹配的情况。
24. 使用手套和护目镜等防护用具进行机油更换,避免接触机油和机油滤芯时造成伤害。
发动机机油的使用注意事项有
使用发动机机油时需要注意以下几点:
1. 机油种类的选择:不同的发动机需要使用不同类型的机油。
车主需要根据车辆的使用情况、气候、地域等因素来选择适合自己车辆的机油种类。
同时,车主也应该根据生产厂家建议的机油等级和标准来选择机油。
2. 更换周期:机油需要定期更换,一般情况下每行驶5000-10000公里后应更换一次机油。
如果车辆在高温、高速或者重载情况下使用,则更换周期会更短。
建议车主遵循生产厂家建议的更换周期。
3. 机油添加量:添加机油时,需要根据车辆的机油尺规范添加适量的机油。
机油过多或不足都会对发动机产生负面影响,过多的机油会增加发动机负担,不足的机油则会导致润滑不足。
4. 检查机油质量:长时间使用的机油会因为污染、氧化等原因导致机油质量下降,因此需要定期检查机油的质量。
车主可以通过检查机油颜色、气味、观察机油的清澈程度等方式来判断机油是否需要更换。
5. 环保处理:废弃的机油需要进行环保处理,不能直接倾倒在地面
上或者混入其他垃圾中。
可以将废弃的机油交给专门的机油处理机构或者回收站进行处理。
总之,正确使用发动机机油是保证车辆正常运行的重要环节,车主需要认真了解相关知识,并严格按照要求进行操作。
机油保养操作步骤及注意事项机油是发动机运转的重要润滑剂,正确的机油保养可以延长发动机的使用寿命。
以下是关于机油保养的操作步骤及注意事项:1. 选择适合车辆的机油:根据车辆使用手册上的规定,选择合适的机油品牌和粘度等级。
2. 确定机油更换周期:根据车辆的使用情况和厂家建议,制定机油更换周期。
3. 检查机油液面:在更换机油之前,先检查机油液面是否在正常范围内。
4. 加热发动机:在更换机油之前,先短暂的启动引擎,让机油变得更加流动。
5. 把车辆停放在平稳的地面上:确保车辆停稳,以免发生意外。
6. 准备更换机油的工具:如扳手、油桶、油漏斗等必备工具。
7. 卸下机油螺丝:用扳手卸下机油底壳的螺丝,放开机油。
8. 更换机油滤芯:同时更换机油滤芯,确保更换后的机油系统全新。
9. 放油、加油:待机油完全排出后,重新安装机油螺丝,加入新的机油,注意不要加太多。
10. 检查机油液面:加入适量机油后,再次检查机油液面是否在正常范围内。
11. 清理工具:清理工具和地面上的机油溅出,确保清洁整齐。
12. 启动发动机:启动发动机,让机油循环,确保机油系统正常工作。
13. 检查机油液面:再次检查机油液面,确保机油添加正确。
14. 锁紧机油底壳:确保机油螺丝已经锁紧,避免机油泄漏。
15. 清理工作间:清理更换机油时所用的工作间,确保清洁整洁。
16. 记录更换日期:在车辆使用手册或维护记录上记录机油更换的日期和里程数。
17. 定期检查机油:在机油更换周期之外,定期检查机油液面并补充机油。
18. 如有任何不明白之处,请随时咨询专业技师,切勿贸然操作。
机油保养的注意事项:1. 弯腰时小心:在更换机油时,需弯腰操作,注意动作要轻柔,避免受伤。
2. 避免皮肤接触机油:机油对皮肤有一定刺激性,更换机油时应戴手套,避免接触皮肤。
3. 确认机油液量:加入机油后,要确认机油液面是否在正常范围内,避免过少或过多。
4. 考虑环保:更换机油后的废弃机油应妥善处理,不可乱倒或乱扔。
机油的正确使用作者:聂健飞来源:《农机使用与维修》2015年第05期摘要为保证发动机润滑系经常处于完好的技术状态下工作,除应加强对润滑系进行定期检查、调整和修理外,还需重视对润滑介质—机油的正确使用。
关键词发动机润滑系机油正确使用1使用规定品质的机油润滑系使用的机油,其性能和质量均应符合使用说明书规定的技术要求。
根据发动机类型的不同,应使用相应类别的机油。
即柴油机使用柴油机油,汽油机使用汽油机油。
柴油机油与汽油机油的区别在于添加剂的成分和数量不同。
柴油机多采用抗热和抗压能力较高,但不耐腐蚀的铅合金或铝合金轴承。
因此,柴油机油中加有抗腐蚀的添加剂,而汽油机则多采用耐腐蚀的锡基巴氏合金轴承,所以,汽油机油中没有加入抗腐蚀的添加剂。
另外,柴油机温度较高,机油容易深度氧化,生成胶质。
为使胶质不沉积在运动副的配合表面,柴油机油中除加有抗腐蚀的添加剂外,还加有较多的清净分散添加剂。
为此,使用中不允许用汽油机油代替柴油机油,否则,不仅会使轴承合金腐蚀,而且胶质也容易在运动副的配合表面大量积结,导致运动副卡死。
2保持正常的机油黏度根据气温条件和发动机的磨损程度选用发动机使用说明书中规定的机油牌号。
机油牌号按黏度划分,号数小的机油黏度小、凝点低,而号数大的机油黏度大、凝点高。
通常对新发动机特别是在试运转期间,最好能用比规定牌号低一号的机油,以减少摩擦阻力。
而对磨损较重的发动机,则应选用高一号的机油。
应注意黏度并不简单指机油的稀稠程度。
因此,不允许使用经不同牌号掺配相同稀稠程度的混合油。
这种混合油可能与规定用油的稀稠程度相当,但当温度变化时,混合油的稀稠程度和其他性能指标都会急剧变化,而影响各运动副的润滑。
3机油添加的数量应适当不同类型的发动机其油底壳的储油量和机油泵的输油量也不尽相同,机油泵输油量的多少,不但是摩擦表面的润滑需要,而且能及时将摩擦表面所产生的热量带走,保证摩擦表面始终在正常温度下工作。
合适的输油量要求油底壳应有相应的储油量,储油量过少,机油泵“吃不饱”;储油量过多,则曲轴搅油阻力大,容易引起机油上窜燃烧室,使排气带烟、活塞环结焦等。
汽车保养发动机机油更换的步骤与注意事项汽车保养是确保汽车正常运行和延长使用寿命的关键。
其中,发动机机油更换是保养过程中的一个重要环节。
正确的机油更换步骤和注意事项能够有效地提高发动机的性能和使用寿命。
本文将介绍汽车发动机机油更换的步骤和需要注意的事项。
一、准备工作1.1 确定更换机油的时间间隔:根据汽车生产商的建议,一般车辆的机油更换时间为每隔5000至10000公里或每隔6个月。
根据具体车型和使用情况,可适当调整更换时间间隔。
1.2 采购适合的机油:根据车辆的品牌、型号和发动机要求,选择合适的机油。
一般分为矿物质机油和合成机油两种类型,选择时应遵循车辆使用说明书中的推荐。
二、机油更换步骤2.1 停车并切断点火:将车辆停在平坦的地面上,并拉起手刹。
然后,切断点火,以防止意外启动发动机。
2.2 打开发动机罩:打开发动机罩,以便清楚地观察发动机的部件和机油箱。
2.3 卸下旧机油:找到发动机底部的机油排放螺栓,并使用合适的工具拧下。
放置油桶在螺栓下方,将旧机油排放至油桶中。
排放过程中,可同时拧下油尺的螺帽,以加快机油排放。
2.4 更换机油滤芯:找到机油滤芯并用工具拧下。
将新的机油滤芯涂抹少量机油,并按照说明书的要求安装到原位。
2.5 加注新机油:打开发动机上方的机油加注口,缓慢倒入新的机油。
根据车辆需求,逐渐倒入合适的机油数量。
倒入后,等待机油充分流入发动机。
2.6 检查机油位:加注机油后,等待几分钟,使用油尺检查机油位。
确保机油位在正常范围内。
如有需要,可以适当补充机油。
2.7 关闭发动机罩:确认发动机油和滤芯安装正确后,关闭发动机罩。
三、注意事项3.1 安全操作:在进行任何保养维修工作之前,确保车辆停放在安全的位置,并切断点火。
同时,使用防滑垫和手套进行工作,以防止意外事故和机油对皮肤的伤害。
3.2 正确处置废弃机油:更换机油后,应将废弃机油倾倒至特定收集容器中,并妥善处理。
不可随意倒入下水道或环境中,以免对环境造成污染。
加机油的正确方法和技巧随着汽车的普及和使用频率的增加,保养汽车也成为了一个重要的问题。
而更换机油是汽车保养中的一项重要内容。
正确的加机油方法和技巧能够保证汽车的正常运行和延长发动机的使用寿命。
下面就来介绍一下正确的加机油方法和技巧。
第一步,找到汽车的机油口。
一般来说,机油口是在发动机罩下面的引擎盖上。
打开引擎盖后,你会看到一个带有标识的黄色或者红色盖子,这就是机油口。
在打开机油口之前,需要先将车停在平坦的地面上,并拉起手刹。
然后用一个干净的布擦拭机油口周围的灰尘和杂物,确保机油口的清洁。
第二步,准备好机油和漏斗。
选择合适的机油非常重要,一般可以根据汽车的品牌和型号来选择适合的机油。
在购买机油时,可以参考汽车的说明书或者咨询专业人士。
同时,准备一个干净的漏斗,以免机油洒出来。
第三步,打开机油口盖。
慢慢地旋转机油口盖,直到完全打开。
有些车型的机油口盖上可能还有一根小杆,用来测量机油的油位。
如果有这样的杆,可以拔出来,擦干净后再插入。
第四步,用漏斗将机油倒入机油口。
将漏斗的小口插入机油口中,然后将机油缓慢倒入漏斗。
注意不要一次性倒入过多的机油,以免溢出。
可以多次倒入少量的机油,直到机油达到正确的油位。
第五步,检查机油的油位。
在倒入机油后,等待一段时间让机油流入发动机中,然后拔出机油杆,擦拭干净后再插入机油口。
再次取出机油杆,观察机油杆上的油位。
如果机油位在正常范围内,说明加油完成。
如果机油位过低,需要继续添加机油。
第六步,清理机油口和盖子。
在加完机油后,用干净的布擦拭机油口和盖子,确保没有机油残留。
然后将机油口盖旋紧,确保密封。
以上就是加机油的正确方法和技巧。
在加机油时,需要注意安全和细节,确保机油加注正确和机油口的清洁。
正确的加机油方法和技巧不仅能够保证汽车的正常运行,还能够延长发动机的使用寿命。
所以,每次加机油时都应该认真对待,确保操作正确。
希望本文的内容能够对您有所帮助。
一、实习背景为了提高自身的实际操作能力,我于2023年在某汽车维修店进行了为期一周的实习。
在实习期间,我主要参与了车辆维修工作,其中更换机油是其中一项重要的操作。
以下是我在实习期间关于更换机油的具体情况。
二、实习目的1. 学习汽车机油的更换方法,提高实际操作能力。
2. 了解汽车维修行业的工作流程和规范。
3. 培养团队合作精神,提高沟通能力。
三、实习过程1. 学习理论知识在实习开始前,我认真学习了汽车机油的相关知识,包括机油的作用、种类、更换周期等。
同时,我还了解了不同车型、不同型号的机油更换方法。
2. 实际操作在师傅的指导下,我进行了实际操作。
以下是更换机油的具体步骤:(1)准备工作:将车辆停放在维修车位,关闭发动机,等待车辆冷却。
准备好更换机油的工具,如机油滤清器扳手、螺丝刀等。
(2)放油:使用放油螺栓扳手,将车辆底部的放油螺栓拧下,让机油自然流出。
注意,放油时要将油底壳下方的油盘放置在容器中,以免弄脏地面。
(3)更换机油滤清器:使用机油滤清器扳手,将旧机油滤清器拧下,并安装新滤清器。
注意,更换滤清器时,要将滤清器上的密封圈涂抹适量机油。
(4)加注机油:打开机油盖,使用漏斗将新机油缓慢倒入油底壳。
注意,不要加注过多,以免造成发动机积碳。
(5)检查机油液位:启动发动机,待发动机运转一段时间后,关闭发动机。
使用机油尺检查机油液位,确保在正常范围内。
(6)清理工具:将使用过的工具清洗干净,放回原位。
3. 总结经验在更换机油的过程中,我遇到了一些问题,如拧不动机油滤清器、加注机油时油量过多等。
在师傅的指导下,我逐渐掌握了更换机油的技巧,提高了实际操作能力。
四、实习体会通过本次实习,我深刻体会到以下几方面:1. 实践是检验真理的唯一标准。
在理论学习的基础上,实际操作更能加深对知识的理解。
2. 团队合作是完成工作的重要保障。
在实习过程中,我学会了与同事沟通交流,共同解决问题。
3. 安全意识至关重要。
在更换机油的过程中,要严格遵守操作规程,确保自身和他人的安全。