润滑油常见问题及分析
- 格式:doc
- 大小:39.50 KB
- 文档页数:4
柴油机润滑油常见问题总结柴油机润滑油常见问题总结机油压力表亮红灯的原因?发动机的润滑系统主要由机油泵,机油滤清器,限压阀,旁通阀,油道,油底壳,机油散热器及机油压力传感器和压力指示装置等部件构成。
从理论上分析影响发动机润滑系统机油压力的主要因素:润滑油的粘度,发动机的转速及摩擦副的间隙大小。
在发动机转速相同时,磨损较严重的发动机由于摩擦副间隙增加,油压下降,因此,在使用同一品种同一质量粘度等级的车辆,随着车况变差,机油压力随着磨损或运转间隙的增大而变小(市面上,出现一些“机油精,“发动机修复剂”,“机油复活剂”其实它们也就是一些增粘剂,通过增加机油粘度,弥补因摩擦副间隙增加所带来密封效果减弱问题)。
由润滑油引起发动机亮红灯的原因:1)当油温升高时,油品黏度有较大的下降,2)燃料稀释导致油品粘度有较大的下降,3)把清净分散性好的油换上后,由于新油除去了阻塞在轴承间隙内的污垢,增加了摩擦副之间的间隙,导致机油压力下降,如:201某年5月15日以为客户反映用我公司生产悍虎国三机专用油,更换新油后,行驶2~3天出现机油压力不足的情况,检验油样发现,油样中烟炱含量较多,导致油品出现剪切性能下降。
4)在剪切率较强时,多级油品中的粘度指数改进剂,造成油品粘度的暂时性降低和永久降低。
由机械原因引起发动机亮红灯的原因:1)机油压力表或机油感应塞工作不正常或损坏。
机油限压阀调整不当或弹簧过软,2)机油泵损坏,零件严重磨损。
机油泵不能提供足够的润滑油,导致压力低。
3)连杆轴承,凸轮轴或曲轴主轴承磨损过大,轴瓦磨损造成了机油通过间隙被泄压,造成机油压力低。
4)机油滤清器裂漏,机油集滤器堵塞,旁通阀不密封,机油各油道或油管有堵塞,5)油底壳油量不足,机油油面过低,进油管接头松动或油管破裂。
为什么汽车大修后在走合期会出现亮红灯及烧机油现象?1)机油选用不当,选用了低档机油或者黏度过高的机油。
磨合期间应当适当用较低黏度机油以利用与排屑及散热,高粘度由于泵油困难及润滑不良。
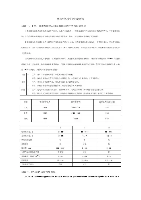
摩托车机油常见问题解答问题一:Ⅰ类、Ⅱ类与Ⅲ类润滑油基础油的工艺与性能差异Ⅰ类基础油通常是由传统的工艺生产制得,从生产工艺来看,Ⅰ类基础油的生产过程基本以物理过程为主,不改变烃类结构,生产的基础油质量取决于原料中理想组分的含量和性质。
因此,该类基础油在性能上受到限制。
Ⅱ类基础油是通过组合工艺(溶剂工艺和加氢工艺结合)制得,工艺主要以化学过程为主,不受原料限制,可以改变原来的烃类结构。
因而Ⅱ类基础油杂质少(芳烃含量小于10%),饱和烃含量高,热安定性和抗氧性好,低温和烟炱分散性能均优于Ⅰ类基础油。
Ⅲ类基础油是用全加氢工艺制得,与Ⅱ类基础油相比,属高黏度指数的加氢基础油,又称作非常规基础油(UCBO)。
Ⅲ类基础油在性能上远远超过Ⅰ类基础油和Ⅱ类基础油,尤其是具有很高的黏度指数和很低的挥发性。
有些Ⅲ类油的性能可与聚α-烯烃(PAO)相媲美,其价格却比合成油便宜得多。
问题二:SF与SE质量级别差异API SE 1972 warranty approved.Not suitable for use in gasoline-powered automotive engines built after 1979.API SF 1980 warranty approved.For 1988 and older engines.汽机油标准GB 11121-2006包括SE、SF、SG、SH、GF-1、SJ、GF-2、SL、GF-3等9个质量级别。
SF级润滑油最初是因为无铅汽油的使用而提出的,它的抗磨性和氧化安定性都比SE级润滑油要好。
表现在程序ⅢD和程序ⅤD发动机台架试验中对发动机活塞裙部漆膜、油环台沉积物、凸轮和挺杆磨损控制的更加严格。
二冲程汽油发动机特点和类型有哪些?二冲程汽油机油用于何处?答:二冲程汽油发动机特点是结构简单、经济方便、单位重量功率高。
按汽缸冷却方式主要分水冷和风冷两种类型,水冷式功率较大,主要用于舷外机上,风冷式功率小多用于摩托车。
汽轮机油系统常见问题及处理措施分析摘要:经济在迅猛发展,社会在不断进步,汽轮机润滑油的主要作用是润化、密封和冷却。
EH油是一种安全保护系统。
两个油系统的运行可靠性和稳定性对发电机组的安全运行具备关键意义。
一旦产生故障,将直接影响发电机组的正常运行,甚至造成非计划停机或设备安全事故。
下文分析汽轮机润滑油系统和EH油系统的普遍问题和解决对策。
关键词:汽轮机;润滑油系统;措施引言汽轮机润滑油系统是汽轮机重要的辅助系统,承担着对轴承润滑、冷却的作用,并兼具部分汽轮机超速保护的功能。
润滑油系统的清洁度恶化将影响汽轮机轴承润滑,易造成轴瓦损坏、轴颈划伤事件,严重影响汽轮机的安全稳定运行,如何保障汽轮机润滑油系统的清洁是摆在各个电厂面前的现实问题。
本文结合高温堆润滑油系统安装管理的经验,就如何对润滑油系统的污染物进行科学的防治及评价进行分析,为后续机组建设提供参考。
1分析汽轮机检修过程中常见的油系统故障1.1EH系统故障根据汽轮机实际发展现状来看,汽轮机EH油系统的常见故障主要分为两种,分别是EH油压过低及EH油温过高。
(1)EH油压过低。
汽轮机EH油压往往具有一定的规定值,若EH油压过低,实际参数偏离定值,主机为了保护设备,低油压联锁会自动采取动作,保证机组安全,而电力生产作为一项系统性的工作,保护动作的自动化采取会对电力生产造成影响。
同时,在EH油压过低的情况下,会导致EH油无法正常开启及调节,DCS对EH油压低保护值动作,直接产生跳机保护,对汽轮机运行安全性造成威胁。
(2)EH油温过高。
EH油温过高会使EH 油质劣化,酸酯、泡沫特性等指标皆会超标,同时易在EH油管各处产生结垢现象,严重时会造成EH回油管堵塞。
另外,有可能使系统出现内泄情况,例如溢流阀、伺服阀、油动机及卸载阀卡涩等,均会导致系统内部构成回路,进而摩擦生热。
其中,若是机组负荷发生变化,油动机动作频繁,外加电化学腐蚀,极易出现阀芯和阀口磨损。
润滑油常见问题知识总汇本文基本覆盖了网上目前关于润滑油的大部分问题,本分分为液压油部分、压缩机油、热处理油、汽轮机油、汽车自动传动液、内燃机油、内燃机油。
液压油部分1、什么是液压油和液力传动油?答:液压油是借助于处在密闭容积内的液体压力能来传递能量或动力的工作介质。
液力传动油是借助于处在密闭容积内的液体动能来传递能量或动力的工作介质。
2、液压油、液力传动油的作用是什么?答:液压油、液力传动油的作用一方面是实现能量传递、转换和控制的工作介质,另一方面还同时起着润滑、防锈、冷却、减震等作用。
3、液压油应具备哪些主要性质?答:适宜的粘度和良好的粘温性,优良的润滑性能(抗磨性能),优良的热、氧化安定性、水解安定性、剪切安定性,良好的抗乳化性,良好的防锈、抗腐蚀性,良好的抗泡性和空气释放性,良好的密封材料适应性,良好的清洁性和过滤性4、我国矿物油型和合成烃型液压油的产品标准是什么?包括哪些品种?答:我国矿物型和合成烃型液压油的产品标准是GB11118.1-94,包括HL、HM、HG、HV、HS五个品种的技术规格。
5、液压油产品主要有哪些?性能特点如何?答:L-HL液压油抗氧防锈型液压油。
L-HM液压油抗磨液压油,在HL基础上改善了抗磨性。
L-HG液压油液压导轨油,在HM基础上添加减摩剂改善粘滑性。
L-HV液压油低温液压油,在HM基础上改善了低温特性。
L-HS液压油低温液压油,比HV有更低的倾点。
高压抗磨液压油在HM液压油优等品基础上增强了抗磨性,通过了高压泵台架试验。
7、SPC高级抗磨液压油与国产HM液压油有哪些区别?满足什么标准?答:SPC高级抗磨液压油理化指标与HM液压油优等品完全相同,在此基础上又增加了丹尼森高压叶片泵(T5D 17.5MPa)和高压柱塞泵(P46 35MPa)台架试验,完全满足美国丹尼森(Denison) HF-0规格,在我国,该类油品标准目前为企业标准,体现了当前液压油最高水平。
润滑油常见问题使用及故障处理(卓工)以下内容为本公司参考多本有关润滑油知识的书籍总结整编出来的一些润滑油常见知识,对于经销商朋友对以后处理润滑油问题有很大的帮助作用,大家可以借鉴一下。
1 内燃机油使用过程中如何管理?1:不同厂家的机油即使是同一牌号级别的,最好不要混用2; 使用时要时常检查油面高度,通过抽检油标尺,发现油少了,要及时补加。
3; 开车前应先用预供油泵使油达到发动机各部位,以免各部件过早磨损。
4:定期对机械保养和清洗,可用发动机清洗剂清洗润滑系统。
5:存入时防水,防尘,防杂质污染,用剩的机油要拧紧盖子密封保存。
2 机油不是海绵,怎么会吸水?大桶装机油在开盖取用一部分后,盖好盖子,于通风良好的闭式仓库存储,过一段时间取用,会发觉桶底有部分油乳化,或是透明度差,或是有少量沉淀物,越是级别高的机油越为明显,发生这种现象要从机油的添加剂说起,添加剂中大部分为清净分散剂,这些剂为表面活性剂,易于空气中水分作用,越是高档机油,添加剂含量越多,吸水可能性越大,因此机油存放一再强调密封保存,开启式空气潮湿,盖子不严,很容易有空气水分渗入,使机油出现浑浊不透,水解而有沉淀物等现象。
3 机油外观不太透明,有雾浊,是不是含水之故?机油正常外观为透明油液,有些机油倒出来后透明度不十分好,好似有水,含水的机油浑浊,透明度差,但并不是透明度不好的机油都是含水超标,机油雾浊可能由以下原因造成:A 生产厂家所采用的机油添加剂质量不佳,油溶性不稳定,存入一定时间后悬浮其中呈不透明。
B 不同厂家生产的机油混用,不同添加剂发生反应生成非油溶物质。
C 机油受潮后添加剂发生强烈水解生成非油融水合物影响透明度。
D 某些合成油与矿物油不互溶,会有浑浊现象。
对于透明度不佳的机油,不要随便应用,以免产生不良现象。
4机油越粘越好吗?不少人明白,机油粘度过低,即较稀,很容易出现亮红灯,润滑不良的现象,喂球避免出现此不良现象,有人就误认为机油越粘越好,甚至判断一个机油油质好坏也仅以粘稠度代替,即用手摸摸捏捏,或是用力摇摇,看看,听听,如果机油粘度高,就认为是好油,已经不看是什么级别牌号了。
润滑油常见的八大问题1.合成油和矿物油究竟有何差异?矿物油来自原油,通常是指经过开采和初加工的原油(或石油)。
依据习惯,把通过物理蒸馏方法从石油中提炼出的基础油称为矿物油基础油。
由于矿物油来源于天然的产物,所以它们分子形式不是理想的结构,全合成油是用化学的方法从例如用乙烯为原料进行合成,与矿物油相比,它分子结构是针对润滑性能而合成的,具有更高级的特性,包括高温稳定性以及抗氧化的特性。
2.发动机油有何作用?发动机是由很多重要的活动部分组成的,例如活塞、曲轴、阀门、凸轮轴。
在确保这些部分正常的工作中,润滑油扮演着几个重要的角色。
润滑功能:减少当部件互相运动时发生的摩擦和磨损,例如汽缸套与活塞环之间的摩擦和磨损。
冷却功能:吸收和发散发动机内部燃烧产生的部分热量及摩擦产生的热量,冷却发动机,防止发动机过热。
密封功能:密封活塞环和汽缸套之间的间隙,防止汽缸压力下降。
清洁功能:防止燃烧产物和氧化产生的积碳和油泥粘附在发动机内部,有交攵保持发动机内部清洁。
防锈防腐蚀功能:中和燃烧产生的酸性物质,防止发动机生锈和产生腐蚀现象。
3.好的发动机油还需要添加剂吗?为了适应现代高性能发动机的要求,优质机油配方中已含有如分散/清净剂、抗氧化剂、抗磨剂、防锈剂等各类添加剂(如:恒运润滑油)。
这些添加剂在基础油中处于zui佳的平衡状态并有良好的综合整体表现,是润滑油公司的技术所在,也是机油性能高低的体现。
额外加入的添加剂必然会影响原来机油添加剂体系的zui佳平衡状态,可能导致机油性能下降,甚至令发动机受损。
世界各大润滑油公司都禁止在自己机油中另外加入各类添加剂,以防止破坏各种性能的综合平衡。
许多著名的汽车制造商也在使用说明书中明确规定,禁止在符合API和ACEA性能等级的油品中另外再添加添加剂,由于使用额外添加剂而产生的损坏将不被列入保修范围。
4.机油消耗量增大的原因是什么?一般情况下,机油是在曲轴箱与气缸盖内这个相对密封对的空间内循环工作,只要发动机工况正常,机油是不可能无故大量减少的。
汽轮机润滑油系统油压低的原因分析和防范措施摘要:汽轮发电机正常运行时由主油泵供油,作用是润滑轴承和减少轴承的摩擦损失,并且带走因摩擦产生的热量和由转子传过来的热量,起到保护汽轮发电机大轴和轴瓦的作用。
润滑油系统的工作好坏对汽轮机的正常运行有非常重要的意义。
关键词:汽轮机;润滑油压过低;解决措施1 润滑油压过低常见原因1.1人为误操作机组润滑油系统压力低时,确认当班运行人员是否对润滑油系统进行包括冷油器切换、油滤网切换及油泵联动试验等进行操作,可排除因人为误操作导致的机组润滑油压力降低。
1.2轴承润滑油用量过大由于轴承的实际耗油量超出设计值,在油系统刚投运时,很多电厂一度出现润滑油压过低,交直流泵陪转现象。
开始时不能确定事故原因,后来采用先进的超声流量计测量各轴承的流量,发现造成润滑油压过低的原因是由于发电机轴承润滑油用量过大引起的,然后对轴承进行了限流,将发电机轴承进口的节流孔板孔径适当调小,使问题得以解决。
1.3主油泵出力不足射油器的工作压力油来自主油泵。
主油泵出口流量和压力达不到设计值,射油器进口压力油的压力也就达不到设计值,从而影响射油器出口压力和流量。
在主机带主油泵系统中,反映在启动时润滑油压还可以,在主油泵投入后,润滑油压降下来,联动交流润滑油泵或直流事故油泵。
这时发现主油泵出口压力都较设计值偏低。
对于首次投运的新机组,常属于设计制造问题,可加大主油泵泵轮外径等办法解决;对于投运一段正常运行时间后,主油泵出口压力突然或缓慢降下来,应查找其它原因,例如系统有无泄漏和堵塞;对于主油泵同时供调节用油的系统,还应查找调节部套有无问题。
1.4交流润滑油泵出口压力偏低交流润滑油泵出口压力偏低与主油泵出口压力偏低情况正好相反,表现在机组启动时润滑油压过低联动直流事故油泵。
主油泵投入后润滑油压正常。
只是交流润滑油泵一般由电动机驱动,解决起来较主油泵方便些。
解决的办法同主油泵。
1.5交流润滑油泵与主油泵均未满足设计要求机组启动过程中轴承润滑油压过低联动直流事故油泵投入;机组正常运行时轴承润滑油压也偏低。
冬季润滑油使用注意事项1. 冬季润滑油的重要性冬季润滑油对于车辆的性能和保护具有至关重要的作用。
在寒冷的气候条件下,汽车发动机、变速器、底盘等部位的工作温度和压力都会发生变化,因此需要使用专门针对冬季的润滑油来保证车辆的正常运行。
合适的冬季润滑油能够有效地减少发动机磨损、防止油路结冰、提高燃油效率等,从而延长车辆使用寿命。
2. 选择合适的冬季润滑油在选择冬季润滑油时,应注意以下几点:●粘度等级:根据车辆的使用手册推荐的粘度等级选择合适的冬季润滑油。
一般来说,较低粘度的润滑油适用于寒冷气候,而较高粘度的适用于高温或高负荷的工况。
●多级机油:多级机油特别适合寒冷季节使用,因为它们具有较好的低温流动性和粘度保持性。
多级机油能够在较低的温度下保持适当的粘度,从而保护发动机。
●防冻液:除了润滑油外,还要注意选择适合的防冻液。
防冻液的作用是防止冷却系统结冰,保护发动机在寒冷环境中正常工作。
3. 使用中的注意事项在使用冬季润滑油时,应注意以下几点:●定期更换机油:按照车辆使用手册推荐的周期更换机油,确保发动机得到充分的保护。
在寒冷季节,应更加关注机油的清洁度和粘度变化。
●注意油位和油质:每天出车前和收车后,检查机油的油位和油质,确保机油量适中,无杂质和水分。
若发现机油异常,应及时更换。
●避免混合不同品牌机油:不同品牌的机油成分可能存在差异,混合使用可能会影响机油的性能。
因此,应避免混合不同品牌的机油。
●注意更换时机:如果行驶里程数或时间达到更换要求,务必及时更换润滑油。
长期使用的润滑油会逐渐失去其性能,对发动机的保护作用也会减弱。
●停车后注意冷却系统:在停车后,应确保车辆冷却系统内的水或防冻液流通顺畅,防止因温度过低造成管路堵塞或部件损坏。
4. 不同车辆的冬季润滑油使用建议不同类型的车辆在选择和使用冬季润滑油时,应考虑其特定的需求和工况:●柴油车:柴油车的润滑油选择应考虑其清洁性能和抗磨性。
在寒冷的季节里,选择低粘度、低摩擦、高粘度指数的润滑油有助于保持发动机的良好性能。
汽轮机润滑油系统的常见故障和应对措施发布时间:2021-05-06T16:18:06.370Z 来源:《中国电业》2021年1月3期作者:张腾[导读] 为了保证汽轮机中的轴类在运动磨损的过程当中,形成的物质能够被顺利清除,所以汽轮机中需要拥有完整的润滑油系统。
张腾国能阳宗海发电有限公司云南昆明 652103摘要:为了保证汽轮机中的轴类在运动磨损的过程当中,形成的物质能够被顺利清除,所以汽轮机中需要拥有完整的润滑油系统。
在汽轮机润滑油系统中,如果其系统受到破坏,很容易引发机组的断电事件,严重一点还会烧坏相关机组,从而形成断油的现象,它对机组的安全运行形成了较大的影响。
关键词:汽轮机;润滑油;系统;常见故障引言汽轮机在运转的过程当中,会形成多种形态的阻碍物,所以为了保证汽轮机的正常运行,需要在汽轮机内部增加润滑油,从而在汽轮机表面形成一层保护膜,它不仅可以减少轴之间的摩擦,同时还可以起到润滑保护的作用。
1油质控制的意义润滑油系统是将透平油作为中间物质,对于机组本身来讲,油的品质直接决定着其经济价值和安全稳定因素。
一般影响透平油品质的原因主要有水污染物的形成导致的污染。
假如润滑油中掺入了相关水分和金属物质,则会全面降低润滑油的性能,从而在钢铁表面引起腐朽的现象,同时还因为金属物质和水颗粒的因素,使得金属在发生化学变化的过程当中促进了润滑油的氧化,全面影响了润滑油的使用时间。
如果润滑液体中的相关物质能够控制在一定的范围内,则可以全面延长润滑油的寿命。
润滑油系统中产生的相关金属物质,主要来自于润滑油的外部,也有内部产生的因素;水颗粒的形成主要还是因为机组的密封性不强,使得蒸汽在运能的过程当中形成水珠,从而掺入透平油中。
并且因为润滑油的循环速度较快,从而让空气进入变得更加的容易,这时的空气在和油液混合的过程当中,加快了透平油的氧化程度,而造成的液体的二次污染,全面降低了润滑油的使用价值[1]。
2汽轮机油润滑油系统的作用浅析2.1调速作用计算机的调配系统的组成主要包括调速系统、油门系统以及控制系统。
汽轮机润滑油系统的常见问题及防范措施王战会(石家庄高新区热电煤气公司检修部,河北石家庄050000)应用科技脯要1本文针对我厂两种型式、四台汽轮积钮的润滑油系统在调试与运行阶段出现的一些典型问题做一描述与分析,并提出防范措施。
希望能对运行^员提供有意叉的参考。
口g键词】润滑油系统;典型问题;防范持施汽轮机的润滑油系统是汽轮机系统的重要组成部分。
负责可靠地向汽轮发电柳组的各轴承、盘车装置、顶轴装置提供合格的润滑油。
如果汽轮机的润湔由系统工作异常,将直接威胁汽轮机设备的安全运行。
处理不及时就会导致汽轮机烧瓦、大轴弯曲、转子动静磨擦甚至整机损坏等恶性事故的发生。
实际运行中,因润滑油系统故障而被迫停机的事情常有发生,因为停运润瀚由系统受到汽轮机缸温、盘车等诸多因素的影响,处理过程—般较长,这将给企业带来损失。
因此,我们要提高对机组润滑油系统的重视。
1机组简介我厂共有四台汽轮机,其中#1、撑2机组汽轮机为武汽制造的C6-3.43,Q98—1型和B6—3.43/098型。
舟3机组汽轮机为南汽制造C12—343,098—2型。
#4机组汽轮机为青岛捷能汽轮机有限公司制造C25—343/098型。
汽轮机润滑油系统除#4机油系统配备两台顶轴油泵外,主要设备基本上是相同包括:油箱及其回油滤网、排油烟风机、主油泵、直蕊由泵、躺由器、冷由器、进回油管路、相关阀门等。
2调试与运行阶段出现的问题及分析21润滑油油质差2.1.1油质变差导致油温升高威胁胡绍安全2006年5月25日下午16:20分,#2机组汽轮机冷油器出口油温开始上升,同时各轴瓦,推力轴承温度升高明显,机头油窗有白色油涑。
迅速减负荷,油温稳定后,在油箱底部排污门放出大量水。
机组稳定后带少量负荷同时连续滤油,直至恢复正常。
机组两个月前曾大修,当时为避免高速转动的轴系因过临界转速或受热膨胀而擦碰汽封齿尖调大了轴封间隙从而影响了汽封严密性。
同时机组的汽封汽源来自背压排汽,外网热负荷变动直接影响排汽压力,使压力忽高忽低,使轴封漏气更易进^轴承室。
润滑油常见问题及分析信息类别:车用润滑油-车用润滑知识发布时间:2008-4-15 浏览量:1352 精品推荐:普通1、油越粘越好吗?机油粘度过低,很容易出现亮红灯、润滑不良的现象,因此,有人就认为机油粘度越大越好,其实这种看法是错误的。
确实,对于上了年纪的汽车,部件都有一定程度的磨损,摩擦部位间隙大些,用高粘油有利于加强其密封性,效果会更好些。
但对于大部分车辆,考虑节能及排废方面,倾向于选用低粘油有利,因为:(1)高粘油流动性较差,启动阻力大,耗油多。
(2)高粘油在启动瞬间比低粘油更难达到摩擦部位,对车辆冷启动的伤害大些。
(3)高粘油低温启动性差,尤其冬天,车辆难以启动。
2、是不是拉丝的油好?不少人认为,拉丝的油够粘,润滑性好,这是一种错误的观点。
一般带“ W ”的机油都是用增粘剂来调和,增粘剂剪切性能不好时就会呈现拉丝状态,这些油使用后很容易变稀,以至不能保持润滑而损坏机器,因此拉丝油反而是差油,最好不要使用。
3、用户反映有些机油使用后容易发黑,为什么?容易发黑的油是不是好油?确实,如果机油档次太低,或氧化安定性不好,或不加添加剂,都会导致机油容易变黑。
但是,机油容易变黑的大部分原因还是与车况有关。
车辆的燃烧性能不好,尤其是柴油车,不完全燃烧产生的烟炱会窜入机油中污染机油使之变黑 ; 另外,放出旧机油时没放净,曲轴箱残留下的油泥、积碳、漆膜等又未经清洗,加入新油后由于新油具有较强的清洗能力,将这些机油残留物清洗出来悬浮于油中,使之发黑 ; 再者就是机油耗量大的车辆,很多时候是车况不佳引起的,因此如果发现机油容易变黑,则是对你的车况性能不佳提出的信号,最好是停车检查,以免发生严重的事故。
4、为何机油越用越少出现短油现象?很多用户以为这种情况是机油太烯的缘故,其实不然,有可能是机油选用不当引起,就机油本身来说,其含低粘组分越多越容易挥发,如15W40、15W30、10W30、5W30 等油比不带 W 的油在同一条件下易挥发,故选用时应注意,夏季南方地区的用户选用含粘组分较多的 20W50 、 40 、 50 等机油,以减少短油现象。
若油品选择没问题,则检查机械原因,有可能是漏油或窜烧机油所致。
5、为什么机油使用后会有蓝烟、黑烟或白烟的现象?不少人都认为出现这些现象是机油质量不好的原因,其实不然。
有可能是燃料油质量不好,或燃烧系统调节不当,燃烧不完全,而出现冒黑烟现象 ; 汽缸密封性不好,产生窜油现象,机油燃料油含水,或窜到汽缸被燃烧掉的机油含水,或在雨天行车,空气湿度大,都会产生冒白烟现象。
6、发动机拉缸是什么原因造成?它与润滑油质量有多大关系?拉缸是指活塞与汽缸相互运动造成严重表面损伤,损伤原因大多是由于运动部位的润滑油膜受到局部破坏而造成的,此时多会发生划伤、拉缸和咬缸。
其损伤程度有所不同,但均统称拉缸。
造成拉缸的主要原因有以下几种:(1)活塞与汽缸配合间隙过小。
(2)活塞与汽缸之间润滑不良,机油选用不当。
(3)活塞环折断,咬死在活塞上,或活塞卡簧折断或脱落。
(4)活塞或活塞环倾倒一侧,紧压汽缸壁上。
(5)发动机大修后没经磨合好即长时间高速或重负荷运转。
(6)发动机冷却不良,冷却系统有故障。
(7)机油不清洁,含大量杂质。
(8)长期超载低速行驶。
(9)非正规厂家生产的汽缸硬度低,质量差。
(10)空气滤清器失效,空气杂质混入燃烧室后落入汽缸壁上。
7、发动机发生烧瓦事故,是机油质量问题吗?发动机发生烧瓦事故,原因是多方面的:(1)油量过少,烧机油。
(2) 润滑油粘度太低。
(3)润滑油被燃油稀释。
(4)润滑油变质。
(5) 供油系统堵塞。
(6)润滑油级别太低,润滑性能不足。
(7)润滑油泵工作不良。
(8)润滑系统漏油。
8、机油加的越多越好吗?油量不足会影响润滑系统,但并不是加的越多越好。
机油过多会使溅到汽缸壁上的机油多而产生烧机油排蓝烟现象,同时增加燃烧室积碳和火花塞积碳,使发动机发生早燃,出现耗油大,动力不足,行驶无力等现象。
尤其对原本存在烧机油现象的车辆,多加机油无疑是雪上加霜,而且还浪费了金钱。
9、为何汽车大修后常出现亮红灯及烧机油现象?新车出厂或者汽车大修后必须经过走合,才能进入正常使用状态。
汽车走合期有以下特点:(1)机件磨损快。
(2) 故障多。
(3)机油易变质。
(4)耗油量大。
(5)紧固件易松动。
汽车在走合期情况特别,因此排除修理方面的原因,有可能会由以下原因引起亮红灯等不良现象。
(1) 机油选用不当,选用了低档机油或者粘度过高的机油。
走合期间应适当选用粘度较低的机油以利于排屑及散热,高粘度油由于泵油困难而易润滑不良。
(2)未走合好就长途行驶,玩命开车。
(3) 行驶时猛启动,猛加速,猛刹车。
(4)行走差道,在坑洼不平的地区或乡下行驶。
10 、发动机烧机油,是不是机油太稀的原因?有些车主认为烧机油是机油太稀的原因,改用高粘度机油,状况果然有所好转,于是便更加认定机油粘度低不好。
其实发动机窜烧机油,有以下几种原因:(1)机油加量过多。
(2)汽缸与活塞间隙过大。
(3)活塞环装反,而导致泵油环折断(或磨损严重)。
(4)混合气窜入机油中稀释机油。
(5)进气门导管或密封圈损环,机油吸入汽缸。
如果属于汽缸与活塞间隙过大引起窜烧机油,采用高粘度机油加强其密封性能或许有所改善,但并非高粘度机油使用效果比低粘度油好,因为故障本身属于机械问题而非油质问题,最终还须修理才能彻底根除,一味使用高粘度油并非良策。
11 、汽车燃油耗损异常是什么原因?有车主反映,一直都在使用某牌子的机油,最近却发现燃油耗量异常大,是不是最近批次机油质量有问题,性能较以前差了?其实汽车燃油耗量大,有多方面原因:(1) 轮胎严重磨损,出现打滑现象,增加油耗。
(2)轮胎气压不够。
(3)车轮转动不正常。
(4)离合器打滑。
(5)汽缸压力不足,磨损大。
(6)冒黑烟,化油器太脏,或混合气过浓。
(7)火花塞损坏,点火不良。
(8)车的控温开关和节能器损坏,燃油雾化不足耗量大。
(9)发动机温度过低,燃油雾化不良。
可见燃油耗量异常与燃油系统及车轮部件关系大些,与机油质量关系不明显,尤其是油耗突然异常,更应着手检查,而不要一味的在机油上找原因。
12 、什么是单机油?什么是多机油?多机油一定比单机油使用性能好吗?单机油和多机油之分是指 SAE 粘度等级而言, SAE 粘度有高温和低温之分,单纯要求高温粘度( V100 ,100 ℃ 运动粘度)达标的叫单机油 ; 单机油常见的有 30 、 40 、 50 油 ; 同时要求高温粘度( V100 ,100 ℃ 运动粘度)及低温动力粘度,低温泵送性达标的叫多机油。
多机油通常用“ XW/Y ”表示, W 表示“ winter (冬天)”的意思, XW 指低温粘度级别, Y 表示高温粘度,两者合下来表示多机能,即多个粘度级别,如 5W/30 、 10W/30 、 15W/40 等。
多机油在低温启动性及泵送性、高温启动性、燃料经济性等方面与单机油相比具有绝对的优势。
由于单机油和多机油对粘度性能要求不同,所用的生产材料也是不同的。
多机油为了满足其低温性能,常采用低粘基础油生产,单机油多用高粘基础油生产。
低粘基础油油膜薄,在高温下易挥发,因此炎热夏季里,某些车辆车况不佳,尤其是旧车或大修车,机件有部分磨损,需要足够厚的油膜才能保持磨损部位的密封性,多机油这方面效果差些,密封性不足而呈油压低状态而亮红灯。
另外高温长途行车使多机油部分挥发窜烧,因油底壳油量不足也易引起亮红灯。
因此对于旧车残车,夏季用单机油效果会更好。
13 、汽油机油可以以高档油取代低档油,柴油机油也一样吗?对汽油机油的选用较为单一,如选用 SJ 油,可以取代 SE 、 SF 、 SG 、 SH 等级别应用于所有四冲程汽油机上,但柴机油则不然,它受到燃烧柴油含硫量的限制及发动机结构不同的限制,则要分别对待。
大功率重负荷增压柴油机,选用 CH—4 可代替 CF—4 、 CE 、 CD; 二冲程大功率柴油机则可选用 CG—2 代替 CF—2 及 CD-- Ⅱ ; 而对越野柴油车和非车用柴油机,选用 CG 可代替 CD 、 CF ,柴油机油不似汽油机油那样可以随意取代。
14 、为何市场上常见有 CD 和 CF—4 级别的柴机油,而很少有 CE 级别的柴机油呢?通过上表可以看出,由于 CE 级柴机油适用于预燃式柴油机,此类柴油机已落后,在中国市场上处于淘汰地位,故相应的 CE 油也少,而中国国内增压式柴油机很多,燃料状况仍以高硫柴油为主,为此可知 CD 及 CF—4 在国内是应用最广的,将来升级换代,因燃料含硫量的限制,在市场上可能出现 CH—4 油居多, CG—4 基本不会在中国市场流通。
15 、车辆后桥齿轮能使用 GL—3 齿轮油或 18# 双曲线齿轮油润滑吗?车辆后桥齿轮是双曲线齿轮,双曲线齿轮的工作条件苛刻,随着汽车的开开停停,经常处在高速冲击负荷,高速低扭矩,低速高扭矩状况下工作,而且工作状况变化频繁,它要求所使用的齿轮油要有良好的极压抗磨性能 ; 另外,双曲线齿轮在行车过程中工作温度较一般齿轮高,它要求齿轮油有更高的抗氧化性能,故研制了汽车后桥齿轮专用的 GL—4 、 GL—5 级齿轮油, GL—3 齿轮油级别较 GL—4 ,GL—5 低,性能差,是不能应用在汽车后桥双曲线齿轮润滑的,市面上仍存在小包装形式的 GL—3 90 油,主要是因为一些车主还存在图便宜的心理,严格地说, GL—3 级油是不能使用的,很容易使车辆齿轮损坏。
在我国车辆齿轮油尚未出现规范分类等级时,早期曾出现过诸如普通汽车齿轮油, 18# 、 22# 双曲线齿轮油等旧牌号,前者为渣油型油,已经被淘汰,后者性能仅仅相当于 GL—3 油,性能是远不能满足汽车后桥双曲线齿轮润滑要求的。
许多司机不了解,认为是齿轮油就可以用,甚至选用工业用齿轮油,结果导致齿轮磨损、烧结、结焦甚至卡死等事故。
因此,选用齿轮油一定要看清其级别牌号。
16 、汽车后桥异响是什么原因?对于齿轮油应用中的问题,反映较多的就是行车过程中后桥齿轮箱有特别声响。
其原因细分析有:(1)齿轮油量不足或粘度下降。
(2)支承轴承松紧调整不当。
(3)主减速器齿轮啮合间隙调整不当。
(4)齿轮磨损过大或损坏。
(5)差速器行星齿轮、半轴齿轮及半轴花键磨损过大或损坏。
17 、夏天要加不冻液吗?很多人认为加不冻液是冬天的事,夏季用水做冷却液就可以了。
但专家认为,夏季加不冻液效果更好。
为什么呢?因为其一,水对冷却系统毕竟是有腐蚀,不冻液含添加剂,可以防锈防腐 ; 其二,水的沸点为100 ℃ ,不冻液的沸点可达120 ℃ 以上,对夏天高速长途行驶的车辆,加不冻液可以防沸,防开锅 ; 其三,加水易产生水垢,常更换,不冻液可长期使用,久不更换都可以。