建筑物照明通电试运行检验批质量验收记录表
- 格式:doc
- 大小:22.00 KB
- 文档页数:1
04建筑物照明通电试运行检验批质量验收记录表
一、前言
为了保证建筑物照明通电试运行的质量,特制定本记录表,用于记录建筑物照明通电试运行检验批的质量验收情况。
二、检验现场
本次建筑物照明通电试运行检验批的检验现场为:(填写建筑物名称)。
检验时间为:(填写检验时间)。
三、检验项目
本次建筑物照明通电试运行检验批的检验项目如下:
1.灯具的表面和灯具内部是否干净、无污染、无潮气。
2.电缆接线是否可靠,高压线和低压线之间是否正确连接。
3.照明控制器的选配是否适合本次使用,工作稳定。
4.聚光灯照度是否达到了设计要求,聚光灯发热是否符合规范。
5.器材的装配是否牢固,位置是否正确。
6.确保设备配有防抛物装置。
四、检验过程
经过检验人员的检验,符合要求的有:
1.灯具的表面干净,无污染、无潮气。
2.电缆接线可靠,高压线和低压线之间连接正确。
3.照明控制器选配适合本次使用,工作稳定。
4.聚光灯照度达到了设计要求,聚光灯发热符合规范。
5.器材装配牢固,位置正确。
6.设备配有防抛物装置。
不符合要求的有:
暂无不符合要求的情况。
五、处理措施
本次建筑物照明通电试运行检验批的处理措施如下:
对符合要求的项目,确认无误后予以通过。
六、结果记录
本次建筑物照明通电试运行检验批的结果记录如下:
符合要求:6项
不符合要求:0项
七、
本次建筑物照明通电试运行检验批的质量验收工作已完成,所有检验项目符合要求,对此予以通过。
如有需要,欢迎监督检查。
A3.5
工序质量报验单
江苏省建设厅监制
工序交接试验验收记录
DQ2.16
A3.5
工序质量报验单
江苏省建设厅监制
工序交接试验验收记录
DQ2.16
A3.5
工序质量报验单
江苏省建设厅监制
工序交接试验验收记录
DQ2.16
A3.5
工序质量报验单
江苏省建设厅监制
工序交接试验验收记录
DQ2.16
A3.5
工序质量报验单
江苏省建设厅监制
工序交接试验验收记录
DQ2.16
A3.5
工序质量报验单
江苏省建设厅监制
工序交接试验验收记录
DQ2.16
A3.5
工序质量报验单
江苏省建设厅监制
工序交接试验验收记录
DQ2.16
A3.5
工序质量报验单
江苏省建设厅监制
工序交接试验验收记录
DQ2.16
A3.5
工序质量报验单
江苏省建设厅监制
工序交接试验验收记录
DQ2.16。
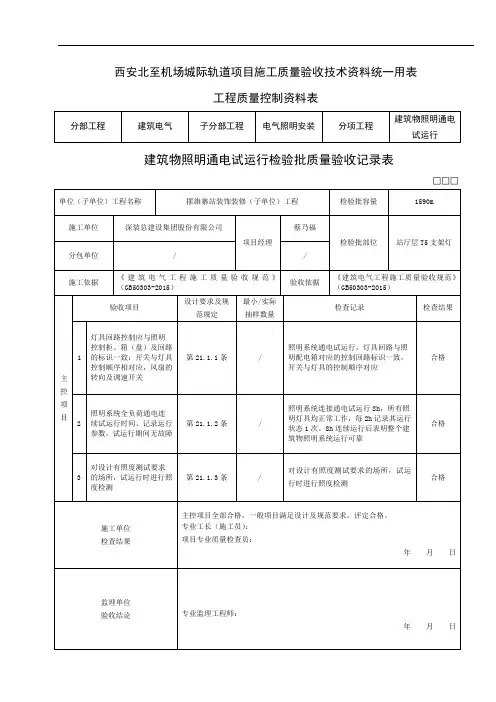
筑物照明系统通电连续试运行时间应24h ,民用住宅照明系统通电连续试运行时间应8h 。
所有照明灯具应开启,且每2h 记录运行状态一次,连续试运行时间内无故障。
筑物照明系统通电连续试运行时间应24h ,民用住宅照明系统通电连续试运行时间应8h 。
所有照明灯具应开启,且每2h 记录运行状态一次,连续试运行时间内无故障。
筑物照明系统通电连续试运行时间应24h ,民用住宅照明系统通电连续试运行时间应8h 。
所有照明灯具应开启,且每2h 记录运行状态一次,连续试运行时间内无故障。
筑物照明系统通电连续试运行时间应24h ,民用住宅照明系统通电连续试运行时间应8h 。
所有照明灯具应开启,且每2h 记录运行状态一次,连续试运行时间内无故障。
筑物照明系统通电连续试运行时间应24h ,民用住宅照明系统通电连续试运行时间应8h 。
所有照明灯具应开启,且每2h 记录运行状态一次,连续试运行时间内无故障。
筑物照明系统通电连续试运行时间应24h ,民用住宅照明系统通电连续试运行时间应8h 。
所有照明灯具应开启,且每2h 记录运行状态一次,连续试运行时间内无故障。
筑物照明系统通电连续试运行时间应24h ,民用住宅照明系统通电连续试运行时间应8h 。
所有照明灯具应开启,且每2h 记录运行状态一次,连续试运行时间内无故障。
筑物照明系统通电连续试运行时间应24h ,民用住宅照明系统通电连续试运行时间应8h 。
所有照明灯具应开启,且每2h 记录运行状态一次,连续试运行时间内无故障。
筑物照明系统通电连续试运行时间应24h ,民用住宅照明系统通电连续试运行时间应8h 。
所有照明灯具应开启,且每2h 记录运行状态一次,连续试运行时间内无故障。
筑物照明系统通电连续试运行时间应24h ,民用住宅照明系统通电连续试运行时间应8h 。
所有照明灯具应开启,且每2h 记录运行状态一次,连续试运行时间内无故障。
建筑物照明通电试运行检验批质量验收记录表GB50303-2002筑物照明系统通电连续试运行时间应24h,民用住宅照明系统通电连续试运行时间应8h。