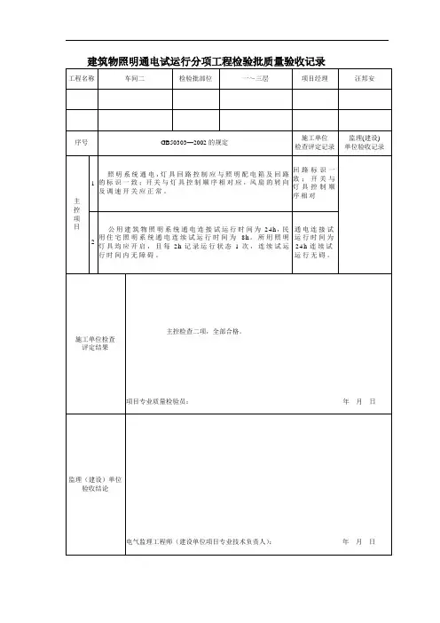
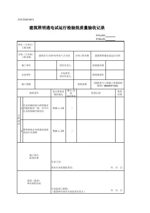
32103照明系统检验批质量检验记录 (2)
- 格式:xls
- 大小:32.00 KB
- 文档页数:1
照明系统安装验收记录1. 项目背景本文档记录了对照明系统安装工程的验收情况。
项目旨在完成建筑物照明系统的安装,确保其正常运行和符合相关安全规范。
2. 验收内容照明系统安装验收内容包括但不限于以下方面:- 安装的照明设备数量和位置是否符合设计要求;- 照明设备的连接、接线是否正确可靠;- 照明设备是否能正常工作,亮度、色温等参数是否符合要求;- 照明系统的开关、调光等功能是否正常;- 照明系统的电气接地是否可靠;- 照明系统与其他电气设备之间的相互影响是否得到合理控制。
3. 验收流程验收流程分为以下几个步骤:3.1 验收准备在进行验收之前,安装单位需要做好以下准备工作:- 确保照明系统已经完成安装并调试;- 准备验收所需的测试仪器和设备。
3.2 验收人员验收人员包括建设单位、设计单位、安装单位和监理单位的相关人员。
他们需要具备相关专业知识和经验,以确保验收的全面性和准确性。
3.3 验收过程验收过程中,验收人员需按照以下步骤进行操作:1. 检查照明系统的安装位置和数量是否与设计一致;2. 检查照明设备的连接和接线是否符合要求;3. 通过测试仪器检测照明设备的亮度、色温等参数是否符合规范;4. 测试照明系统的开关、调光等功能是否正常;5. 检查照明系统的电气接地是否可靠;6. 测试照明系统与其他电气设备的相互影响情况。
3.4 验收结果针对每个步骤,验收人员应做出相应的记录,包括符合要求和存在问题等情况。
对于不符合要求的问题,应指定责任人进行整改,并在下次验收时进行验证。
4. 验收结论通过对照明系统的仔细验收,确认其符合立项要求和相关安全规范,并能正常工作。
验收记录将作为工程竣工报告的一部分,为项目的后期使用和运维提供参考依据。
以上为照明系统安装验收记录的内容,供参考。