照明系统检验批质量验收记录
- 格式:xls
- 大小:27.50 KB
- 文档页数:4
配电与照明节能工程检验批质量验收记录在配电与照明节能工程的质量验收中,真是个让人心里七上八下的过程。
想象一下,项目刚刚完工,大家都热火朝天,兴致勃勃地想着能不能顺利通过验收。
工人们从早到晚忙得不可开交,像上了发条的玩具,连水都顾不上喝。
可是,真正验收的时候,心里那种忐忑,哎呀,简直比走在悬崖边缘还要紧张。
咱们先来说说配电部分。
这可是工程的“心脏”,出点问题可就麻烦了。
设备摆放得整整齐齐,像小学生的书桌一样,谁敢乱动。
电缆的铺设必须像绳子一样笔直,不能有个弯弯曲曲的地方,免得日后影响使用。
检验的时候,检测人员像侦探一样,仔细检查每个接头,仿佛在寻找隐藏的宝藏。
大家的心都提到嗓子眼,生怕哪个接头没做好,一查就查出个大问题。
其实只要细心点,肯定能过的。
然后就是照明部分,咱们可不能掉以轻心。
灯具的选择就像挑衣服一样,得合适又好看,亮度要够,还得省电。
这个可要考虑周全,毕竟谁不想在晚上开灯的时候,钱包里还能多留点钱呢?检查时,工作人员可不是随便看看,得实际打开每个灯,看看光线是不是柔和,颜色是不是自然,真是个细致活。
万一灯光不均匀,像个马戏团一样,别说美观,使用起来也会让人头疼。
整个检验过程就像是在做一场大考试,大家都在小心翼翼,生怕答错了。
特别是最后一步,验收报告的生成,简直是“终极boss”啊。
报告里面得写清楚每个环节的检查情况,像写作业一样,细致入微,绝不能马虎。
只要一出问题,整个工程就像是翻了船,白忙活一场。
可要是顺利通过验收,那种心里的放松啊,简直就像是考完试后的感觉,轻松得能飞起来。
大家聚在一起,像过年一样欢呼,庆祝这来之不易的成果。
喝点小酒,聊聊天,都是满脸的笑容,真是开心得不行。
不过呢,这个过程也不是没有挑战的,偶尔出现的小插曲,反而让人觉得特别有意思。
比如,有一次检查时,灯具的包装没拆,结果一打开,大家都笑了,里面的灯泡像个小孩儿似的,一脸懵懂。
那种瞬间的无奈与幽默,让整个检验过程变得更加轻松愉快。
四川-专用灯具安装工程检验批质量验收记录SG-A015 专用灯具安装工程检验批质量验收记录
四川省建设厅制
SG—A015填写说明
一、本表适用于专用灯具为36v及以下的行灯和行灯变压器、手术台无影灯、应急照明灯、防爆灯等工程的施工质量验收。
二、该分顼工稚检验批可按楼层的层段及区域来划分。
三、主控项目:
1.行灯变压器外壳铁芯和低压侧的任意一端或中性点应有可靠接零或接地。
2.游泳池及类似场所灯具的等电位联结应可靠,标识明显,其电源的专用漏电保护装置应全部检测合格。
电源引入灯具的导管必须采用绝缘导管,严禁采用金属或有金属保护层的导管。
3.手术台无影灯安装的固定螺栓应符合产品的要求,螺栓应采用双螺母锁田;配电箱内的开关电源分别接在两条专用回路上,灯具的导线采用额定电压不低于750v的多股铜芯绝缘电线。
4.应急照明灯具安装的电源除正常电源外,另有一路电源供电;疏散照明线路采用耐火电缆,穿在非燃烧刚性导管铺设,暗铺保护层厚度不小于30mm,电线应采用额定电压不低于750V的铜芯绝缘电线。
5.防爆灯具安装配套齐全,不用非防爆零件替代灯具配件,灯具的安装位置离开释放源,灯具及开关安装牢固可靠,灯具吊管及开关与接线盒螺纹口齿合扣数不少于5扣,螺纹加工光滑完整,无锈蚀,并在螺绞上涂以电力复合酯。
检查方法:见本规范第28、0、7条。
专用灯具安装检验批质量验收记录一、前言话说这天,小明家的客厅灯坏了,于是他决定换一个新的。
可是,新灯装上后,小明发现家里的光线并不如以前亮堂,还有时候会出现闪烁的现象。
这可把小明急坏了,他赶紧找来了专业的灯具安装师傅来检查一下。
经过一番检查,师傅告诉小明,原来是灯具安装不当导致的。
于是,师傅耐心地教给了小明一些关于专用灯具安装检验批质量验收记录的知识,让小明以后再也不用为家里的灯光问题发愁了。
二、灯具安装的重要性1.1 照明效果好我们要明白一个道理,那就是照明效果好的灯具能让我们的家更加温馨、舒适。
想象一下,晚上回家打开门,一片明亮的光线照耀在你的身上,那种感觉是多么美妙啊!所以,我们选择灯具的时候一定要注意照明效果。
1.2 提高生活品质好的灯具还能提高我们的生活品质。
比如,我们在看书、学习的时候,光线太暗会让我们的眼睛疲劳,影响我们的学习效果。
而光线太亮又会刺激我们的眼睛,同样不利于学习。
所以,合适的灯具对于我们的学习和生活都是非常重要的。
三、专用灯具安装检验批质量验收记录的内容2.1 灯具安装前的准备在安装灯具之前,我们需要做好以下几个准备工作:(1)测量空间尺寸:根据实际的空间尺寸,选择合适尺寸的灯具。
(2)选择合适的位置:一般来说,灯具的位置应该在离地面2-3米的高度,这样可以让整个房间的光线更加均匀。
(3)准备好电线和开关:根据灯具的功率,准备好相应的电线和开关。
2.2 灯具安装步骤接下来,我们来看一下灯具的安装步骤:(1)固定灯座:将灯座固定在墙上或者天花板上,确保它牢固可靠。
(2)连接电源线:将电源线连接到灯座上,然后再连接到开关上。
(3)安装灯泡:将灯泡安装到灯座上,然后轻轻拧紧螺丝。
(4)测试开关:打开开关,看看灯光是否正常。
如果不正常,可能是接线有问题,需要重新检查。
2.3 灯具安装后的检查我们还要对安装好的灯具进行一次检查:(1)检查灯光是否正常:看看灯光是否明亮、稳定。
(2)检查开关是否正常:按下开关,看看灯光是否能够正常切换。
检验批验收现场检查原始记录普通灯具安装工程批验收现场检查原始记录普通灯具安装工程1200字以上一、工程概况本次检查的普通灯具安装工程位于XX市商业综合体内,包括室内及室外的灯具安装工程。
工程总面积为XXX平方米,其中室内灯具安装面积为XXX平方米,室外灯具安装面积为XXX平方米。
按照XX项目的要求,灯具安装应符合国家规范以及相关标准的要求。
二、施工单位资质和技术人员承接该工程的施工单位为XX建筑工程有限公司,公司具备市政公用工程施工总承包壹级资质。
施工单位配备了合格的施工管理人员和技术人员,技术人员持有相应的职业资格证书,并具有多年的灯具安装经验。
三、施工工艺和安全措施1.施工工艺:根据设计图纸和规范要求,施工单位采用了正确的灯具安装工艺。
施工前,对安装位置进行了测量和标记,安装时遵循了正确的步骤,保证灯具的稳固安装和视觉效果。
2.安全措施:施工单位为工地搭建了临时安全防护措施,设置了警示标志和临时施工通道,并采取了必要的安全防护措施,如安全帽、手套、安全绳等,确保施工人员安全。
四、材料及设备质量验收1.灯具材料:该工程所使用的灯具材料均为正规厂家生产,具有相应的产品合格证书,材料外观完好无损,表面处理均匀,无划痕和变形。
2.灯具设备:施工单位使用了专业的安装工具和设备,如吊篮、梯子、电动螺丝刀等,并经过检查和维护,确保其正常运行。
五、施工质量验收1.安装质量:本次检查发现,灯具安装工艺正确,灯具固定牢固,接线正确牢固,外露线材经过合理隐藏,整体安装效果良好。
2.照明效果:外部灯具的照明效果明亮均匀,无明暗区域,并符合照度要求。
室内灯具的布置合理,照明效果良好,无明显闪烁和照度不足的现象。
六、隐蔽工程验收1.线管敷设:施工单位按照设计要求对灯具线管进行了敷设,线管弯曲平滑,无破损和变形,线管与墙壁固定可靠。
2.电缆接线:施工单位对灯具电缆进行了正确的接线,连接牢固,无松动现象。
七、质量问题整改在本次检查中未发现质量问题存在,施工单位的施工质量符合规范要求。
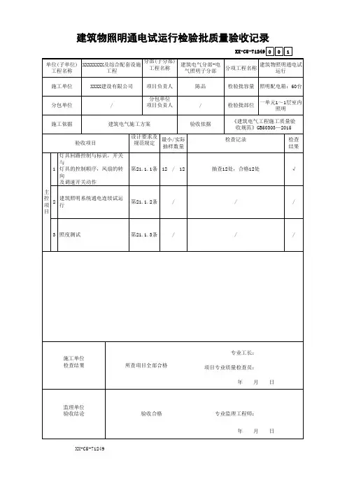
建筑照明通电试运转查验批质量查收记录
工程名称分项工程名称查收部位施工单位项目负责人查验批容量
分包单位项目负责人最小 / 实质抽样数
量
施工设计要求及规范规定依照
质量查收规范的规定施工单位检查评定记录监理(建设)单位查收记录
1.照明系统通电、灯具回路控制应
与照明配电箱及回路表记一致,
开关与灯具控制次序相对应,电
扇的转向及调速开关应正常
主
控 2. 公用建筑照明系统通电连续试运转的
时间应为 24 h,民用住所照明系
统通电连续试运转时间
项应为 8 h。
全部照明灯具均应开
启,且每 2 h 记录运转状态一次,
连续试运转时间内无故障
目
施工单位检查
评定结果
项目专业质量检查员:项目专业质量(技术)负责人:年月日
监理(建设)单位
查收结论
监理工程师(建设单位项目技术负责人):年月日
注:本表由施工项目专业质量检查员填写,监理工程师(建设单位项目技术负责人)组织项目专业质量(技术)负责人
等进行查收。
配电与照明节能检验批质量验收记录注:本表内容的填写需依据《现场验收检验批检查原始记录》。
本检验批质量验收的规范依据见本页背面。
填写说明一、填写依据1 《建筑节能工程施工质量验收规范》GB50411-2007。
2 《建筑工程施工质量验收统一标准》GB50300-2013。
二、检验批划分可按设计系统、区域、楼层、建筑分区划分。
三、GB50411-2007规范摘要主控项目12.2.1 照明光源、灯具及其附属装置的选择必须符合设计要求,进场验收时应对下列技术性能进行核查,并经监理工程师(建设单位代表)检查认可,形成相应的验收、核查记录。
质量证明文件和相关技术资料应齐全,并应符合国家现行有关标准和规定。
1 荧光灯灯具和高强度气体放电灯灯具的效率不应低于表12.2.1-1的规定。
表12.2.1-1 荧光灯灯具和高强度气体放电灯灯具的效率允许值2 管型荧光灯镇流器能效限定值应不小于表12.2.1-2的规定。
表12.2.1-2 镇流器能效定值3 照明设备谐波含量限值应符合表12.2.1-3的规定。
检验方法:观察检查;技术资料和性能检测报告等质量证明文件与实物核对。
检查数量:全数核查。
12.2.2 低压配电系统选择的电缆、电线截面不得低于设计值,进场时应对其截面和每芯导体电阻值进行见证取样送检。
每芯导体电阻值应符合表12.2.2的规定。
检验方法:进场时抽样送检,验收时核查检验报告。
检查数量:同厂家各种规格总数的10%,且不少于2个规格。
12.2.3 工程安装完成后应对低压配电系统进行调试,调试合格后应对低压配电电源质量进行检测。
其中:1 供电电压允许偏差:三相供电电压允许偏差为标称系统电压的±7%;单相220V为+7%、-10%。
2 公共电网谐波电压限值为:380V的电网标称电压,电压总谐波畸变率(THDu)为5%,奇次(1~25次)谐波含有率为4%,偶次(2~24次)谐波含有率为2%。
3 谐波电流不应超过表12.2.3中规定的允许值。
说明
主控项目
1.配电箱(板)到达现场应进行检查,其所安装电器的型号、规格、质量符合设计要求和相关产品标准的规定。
检验数量:施工、监理单位均全部检查。
检验方法:检查质量证明文件并观察检查。
2.配电箱(板)的安装位置应符合设计要求。
检验数量:施工、监理单位均全部检查。
检验方法:观察检查。
一般项目
1.配电箱(板)上应标明回路编号、回路名称和额定电流,有备用电源时应有标志。
检验数量:施工单位全部检查。
检验方法:观察检查。
2.配电箱(板)安装应垂直,固定应牢固,偏差不应大于3 mm,安装高度当设计未作规定时,照明配电箱底边距地面不应大于1.5 m,照明配电板底边距地面不应小于1.8 m。
检验数量:施工单位全部检查。
检验方法:观察、测量检查。
3.装配电箱四边紧贴墙壁,暗装配电箱的高度应符合设计要求。
检验数量:施工单位全部检查。
检验方法:观察、测量检查。
室外及站场照明检验批质量验收记录表
09020701□□□。
配电与照明节能工程检验批质量验收记录范文下载提示:该文档是本店铺精心编制而成的,希望大家下载后,能够帮助大家解决实际问题。
文档下载后可定制修改,请根据实际需要进行调整和使用,谢谢!本店铺为大家提供各种类型的实用资料,如教育随笔、日记赏析、句子摘抄、古诗大全、经典美文、话题作文、工作总结、词语解析、文案摘录、其他资料等等,想了解不同资料格式和写法,敬请关注!Download tips: This document is carefully compiled by this editor. I hope that after you download it, it can help you solve practical problems. The document can be customized and modified after downloading, please adjust and use it according to actual needs, thank you! In addition, this shop provides you with various types of practical materials, such as educational essays, diary appreciation, sentence excerpts, ancient poems, classic articles, topic composition, work summary, word parsing, copy excerpts, other materials and so on, want to know different data formats and writing methods, please pay attention!配电与照明节能工程检验批质量验收记录范文1. 引言在配电与照明节能工程的实施过程中,为确保工程质量,保障工程安全运行,进行检验批质量验收工作至关重要。
DQ3514普通灯具安装分项工程检验批质量验收记录工程文档范本项目名称:普通灯具安装分项工程工程地点:工程验收人员:工程施工单位:工程验收日期:检验批次:第一、质量验收项目及要求1.1灯具与灯具支架的安装应符合设计图纸要求,固定牢固,安全可靠。
1.2灯具的电气连接应符合国家标准,接线紧固可靠,无漏电现象。
1.3照明效果应符合设计要求,无明显漏光、闪烁等现象。
1.4灯具的外观完好无损,无划痕、刺眼等影响使用效果的问题。
1.5工程验收人员应详细核查设计图纸和规范要求,对照实际工程进行检查。
二、质量验收过程2.1现场检查工作台、工具准备情况,确认施工单位符合安全生产要求。
2.2核对材料清单和规范要求,确认灯具品牌型号、规格与设计要求一致。
2.3按照设计图纸要求,检查灯具支架的安装情况,确认固定可靠。
2.4对灯具的电气连接进行检查,确认接线正确牢固,无漏电隐患。
2.5对灯具的照明效果进行检查,确认光线均匀、稳定,无漏光、闪烁等现象。
2.6对灯具的外观进行检查,确认无损坏、划痕等影响使用的问题。
2.7针对以上问题,如有不合格情况,提出整改意见和措施,并要求施工单位立即整改。
三、质量验收结论经过现场检查和核实,本次普通灯具安装分项工程经过验收合格。
各项安装质量符合设计要求,能够正常使用。
特此记录,以资证明。
验收人员签名:验收日期:施工单位负责人签名:技术负责人签名:备注:本检验批质量验收记录将作为工程的重要依据,需妥善保管。
如需提供给相关单位或个人,须经过书面申请和批准。