华水研究生入学试题与题解
- 格式:docx
- 大小:75.98 KB
- 文档页数:26
华水数学建模题目及答案
一、选择题
(1)建模预测天气。
在影响天气的诸多因素及相互关系中,既有已知的又有许多未知的非确定的信息。
这类模型属于(b)。
a.白箱模型
b.灰箱模型C.黑箱模型
(2)在城镇供水系统模型中,水箱的尺寸是(c)。
a.常量
b.变量
c.参数
(3)在整理数据时,需处理和分析观测和实验数据中的误差,异常点来源于(c)。
a.随机误差
b.系统误差C.过失误差
(4)需对一类动物建立身长与体重关系的模型。
在对模型的参数进行估计时,如已有30组数据,且参数估计精度要求较高,应采用(b)估计参数。
a.图解法
b.统计法
c.机理分析法
(5)在求解模型时,为了简化方程有时会舍弃高价小量(如一阶近似、二阶近似等),由此带来一定的误差,此误差是(a)。
a.截断误差
b.假设误差C.舍入误差
二、填空题
(1)己知函数y1 asin xa22cosx,当a很小时,一阶近似为(y1 a sin x),当很小时,二阶近似为(y 1 a x a22),而当x很小时,一阶近似为(y 1 a x a22),二阶近似为(y 1 a x a22 1/2a24 x2)。
(2)学校共有3个系,甲系103人,乙系63人,丙系34人。
学生会共设有20个成员,按Hamilton方法分配名额为(10,6,4),按Q值法分配名额为(11,6,3)。
第一套(B卷)学年第学期级专业建筑材料试题学号:姓名:……………………………………密…………封……………线…………………………………一、名词解释(5×4分=20分)1.外加剂2.热塑性树脂3.钢材的冷加工强化4.水硬性胶凝材料5.混凝土强度保证率二、判断题(每题1分,共10分)1.材料的软化系数越大,其耐水性越好。
()2.水玻璃的模数越大,其黏性越大。
()3.密度是指材料在自然状态下单位体积所具有的质量。
()4.材料的孔隙率增大,其抗冻性一定降低。
()5.钢材的伸长率越大则钢材塑性变形能力愈好。
()6.用粒化高炉矿渣加入适量石膏共同磨细即可制得矿渣水泥。
()7.石油沥青的树脂含量愈多,其塑性愈好。
()8.砂子的细度模数越大,则孔隙率越小。
()9.木材是性质均匀材料。
()10.一切材料的性质都是固定不变的。
()三、选择题(每题1分,共15分)1.100g含水率为3%的湿砂,其中水的质量为。
A.3.0g B.2.5g C.3.3g D.2.9g 2.建筑石油沥青的塑性是用指标表示的。
A.针入度 B.粘滞度 C.软化点 D.延伸度第 1页共 4页第一套(B卷)学年第学期级专业建筑材料试题学号:姓名:……………………………………密…………封……………线…………………………………3.石灰膏在储灰坑内陈伏的主要目的是。
A.充分熟化 B.增加产浆量 C.减少收缩 D.降低发热量4.水泥石体积安定性不良的主要原因之一,是。
A.Ca(OH)2 B.3CaO·Al2O3·6H2O C.CaSO4·2H2O D.Mg(OH)25.在严寒地区水位升降范围内使用的混凝土工程宜优先选用水泥。
A.矿渣 B.粉煤灰 C.普通 D.火山灰6.在进行混凝土配合比设计时,水灰比的选择必须满足要求。
A.强度 B.耐久性 C.强度及耐久性 D.强度及流动性7.细骨料级配及颗粒粗细是根据来评定的。
A.细度模数 B.筛分曲线和细度模数 C.筛分曲线 D.筛分曲线和砂率8.测定混凝土立方体抗压强度的标准试件尺寸为。
807华南理工大学2018年攻读硕士学位研究生入学考试试卷(试卷上做答无效,请在答题纸上做答,试后本卷必须与答题纸一同交回)科目名称:水力学适用专业:水利工程题7图(b)p 1= p 2;题8图(b)Q1 =1.5 Q2;(d)Q1 = 1.73Q2、进行水力模型试验,要实现有压管流的动力相似,应选的相似准则是题14图题17图、一梯形断面浆砌石渠道,底宽b=3.0m,边坡系数,要求按照水力最佳断面设计,则水力最佳断面的宽深比。
题23图、有一矩形断面的小排水沟,水深15cm,底宽20cmm2/s,则其雷诺数为。
直径d = 2cm,水箱液面与距孔口中轴线距离为i2<i c题36图图所示的闸下出流,平板闸门宽b =2m,闸前水深,出流量Q=8m3/s,不计摩擦阻力,试求水流对闸门的作用力,并与按静水压力分布规律计算的结果相比较。
题37图图所示,水从密闭容器A,沿直径d = 25mm,长,已知容器A水面的相对压强P1= 2at,水面高Hλ=0.025,局部损失系数:阀门ζv=4.0,弯头ζ题38图39图所示,不透水层上的排水廊道,已知:垂直于纸面方向长,廊道水深h0= 2m,含水层中水深H = 4m,土壤的渗透系数,廊道的影响半径R=200m。
)廊道的排水量Q。
题39图807华南理工大学2017年攻读硕士学位研究生入学考试试卷(试卷上做答无效,请在答题纸上做答,试后本卷必须与答题纸一同交回)科目名称:水力学适用专业:水利工程题31图径50d =mm 的管道输送油,油的密度为900ρ=kg/m 3,动310-⨯Pa ·s ,试求欲保持层流流态的最大流量。
一座溢流坝如题33图所示,泄流流量为143m 3/s ,按重力相似准则设计模型,如实验室水槽最大供水流量仅为0.08 m 3/s ,原型坝高20p P =m ,坝上水头p H 题33图题34图如题35图所示,一边长10a=cm的正方形管,长100l=cm,连通两储水容器,管中填充均质、各向同性的细砂和粗砂。
华北水利水电大学2020年硕士研究生入学考试初试科目考试大纲《电路、信号与系统》(科目代码:928)考试大纲考试形式和试卷结构一、试卷分值及考试时间考试时间180分钟(3个小时),满分150分。
二、基本要求要求考生掌握电路的基本定理、定律及各种电路的基本概念,学会应用各种方法进行电路的稳态和暂态分析并具有一定的运算能力;掌握信号与系统的基本概念、分析方法和问题求解,能够运用所学理论知识来阐明、分析和研究电子信息领域的工程实际问题。
三、试卷内容及结构1、电路的基本概念实际电路的构成、电路的作用、电路理论的研究对象、电路模型化的条件、集中参数电路与分布参数电路的概念;电流、电压及其参考方向(或参考极性)、关联参考方向、电功率的概念,电功率的其计算,理解有源及无源的概念;电压源与电流源的特性,实际直流电源的两种模型(戴维南电路与诺顿电路),四种形式的受控电源的特性;电阻元件的定义与分类、线性电阻元件及其伏安特性、非线性电阻元件的概念;支路、节点、网孔、回路的概念,基尔霍夫电流定律与电压定律及其应用,独立的KCL与KVL方程数目。
2、电阻电路的等效变换端口的概念,网络等效的原则;线性电阻元件的串联、并联与混联化简及分压与分流原理;戴维南电路与诺顿电路的等效变换,电压源与支路并联的等效化简,电流源与支路串联的等效化简;平衡电桥电路的处理;三端线性电阻网络的Y-Δ等效变换的应用;输入电阻(等效电阻)的概念和各种计算方法;综合应用各种等效化解方法求取简单一端口网络(包括含受控源网络)的等效电路。
3、电阻电路的一般分析方法网孔、回、树、基本回路、基本割集的概念;独立的KCL与KVL方程数目;如何列写网络的2b方程,深刻理解网络方程分析法的基本思路;支路电流分析法及其应用,受控源、无伴电流源支路的处理方法;观察法列写节点电压方程的方法(包括受控源、无伴电压源支路的处理方法),自电导与互电导的概念、节点电压分析法的实质;观察法列写网孔电流方程(包括受控源、无伴电流源支路的处理方法),自电阻与互电阻的概念、网孔电流分析法的实质。
第二篇第三篇研究生入学试题及题解Ⅰ、研究生入学试题武汉水利电力大学2000年研究生入学考试试题考试科目:工程水文学一、选择题(每题2分,共10分。
只允许选择一个答案)1、偏态系数C s >0,说明随机变量x[ ]。
a、出现大于均值x的机会比出现小于均值x的机会多b、出现大于均值x的机会比出现小于均值x的机会少c、出现大于均值x的机会与出现小于均值x的机会相等d、出现小于均值x的机会为零2、减少抽样误差的途径是[ ]。
a、增大样本容量b、提高观测精度c、改进测验仪器d、提高资料的一致性3、由暴雨资料推求设计洪水时,一般假定[ ]。
a、设计暴雨的频率大于设计洪水的频率b、设计暴雨的频率等于设计洪水的频率c、设计暴雨的频率小于设计洪水的频率d、设计暴雨的频率大于、等于设计洪水的频率4、降雨在流域上分布不均匀是单位线变化的主要原因,当暴雨中心在上游时,所形成的单位线[ ]。
a、峰值大,洪峰出现时间迟b、峰值大,洪峰出现时间早c、峰值小,洪峰出现时间早d、峰值小,洪峰出现时间迟5.在湿润地区用蓄满产流法计算的降雨径流相关图的上部表现为一组[ ]。
a 、非平行直线b 、非平行曲线c 、间距相等的平行直线d 、间距相等的平行曲线二、填空题 (每题2分,共10分)1、包气带土壤中所能保持的水分的最大值称为 。
2、我国计算日平均水位的日分界是从 时至 ;计算日降水量的日分界是从 时至 时。
3、在洪水峰、量频率计算中,洪水资料的选样采用 方法。
4、流域汇流时间是指 。
5、相关分析中两变量具有幂函数(y =ax b )的曲线关系,此时回归方程中的参数一般采用 的方法确定。
三. 是非题 (每题2 分,共 10 分)1、按照蓄满产流的概念,仅在蓄满的面积上产生净雨。
( )2、水文频率计算中配线时,减小V C 可以使频率曲线变陡。
( )3、在干旱地区,当降雨满足初损后,若雨强i 大于下渗率f 则开始产生地面径流。
( )4、纳希瞬时单位线U (0,t )的参数n 减小时,单位线U (0,t )的峰现时间提前。
华北水利水电大学2019年硕士研究生入学考试初试科目考试大纲电力系统分析(科目代码:978)考试大纲一、试卷分值及考试时间考试时间180分钟(3个小时),满分150分。
二、考试基本要求本考试大纲适用于报考华北水利水电大学082804农业电气化与自动化(学术学位)和085207 电气工程(专业学位)硕士研究生入学考试。
三、试卷内容及结构(一)、电力系统稳态分析1、电力系统的基本概念电能生产、输送、消费的特点,对电力系统运行的基本要求以及单一电力系统的联合,几种典型接线方式的特点,不同电压等级的适用范围以及电力系统中性点的运行方式。
2、电力系统各元件的特性和数学模型发电机组的运行特性和数学模型,双绕组和三绕组以及自耦变压器的参数和数学模型,电力线路的结构、参数和数学模型,等值变压器模型及其应用,有名值和标幺值表示的电力网络的数学模型3、简单电力网络的计算和分析电力线路运行状况的计算、电力线路运行状况的分析和变压器运行状况的计算,辐射形和环形网络中的潮流分布的计算方法,电力网络潮流的调整控制。
4、复杂电力系统潮流的计算机算法节点电压方程,回路电流方程,节点导纳矩阵的形成和修改方法,功率方程和变量、节点的分类,牛顿-拉夫逊法和P-Q分解法潮流计算。
5、电力系统的有功功率和频率调整有功功率负荷的变动和调整控制,有功功率负荷曲线的预计,有功功率电源和备用容量。
各类发电厂的运行特点和合理组合,最优分配负荷时的目标函数和约束条件,最优分配负荷时的等耗量微增率准则,等耗量微增率准则的推广运用,网络损耗的修正。
频率的一次调整和二次调整。
6、电力系统的无功功率和电压调整无功功率负荷和无功功率损耗,无功功率电源以及无功功率的平衡。
无功功率电源的最优分配,无功功率负荷的最优补偿。
电压波动和电压管理,借改变发电机端电压调压,借改变变压器变比调压及借补偿设备调压方法。
(二)、电力系统暂态分析1、电力系统故障分析的基本知识故障概述,标幺制,无限大功率电源供电的三相短路电流分析。
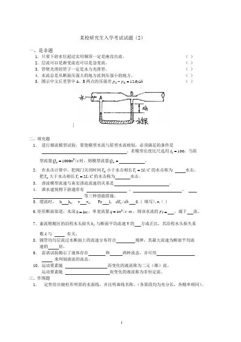
某校研究生入学考试试题(2)一、是非题1.只要下游水位超过实用堰顶一定是淹没出流。
( ) 2.层流可以是渐变流也可以是急变流。
( ) 3.管壁光滑的管子一定是水力光滑管。
( ) 4.水流总是从断面压强大的地方流到压强小的地方。
( ) 5.图示中文丘里管中A 、B 两点的压强差h p p B A ∆=-γ6.12 ( )二、填充题1. 进行堰流模型试验,要使模型水流与原型水流相似,必须满足的条件是。
若模型长度比尺选用1001=λ,当原 型流量s m Q p /10003=时,则模型流量=m Q 。
2. 在水击计算中,把阀门关闭时间m T 小于水击相长C L T r /2=的水击称为 水击。
把m T 大于水击相长C L T r /2=的水击称为 水击。
3. 渗流模型流速与真实渗流流速的关系是 。
4. 泄水建筑物下游通常有 、 、 等三种消能措施。
5.缓流时,h h c , v v c , Fr 1, dh dE s / 0.( 填写>,=,< )6.矩形断面渠道,水深m h 1=,单宽流量m s m q ⋅=/13,则该水流的=Fr ,属于 流。
7.紊流粗糙区的沿程水头损失f h 与断面平均流速V 的 方成正比,其沿程水头损失系 数λ与 有关。
8.圆管均匀层流过水断面上的流速分布符合 规律,其最大流速为断面平均流 速的 倍。
9. 雷诺试验揭示了液体存在 和 两种流态,并可用 来判别液流的流态。
10.运动要素随 而变化的液流称为二元(维)流。
运动要素随 而变化的液流称为非恒定流。
三、作图题1. 定性绘出棱柱形明渠的水面线,并注明曲线名称。
(各渠段均为充分长,各糙率相同)。
2. 绘制作用在平面AB 上的静水压强分布图,并标出大小和方向。
四、计算题1. 某水闸地基的渗流流网如图所示。
已知m H m H 2,1021==,闸底板厚度δ=0m 5.。
地基渗流系数s m k /1015-⨯=。
附表二
华北水利水电大学
2021年硕士研究生入学考试初试科目考试大纲
机械工程材料科目(科目代码:925)考试大纲
考试形式和试卷结构
一、试卷分值及考试时间
考试时间180分钟(3个小时),满分150分。
二、考试基本要求
本考试大纲适用于报考华北水利水电大学机械专业学位下设的先进材料与成型控制技术培养方向的专业型硕士研究生入学考试。
机械工程材料考试是为招收上述学科培养方向的硕士研究生而设置的具有选拔功能的水平考试。
其目的是科学、公平、有效地测试学生大学本科阶段对机械工程材料知识的掌握情况,以保证被录取者具有基本的专业基础,并便于学校优选拔。
三、试卷内容及结构
《机械工程材料》包括材料的结构与组成、材料的力学行为、二元合金相图与相变基础、金属材料的改性(金属热处理原理与工艺)、工业用钢及铸铁等5个部分。
1.材料的结构与组成(15%).
2.材料的力学行为(15%).
3.二元合金相图与相变基础(25%).
4.金属材料的改性(金属热处理原理与工艺)(25%).
5.工业用钢及铸铁(20%).
四、试卷题型结构
主要题型有:选择、填空题(30分);简答、简述题(60分);综合、计算题(60分)。
试卷满分为150分。
命题学院(签盖):
2020年6月30日。
华水考研真题华水考研真题华水考研真题是许多考研学子备考的重要资源之一。
华水考研真题是指由华东师范大学主办的全国硕士研究生招生考试的试题。
这些真题不仅具有权威性和可靠性,还能帮助考生了解考试的难度和内容,提高备考效果。
华水考研真题的重要性不言而喻。
首先,这些真题是考研备考的基础。
通过研究真题,考生可以了解考试的考点和出题规律,有针对性地进行备考。
其次,真题可以帮助考生熟悉考试的时间限制和答题技巧。
通过反复练习,考生可以提高解题速度和准确性,增强应试能力。
最后,真题还可以帮助考生评估自己的备考情况和水平。
通过对真题的分析和比较,考生可以了解自己在各个科目上的优势和不足,有针对性地进行弱项突破。
华水考研真题的特点是多样性和全面性。
华水考研真题涵盖了各个学科的试题,包括政治、英语、数学、专业课等。
这些试题不仅覆盖了各个知识点,还注重考察考生的综合能力和创新思维。
因此,华水考研真题可以帮助考生全面提高自己的学科素养和解决问题的能力。
华水考研真题的使用方法也有一定的技巧。
首先,考生可以按照科目和年份进行分类整理,建立自己的真题库。
这样可以方便考生对比不同年份的试题,了解考试的变化和趋势。
其次,考生可以根据自己的备考计划和时间安排,有针对性地选择和使用真题。
可以先从易到难进行练习,逐渐提高自己的难度和水平。
最后,考生还可以结合教材和参考书,进行真题的解析和总结。
这样可以帮助考生加深对知识点的理解和记忆,提高解题的能力和效率。
当然,华水考研真题的使用也存在一些注意事项。
首先,考生不应过于依赖真题,而忽视了对知识点的系统学习和理解。
真题只是备考的一部分,考生还需要通过教材和参考书进行系统学习,建立自己的知识体系。
其次,考生在使用真题时要注重答案的解析和思路的拓展。
单纯地做题并不足以提高备考效果,考生还需要对错题进行分析和总结,找出解题的规律和方法。
最后,考生要合理安排时间和精力,不要过度追求做题的数量,而忽视了质量和效果。
华北水利水电学院2007年硕士学位研究生招生命题考试高等代数试题特别声明:1 考试时间:180分钟(3小时);满分150分. 2 答案全部答在答题纸上,写在试卷上无效.3 下文中出现的P 表示一般数域;R 表示实数域,C 表示复数域.4 R (A ),分别表示矩阵A 的秩、伴随矩阵、转置矩阵.T A A ,*一 选择题(每题3分,共21分;每题只有一个正确答案) 1、下列命题正确的是 . A ))(λk D 是λ矩阵)(λA 的k 阶行列式因子,则)()(|)(112λλλ−+k k k D D D B ) 整系数多项式没有有理根,则在有理数域上一定不可约)(x f )(x f C ) 镜面反射是第一类正交变换,而旋转是第二类正交变换D ) 两个同阶方阵相似的充分必要条件是它们的不变因子都是一次的 2、已知阶矩阵的秩相等,则一定 n B A ,B A , . A ) 相似 B ) 合同 C) 等价 D) 不相似、不合同、不等价3、矩阵A 实对称,且对应特征值λ的特征向量为α, 矩阵P 可逆,则属于特征值TAP P )(1−λ的特征向量为 .A) B) C) α1−P αT P αP D)αTP )(1−4、设非零矩阵A 满足,则 )0(0**≠=A AA =)(*A R .A ) 1B )2C )D )0 1−n 5、以下是关于正定矩阵的四个命题: ① 如果A ,B 正定,则一定正定; ② 如果⎟⎟⎠⎞⎜⎜⎝⎛B A 00n A R n m =×)(,则一定正定; A A T③ 如果A ,B 正定,则B A +一定正定; ④ 实矩阵A 的特征值全大于零,则A 一定正定. 那么在以上四个命题中正确的命题有 个. A ) 1 B ) 2 C ) 3 D ) 4。
华北水利水电大学2018年硕士研究生入学考试初试科目考试大纲管理学(科目代码:930)考试大纲一、试卷分值及考试时间考试时间180分钟(3个小时),满分150分。
二、考试基本要求1.熟练掌握管理学的基本概念、基本理论和基本方法,2.具备运用管理学理论系统分析和解决实际问题的能力。
3.初步了解管理理论新发展和新实践。
三、试卷内容及结构(一)管理、管理活动与管理理论1.中外早期管理思想,管理理论的形成与发展2.几种相关的道德观,道德管理的特征和影响管理道德的因素,改善企业道德行为的途径,企业的社会责任3.全球化内涵,全球化与管理者,全球化与管理职能,信息化管理(二)决策与计划1.决策与决策理论,决策过程,决策的影响因素,决策方法2.计划的概念及其性质,计划类型,计划编制过程3.战略环境分析,战略性计划选择,计划的组织实施(三)组织1.组织与组织设计,组织的部门化,组织的层级化2.人力资源计划,员工的招聘与解聘,绩效评估3.管理组织变革,组织文化及其发展(四)领导1.领导的内涵,领导风格类型,领导理论2.激励原理,激励的需要理论,激励的过程理论3.沟通的原理,组织沟通,沟通管理,组织冲突与谈判(五)控制1.管理控制类型,管理控制的工作内容及其要求,危机与管理控制2.预算控制,生产控制,财务控制方法,综合控制方法(六)创新创新及其作用,创新职能的基本内容,创新过程及其管理,工作流程的再造第(二)、(三)、(四)部分约占70%,其余部分约占30%。
四、试卷题型结构主要题型有:名词解释(每题5分,共6题,共30分)、简答题(每题10分,共6题,共60分)、论述题(每题20分,共3题,共60分)。
华北水利水电大学2020年硕士研究生入学考试初试科目考试大纲流体力学(科目代码:918)考试大纲考试形式和试卷结构一、试卷分值及考试时间考试时间180分钟(3个小时),满分150分。
二、考试基本要求流体力学是土木工程市政给排水科学与工程方向硕士研究生入学考试中专业课考试内容,主要考察:(1)考生系统地掌握流体力学的基本理论、基本方程和流体工程中基本的分析、计算方法;(2)考生能灵活地运用流体力学理论和方法分析计算从实际工程中简化出来的综合性问题。
三、试卷内容及结构(一)流体静力学1.流体的物理性质(1)流体的概念与连续介质模型;(2)作用在流体上的力;(3)流体主要物理性质。
2.流体平衡和相对平衡(1)流体静压强及其特性和分布规律;(2)绝对压强、相对压强和真空度;(3)平面上液体压力的计算;(4)曲面上液体压力的分解和计算;(5)两种质量力作用下的液体相对平衡及压强计算。
(二)流体动力学1.流体动力学基础(1)描述流体运动的方法;(2)流体运动的基本概念和分类(恒定流与非恒定流、一元流、二元流和三元流、流线与迹线、均匀流和非均匀流、渐变流与急变流);(3)理想流体的运动微分方程及其积分,(4)流体微团运动的组成分析、有旋流和无旋流;(5)恒定平面势流分析;(6)恒定不可压缩液体总流连续性方程;(7)恒定总流的能量方程;(8)恒定总流动量方程及其应用。
2.流动阻力和水头损失(1)水头损失分类;(2)实际液体运动的两种型态与判别;(3)均匀流沿程损失与水流阻力关系;(3)圆管层流运动;(4)圆管中的紊流运动(5)沿程阻力系数的变化规律及影响因素;(6)局部水头损失;(7)边界层理论。
3.有压管道流动(1)孔口及管嘴恒定出流;(2)短管和长管的水力计算;(3)管网水力计算基础;(4)离心式水泵水力计算;(5)水击。
4.明渠恒定流动(1)明渠均匀流;(2)明渠恒定非均匀流;(3)水跃和跌水;(4)棱柱形渠道中恒定非均匀渐变流的水面曲线分析5.渗流(1)渗流基本定律;(2)地下水的均匀流和非均匀流;(3)集水廊道和井。
华北水利水电大学2020年硕士研究生入学考试初试科目考试大纲勘探地球物理学(科目代码:907)考试大纲考试形式和试卷结构一、试卷分值及考试时间考试时间180分钟(3个小时),满分150分二、考试基本要求本考试大纲适用于报考华北水利水电大学地质资源与地质工程一级学科下设的“地球探测与信息技术”培养方向的学术型硕士研究生入学考试。
《勘探地球物理学》是为招收地质资源与地质工程一级学科“地球探测与信息技术”培养方向的硕士研究生而设置的具有选拔功能的水平考试。
该科目考试内容包括三部分内容:(1)地震勘探类;(2)电法勘探类;(3)其他地球物理勘探类。
三、试卷内容及结构1、地震勘探类(含声波探测)(50%);地震勘探类考试内容包括弹性介质与弹性波的定义、地震波的描述方法,不同地质条件下的折射波和反射波的理论时距曲线,瑞利面波法、地震波层析成像法、垂直地震剖面法、桩基动态无损检测法、地微动观测等的方法原理与探测技术。
声波探测的原理和观测技术。
1.1 弹性介质与弹性波1.2地震波的描述方法1.3不同地质条件下的折射波的理论时距曲线1.4不同地质条件下的反射波的理论时距曲线1.5 折射波法的资料处理与解释1.6 反射波法的资料处理与解释1.7瑞利面波法的基本原理与工作方法1.8 声波探测的基本原理与工作方法1.9 地震波层析成像法等其他地震勘探类的基本原理与工作方法2、电法勘探类(含直流电法和交变电磁法)占40%;电法勘探类考试内容包括岩土介质的电阻率定义、影响电阻率的因素;稳定电流场的基本规律、点电源场的分布和大地电阻率的测定方法;视电阻率的概念;电剖面法的定义、特点、装置分类、工作原理和方法;电测深法的定义、特点、装置分类,水平层状地电断面电测深曲线类型,电测深的资料解释方法原理;高密度电阻率法的基本原理;地质雷达、瞬变电磁和音频电磁法的基本原理和资料处理;充电法、自然电位法、激发极化法等其他电法类的基本概念、基本原理和工作方法。
第二篇第三篇研究生入学试题及题解Ⅰ、研究生入学试题武汉水利电力大学2000年研究生入学考试试题考试科目:工程水文学一、选择题(每题2分,共10分。
只允许选择一个答案)1、偏态系数C s >0,说明随机变量x[ ]。
a、出现大于均值x的机会比出现小于均值x的机会多b、出现大于均值x的机会比出现小于均值x的机会少c、出现大于均值x的机会与出现小于均值x的机会相等d、出现小于均值x的机会为零2、减少抽样误差的途径是[ ]。
a、增大样本容量b、提高观测精度c、改进测验仪器d、提高资料的一致性3、由暴雨资料推求设计洪水时,一般假定[ ]。
a、设计暴雨的频率大于设计洪水的频率b、设计暴雨的频率等于设计洪水的频率c、设计暴雨的频率小于设计洪水的频率d、设计暴雨的频率大于、等于设计洪水的频率4、降雨在流域上分布不均匀是单位线变化的主要原因,当暴雨中心在上游时,所形成的单位线[ ]。
a、峰值大,洪峰出现时间迟b、峰值大,洪峰出现时间早c、峰值小,洪峰出现时间早d、峰值小,洪峰出现时间迟5. 在湿润地区用蓄满产流法计算的降雨径流相关图的上部表现为一组[ ]。
a、非平行直线b、非平行曲线c、间距相等的平行直线d、间距相等的平行曲线二、填空题 (每题2分,共10分)1、包气带土壤中所能保持的水分的最大值称为。
2、我国计算日平均水位的日分界是从 时至 ;计算日降水量的日分界是从 时至 时。
3、在洪水峰、量频率计算中,洪水资料的选样采用方法。
4、流域汇流时间是指 。
5、相关分析中两变量具有幂函数(y =ax b )的曲线关系,此时回归方程中的参数一般采用的方法确定。
三. 是非题 (每题2 分,共 10 分)1、按照蓄满产流的概念,仅在蓄满的面积上产生净雨。
( )2、水文频率计算中配线时,减小V C 可以使频率曲线变陡。
( )3、在干旱地区,当降雨满足初损后,若雨强i 大于下渗率f 则开始产生地面径流。
( )4、纳希瞬时单位线U (0,t )的参数n 减小时,单位线U (0,t )的峰现时间提前。
第二篇第三篇研究生入学试题及题解Ⅰ、研究生入学试题武汉水利电力大学2000 年研究生入学考试试题考试科目: 工程水文学一、选择题(每题2分,共10 分。
只允许选择一个答案)1、偏态系数 C s >0 ,说明随机变量x[ ] 。
a 、出现大于均值x 的机会比出现小于均值x 的机会多b 、出现大于均值x 的机会比出现小于均值x 的机会少c 、出现大于均值x 的机会与出现小于均值x 的机会相等d 、出现小于均值x 的机会为零2、减少抽样误差的途径是 [ ] 。
a 、增大样本容量b 、提高观测精度c 、改进测验仪器d 、提高资料的一致性3、由暴雨资料推求设计洪水时,一般假定[ ] 。
a 、设计暴雨的频率大于设计洪水的频率b 、设计暴雨的频率等于设计洪水的频率c 、设计暴雨的频率小于设计洪水的频率d 、设计暴雨的频率大于、等于设计洪水的频率4、降雨在流域上分布不均匀是单位线变化的主要原因,当暴雨中心在上游时,所形成的单位线 [ ] 。
a 、峰值大,洪峰出现时间迟b 、峰值大,洪峰出现时间早c 、峰值小,洪峰出现时间早d 、峰值小,洪峰出现时间迟5.在湿润地区用蓄满产流法计算的降雨径流相关图的上部表现为一组 [ ] 。
a、非平行直线b 、非平行曲线c 、间距相等的平行直线d、间距相等的平行曲线二、填空题(每题2分,共10 分)1、包气带土壤中所能保持的水分的最大值称为。
2、我国计算日平均水位的日分界是从时至 ; 计算日降水量的日分界是从时至时。
3、在洪水峰、量频率计算中,洪水资料的选样采用方法。
4、流域汇流时间是指。
5、相关分析中两变量具有幂函数(y= ax b)的曲线关系,此时回归方程中的参数一般采用的方法确定。
三. 是非题(每题 2 分,共10 分)1、按照蓄满产流的概念,仅在蓄满的面积上产生净雨。
()2、水文频率计算中配线时,减小C V 可以使频率曲线变陡。
()3、在干旱地区,当降雨满足初损后,若雨强 i 大于下渗率f 则开始产生地面径流。
()4、纳希瞬时单位线 U( 0, t )的参数 n 减小时,单位线 U( 0, t )的峰现时间提前。
()5、三点法配线只适用于估算不连续系列的统计参数。
()四. 问答题(每题10 分,共30 分)1、简述暴雨资料充分时,由暴雨资料推求设计洪水的方法步骤。
2 、水文资料的“三性审查”指的是什么?如何审查资料的代表性?3、由流量资料(包含特大洪水)推求设计洪水时,为什么要对特大洪水进行处理?处理的内容是什么?五、计算题(每题10分,共40 分)1、已知某流域年降雨量( P)与年径流深( R)相关点据具有直线关系,并求得年雨量的均值P =1300mm,C V,P =0.16 ;年径流深的均值R =780mm ,C V,R =0.15,相关系数 r=0.98 。
试求( 1)当年降雨量为 1400mm 时,相应的年径流深为多少?( 2)当年径流深为 500mm 时,相应的年降雨量为多少?2、某水库坝址处有 1960~ 1992 年实测洪水资料,其中最大的两年洪峰流量为 1480m3/s、1250m3/s。
此外洪水资料如下:( 1)经实地洪水调查, 1935年曾发生过流量为 5100 m3/s的大洪水,1896年曾发生过流量为 4800 m3/s的大洪水,依次为近 150 年以来的两次最大的洪水。
( 2)经文献考证, 1802年曾发生过流量为 6500 m3/s的大洪水,为近 200 年以来的最大一次洪水。
试用统一样本法推求上述 5 项洪峰流量的经验频率。
3、试用下表所给某流域降雨资料推求该流域的逐日前期影响雨量P a 。
该流域的最大土壤平均蓄水量 I m=90mm ,这段时期的流域蒸散发能力 E m近似取为常量, E m=7.0mm/d ,7月 10日前曾发生大暴雨,故取 7月 10日P a =I m。
4、某流域面积为 75.6Km 2,两个时段净雨所形成的地面径流过程如下表,试用本次雨洪资料分析时段长为△ t=3h 、单位净雨深为 10mm 的单位线。
武汉大学2001 年硕士研究生入学考试试题考试科目: 工程水文学一、选择题(每题 2 分,共20 分)1.土壤稳定下渗阶段降水补给地下径流的水分主要是 [ ] 。
a、毛管水b、重力水c、簿膜水d、吸着水2.附加比降 i△是洪水波的主要特征之一,在落洪时[ ] 。
a、i△=0b、i△>0c、i△<0d、 i△≥ 03.某流域面积为 1000km 2,多年平均降水量为 1050mm ,多年平均流量为 15m 3/s,该流域多年平均径流系数为 [ ] 。
a、0.55b、 0.45c、 0.65d、 0.684.用样本的无偏估值公式计算统计参数时,则 [ ] 。
a、计算出的统计参数就是相应总体的统计参数b 、计算出的统计参数近似等于相应总体的统计参数c 、计算出的统计参数与相应总体的统计参数无关d 、以上三种说法都不对5.某水文变量频率曲线,当均值、C V 不变,增大C S 时,则该线 [ ]。
a、呈顺时针方向转动b、呈反时针方向转动c 、两端上抬、中部下降d、向上平移6.某水利工程,设计洪水的设计频率为P,若设计工程的寿命为 L 年,则在 L 年内,工程不破坏的概率为 [ ] 。
a、Pb、1-Pc、LPd、(1-P)L7.流域中的湖泊围垦以后,流域多年平均年径流量一般比围垦前 [ ] 。
a、增大b、减少c、不变d、不能肯定8.中等流域的年径流C V 值一般较邻近的小流域的年径流C V 值[ ] 。
a、大 b 、小 c 、相等 d、大或相等9.在等流时线法中,当净雨历时t c 大于流域汇流时间τ m时,洪峰流量是由 [ ] 。
a、部分流域面积上的全部净雨所形成b、全部流域面积上的部分净雨所形成b、全部流域面积上的全部净雨所形成 d 、部分流域面积上的部分净雨所形成10.降雨在流域上分布不均匀是单位线变化的主要原因,一般暴雨中心在下游的单位线比暴雨中心在上游的单位线 [ ] 。
a、峰值小、洪峰出现时间迟b、峰值大、洪峰出现时间早c、峰值小、洪峰出现时间早 d 、峰值大、洪峰出现时间迟二、填空题(每题 4 分,共20 分)1. 降雨初期的损失包括_________ ,__________ ,_________ ,__________ 。
2.在一定的兴利目标下,设计年径流的设计保证率愈大,则相应的设计年径流量就愈 ____ 要求的水库兴利库容就愈_________ 。
P R I 0 P03.求后损率的公式 f ______________ 0 0中,各符号的意义和单位分别是: f 为_____________tRP 为_______ , R 为_________ , I0为_______ ,P0为_________ , t R为__________ 。
4. ___________________________ 暴雨点面关系是_________________________ ,它用于由设计点雨量推求________________ 。
5.马斯京根法用于洪水预报时,仅就该法而论,其预见期一般为 ______ ,该法经处理后,预见期最长为___________________ 。
三、问答题(每题10 分,共20 分)1、重现期(T)与频率(P)有何关系? P= 90%的枯水年,其重现期(T)为多少年 ? 含义如何 ?2、推求设计洪水过程线的同频率放大法和同倍比放大法有何异同,简要说明它们的适用条件?四、计算题(每题10分,共40分)1、已知某流域出口断面以上的年降雨量(P)与年径流深( R)成直线相关关系。
已知P 1250mm ,R 715mm ,相关系数r 0.93,径流深系列的均方差R与降雨量系列均方差P的比值为R1.12 。
P(1)试求当年降雨量为 1520mm 时的年径流深是多少?(2)如由 R 推求 P 时,其相关方程如何?当年径流深为680mm 时,其相应的年降雨量是多少?2 、某流域的流域面积 F=412.2km2 ,已分析得 1997年 6月一次暴雨洪水的地面净雨过程及地面流量过程见下表 ,(1)分析该流域 3h10mm净雨单位线 ;(2)将 3h10mm单位线转换为 6h10mm单位线。
表: 某流域 1995 年 8 月的一次暴雨洪水资料3、试用下表所给某流域降雨资料推求该流域的逐日前期影响雨量 P a 。
该流域的最大土壤平均蓄水量 I m=80mm ,这段时期的流域蒸散发能力 E m近似取为常量, E m=6.0mm/d , 7月 5日前曾发生大暴雨,故取 7月 5日 P a =I m。
4、已求得某流域百年一遇的一、三、七日设计面暴雨量分别为336mm 、 560mm 和690mm ,并选定典型暴雨过程如下表,试用同频率控制放大法推求该流域百年一遇的设计暴雨过程。
mm )武汉大学2002 年攻读硕士学位研究生入学考试试题考试科目: 工程水文学一、填空题(每小题1分,共20 分)1、配线法进行频率计算时,判断配线是否良好所遵循的原则是。
2 、降雨量累积曲线上,每个时段的平均坡度代表该时段的。
3、用等流时线法和单位线法进行汇流计算时, 法已经直接反映了流域和河网的调蓄作用。
4、某流域发生一次历时 T=3h 的降雨过程,平均降雨强度大于上土层的下渗能力f上=4.0mm/h 。
下土层的下渗能力为f下=2.5mm/h ,不考虑其他损失,则此次降雨产生的壤中流为。
5、在洪水的峰、量相关分析中,随着洪量统计历时的加长,相关程度。
6、合成流量法的预见期决定于上游各站中传播时间的一个。
7 、相应水位是河段上、下游站某一洪水波上。
8、初损后损法中的初损是指,而在后损阶段,当降雨强度小于后期平均下渗强度(i f )时,其后期平均下渗强度为。
9、蓄满产流模式和超渗产流模式,产生地面径流的条件均是。
10、干旱地区降雨量少,年蒸发系数较大,其径流系数较湿润地区。
11 、在自然界水的小循环中,降雨的水汽来源主要为。
12 、降雨初期的损失包括、、、。
13、相关分析中,两变量的相关线代表了系。
14 、对水文系列的“三性”审查是指、、。
15 、土壤含水量的增加主要靠补充,其消耗途径主要有和。
16、土壤水按主要作用力的不同,可分为、、、等类型。
17、瞬时单位线方程式中的 n、 K 由实测暴雨洪水资料的和求得。
18、按蓄满产流方式,当流域某处蓄满后,对于非超渗雨时段的降雨所形成的总净雨深 R,地面净雨深Rs, 地下净雨深 R g 之间的关系是。
19、蒸散发能力 E m 反映了等气象因素的作用。
20、在北半球形成的反气旋,近地面的气流由高压区向外侧辐散,并在高压区呈旋转。
二、选择题(每小题2分,共20 分)1、设计年径流量随设计频率()。