螺丝工艺与检验标准大全
- 格式:pdf
- 大小:9.16 MB
- 文档页数:162
文件类别Document Classification 文件名称DocumentTitle紧固件检验标准Inspection Standard ForFastener目前版本RevisionA三级文件Class Three页码Page 1 / 9 1.目的规范紧固件的检验标准,以使产品的工艺要求和一致性得到有效控制2. 适用范围本标准适用于本公司所有外购紧固件如:螺丝、螺母等的采购及验收3.检验项目及执行标准螺丝类检验标准检验项目检验标准检验方式抽样计划MAJ MIN 参考文件外观检验色泽:依规格书要求与样品核对表面处理(镀锌,镀铬,镀镉,镀镍,镀五彩,烤漆等)是否符合要求对比封样MAJ:AQL=1.MIN:AQL=0.65▲规格书材质:检查材质是否符合规格书的要求磁石检测(区分铁与304不锈钢)▲规格书不可有毛疵,毛边,变形,破损,加工不良或成型不良等异常现象目视▲/表面电镀层应均匀,不可有氧化,锈斑,电镀不良,烤漆脱落等异常现象目视▲/不可有混装(混入其它不同之螺丝或垫圈),短装,缺附件(垫片、垫圈等)等异常现象目视▲/规格尺寸头形:盘头、沉头等目视▲规格书公称直径:用卡尺测量并与规格书对照是否符合要求卡尺测试▲规格书公称长度:用卡尺测量并与规格书对照是否符合要求卡尺▲规格书文件类别 Document Classification文件名称 Document Title紧固件检验标准Inspection Standard ForFastener 目前版本RevisionA 三级文件 Class Three页码Page2 / 9注释:○1中性盐水喷雾试验法:依据IEC 68-2-11之规范施行.测试条件: (Tested condition)a) 盐雾浓度(Consistency of salt spray): 5±1% b) 氯化钠(NaCl): 99.8%以上c) 试验温度(Test temperature): 35±2℃ d) 喷雾量(Spray amount): 1-2 ml/hr/80cm^2 e) 酸碱值: 35±2℃时,PH 值6.5-7.2 f) 试验时间: 24小时.g) 实验湿度(Test Humidity): 85%以上;h) 压缩空气压力(Compress air pressure): 1.25 kgf/cm^2○2扭力测试:螺钉试件的杆部(镀层或无镀层的)应夹紧在与螺钉螺纹相匹配的、开合的、螺纹模具或其他装置内;螺钉夹紧部分不应损伤,且至少有两扣完整螺纹伸出夹紧装置并除螺钉末端外至少有两扣完整螺纹夹紧在夹具内。
核准审核编制文件名文件编号螺丝、螺母检验规范BL-EI-13-010A版本制订日更改日00012013.06.251、目的和范围本规范规定了螺丝螺母的抽样、检验、判定和不合格的处置。
本规范适用于外协加工件螺丝螺母的进货检验。
2、引用标准GB-2828-2003 逐批检查计数抽样及抽样表3、抽样序检验项目检查水平AQL1外观检验一般检查水平Ⅱ4.02尺寸检验一般检查水平Ⅱ1.53可靠性检验一般检查水平Ⅱ0.44包装检验一般检查水平Ⅱ1.54、检验方法4.1 外观检验:在适当光照条件下,裸眼距离30CM检查进行直观检验;4.2 尺寸检验:使用测量精度应不小于0.02mm的游标卡尺测量其结构尺寸,用标准件套配不可测量尺寸。
4.3 可靠性检验:详见5.35、 检验项目及标准5.1 外观检验项目和标准序检验项目检验描述及标准要求1表面电镀要求表面电镀良好,无氧化、刮伤、镀层不良现象。
2表面效果要求螺丝螺母无开裂、变形、缺损、无螺纹、螺纹残缺等现象。
螺钉帽应无异物堵塞。
5.2 尺寸检验项目和标准序检验项目检验描述及标准要求1结构尺寸要求测量的尺寸在规格书允许的范围内或螺丝确认样品的尺寸一致。
5.3 可靠性检验项目和标准序检验项目检验描述及标准要求1装配效果螺丝:选用标准的螺丝头,使用电、风批在塑胶件螺钉孔或标准配套螺母上连续打5次,要求螺丝槽不打死,螺丝不断裂、滑丝螺母:与标准螺丝套配,不滑丝或旋入困难。
2抗氧化性能放入盐水中浸泡2小时后捞起晾干24小时后看螺丝表面是否会出现氧化、生锈等现象5.4 包装检验项目与标准5.4.1 产品内包装要求产品堆放规整,并有防潮保护。
产品外包装采用纸箱包装,应牢固,不破损,包装箱上应付有产品名称,数量,生日期等标志。
5.4.3 产品在运输中一定要避免冲击、挤压、雨淋、受潮以及化学的腐蚀。
5.4.4 每批次货要求附有送货单、出厂检验报告。
6、检验、判定6.1 从批产品中随机抽取相应的样本进行检验;6.2 抽样检验中发现的不合格品数小于或等于相应的接收数Ac,则该批产品判为合格;6.3 若抽样检验中发现的不合格数等于或大于相应的拒收数Re,则该批产品判定为不合格;7、不合格的处置7.1 通常情况下,不合格的批产品不得发放生产。
1 / 1
螺丝检验标准
一﹑目的与范围:
确保来料在入库前均能正确检验,适用于公司所有螺丝检验。
二﹑相关文件:
《IQC作业指导规范》﹑《常用螺丝参数及测试标准》。
三.职责:
1.品管部主管: 负责制订与优化本标准;
2.IQC:负责按照本规范执行来料检验及质量控制工作
四﹑作业步骤:
1.核对送货单与实物,需一致。
2.按GB2828-2003正常检验一次抽样方案II(CR 0 MA 1.0 MI 4.0)进行抽样。
按常用螺丝参数及测试标准检验数值。
五﹑标准:
1.规格尺寸a.头形(头厚,头宽)须符合标准要求
2.公称直径,公称长度需符合标准要求,参照标准。
3.牙距,牙规格,牙数需符合标准要求。
4.外观:a.包装统一,表面颜色统一,大小均匀,无破损,堵头,锈蚀等脏污缺陷。
b.镀层应均匀,不发黑,无氧化现象。
按采购要求。
1 / 1。
螺栓螺母使用工艺及检验规程根据图纸、流转单、作业指导书等技术、工艺文件要求,选择等级、长度、直径合适的螺栓。
一般情况下,螺栓等级禁止降低,尽量不提高。
螺栓螺母等级应相配。
8.8级螺栓配8级螺母,10.9级螺栓配10级螺母。
1、螺栓大小的选择螺栓孔的大小,决定了螺栓的大小。
若预连接零件的螺栓孔大小不一致,则以孔径较小的为准。
螺栓孔与所使用的螺栓对照表 GB/T5277--1985。
如孔的直径不在上表中,以能穿的最大直径的螺栓为准,螺栓的大小以技术、工艺文件为准,在没有要求时,以本条规范为准。
2、螺栓的防松螺栓的防松现用三种方式,开口销式,双母式,弹垫式。
开口销式,属于机械锁固型防松方法配备:1个开槽螺栓,1个开槽螺母,数个平垫,1开口销。
不同规格的螺栓所配开口销见附表。
双母式防松配备:1个螺栓、2个螺母,1个平垫。
平垫安装在螺母和零件之间。
弹垫式防松配备:1个螺栓,1个螺母,1个平垫,1个弹垫。
平垫、弹垫安装在螺母和零件之间。
弹垫紧贴螺母,平垫紧贴零件。
没有规定采用何种防松措施时,一律按照弹垫式防松配备。
螺栓组的防松配备以技术、工艺文件为准,在没有要求时以本条规范为准。
不同规格的螺栓所配开口销对照表 GB/T91—20003螺栓的漏出长度根据螺栓螺距的长度,确定露出长度,见下表:注:1、实际露出长度不得小于表中数值。
一般不要大于10;2、螺距可以简单理解为两道牙的间距4根据零件材料和螺纹直径,确定扭转力矩,过大易引起螺栓折断或机件变形,过小使连接易松动、影响工作。
5操作时注意事项螺母与零件贴合表面要平整光滑。
成组螺母拧紧时,须按一定顺序,逐步分次拧紧。
拧紧长方形或正方形布置的成组螺母时,应从中间开始,逐步向两侧扩展。
拧紧按圆形或正方形布置的成组螺母时,必须对称拧紧。
安装双头螺栓必须使用润滑油,防止螺栓拧入时卡死,双头螺栓轴心线必须与机体表面垂直。
1、目的和范围
本规范规定了螺丝螺母的抽样、检验、判定和不合格的处置。
本规范适用于外协加工件螺丝螺母的进货检验。
2、引用标准
GB-2828-2003 逐批检查计数抽样及抽样表
4、检验方法 4.1 外观检验:
在适当光照条件下,裸眼距离30CM 检查进行直观检验; 4.2 尺寸检验:
使用测量精度应不小于0.02mm
的游标卡尺测量其结构尺寸,用标准件套配不可测量尺寸。
4.3 可靠性检验: 详见5.3
5、 检验项目及标准
5.4 包装检验项目与标准
5.4.1 产品内包装要求产品堆放规整,并有防潮保护。
5.4.2 产品外包装采用纸箱包装,应牢固,不破损,包装箱上应付有产品名称,数量,生日期等标志。
5.4.3 产品在运输中一定要避免冲击、挤压、雨淋、受潮以及化学的腐蚀。
5.4.4 每批次货要求附有送货单、出厂检验报告。
6、检验、判定
6.1 从批产品中随机抽取相应的样本进行检验;
6.2 抽样检验中发现的不合格品数小于或等于相应的接收数Ac,则该批产品判为合格;
6.3 若抽样检验中发现的不合格数等于或大于相应的拒收数Re,则该批产品判定为不合格;
7、不合格的处置
7.1 通常情况下,不合格的批产品不得发放生产。
仓库应及时反馈采购部门,并在规定的
时间内向供应商退换;
7.2 让步接收应经不合格品审理,必要时应征得客户同意。
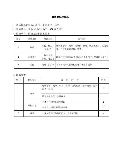
螺丝类检验规范
1、检验仪器和设备:电批、数字卡尺、样品。
2、环境条件:常温(25℃±5℃),40W荧光灯下。
3、检验项目、检验方法和技术要求
序号检验项目检验方法技术要求
1 外观目视、样品、
承认书
螺丝无滑牙、变形,无缺损、批峰;镀层无脱落、生锈现
象;包装不能有混货、装错。
2 结构尺寸
数字卡尺、
样品、承认书
测量尺寸应在承认书(标识的重要尺寸)允许的公差内。
3 试装电批、承认书与相关壳等试装结构良好,无滑牙现象。
4、缺陷分类
序号检验项目缺陷内容判定
1
外观螺丝滑牙、变形,缺损、批峰;镀层脱落、生锈现象;包装
混货、装错 B 镀层轻微脱落、生锈现象 C
2 结构尺寸主体尺寸超差且影响装配 B 主体尺寸超差但不影响装配 C
3 试装与相关壳等试装结构不良,有滑牙现象。
B。
自攻螺丝的检验标准主要包括以下方面:
1. 尺寸标准:自攻螺丝的尺寸包括直径、长度、螺纹规格等,应符合相关国际或国家标准,确保满足特定应用的要求。
2. 材料标准:自攻螺丝的材料通常是金属,如碳钢、不锈钢、铝合金等,各种材料具有不同的强度、耐腐蚀性和适用环境。
3. 表面处理:自攻螺丝表面必须进行防护处理,如镀锌或磷酸锌覆盖,以提高耐腐蚀性能。
4. 螺纹标准:自攻螺丝的螺纹标准包括螺距、螺纹类型(粗螺纹、细螺纹等)和螺纹规格,应确保螺丝能够正确地与螺母或其他螺纹部件配合使用。
5. 紧固性能:自攻螺丝应具有良好的紧固性能,能够牢固地固定被连接件,保证连接的稳定性和可靠性。
6. 耐腐蚀性能:自攻螺丝应具有良好的耐腐蚀性能,能够在不同的环境条件下长时间保持其性能。
7. 外观质量:自攻螺丝的外观应无明显缺陷,如毛刺、划痕等,且无明显弯曲或变形现象。
综上所述,自攻螺丝的检验标准是多方面的,包括尺寸、材料、表面处理、螺纹标准、紧固性能、耐腐蚀性能和外观质量等方面。
在生产和使用过程中,应严格按照标准进行检验和质量控制,以确保自攻螺丝的性能和质量。
螺丝质量检验规范1.引言本文档旨在制定螺丝质量检验的规范,以确保螺丝产品的质量符合标准要求并满足客户的需求。
螺丝作为机械设备中常用的连接元件,其质量对于设备的安全和可靠性至关重要。
2.检验标准螺丝质量的检验应基于以下标准之一:- 国家标准:按照国家制定的相关标准进行检验;- 行业标准:按照行业内普遍接受的标准进行检验;- 客户要求:根据客户提供的特定要求进行检验。
3.检验项目螺丝质量的检验项目包括但不限于以下内容:- 尺寸:检查螺丝的长度、直径、螺纹等尺寸是否符合标准要求;- 螺纹:检查螺纹的牙距、牙深、牙型等是否符合标准要求;- 表面处理:检查螺丝的表面处理质量,如镀层、涂层等是否均匀、光滑;- 质量缺陷:检查螺丝是否存在缺陷,如裂纹、变形等;- 材质:检查螺丝的材质是否符合标准要求。
4.检验方法螺丝质量的检验方法应遵循以下原则:- 目测检查:通过目视观察螺丝的外观、表面处理等特征进行判断;- 测量检验:使用相关测量工具进行尺寸、螺纹等参数的测量;- 功能性测试:将螺丝与相应的构件组装,并测试其连接是否稳固、牢固。
5.检验记录对于每一批次的螺丝质量检验,应建立完整的检验记录,记录包括以下内容:- 检验日期、批次编号、检验员等基本信息;- 检验项目及结果;- 异常情况的处理和说明;- 检验设备的校准情况。
6.品质控制定期进行螺丝质量的检验,包括供应商自检和第三方检验,以确保产品质量的稳定性和一致性。
发现质量问题时,及时采取纠正措施并对原因进行分析,以避免类似问题的再次发生。
结论本文档提供了螺丝质量检验的规范,涵盖了检验标准、检验项目、检验方法、检验记录和品质控制等方面内容。
遵循本规范进行螺丝质量的检验,能够有效保障产品的质量和可靠性,满足客户的需求和期望。
如有任何问题或改进意见,请随时与质量部门联系。
螺丝检验标准1. 目的:为了规范公司对原材料的进料品质检验工作,并统一检验标准要求及检验方法。
2. 适用范围:适用于对螺丝的进料检验,样品确认检验,生产过程出现的不良确认检验。
3. 抽样方案:检查水平:一般检查水平IIAQL值:Cr=0 Ma=0.65 Mi=2.5。
4. 标准内容No . 检验项目标准要求检验方法检验工具/设备备注1 外观1) 表面要完整,无破裂、磨损、缺损。
2) 金属应无氧化。
3) 漆层或镀层光泽要均匀,不能有起泡,龟裂。
4) 漆层或镀层不能有脱落。
5) 表面应整洁无污渍。
目视放大镜2 尺寸1)尺寸应符合图样。
2)头形应符合工艺图纸要求或与样板一致。
3)螺丝头与镙纹杆要求垂直。
测量卡尺水平仪(直角尺)3 防蚀性(关键点)用5%盐水浸24小时不应退色,生锈。
具体情况可参照国标《盐雾实验通行标准》目视放大镜4 材质材质应符合(规格书)或技术图样对比样本称重量电子称5包装防护1)外包装箱不允许有破损、变形、受潮;2)外包装箱标识应有供应商名称、生产日期、OK标贴、检验员、规格型号、物料代码、产品颜色、数量等,来料名称与系统物料名称应一致;3)应使用规定的防护包装材料目视目视6 实装配1)用电批将螺钉与螺母组装,不能出现装不进或旋不紧;2)与螺母试装(按规定力矩)后,注意检查是否旋到位,槽位应不能打滑。
目视实际操作扭力计。
文件类别Document Classification 文件名称DocumentTitle紧固件检验标准Inspection Standard ForFastener目前版本RevisionA三级文件Class Three页码Page 1 / 9 1.目的规范紧固件的检验标准,以使产品的工艺要求和一致性得到有效控制2. 适用范围本标准适用于本公司所有外购紧固件如:螺丝、螺母等的采购及验收3.检验项目及执行标准螺丝类检验标准检验项目检验标准检验方式抽样计划MAJ MIN 参考文件外观检验色泽:依规格书要求与样品核对表面处理(镀锌,镀铬,镀镉,镀镍,镀五彩,烤漆等)是否符合要求对比封样MAJ:AQL=1.MIN:AQL=0.65▲规格书材质:检查材质是否符合规格书的要求磁石检测(区分铁与304不锈钢)▲规格书不可有毛疵,毛边,变形,破损,加工不良或成型不良等异常现象目视▲/表面电镀层应均匀,不可有氧化,锈斑,电镀不良,烤漆脱落等异常现象目视▲/不可有混装(混入其它不同之螺丝或垫圈),短装,缺附件(垫片、垫圈等)等异常现象目视▲/规格尺寸头形:盘头、沉头等目视▲规格书公称直径:用卡尺测量并与规格书对照是否符合要求卡尺测试▲规格书公称长度:用卡尺测量并与规格书对照是否符合要求卡尺▲规格书文件类别 Document Classification文件名称 Document Title紧固件检验标准Inspection Standard ForFastener 目前版本RevisionA 三级文件 Class Three页码Page2 / 9注释:○1中性盐水喷雾试验法:依据IEC 68-2-11之规范施行.测试条件: (Tested condition)a) 盐雾浓度(Consistency of salt spray): 5±1% b) 氯化钠(NaCl): 99.8%以上c) 试验温度(Test temperature): 35±2℃ d) 喷雾量(Spray amount): 1-2 ml/hr/80cm^2 e) 酸碱值: 35±2℃时,PH 值6.5-7.2 f) 试验时间: 24小时.g) 实验湿度(Test Humidity): 85%以上;h) 压缩空气压力(Compress air pressure): 1.25 kgf/cm^2○2扭力测试:螺钉试件的杆部(镀层或无镀层的)应夹紧在与螺钉螺纹相匹配的、开合的、螺纹模具或其他装置内;螺钉夹紧部分不应损伤,且至少有两扣完整螺纹伸出夹紧装置并除螺钉末端外至少有两扣完整螺纹夹紧在夹具内。
GB—中国国家标准(国标)ANSI—美国国家标准(美标)DIN—德国国家标准(德标)ASME—美国机械工程师协会标准JIS—日本国家标准(日标)BSW—英国国家标准2 引用标准下列规范所包含的条文,通过在本规范中引用而构成为本规范的条文,本规范实施时,所示版本均为有效。
所有标准都会被修订,使用本标准的各方应探讨使用下列标准最新版本的可能性。
GB196-81普通螺纹基本尺寸GB197-81普通螺纹公差与配合GB3103.1-82紧固件公差螺柱、螺钉和螺母GB1237-88紧固件的标记方法GB3098.1-82紧固件机械性能螺栓、螺柱和螺钉GB3098.2-82紧固件机械性能螺母GB3098.4-82紧固件机械性能细牙螺母GB3098.6-82紧固件机械性能不锈钢螺栓、螺钉、螺栓和螺母GB90-85紧固件验收检查标志与包装GB5779.1-86紧固件表面缺陷——螺栓、螺钉和螺栓——一般要求GB5779.2-86紧固件表面缺陷——螺母——一般要求3 尺寸检验要求3.1 AQL的确定3.1.1六角螺母:a.当机械性能等级≥8级时,AQL分别为:对边宽度1.0;对角尺寸1.0;螺纹通规1.5;螺纹止规2.5;其他所有项目2.5.b.当机械性能等级<8级时,AQL分别为:对边宽度对角尺寸及螺纹通规均为1.5;螺纹止规2.5;其他所有项目4.0.3.1.2六角螺栓:a.当公差等级为A、B级时,AQL分别为:对边宽度、对角尺寸、螺纹通规、螺纹止规均为1.0;头下圆角半径1.5;其他所有项目2.5.b.当公差等级为C级时,AQL分别为:对边宽度、对角尺寸、螺纹通规、螺纹止规均为1.5;其他所有项目4.0.3.1.3双头螺柱:a.当公差等级为A、B级时,AQL分别为:对边宽度、对角尺寸、螺纹通规、螺纹止规均为1.0;其他所有项目:2.5.b.当公差等级为C级时,AQL分别为:对边宽度、对角尺寸、螺纹通规、螺纹止规均为1.5;其他所有项目4.0.3.2检查比例(LQ10/AQL)的确定。