螺钉检验规范
- 格式:doc
- 大小:22.50 KB
- 文档页数:1
螺钉的检验方法螺钉是一种常见的紧固件,广泛应用于各个领域。
为了确保螺钉的质量和可靠性,需要进行严格的检验。
本文将介绍螺钉的检验方法。
一、外观检验螺钉的外观检验主要是通过目视观察,检查螺钉表面是否有明显的缺陷或损伤,如裂纹、划痕、变形等。
同时还需检查螺纹的完整性和清晰度,确保螺纹没有松动或变形。
二、尺寸检验螺钉的尺寸检验是指对螺钉的长度、直径、螺纹长度等尺寸进行测量和检查。
常用的测量工具有卡尺、螺纹规等。
在检验过程中,需要按照设计图纸或标准规范的要求进行测量,并对测量结果进行记录和比对,确保螺钉的尺寸符合要求。
三、力学性能检验螺钉的力学性能检验是指对螺钉的拉伸强度、扭矩强度等力学性能进行检测。
常用的检测设备有拉力试验机、扭力试验机等。
在检验过程中,需要按照相应的标准进行试验,并记录和分析试验结果,确保螺钉的力学性能满足要求。
四、耐腐蚀性检验螺钉在使用过程中常常会接触到各种腐蚀介质,因此需要进行耐腐蚀性检验。
常用的检测方法有盐雾试验、酸碱试验等。
在检验过程中,将螺钉置于相应的腐蚀介质中,观察一定时间后,检查螺钉是否有腐蚀、变色等现象,以评估螺钉的耐腐蚀性能。
五、材料成分检验螺钉的材料成分对其性能和可靠性有着重要影响。
常用的材料成分检验方法有化学成分分析、金相分析等。
在检验过程中,需要取样并进行相应的化学分析或金相观察,以确定螺钉的材料成分是否符合要求。
六、热处理效果检验螺钉经过热处理后,可以提高其硬度和强度。
为了确保热处理效果良好,需要进行热处理效果检验。
常用的方法有金相观察、硬度测试等。
在检验过程中,需要对螺钉进行相应的检测和测试,以确定热处理效果是否符合要求。
七、标志检验螺钉上通常会有一些标志,如生产厂商标志、产品型号标志等。
标志检验主要是检查这些标志是否清晰、准确,并与相应的标准规定一致。
总结起来,螺钉的检验方法包括外观检验、尺寸检验、力学性能检验、耐腐蚀性检验、材料成分检验、热处理效果检验和标志检验。
紧固件检验规文件编号:版次:编制:审核:批准:受控状态:发布日期: 2011 年 7月 30 日实施日期: 2011 年 7月 30 日紧固件检验规1 目的为了确保本公司采购的紧固件符合技术设计的要求,特制订本检验规,采购人员与检验人员需依此检验规进行采购和验收。
2 围本检验规规定了本公司采购的各种标准紧固件(包括螺钉、螺栓、螺母、垫圈、自攻螺钉等)的技术要求、测试方法、验收规则。
3 职责检验员:负责依据检验规及相关产品规格资料执行各项检验。
采购人员:负责依本规的质量要求进行产品的采购。
质量部经理:负责审批相关检验记录表,协调处理质量异常问题。
4 工作程序4.1 操作者资格经公司培训、考核合格,取得质量检验员任职资格,了解紧固件的相关术语及要求。
4.2 检测设备及工具游标卡尺(0.02mm) 1六角搬手 1套4.3 测试条件典型环境温度:;20℃—30℃典型环境湿度:30%—60%4.4 检验项目、技术要求及测试方法4.4.1 质量说明文件目测法检查,要求送检产品应附有相应的“产品合格证”或“检测记录”。
“检测记录”中测试数据应在其相应规允许围并结论合格。
4.4.2产品型号、数量目测法检查,要求根据装相单中填写的规格型号和数量描述情况查验实物应与送检单描述一致。
4.4.3产品包装目测法检查,要求产品、外包装完好无破损、无碰撞或淋雨现象,标识清晰。
4.4.4外观、性能技术要求、缺陷分类及测试方法4.4.4.1外观表面质量、缺陷分类及测试方法外观表面质量、缺陷分类及测试方法见表1。
表1 外观表面质量、缺陷分类及测试方法序号检验项目技术要求测试方法及工具缺陷分类MAJ MIN1 包装不允许混入其它不同品种、规格或半成品目测法√2 镀层有镀层产品镀层应完整、无漏镀、浮锈√3 表面产品应清洁,无油污、金属屑、毛刺√无烂牙、螺纹异常√表面无裂缝、爆裂、在拐角上不允许有皱纹√不影响使用的凹痕(凹痕深度不得超过0.02d,最大值为0.25mm)√4.4.4.2技术指标要求、缺陷分类及测试方法4.4.4.2.1螺栓的技术要求、缺陷分类及测试方法螺栓的技术要求、缺陷分类及测试方法见表2,外形图见图1。
螺母、螺钉检验作业指导书1.0目的为来料检验人员明确螺母、螺钉品质质量要求,特制定此通用标准作为来料检验的标准,同时提供给供应商了解本公司的品质水平要求,加强品质管理。
2. 适用范围适用于本厂所有螺母、螺钉材料入厂时的检验。
3.权责单位3.1检验规范由品保单位制定,品保单位经理核准后发行。
3.2所制定之规格,如有修改时,须经原核准单位同意后修改之。
4.0检验依据4.1依据工程提供产品图纸进行检验。
4.2依据工程提供的产品样板进行检验。
4.3依据制定的检验标准以及相关的资料进行检验。
5.0检验标准5.1检验工具卡尺、工具显微镜、投影仪、点卡、刀片、3M600胶纸、RAC耐耐磨仪、硬度测试仪、酒精、棉布等。
5.2允收标准a. 外观按照MIL-STD-105E一般检验水准II抽样,AQL定为CRI=0、MAJ=0.65、MIN=1.0;b. 性能测试按照MIL-STD-105E特殊检验水准S-1抽样,AQL定为C=0;c. 尺寸按照MIL-STD-105E特殊检验水准S-3抽样,AQL定为C=0.5.3缺陷定义a. 缺陷(CRI):产品功能完全失常或会导致使用者或操作者生命安全之缺陷。
b. 缺陷(MAJ):产品部分功能、结构失常或严重的外观不良会导致客户拒收或抱怨的缺陷。
c. 缺陷(MIN):产品明显的外观不良可能会导致客户抱怨或包装方面的缺陷。
5.4检验条件a. 光源:标准光源灯光;b. 检物表面与眼睛距离:30~40cm;c. 视线与被检物表面角度: 45±15º;d. 检验时间:≤10S;e. 视力:裸视或矫正视力在1.0以上且无色盲。
6.0螺母、螺钉检验内容6.1外观检验:检验项目序号缺点类型不良内容描述判定备注C R I M AJ M IN1、外1滑牙牙纹不能有滑牙V2披锋影响装配及刮手V 3变形产品的形状变形V4油渍/脏污表面不能有油渍/脏污V。
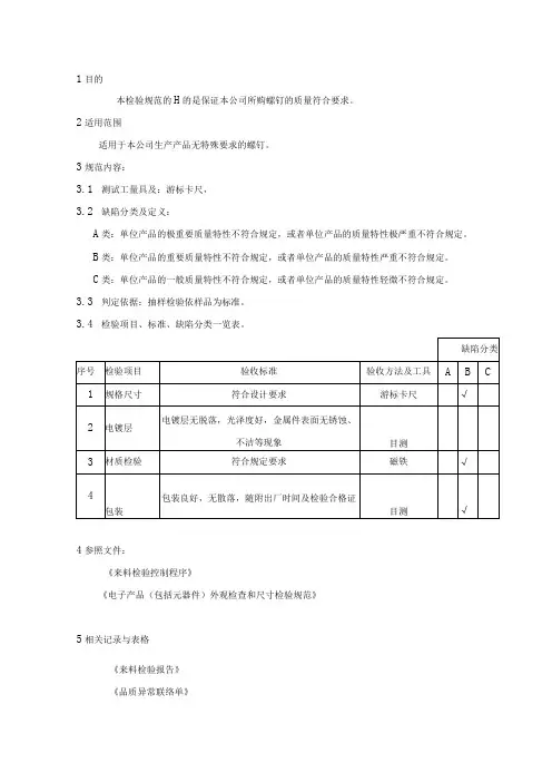
1目的
本检验规范的H的是保证本公司所购螺钉的质量符合要求。
2适用范围
适用于本公司生产产品无特殊要求的螺钉。
3规范内容:
3.1测试工量具及:游标卡尺,
3.2缺陷分类及定义:
A类:单位产品的极重要质量特性不符合规定,或者单位产品的质量特性极严重不符合规定。
B类:单位产品的重要质量特性不符合规定,或者单位产品的质量特性严重不符合规定。
C类:单位产品的一般质量特性不符合规定,或者单位产品的质量特性轻微不符合规定。
3.3判定依据:抽样检验依样品为标准。
3.4检验项目、标准、缺陷分类一览表。
4参照文件:
《来料检验控制程序》
《电子产品(包括元器件)外观检查和尺寸检验规范》
5相关记录与表格
《来料检验报告》
《品质异常联络单》。
螺钉和螺母螺栓螺柱紧固件检验标准1、引言1.1本规范适用于本公司生产的标准紧固件的出厂检验1.2每个紧固件都应当符合相应标准的全部规定,但这在大量生产中总是部可能的,根据紧固件的功能和应用,将全部符合标准的和不完全符合标准的紧固件截然分开是不必要的,也是不经济的。
2 引用标准下列规范所包含的条文,通过在本规范中引用而构成为本规范的条文,本规范实施时,所示版本均为有效。
所有标准都会被修订,使用本标准的各方应探讨使用下列标准最新版本的可能性。
GB196-81普通螺纹基本尺寸GB197-81普通螺纹公差与配合GB3103.1-82紧固件公差螺柱、螺钉和螺母GB1237-88紧固件的标记方法GB3098.1-82紧固件机械性能螺栓、螺柱和螺钉GB3098.6-82紧固件机械性能不锈钢螺栓、螺钉、螺栓和螺母GB90-85紧固件验收检查标志与包装GB5779.1-86紧固件表面缺陷——螺栓、螺钉和螺栓——一般要求3 尺寸检验要求3.1 AQL的确定3.1.1六角螺栓:a.本厂公差等级为B级,AQL分别为:对边宽度、对角尺寸、螺纹通规、螺纹止规均为 1.0;头下圆角半径 1.5;其他所有项目 2.5.3.1.3双头螺柱:a.当公差等级为B级,AQL分别为:对边宽度、对角尺寸、螺纹通规、螺纹止规均为1.0;其他所有项目:2.5. 3.2检查比例(LQ10/AQL)的确定。
按生产者风险不大于5%的抽样方案定LQ10/AQL值为6.2(生产者风险等于5%)3.3检查项目3.3.1六角螺栓a. B级公差等级的主要项目——对边宽度(S),对角尺寸(e),头下圆角半径rmin,螺纹通规,螺纹止规;c. B级公差等级的次要项目——头厚(K),无纹处直径(ds),螺纹长度(b),螺杆长度(L)3.3.2双头螺栓a. 所有公差等级的主要项目——螺纹通规,螺纹止规。
b. 所有公差等级的次要项目——螺纹外径(d),螺纹长度(b、bm、L1、L0、b1),螺杆长度(L),无纹处直径(ds)。
1、目的和范围
本规范规定了螺丝螺母的抽样、检验、判定和不合格的处置。
本规范适用于外协加工件螺丝螺母的进货检验。
2、引用标准
GB-2828-2003 逐批检查计数抽样及抽样表
4、检验方法 4.1 外观检验:
在适当光照条件下,裸眼距离30CM 检查进行直观检验; 4.2 尺寸检验:
使用测量精度应不小于0.02mm
的游标卡尺测量其结构尺寸,用标准件套配不可测量尺寸。
4.3 可靠性检验: 详见5.3
5、 检验项目及标准
5.4 包装检验项目与标准
5.4.1 产品内包装要求产品堆放规整,并有防潮保护。
5.4.2 产品外包装采用纸箱包装,应牢固,不破损,包装箱上应付有产品名称,数量,生日期等标志。
5.4.3 产品在运输中一定要避免冲击、挤压、雨淋、受潮以及化学的腐蚀。
5.4.4 每批次货要求附有送货单、出厂检验报告。
6、检验、判定
6.1 从批产品中随机抽取相应的样本进行检验;
6.2 抽样检验中发现的不合格品数小于或等于相应的接收数Ac,则该批产品判为合格;
6.3 若抽样检验中发现的不合格数等于或大于相应的拒收数Re,则该批产品判定为不合格;
7、不合格的处置
7.1 通常情况下,不合格的批产品不得发放生产。
仓库应及时反馈采购部门,并在规定的
时间内向供应商退换;
7.2 让步接收应经不合格品审理,必要时应征得客户同意。
螺钉检测报告
一、检测样品
本次螺钉检测工作的样品为公司生产线上生产的螺钉产品。
二、检测目的
螺钉产品为机械附属件,为确保产品质量和生产安全,需要进行检测。
本次检测目的是确保螺钉的尺寸、力学性能以及外观无质量问题。
三、检测标准
1. 螺钉尺寸应符合GB/T 5782-2000国家标准;
2. 螺钉力学性能应符合GB/T 3098.1-2010国家标准;
3. 螺钉外观质量应符合GB/T 6462-2002国家标准。
四、检测过程及结果
1. 尺寸检测:对螺钉的直径、长度和螺距进行检测。
检测结果显示,所有螺钉样品的尺寸均符合国家标准GB/T 5782-2000的要求。
2. 力学性能检测:对螺钉的拉伸强度、屈服强度和伸长率进行检测。
检测结果显示,所有螺钉样品的拉伸强度、屈服强度和伸长率均符合国家标准GB/T 3098.1-2010的要求。
3. 外观检测:对螺钉的表面平整度、氧化和表面裂纹等进行检测。
检测结果显示,所有螺钉样品的外观均符合国家标准GB/T 6462-2002的要求。
五、结论
通过本次检测,所有螺钉样品均符合国家标准的要求,不存在质量问题。
公司可以安心生产和销售该批产品。
六、检测人员及日期
检测单位:XXXX检测公司
检测人员:XXX
日期:XXX年XX月XX日。
文件类别Document Classification 文件名称DocumentTitle紧固件检验标准Inspection Standard ForFastener目前版本RevisionA三级文件Class Three页码Page 1 / 9 1.目的规范紧固件的检验标准,以使产品的工艺要求和一致性得到有效控制2. 适用范围本标准适用于本公司所有外购紧固件如:螺丝、螺母等的采购及验收3.检验项目及执行标准螺丝类检验标准检验项目检验标准检验方式抽样计划MAJ MIN 参考文件外观检验色泽:依规格书要求与样品核对表面处理(镀锌,镀铬,镀镉,镀镍,镀五彩,烤漆等)是否符合要求对比封样MAJ:AQL=1.MIN:AQL=0.65▲规格书材质:检查材质是否符合规格书的要求磁石检测(区分铁与304不锈钢)▲规格书不可有毛疵,毛边,变形,破损,加工不良或成型不良等异常现象目视▲/表面电镀层应均匀,不可有氧化,锈斑,电镀不良,烤漆脱落等异常现象目视▲/不可有混装(混入其它不同之螺丝或垫圈),短装,缺附件(垫片、垫圈等)等异常现象目视▲/规格尺寸头形:盘头、沉头等目视▲规格书公称直径:用卡尺测量并与规格书对照是否符合要求卡尺测试▲规格书公称长度:用卡尺测量并与规格书对照是否符合要求卡尺▲规格书文件类别 Document Classification文件名称 Document Title紧固件检验标准Inspection Standard ForFastener 目前版本RevisionA 三级文件 Class Three页码Page2 / 9注释:○1中性盐水喷雾试验法:依据IEC 68-2-11之规范施行.测试条件: (Tested condition)a) 盐雾浓度(Consistency of salt spray): 5±1% b) 氯化钠(NaCl): 99.8%以上c) 试验温度(Test temperature): 35±2℃ d) 喷雾量(Spray amount): 1-2 ml/hr/80cm^2 e) 酸碱值: 35±2℃时,PH 值6.5-7.2 f) 试验时间: 24小时.g) 实验湿度(Test Humidity): 85%以上;h) 压缩空气压力(Compress air pressure): 1.25 kgf/cm^2○2扭力测试:螺钉试件的杆部(镀层或无镀层的)应夹紧在与螺钉螺纹相匹配的、开合的、螺纹模具或其他装置内;螺钉夹紧部分不应损伤,且至少有两扣完整螺纹伸出夹紧装置并除螺钉末端外至少有两扣完整螺纹夹紧在夹具内。
锁紧螺钉、锁紧螺母标准件检验规范1. 引言锁紧螺钉、锁紧螺母作为机械装配中的重要连接件,其质量和性能对于设备的安全和正常运行具有重要影响。
为了确保锁紧螺钉、锁紧螺母标准件的质量,制定本检验规范。
2. 适用范围本检验规范适用于锁紧螺钉、锁紧螺母的标准件检验。
3. 检验内容3.1 外观检验锁紧螺钉、锁紧螺母应具有光洁度、表面无划痕、无氧化层、无裂纹、无变形等外观缺陷。
3.2 尺寸检验锁紧螺钉、锁紧螺母的长度、直径、孔径、螺距、螺纹规格等尺寸参数应符合相关标准要求。
3.3 材质检验锁紧螺钉、锁紧螺母应选用高强度材料制作,其材质应符合相关标准要求。
3.4 物理性能检验锁紧螺钉、锁紧螺母应具有足够的抗拉强度、抗剪强度、硬度等物理性能,检验应符合相关标准要求。
3.5 功能检验锁紧螺钉、锁紧螺母在使用过程中应具有良好的自锁功能,检验时应测试其自锁性能和紧固效果。
4. 检验方法4.1 外观检验方法采用目视检查和触摸检查的方法,对锁紧螺钉、锁紧螺母进行外观检验。
4.2 尺寸检验方法采用量具测量的方法,对锁紧螺钉、锁紧螺母的相关尺寸进行检验。
4.3 材质检验方法采用化学分析或光谱分析等方法,对锁紧螺钉、锁紧螺母的材质进行检验。
4.4 物理性能检验方法采用拉伸试验、剪切试验、硬度测试等方法,对锁紧螺钉、锁紧螺母的物理性能进行检验。
4.5 功能检验方法采用装配测试的方法,对锁紧螺钉、锁紧螺母的自锁功能和紧固效果进行检验。
5. 检验记录与判定对于锁紧螺钉、锁紧螺母的检验结果,应进行详细记录,包括检验日期、检验人员、检验方法、检验结果等信息,并进行相应的判定。
6. 不合格品处理对于不符合检验要求的锁紧螺钉、锁紧螺母,应按照相关标准和规范进行处理,可选择返修、更换或报废等方式。
7. 检验报告与归档对于锁紧螺钉、锁紧螺母的检验结果应编制检验报告,并按要求进行归档保存。
8. 附则本检验规范的具体实施细则可按照实际情况进行制定,并与相关标准相衔接。
螺丝安装验收标准
螺丝安装验收标准主要包括以下几点:
1. 螺栓头、螺母与被连接件的接触应紧密。
2. 螺栓(螺钉)与螺母拧紧后,螺栓应露出螺母2~3个螺距。
3. 螺栓支承面应与被紧固零件贴合。
4. 沉头螺钉紧固后,沉头应埋入机件内,不得外露。
5. 多只螺栓(螺钉)连接同一装配件在紧固时,各螺栓(螺钉)应交叉、对称和均匀地拧紧。
如有定位销,应从靠近该销的螺栓(螺钉)开始均匀拧紧螺栓。
6. 对接触面积和接触间隙有特殊要求的,应按规定的要求进行检验。
请注意,这些标准并非全部标准,具体验收标准可能会根据具体情况和需求进行调整。
在安装螺丝时,建议遵循相关行业标准和规范,并进行相应的检查和测试,以确保安装质量和安全性。
螺丝检验标准1. 目的:为了规范公司对原材料的进料品质检验工作,并统一检验标准要求及检验方法。
2. 适用范围:适用于对螺丝的进料检验,样品确认检验,生产过程出现的不良确认检验。
3. 抽样方案:检查水平:一般检查水平IIAQL值:Cr=0 Ma=0.65 Mi=2.5。
4. 标准内容No . 检验项目标准要求检验方法检验工具/设备备注1 外观1) 表面要完整,无破裂、磨损、缺损。
2) 金属应无氧化。
3) 漆层或镀层光泽要均匀,不能有起泡,龟裂。
4) 漆层或镀层不能有脱落。
5) 表面应整洁无污渍。
目视放大镜2 尺寸1)尺寸应符合图样。
2)头形应符合工艺图纸要求或与样板一致。
3)螺丝头与镙纹杆要求垂直。
测量卡尺水平仪(直角尺)3 防蚀性(关键点)用5%盐水浸24小时不应退色,生锈。
具体情况可参照国标《盐雾实验通行标准》目视放大镜4 材质材质应符合(规格书)或技术图样对比样本称重量电子称5包装防护1)外包装箱不允许有破损、变形、受潮;2)外包装箱标识应有供应商名称、生产日期、OK标贴、检验员、规格型号、物料代码、产品颜色、数量等,来料名称与系统物料名称应一致;3)应使用规定的防护包装材料目视目视6 实装配1)用电批将螺钉与螺母组装,不能出现装不进或旋不紧;2)与螺母试装(按规定力矩)后,注意检查是否旋到位,槽位应不能打滑。
目视实际操作扭力计。
1.目的
对所采购的标准件的质量进行控制,对进货检验所涉及的技术要求、检验方法、抽样等进行规定。
2.适用范围
适用于螺栓、螺母、平垫、弹垫、销轴等标准件的进货检验。
3.规程(见下表)
4 参考文件
GB/T 90.1-2002 紧固件验收检查
GB/T 16938-2008 紧固件螺栓、螺钉、螺柱和螺母通用技术条件GB/T 3098.1-2000 紧固件机械性能螺栓、螺钉和螺柱
GB/T 3103.1-2002 紧固件公差螺栓、螺钉、螺柱和螺母
GB/T 3103.3-2000 紧固件公差平垫圈
GB/T 3104-1982 紧固件六角产品的对边宽度
GB/T 5267.4-2009 紧固件表面处理耐腐蚀不锈钢钝化处理
GB/T 5779.1-2000 紧固件表面缺陷螺栓、螺钉和螺柱一般要求5 记录
按规程检验完成后填写检验报告。
标准螺钉检验规范
一.范围:适用于本公司所有标准螺钉入厂检验。
二.引用文件:GB/T3098.13-1996紧固件机械性能螺钉与螺栓的扭矩 试验和破坏 扭矩 公称直径3-10mm
三.检验工具:螺纹规、卡尺等。
四.检验项目: 1.外观检验
2.结构尺寸检验
3.螺钉强度检验 五.检验规范:
1.外观检验规范:
螺钉表面不允许有凹坑、大麻点、压痕等缺陷; 电镀表面应均匀,无脱落、 斑点等缺陷;螺钉的螺纹不能有损伤、磕碰等;螺钉表面不可带有毛刺; 同等规格和型号应满足任意互换要求。
2.结构尺寸检验规范:
按照螺钉的相关标准、图纸或样品检验产品结构尺寸是否满足使用要求。
3.螺钉强度检验规范:
用扭矩扳手将螺钉以1.2倍标准扭矩的力度旋入铝质螺孔中(至少有5个完 整螺纹),连续松紧50次后,螺钉不能发生断裂。
普通粗牙螺钉与铝质螺孔对应的标准紧固扭矩参照表(单位N ·m )
编制: 审核:
规格 等级
8.8 10.9 12.9 M3 1 1.4 1.6 M4 2.2 3.4 4 M5 4.6 6.8 8 M6 8 11.5 13.5 M8 20 28 33 M10
38
56
66。