(完整word版)化工企业消防(防火)安全检查表
- 格式:doc
- 大小:51.51 KB
- 文档页数:3
化工行业通用安全检查表1. 厂区环境安全检查- 检查周边环境是否存在可燃物质或有毒物质和其他危险材料的储存或使用。
- 检查有无明火、电火花等可引发火灾的情况。
- 检查是否存在堆放不当的垃圾、废弃物或其他易燃易爆物品。
- 检查现场是否存在狭窄通道、堆积过高的货物或仓库内物品摆放不规范。
- 检查场内通道是否保持畅通,消防设施是否完好。
- 检查是否存在可能导致环境污染的事故隐患。
2. 设备安全检查- 检查生产设备的使用情况,确保设备正常运行和维护。
- 检查设备周围是否存在杂物、易燃物质或有害物质的积聚。
- 检查设备是否存在安全防护装置,如安全门、防护网等。
- 检查工艺设备是否有泄漏现象,如压力表是否正常工作,管道是否有渗漏等。
- 检查设备的接地是否符合规范,电气设备是否有漏电、过负荷等问题。
3. 危险品储存和管理检查- 检查危险品储存区域是否设置明确的警示标志,并保持通畅。
- 检查危险品存储是否符合规定,如密闭存放、分类储存等。
- 检查危险品管理制度是否完备,是否有专人负责危险品的管理和监管。
- 检查危险品的防火、防爆措施是否符合规定,如成品保护、包装完好等。
- 检查危险品存放区域是否定期巡查,是否有漏检或存放不当的情况。
4. 员工安全培训和管理检查- 检查员工的安全培训情况,包括工作操作规程、安全生产知识等。
- 检查员工是否配备个人防护装备,如安全帽、防护眼镜、防护手套等。
- 检查安全教育宣传情况,如是否定期组织安全教育活动,是否设置安全提示标语等。
- 检查员工的身体健康状况,是否存在患病或酒后上班等情况。
5. 突发事件应急预案和演练检查- 检查突发事件应急预案的编制情况,是否符合相关法规要求。
- 检查应急设备的运行情况,如灭火器、应急照明设备等是否能正常使用。
- 检查应急预案的演练情况,是否定期组织演练,是否进行实地演练。
- 检查应急通信设备是否畅通可用,如紧急电话、对讲机等是否能够正常通讯。
6. 安全防护设施检查- 检查安全通道是否畅通,紧急出口是否标识清晰。
化工企业通用安全检查表化工行业通用安全检查表一、总体要求(一)工厂设置(1)是否按工业企业卫生标准、防火标准进行设计?(2)遭受天灾(如暴风雨、落雷、地震)时采取什么措施?(3)附近有没有出现火灾、核爆、噪声、大气污染或水质污染的可能性?(4)公路铁路等交通情况,交叉路口有没有专人看管?(5)发生事故时,与急救等有关单位(如汽车站、急救站、医院、消防队)的联系是否方便,效率如何?(6)工厂“三废”对周边社区的影响如何?(二)平面布置(1)从单元装置到厂界的安全距离是否足够,重要装置是否设置了围栅?(2)装置和生产车间所占到边线返回公用工程、仓库、办公室、实验室与否存有隔离区或处在火源的劣势位置?(3)危险车间和装置是否与控制室、变电室隔开?(4)车间的内部空间与否按下列事项展开了考量:物质的危险性、数量、运转条件、机器安全性等。
(5)装置周围的产品与火源的距离及其影响。
(6)贮罐间距离与否合乎防雷规定,与否具有严防溢堤和地下贮罐?(7)废弃物处置与否可以引燃污染物,与否在居民区的劣势两端?(三)建筑标准(1)根据建筑有关标准检查。
(2)地耐力及基础强度足够否?(3)钢结构(及耐热衬里)在火灾情况下的耐热能力如何?(4)凡是有助于火焰传播和蔓延部分,如地板和墙壁开口,通风和空调管道,电梯竖井,楼梯道路等的防雷情况,凡是挡板部分,其孔口面积及个数与否管制在最少程度?(5)有爆炸危险的工艺是否采用了防爆墙,其层顶材料、防爆排气孔口是否够用?(6)出、入口和紧急通道设计数量是否够用,是否阻塞?有无明显标志或警告装置?(7)为确定有害物质和可燃物质的通风换气状况如何(包含换气风扇、通风机、空气调节气体DDiS、崭新鲜空气人口位置、排热风用风门等)?(8)台阶、地面、梯子、通路等与否按人机工程建议设计,窗扇和窗子对道路出来、人口与否可以导致影响?(9)建筑物的排水情况如何?(10)各种构筑物、道路、暂避通路、门等处的照明设备情况如何?(四)车间环境(1)车间中有毒气体浓度是否经常检测?是否超过最大允许浓度?车间中是否备有淋浴、洗眼等卫生设施?(2)各种管线(蒸气、水、空气、电线)及其支架等,与否阻碍了工作地点的通路?(3)对有毒气体、蒸气、粉尘和热气的通风换气情况与否较好?(6)对有火灾爆炸危险的工作是否采取隔离操作?隔离墙是否是加强墙壁?窗户是否做得最小吱璃是否使用不碎玻璃或嵌入铁丝网,屋顶或必要地点与否准备工作了核爆压力排放口?(7)展开设备修理时,与否准备工作了必要的地面和工作空间?(8)在容器内部进行清扫和检修时,检修人员遇到危险情况是否能从出入孔逃出?(9)热辐射表面是否进行了防护?(10)传动装置与否装设了安全防护罩或其他防水措施?(11)地下通道和工作地点,头顶与天花板与否存有适度的空间?(12)用人力操作的阀门、开关或手柄,在操纵机器时是否安全?(13)电动升降机与否存有安全钩和行程限制器,电梯与否装有内部变压?(14)与否使用了机械替代人力运送?(15)危险性工作场所是否保证至少有两个出口?(16)噪声大的操作是否有防止噪声措施?(17)为切断电源是否装有电源切断开关?(五)厂内运输(1)厂内道路与否适合步行、车辆和救护时的安全移动,与否显著的标志和专人管理?(2)厂内机动运输车辆与否存有安全装置、定期检修和管理制度?(3)可燃、易燃液体罐车(包括火车、汽车)在装卸地点有无接地装置、有无安全操作空间和防上操作人员从罐车上掉落的措施?(4)厂内照明设备与否合理?二、生产工艺(一)原料、材料与燃料(1)对原料、材料、燃料的化学性质(熔点、沸点、蒸气甩、闪点、燃点、危险性等级等)的反过来程度受到到冲击或发生异常反应时的后果?(2)工艺中所用原材料水解时产生的热量与否经过详尽核算?(3)对可燃物的防范措施?(4)有无粉尘爆炸的潜在危险性?(5)对材料的毒性容许浓度是否了解?(6)容纳化学物质水解的设备与否氰化钠,存有何种安全措施?(7)为了避免锈蚀及反应分解成危险物质,应当实行何种措施?(8)原料、材料、燃料的成分是否经常变更,混入杂质会造成何种不安全影响,流程的变化对安全造成何种影响?(9)与否根据原料、材料、燃料的特性展开合理的管理?(10)一种或一种以上的原料如果补充不上有什么潜在性的危险,原料的补充是否能得到及时保保证?(11)采用惰性气体展开打扫、半封闭时会引发何种危险,气源供应有没有确保?(12)原料在储藏中的稳定性如何,与否可以出现爆胎、自聚和水解等反应?(1)对发生火灾爆炸危险的反应操作,采取了何种隔离措施?(2)工艺中的各种参数是否接近了危险界限?(3)操作方式中可以出现何种不期望的工艺流向或工艺条件以及污染?(4)装置内部可以出现何种易燃或可爆性混合物?(5)对吻合闪点的操作方式,实行何种防范措施?(6)对反应或中间产品,在流程中采取了何种安全裕度?如果一部分成分不足或者混合比例不同,会产生什么样的结果?(7)正常状态或异常状态都有什么样的反应速度?如何预防温度、压力、反应的异常,混入杂质、流动堵塞、跑冒滴漏,出现了这些情况后,如何实行紧急措施?(8)出现异常状况时,有没有将反应物质快速排放量的措施?(9)有没有避免急剧反应和阻止急剧反应的措施?(10)泵、搅拌器等机械装置发生故障时会发生什么样的危险?(11)设备在逐渐或急速阻塞的情况下,生产可以发生什么样的危险状态?三、机械设备(一)生产设备(1)各种气体管线存有哪些潜在危险性?(2)液封中的液面与否维持得适度?(3)如果外部发生火灾会使设备内部处于何种危险状态?(4)如果出现火灾核爆的情况,有没有遏制火灾扩散和增加损失的必要设施?(5)使用玻璃等易碎材料制造的设备是否采用了强度大的改性材料,未用这种材料时应采取何种防护措施,否则可以发生哪些危险?(6)是否在特别必要的情况下才装设视镜玻璃,在受压或有毒的反应容器中是否装设耐压的特殊玻璃?(7)应急用阀或应急控制器与否不易吻合操作方式?(8)重要的装置和受压容器最后的检查期限是否超过?(9)是否实现了有组织的通风换气,如何进行评价?(10)是否考虑了防静电的措施?(11)对存有核爆敏感性的生产设备与否展开了隔绝,与否短果了屏蔽物和防水墙?(12)为了缓解核爆对建筑物的影响,实行了什么样的措施?(13)压力容器与否合乎国家有关规定并展开了备案?(14)压力容器是否进行了外观检查及无损探伤和耐压试验?(15)压力容器是否具备档案,是否已检查过没有?(16)重要设备是否制定了安全检查表?(17)设备的可靠性、可维修性如何?(18)设备本身的安全装置如何?(1)仪表的动力源如果同时出现故障时,将可以发生何种危险状态?(2)在所有仪表都出现故障时,系统自动避免故障的能力如何?(3)在系统中部分仪表展开检修时,如何保证系统的安全操作方式?(4)如果仪表应答安全运动状态时间过慢,是否采取了措施?重要的仪表和控制装置是否采取不同的独立样式并具有传递函数装置?对于特别危险的生产而双重保险仍控制不了时,那么安全停放装置若想及时动作?(5)安全控制仪表是否已作为整体设计的一部分?(6)由气候所造成的温、湿度对仪表会造成何种影响?(7)液位计、仪表、记录装置等表明情况如何,与否不易识别?实行何种提升措施?(8)玻璃视镜、液面计玻璃管以及其他装置在损坏情况下如有内容物逸出,是否有防护措施?(9)如何进行仪表的性能试验和定期检查?(三)电气安全(1)电气系统与否与生产系统全然平行地展开设计?①如装置的一部分发生故障,其他独立部分会受到什么影响?②由于其他部分的缺陷和电压波动,装置的仪表能否得到保护?(2)内部联锁或紧急切断装置是否能自动防止故障?①所用的内部变压和应急阻断装置在何种情况下才可以出现促进作用?②对这种装置来说与否已经把重复性和复杂性降到最小限度?③保险用的零部件和设施能已连续采用的情况如何?④对于特别选用的零部件是否具备标准中规定的条件否?(3)采用的电气设备与否合乎国家标准(按照生产上的建议分类)?(4)对电气系统的设计是否进行了最简便、最合理的布置,从而对传输负荷、减少误操作都会起作用?(5)怎样努力做到采用电气用具不致阻碍生产?为了展开预防性检修,与否能够从设备外部操作方式?(6)监控装置操作方式的电气系统与否已经仪表化?与否能够以最少的时间了解到由超负荷引发的故障?(7)是否有防止超负荷和短路的装置?①布线上与否搭载了将出现瑕疵部分拆分的措施?②在阻断电线的情况下,电容能够达至何种程度?③变压装置加装齐全否?④对所用零部件的寿命如何进行现场试验?(8)如何进行接地?①如何避免出现静电和消解静电?②对示现实行何种措施?③动力线发生损坏时,如何防止触电?(9)对照明的检查要求:①若想确保日常的安全操作方式(危险区与非危险区有无区别)?②若想确保日常的修理作业?③在动力电源受到损坏时,避难通路和地点有无事故照明?(10)贮罐的地线是否采取了阴极保护?(12)在大风的情况下,通信网若想安全地传递信息(电话、无线电、信号、警报等)?(13)内部变压如何展开马步军,并如何以进度表格表明之?(14)进行程序控制时,对控制装置变化前后的关键步骤,能否同时进行警报和自动点检?(四)锅炉和机械装置1.锅炉这部分内容略。
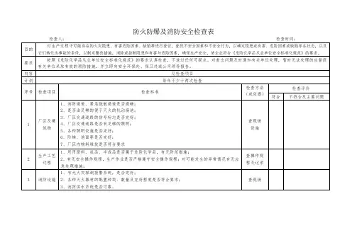
消防(防火)安全检查表.pdf消防(防火)安全检查表检查时间:检查人:检查项目检查内容依据检查方法检查结果备注一、防火组织管理1.企业有成立防火安全机构,并定期召开会议。
2.贯彻谁主管谁负责的原则,建立各级防火责任制,并有年度消防计划。
3.有防火重点部位分布图,有健全的火灾隐患管理制度,并建立了隐患治理台帐。
4.对重大危险源辨识正确,并按规定建立管理制度和监控措施。
5.有专(兼)职消防组织和消防预案,人员基本固定,职责明确。
6.企业定期进行安全消防检查。
公司、分厂每季度一次、车间每月一次、班组每天一次。
二、厂区内建(构)筑物防火安全1.厂总平面布置应按生产过程中火灾、爆炸危险性及毒物的危害程度考虑,布置合理。
2.生产装置通风良好。
3.建筑物的耐火等级、层数、占地面积、通道、防火间距、泄压面积、疏散楼梯、电梯、走道、门等符合规定要求。
4.工厂主要出入口不应少于两个,且位于不同方位。
5.厂区内道路应作环形布置、生产区的道路应满足会车要求。
6.跨越道路的管带、桁梁、栈桥等,其距路面上的净高≥4.5m,并有醒目的限高标志。
7.甲、乙、丙类液体储罐或储罐区的防火堤、分隔堤符合规范要求。
8.可燃物贮罐区总量不超过规定要求,检测报警设施符合规定要求。
9.每年雷雨季前,对避雷装置测试一次,不符合的应予更新。
三、生产过程防火安全1.易燃物体与火源隔距离符合规定。
2. 危险化学品库总储量符合规定要求,库房有良好通风。
3.危险品仓库分项存放、堆垛之间的主要通道要保持2米以上的安全距离;。
企业消防安全检查表企业消防安全检查表受检单位:HSE负责人:消防管理资料检查部分1.建立了完善的消防管理制度,逐级落实消防安全责任制,制定了灭火和应急疏散预案和操作规程。
2.建立了消防管理组织机构和义务消防队,明确了消防责任人和管理人。
3.签订了消防安全责任协议,确保共属同一建筑物、消防设施、消防车道等单位的消防安全。
4.施工组织设计、安全专项方案、应急预案、作业风险分析、安全交底中的消防安全措施已制定。
5.明确了单位消防重点部位,对消防设施、器材进行了定点、定人、定标准管理。
6.自动消防系统操作人员持有消防行业特有工种职业资格证书。
消防责任区内的消防设施绘制了详细的分布图,并注明设施、器材的名称、数量等。
7.消防队有灭火救援专项预案,绘制并熟悉服务区域的消防通道、消防给水系统和重点防火部位图。
8.员工进行了消防知识和技能的培训,做到了“四懂三会”,并定期演练灭火疏散预案。
根据演练效果,对预案进行了有效的改进,并有演练记录。
9.消防设施定期进行了检查,并有记录。
10.火灾隐患有整改记录及防范措施。
11.消防水泵、喷淋水泵、水幕水泵每月试开泵。
室内消火栓、喷淋泄水测试每季度一次。
12.正压送风、防排烟系统每半年检测一次。
烟、温感报警系统的每个烟、温感探头至少每年测一次。
13.有防火性能要求的建筑构件、建筑材料及室内装修装饰材料的质量证明文件齐全有效。
14.被查单位的建筑物或场所在施工、使用或开业前,依法办理了有关审核、验收或检查手续。
15.配置的消防设施得到了XXX健康安全XXX的认可。
建立了消防设施台账,变更或增减的设施及时调整了台账、档案。
16.消防档案定期上报了消防周报、月报及相关的报告。
建立健全了本单位消防档案。
消防设施及通道现场检查部分1.月检查维护记录卡挂在了每一具灭火器上。
2.灭火器箱齐全完好、卫生整洁、标识清晰,箱未上锁压力正常,指示范围在绿区或黄区。
3.二氧化碳称重的减少量≤出厂重量的10%。
消防安全检查表一、严格规范消防通道1、消防通道畅通无阻2、消防通道上的安全标识清晰明确3、消防通道上的消防设施完好无损4、消防通道是否被非消防用途占用二、消防器材的完好情况1、灭火器的有效期是否经常检查并及时更换2、消防栓、水带等装置是否完好3、检查自动喷水系统是否正常4、检查消防控制室消防设施是否完好5、消防器材的摆放位置是否合理三、安全疏散设施检查1、安全出口是否有明显标示2、安全出口是否畅通,无堵塞现象3、安全出口的照明是否正常4、疏散通道上的消防设施是否完好5、检查疏散指示标示是否清晰6、紧急疏散通道是否保持畅通四、消防设施的日常保养1、检查消防设施是否处于正常工作状态2、消防设施的日常保养是否到位3、检查消防设施的附属设备是否完好4、消防设备的日常保养是否做到位5、安全门是否常常打开,通风是否好五、应急预案落实情况1、消防应急预案是否及时更新2、员工对应急预案是否了解3、员工是否按照应急预案行事4、相关部门是否配合做好应急预案5、消防演练是否定期进行6、消防培训是否及时进行并跟进7、针对性的消防演练是否足够六、消防巡查情况1、检查消防设施是否经常性巡查2、消防设施的巡查记录是否完整3、消防设施的巡查记录是否填写完整准确4、发现问题是否及时处理5、立即组织应急预防措施七、电气设备的安全检查1、检查电气设备是否接地正常2、检查电气设备工作是否正常3、电气线路是否完好4、电气线路是否安装过载断路器5、电气设备的绝缘是否合格6、电气设备是否设有过流保护装置八、防火检查1、检查易燃物品存放是否符合规定2、检查用火用电是否符合消防安全规定3、检查消防安全措施是否完善4、检查员工意识是否做到位5、检查用电用火设施是否经常性巡查6、检查用电用火安全设施是否有效以上就是消防安全检查表的详细内容,企业可以根据这些内容进行严格的日常检查。
通过加强消防安全检查,确保了安全出口畅通无阻,危险品得到妥善保管,安全出口照明情况良好,各类消防设备处于正常工作状态。
化工企业通用安全检查表(1)
一、厂区安全管理
1.是否建立完善的厂区安全管理制度?
2.是否存在安全隐患的地点得到有效管理和控制?
3.厂区是否设置警示标识,指引安全疏散通道?
4.厂区是否定期进行消防演练?
二、作业环境安全
1.是否定期检查危险化学品及相关危险源?
2.作业岗位是否配置必要的防护设备?
3.是否建立化学品泄漏应急处理机制?
4.作业现场是否存在明火、静电等引发火灾危险因素?
三、员工个人安全
1.员工是否接受过安全生产教育培训?
2.是否定期进行安全生产知识考核?
3.是否建立健康档案和定期进行健康检查?
4.员工是否具备紧急事故应急处置能力?
四、设备设施安全
1.设备设施是否定期进行维护保养?
2.是否存在设备设施损坏或安全隐患未报修现象?
3.设备设施是否符合安全操作规范,是否存在操作失误风险?
4.是否建立设备设施事故的责任追究制度?
五、应急救援准备
1.是否建立应急救援预案?
2.是否设置应急救援装备和设施?
3.是否定期进行应急救援演练?
4.是否建立应急救援和联络协调机制?
六、安全监管及反馈
1.是否定期进行安全检查、评估和监控?
2.是否建立安全事件报告、处理和反馈机制?
3.是否对安全隐患和事故进行责任追究?
4.是否建立安全改进和持续改进机制?
以上为化工企业通用安全检查表(1)内容,希望企业能严格按照检查表要求,做好安全管理工作,确保生产经营过程中员工和设施的安全。