生产设备使用管理流程
- 格式:docx
- 大小:95.83 KB
- 文档页数:2
一、目的为确保生产设备设施的安全运行,预防和减少安全事故的发生,保障员工的生命财产安全,特制定本制度。
二、适用范围本制度适用于公司所有生产设备设施的安全管理。
三、管理制度1. 设备设施选型、采购及验收(1)设备设施选型应满足生产需求,符合国家相关法律法规和行业标准。
(2)采购设备设施时,应选择具有合法生产资质、良好信誉的供应商。
(3)设备设施到货后,由相关部门进行验收,确保设备设施质量合格。
2. 设备设施安装、调试及投入使用(1)设备设施安装、调试工作由具备相应资质的施工单位负责。
(2)安装、调试过程中,应严格按照设计图纸、技术规范进行操作。
(3)设备设施调试合格后,经相关部门验收,方可投入使用。
3. 设备设施运行管理(1)设备设施运行过程中,操作人员应严格按照操作规程进行操作。
(2)定期对设备设施进行巡检、维护保养,及时发现并消除安全隐患。
(3)发现设备设施故障或异常情况,应及时上报,并采取措施进行处理。
4. 设备设施检修、改造及报废(1)设备设施检修、改造工作由具备相应资质的施工单位负责。
(2)检修、改造过程中,应严格按照设计图纸、技术规范进行操作。
(3)设备设施达到报废标准时,应按规定进行报废处理。
四、安全管理制度流程1. 设备设施选型、采购及验收流程(1)提出设备设施采购需求,经相关部门审核后报领导审批。
(2)选择供应商,签订采购合同。
(3)设备设施到货后,由相关部门进行验收,合格后入库。
2. 设备设施安装、调试及投入使用流程(1)选择施工单位,签订施工合同。
(2)施工单位按照设计图纸、技术规范进行安装、调试。
(3)调试合格后,由相关部门验收,投入使用。
3. 设备设施运行管理流程(1)操作人员按照操作规程进行操作。
(2)定期进行巡检、维护保养。
(3)发现故障或异常情况,及时上报并处理。
4. 设备设施检修、改造及报废流程(1)提出检修、改造需求,经相关部门审核后报领导审批。
(2)选择施工单位,签订施工合同。
生产设备全过程管理程序一、前期准备1.设立管理团队:成立专门的设备管理团队,由设备管理负责人带领,包括设备工程师、设备技术员等。
2.资源准备:保证所需人力、物力、财力等资源的充足,为设备管理工作提供保障。
二、设备选购与验收1.设备选购:根据生产需要,制定设备选购计划,明确需求,并对市场上的设备进行调研和比较,选择适合的设备。
2.设备验收:在设备交货之前,组织验收团队进行设备验收工作,确保设备性能符合要求。
验收内容包括设备的外观检查、功能性能测试、安全可靠性评估等。
三、设备安装与调试1.设备安装:根据设备安装图纸和相关要求,组织安装人员进行设备安装,确保设备安装正确、牢固,设备各部件连接稳固。
2.设备调试:安装完毕后,由设备工程师进行设备调试,包括外观检查、各部件运转测试、系统集成测试等,保证设备运行正常。
四、设备操作培训1.设备操作培训计划:针对设备操作人员制定操作培训计划,明确培训内容、培训方式和培训时间等。
2.设备操作培训:进行设备操作培训,包括设备的基本原理、操作流程、注意事项等,确保操作人员熟练掌握设备的操作方法。
五、设备维护维修1.维护计划编制:制定设备维护计划,包括定期检查、润滑、清洁、保养等维护内容,明确责任人和维护频率。
2.维修响应:设备出现故障时,及时响应并进行维修,确保设备能够尽快恢复正常运行。
维修过程中,记录维修记录,及时处理设备故障。
六、设备更新与淘汰1.更新需求评估:定期对设备进行评估,分析设备的使用寿命、功能性能、更新需求等,制定设备更新计划。
2.设备淘汰:在设备使用寿命结束之后,进行设备淘汰工作,包括设备的报废、回收等处理,确保设备的合理处置。
七、设备数据管理1.设备档案管理:建立设备档案,记录设备的基本信息、安装调试记录、维护维修记录等,方便管理和查询。
2.设备数据分析:定期对设备数据进行分析,评估设备的运行状况和维护保养效果,优化设备管理策略。
以上是生产设备全过程管理程序的基本内容。
一、目的为确保生产设备的安全、稳定、高效运行,提高生产效率,降低生产成本,保障产品质量,特制定本制度流程。
二、适用范围本制度流程适用于公司所有生产设备的管理和维护工作。
三、组织机构及职责1. 生产设备管理部门:负责制定、修订和完善生产设备管理制度流程,组织实施和监督检查生产设备的管理工作。
2. 生产部门:负责生产设备的日常使用、维护和保养,确保设备正常运行。
3. 设备操作人员:负责按照操作规程使用设备,发现设备故障及时上报。
4. 设备维修人员:负责设备的维修和保养,确保设备处于良好的工作状态。
四、生产设备管理制度流程1. 设备选型与采购(1)根据生产需求,制定设备选型标准。
(2)对设备供应商进行评估,选择具备相应资质的供应商。
(3)按照采购流程,完成设备采购。
2. 设备验收与安装(1)设备到货后,组织相关人员对设备进行检查验收,确保设备符合要求。
(2)按照设备安装规范,进行设备安装。
(3)安装完成后,进行设备调试,确保设备正常运行。
3. 设备使用与维护(1)设备操作人员应按照操作规程使用设备,不得擅自改变设备结构。
(2)设备操作人员应定期对设备进行清洁、润滑、紧固等日常维护工作。
(3)设备操作人员应发现设备异常情况,及时上报设备管理部门。
4. 设备保养与检修(1)设备管理部门应根据设备使用情况,制定设备保养计划。
(2)设备保养计划应包括保养内容、保养周期、保养责任人等。
(3)设备保养工作应按照保养计划进行,确保设备处于良好状态。
(4)设备检修应按照设备故障原因和维修规范进行,确保设备恢复正常运行。
5. 设备更新与改造(1)根据生产需求和技术发展,制定设备更新改造计划。
(2)设备更新改造计划应包括改造内容、改造时间、改造责任人等。
(3)设备更新改造工作应按照计划进行,确保设备满足生产需求。
6. 设备报废与处置(1)设备管理部门应定期对设备进行检查,确定设备是否达到报废标准。
(2)设备达到报废标准后,应按照报废流程进行报废。
生产设备使用管理制度第一章总则第一条为规范公司生产设备的使用,提高设备利用率和使用效益,保障设备的安全性和稳定性,制定本制度。
第二条适用范围:本制度适用于公司内各个生产部门使用的生产设备。
第三条设备使用:指设备的装配、调试、操作、维修等活动。
第四条设备:指公司集团内各个生产部门的生产设备,包含但不限于机械设备、电子设备、仪器设备等。
第二章设备使用管理第五条设备使用管理由设备部门负责,具体工作由设备管理员完成。
第六条设备管理员具备以下条件:(一)具备相关专业知识,熟悉设备的操作原理和维修方法;(二)具备良好的安全意识和责任心;(三)具备较强的团队合作意识和沟通能力。
第七条设备部门的主要职责包括但不限于:(一)负责设备的日常维护和维修工作,保障设备的正常运行;(二)制定设备的使用计划,合理安排设备的使用;(三)指导设备的操作人员进行设备的正常使用;(四)监督设备的使用情况,确保设备的安全和稳定性。
第八条设备使用申请:使用部门在使用设备前,需要提前向设备部门提出申请,并填写《设备使用申请表》,经设备部门同意后方可使用。
第九条设备使用申请表包括以下内容:(一)使用部门名称及联系人;(二)设备类型、规格及数量;(三)使用时间和地点;(四)使用目的和预期效果。
第十条设备使用申请表需要由使用部门负责人签字并盖章,经设备部门审批后归档。
第三章设备使用流程第十一条设备使用流程如下:(一)使用部门向设备部门提交设备使用申请表;(二)设备部门根据申请情况进行审批,并将审批结果通知使用部门;(三)使用部门按照设备使用计划进行设备的操作;(四)设备部门对设备的使用情况进行监督和检查;(五)使用部门完成设备使用后,进行设备的清洁和检查,如发现故障应及时上报设备部门;(六)设备管理员根据设备使用情况进行设备的维修和保养;(七)设备使用结束后,设备部门对设备进行检查,确认设备的安全和完好;(八)使用部门将设备归还至设备部门,并填写《设备归还登记表》。
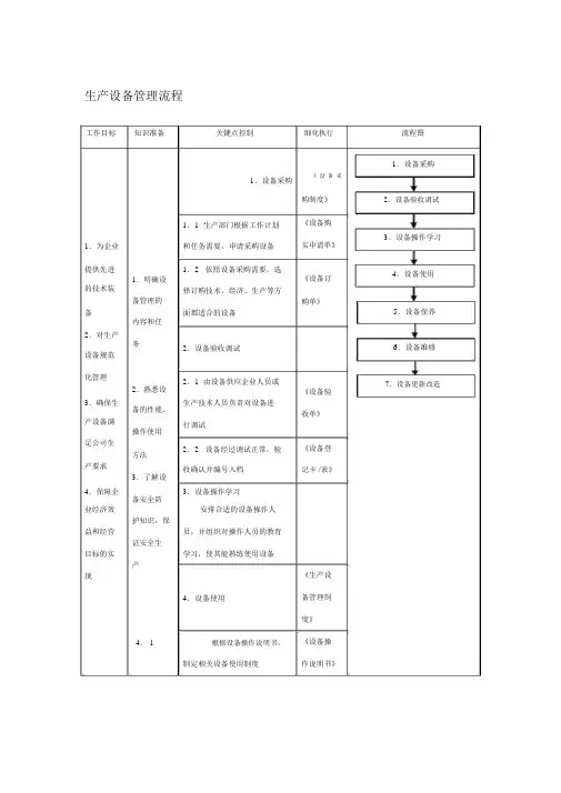
生产设备管理流程工作目标知识准备关键点控制细化执行1.设备采购《设备采购制度》流程图1.设备采购2.设备验收调试1.1 生产部门根据工作计划1.为企业和任务需要,申请采购设备提供先进1.明确设1.2 依照设备采购需要,选的技术装择订购技术、经济、生产等方备管理的备面都适合的设备内容和任2.对生产务2.设备验收调试设备规范化管理2.1 由设备供应企业人员或2.熟悉设3.确保生备的性能、生产技术人员负责对设备进产设备满行调试操作使用足公司生2.2 设备经过调试正常,验方法产要求收确认并编号入档3.了解设4.保障企备安全防3.设备操作学习业经济效安排合适的设备操作人护知识,保益和经营员,并组织对操作人员的教育证安全生目标的实学习,使其能熟练使用设备产现4.设备使用4. 1根据设备操作说明书,制定相关设备使用制度《设备购买申请单》《设备订购单》《设备验收单》《设备登记卡 /表》《生产设备管理制度》《设备操作说明书》3.设备操作学习4.设备使用5.设备保养6.设备维修7.设备更新改造4.2正确配备各种相关衔接设备,合理安排生产任务,使各种设备的性能和生产效率达到最优状态4. 3控制设备运行的温度、湿度,搞好设备周围的环境卫生,创造良好的设备工作环境4.4操作人员持证上岗,禁止非本设备操作人员使用设备,按操作制度和说明正确使用5.设备保养5.1操作人员加强日常一级《设备保保养工作,对设备清洁、润滑、养记录表》紧固5.2由专职保养人员对定期对设备进行二、三级保养,进《设备保行内部清洁、润滑,局部或主养记录表》体解体检查、调整,对达到磨损限度的零件加以更换6.设备维修由专业维修人员对于不《设备维能使用或运行不正常的设备修记录表》进行维修《设备更7.设备更新改造新改造管理制度》7.1设备到达寿命年限核准《设备报报废处理,并更换新设备废申请表》7.2依照工作特性对设备改《设备改造,使其更能适应生产工作需良计划表》要。
生产设备管理制度流程生产设备管理制度流程是指组织或企业制定的一套规范和规则,用于管理生产设备的购置、安装、使用、检测、维护和报废等各个环节。
下面是一个关于生产设备管理制度流程的示例,具体内容可能根据不同企业的实际情况进行调整和修改。
一、生产设备管理制度目的和适用范围(说明生产设备管理制度的作用和适用范围)二、生产设备购置1.提出购置申请:(描述申请购置生产设备的具体流程和要求,包括填写购置申请表格、申请的审批程序等)2.确定购置预算:(说明如何确定购置生产设备的预算,包括制定预算的依据、参考价格等)3.确定供应商和选择设备:(说明如何选择合适的设备供应商,包括评估供应商的能力和信誉、进行设备技术评估等)4.签订购置合同:(描述签订购置合同的流程和要求,包括合同的内容、签订人员、审批程序等)三、生产设备安装1.安装准备:(说明安装前需要做的准备工作,包括场地准备、设备安装位置确定、工程准备等)2.安装过程:(描述设备的安装过程,包括安装人员的培训、安装步骤、安全要求等)3.安装验收:(说明如何进行安装验收,包括验收标准、验收人员、验收程序等)四、生产设备使用1.设备操作培训:(描述设备操作培训的内容和方法,包括培训的人员、培训计划、培训材料等)2.设备使用:(说明设备的使用程序和要求,包括使用前的检查、使用中的保养、使用后的清理等)3.设备故障处理:(说明设备故障处理的流程和要求,包括设备故障的报告、维修人员的安排、维修记录的管理等)五、生产设备检测1.定期检测:(说明定期检测的频率和方法,包括使用什么样的检测设备、由谁进行检测等)2.不定期检测:(说明不定期检测的原因和方法,包括设备维修后的重新检测、设备使用期间的抽检等)六、生产设备维护1.维护计划:(说明维护计划的制定和实施,包括定期维护和不定期维护等)2.维护记录:(说明如何记录维护情况,包括维护的内容、维护人员、维护日期等)七、生产设备报废1.报废申请:(描述设备报废申请的流程和要求,包括填写报废申请表格、审批程序等)2.报废处理:(说明设备报废后的处理方法,包括销毁、报废记录的保存等)以上是一个简单的生产设备管理制度流程示例,具体内容和步骤可根据实际情况进行调整和修改。
生产设备管理流程生产设备管理流程是指对企业生产设备进行科学、有效地管理的一套方法和步骤。
它涉及设备购置、更新、维护和保养等环节,能够确保企业设备的正常运转,提高生产效率和质量,降低生产成本。
以下是一个典型的生产设备管理流程:一、设备规划和购置阶段1.确定设备需求:根据生产计划和产品需求,明确需要购置的设备类型、数量和技术指标。
2.设备选型:根据设备需求和预算限制,选取合适的设备供应商,进行设备技术和性能的比较和评估。
3.设备采购:与设备供应商签订购买合同,明确设备的价格、质保期、售后服务和交付时间等具体条款。
4.设备验收:购置设备到达企业后,对设备进行验收,检查设备是否符合合同规定的技术和性能指标。
二、设备配置和调试阶段1.设备安装:根据设备的安装要求,进行设备的安装和配置工作,确保设备能够正常运转。
2.设备调试:进行设备的调试工作,包括设备的电气连接、机械调整和自动化系统等,保证设备的运行效果和稳定性。
三、设备运行和维护阶段1.设备操作:培训操作人员,使其能正确、安全地操作设备,避免操作失误和人为损坏设备。
2.设备维护:制定设备维护计划和检修计划,定期对设备进行维护和检修,保持设备的正常运转和延长设备的使用寿命。
3.设备故障处理:设立设备故障处理机制,及时发现和解决设备故障,减少设备故障对生产造成的影响。
四、设备更换和更新阶段1.设备更换规划:根据设备的使用寿命和技术更新等因素,制定设备更换计划,并进行预算编制。
2.设备再投资:根据设备更换计划和预算,采购新设备并进行安装和调试工作。
3.旧设备处理:对更换下来的旧设备进行处理,可以进行报废、回收、出售或转移到其他企业。
五、设备绩效评估和改进阶段1.设备绩效评估:定期对设备的运行情况进行评估,包括设备的利用率、故障率、能耗等指标,并对评估结果进行分析和总结。
2.设备改进措施:根据设备绩效评估的结果,制定改进措施,如设备的技术升级、员工培训、操作规程优化等,提高设备的运行效率和品质水平。
编号生产设备管理制度一、总则1、为保证公司设备正常运转、合理、充分利用,根据公司设备特点和公司实际情况,制定本制度。
2、生产设备管理工作的内容包括从设备进厂验收、安装、使用、维护保养、检查修理,以及日常的登记、保管、调配、报废等一系列工作。
设备管理的任务,是要保证设备在使用过程中,自始至终保持良好的技术状态。
3、设备管理坚持以预防为主,维护保养与计划检修并重和先维修后生产的原则,正确使用,精心保养,合理润滑,安全生产。
坚持责任到人,谁使用谁负责的原则。
二、生产设备技术状况1、评价生产设备管理的技术经济指标:A、设备完好率。
表示设备技术状态的完好程度,是检查公司设备管理和维修工作水平的重要指标。
其计算公式为:设备完好率=完好的设备台数/设备总台数×100%设备总台数是指公司已安装的全部生产设备,包括在用、停用、封存、停机待修和正在检查的所有设备,完好设备台数是指设备总台数中完全符合设备完好标准的台数。
B、设备故障率。
是指因设备发生故障而停机的时间占设备运转时间的百分比,计算公式为:设备故障率=设备故障机/设备运转时间×100%C、维修费用效率。
是指单位维修费用所能生产的产品产量,计算公式为:维修费用效率=产品产量(件或吨)/维修费用D、单位产品(或万元产值)维修费用。
计算公式为:单位产品(或万元产值)维修费用=维修费用/产品产量(或总产值)E、平均每台设备年维修费用。
计算公式为:平均每台设备年维修费用=年维修总费用/年投入使用设备总台数2、生产部要分别制定年、季、月度设备综合完好率指标,并层层分解落实到岗。
三、新增生产设备管理1、生产部根据生产实际情况和技术开发部新产品设备需求,汇总、整理出公司新设备需求。
2、生产部根据新设备需求进行市场调研,可行性分析,制定新设备购买计划报财务部、生产总监、总经理审批后购买。
3、设备购进后,生产部负责组织施工安装,并负责施工安装的质量。
施工安装后,由生产部主管验收合格后方可使用。
一、目的为确保工厂设备安全、高效、稳定运行,提高生产效率,降低设备故障率,延长设备使用寿命,特制定本制度。
二、适用范围本制度适用于工厂内所有设备的管理和使用,包括生产设备、辅助设备、办公设备等。
三、组织机构1. 设备管理部门:负责设备的管理、维护、保养、更新等工作。
2. 使用部门:负责设备的日常使用、保养、维护等工作。
3. 维修部门:负责设备的维修、检修、故障处理等工作。
四、设备管理制度1. 设备分类根据设备的重要性和使用频率,将设备分为以下类别:(1)关键设备:对生产过程影响较大,一旦出现故障将严重影响生产安全的设备。
(2)重要设备:对生产过程有一定影响,出现故障时需及时维修的设备。
(3)一般设备:对生产过程影响较小,出现故障时可以暂时停机维修的设备。
2. 设备台账管理(1)设备管理部门应建立设备台账,详细记录设备的名称、型号、规格、数量、购置日期、使用部门、责任人等信息。
(2)设备台账应定期更新,确保信息的准确性。
3. 设备验收(1)设备到货后,使用部门应组织人员进行验收,确认设备质量、数量、规格等是否符合要求。
(2)验收合格后,设备管理部门应将设备信息录入设备台账。
4. 设备使用(1)设备使用人员应经过培训,掌握设备操作规程和安全注意事项。
(2)设备使用过程中,应严格按照操作规程进行,不得擅自更改设备参数。
(3)设备使用人员应定期对设备进行检查,发现问题及时上报。
5. 设备保养(1)设备管理部门应制定设备保养计划,明确保养周期、保养内容、保养责任人等。
(2)设备保养应按照保养计划进行,确保设备处于良好状态。
(3)保养过程中,应做好记录,包括保养时间、保养内容、保养人员等。
6. 设备维修(1)设备出现故障时,使用部门应及时上报维修部门。
(2)维修部门应尽快安排维修,确保设备尽快恢复正常运行。
(3)维修过程中,应做好记录,包括维修时间、维修内容、维修人员等。
7. 设备更新(1)设备管理部门应定期对设备进行评估,根据设备状况、技术性能、使用年限等因素,提出设备更新计划。
生产设备管理工作流程1.设备获取与验收首先,企业需要购买所需生产设备,并在到货时进行验收,确认其品质和性能是否符合要求。
验收过程包括对设备的外观、功能、规格、安全性等方面进行检查,以确保设备的可用性和安全性。
2.设备立项与规划在设备验收合格后,企业需要对设备进行立项与规划。
这包括确定设备的具体用途、使用流程、维护计划、维修预算等。
同时,还需要进行设备配置和布局,确保设备的流畅运行和生产效率。
3.设备安装与调试安装与调试是设备启用前必不可少的步骤。
首先,需要进行设备的基础安装与调整,包括设备的基础搭建、接线等。
然后,进行设备的初步调试,测试设备的各项功能是否正常。
如果有出现问题,需要及时修复和调整。
4.设备操作与监控设备启用后,需要进行设备的操作与监控。
这包括设备的日常操作、模具更换、参数调整等工作。
同时,还需要对设备进行数据监控,碰到异常情况及时报警,并进行问题追踪和处理。
5.设备维护与保养定期的设备维护与保养是延长设备寿命和保证设备正常运行的重要环节。
维护与保养内容包括设备清洁、润滑、紧固、更换易损件等。
维护保养的频率和方式需要根据设备的特点和生产情况进行合理规划,以确保设备的可靠性和稳定性。
6.设备故障与维修设备故障是无法避免的,出现故障时需要进行及时维修。
在发生故障时,需要通知维修人员进行检修和修复,并及时报备上级领导,确保设备能够尽快恢复正常运行。
7.设备记录与信息管理为了全面掌握设备的使用情况和维修情况,需要对设备进行记录和信息管理。
记录内容包括设备的操作记录、维修记录、保养记录、故障状况等。
通过数据分析和报表制作,可以对设备进行更加科学和合理的管理。
8.设备改进与升级随着企业的发展和生产需求的变化,设备的改进和升级是不可避免的。
通过不断进行设备的技术改进和升级,可以提高设备的生产效率和性能,降低维修成本和故障率,进一步提升企业的竞争力和盈利能力。
9.设备报废与更新当设备达到其使用寿命或无法满足生产需求时,需要进行设备的报废和更新。
设备使用期管理的流程1. 引言设备使用期管理是指在设备投入使用后的一系列管理过程,旨在确保设备的正常运行和维护,以延长设备使用寿命,并提高设备的使用效率和可靠性。
本文档将介绍设备使用期管理的流程及相关事项。
2. 设备验收设备验收是设备使用期管理的第一步。
在设备交付使用之前,需进行设备验收工作,以确保设备的质量和功能达到预期要求。
设备验收的主要步骤包括:•检查设备的外观和包装是否完好无损;•验证设备的规格和型号是否与购买合同一致;•进行设备功能测试,确保设备能够正常运行;•确认设备的附件和配件是否齐全;•评估设备的使用环境是否符合要求。
3. 设备调试和安装设备调试和安装是设备使用期管理的重要环节。
在设备验收合格后,需要进行设备调试和安装工作,以确保设备能够正常运行。
设备调试和安装的步骤包括:•根据设备的安装手册和要求,进行设备的组装和安装;•连接设备的电源和通信线路,并进行相应的接线工作;•启动设备,并进行初步的功能测试和调试,验证设备的性能和功能;•调整设备的参数和设置,以适应实际使用环境。
4. 设备培训和操作指导设备培训是设备使用期管理的关键环节。
在设备调试和安装完成之后,需要对设备操作人员进行培训,以确保其能够正确、安全地操作设备。
设备培训和操作指导的步骤包括:•培训设备操作人员的基本知识和技能,包括设备的启动、停机和故障处理等;•说明设备的操作流程和注意事项,以及日常维护和保养方法;•指导设备操作人员正确使用设备的各项功能和附件;•提供设备操作人员常见问题解答和技术支持。
5. 设备日常维护设备日常维护是设备使用期管理的重要环节。
通过定期的维护和保养,可以延长设备的使用寿命,减少设备故障率。
设备日常维护的主要内容包括:•检查设备的工作状态和运行情况,及时发现和解决问题;•定期清洁设备的外壳和内部部件,保持设备的清洁和干燥;•检查设备的电源和电缆连接,确保连接良好;•定期更换设备的易损件和耗材,以确保设备的正常运行;•记录设备的维护和保养情况,建立设备使用记录。
生产设备管理制度与操作流程在现代工业生产中,生产设备是企业顺利运转和实现高效生产的重要基础。
为了确保设备的正常运行、延长设备使用寿命、提高生产效率和产品质量,建立科学合理的生产设备管理制度和规范的操作流程至关重要。
一、生产设备管理制度1、设备采购与验收企业应根据生产需求和发展规划,制定设备采购计划。
在采购过程中,要充分考虑设备的性能、质量、价格、售后服务等因素,选择符合要求的供应商。
新设备到货后,应组织专业人员进行验收,检查设备的外观、规格、型号、技术参数等是否与合同一致,同时进行试运行,确保设备性能达到预期。
2、设备档案管理为每台设备建立详细的档案,包括设备的采购合同、说明书、合格证、验收报告、维修记录、保养记录等。
设备档案应由专人负责管理,确保资料的完整性和准确性,为设备的维护、维修和管理提供依据。
3、设备维护与保养(1)日常维护:操作人员应在每天工作前对设备进行检查和清洁,包括设备的外观、润滑、紧固等方面。
发现问题及时报告维修人员。
(2)定期保养:根据设备的使用情况和厂家要求,制定定期保养计划。
保养内容包括设备的内部清洁、零部件的检查与更换、润滑系统的维护等。
保养工作应由专业维修人员进行,并做好记录。
4、设备维修管理(1)设备出现故障时,操作人员应立即停止使用,并报告维修部门。
维修人员应及时赶到现场进行诊断和维修。
(2)对于重大故障或需要更换重要零部件的情况,应制定维修方案,并报上级领导批准。
维修完成后,要进行验收和试运行,确保设备正常运行。
(3)建立设备维修台账,记录设备的故障情况、维修时间、维修人员、维修费用等信息,以便对设备的维修情况进行分析和总结。
5、设备报废管理对于达到使用寿命、无法修复或技术性能落后的设备,应按照规定程序进行报废处理。
报废设备应进行清理和处置,同时在设备档案中进行注销。
6、设备操作人员培训新员工入职时,应进行设备操作培训,使其熟悉设备的性能、操作方法和安全注意事项。
IATF16949生产设备管理程序生产设备管理程序(IATF16949-2016/ISO9001-2015)1.0目的通过对设备的购置,使用,管理等过程的控制,确保设备满足产品生产的要求。
2.0适用范围本程序适用于公司生产设备的控制和管理。
3.0职责3.1技术生产部提出设备购置计划。
3.2总经理审批设备购置计划。
3.3采购主管负责设备的购置。
3.4技术生产部负责设备的管理。
4.0定义4.1关键设备:在生产重要工序中起到关键作用,一旦停机将会造成全线停产的设备。
5.0工作程序5.1设备购置5.1.1技术生产部或项目组根据生产需要,制定《设备购置计划》提出购置设备要求,报总经理批准。
5.1.2设备购置计划审批:总经理批准《设备购置计划》后,指定相关部门进行设备调研,形成设备调研报告,调研报告应包括:设备型号、厂家、技术参数、价格、付款方式等内容,提交总经理审批。
5.1.3设备购置:采购主管负责与设备制造厂家签定采购合同并跟踪合同的实施。
5.2设备验收5.2.1开箱验收设备到厂后由技术生产部组织开箱验收。
确认设备是否完好;依照合同要求及装箱单,逐项清点备用零部件、辅件品种,数量;确认设备说明书、合格证、保修卡等资料是否齐全。
如验收不合格,则由采购主管负责按合同规定处理。
5.2.2安装调试:设备的安装调试由技术生产部负责组织实施。
由制造厂家/安装公司/公司自行负责安装调试,上述工作完成后,进行设备试运行,设备试运行结束后,由技术生产部组织设备的验收,形成《设备验收记录》。
设备经验收合格便移交给车间。
验收不合格,由采购主管按合同规定处置。
5.3设备管理5.3.1建立设备台账:设备移交后,由技术生产部将其列入《设备一览表》,填写设备名称,规格型号,制造厂家,购买日期,使用日期,使用地点,动力等。
5.3.2由技术生产部负责建立《设备档案》,设备档案应包括:《设备验收记录》、制造厂家的随机文件资料、设备保养记录、故障修理记录等内容。
生产设备使用管理流程生产设备是企业生产过程中必不可少的重要工具,对于生产设备的使用管理流程是确保生产设备正常运转、提高生产效率的重要环节。
下面是一个针对生产设备使用管理的流程,供参考:1.设备采购和验收首先,企业需要明确自身的生产需求,制定设备采购计划,并对市场上的设备进行调研和评估,选择合适的供应商。
在设备采购之前,需要制定采购标准并明确设备的性能指标、功能需求和质量要求。
采购之后,需要对设备进行验收,确保设备符合采购合同中的要求。
2.设备入库管理设备验收通过后,需要对设备进行入库管理。
首先,需要制定设备入库流程和设备入库台账。
在设备入库时,要对设备进行编码,并建立设备档案,记录设备的基本信息、技术参数和使用寿命等。
同时,要对设备进行分类存放,并制定合理的设备存放和管理规范。
3.设备调拨和使用申请当生产线上需要调拨设备时,员工需要填写设备调拨和使用申请单。
申请单需要详细描述调拨的原因、设备使用情况以及预计使用时间等。
申请单通过后,设备管理员根据调拨单安排设备的运输和安装,并在设备上进行标识,方便后续管理和使用。
4.设备保养和维修为了确保设备正常运转和延长设备的使用寿命,企业需要制定设备保养和维修计划,并进行定期的设备保养工作。
保养工作包括清洁设备、润滑设备、更换易损件等。
在设备发生故障时,员工需要向设备管理员报修,并由维修人员进行故障诊断和维修。
维修完成后,需要对设备进行试运行和验收。
5.设备报废管理当设备达到预定使用寿命,无法再继续使用时,需要对设备进行报废处理。
报废处理需要有相关程序和流程,并记录设备报废的原因、方式和时间。
报废设备的处理可以选择售卖、报废出售或进行拍卖处理,也可以选择依法进行环保处理。
6.设备台账管理设备台账是对企业设备管理的重要工具,用于记录设备的基本信息、使用情况、维修记录等。
设备管理员需要定期对设备台账进行更新和管理,确保设备信息的准确性和完整性。
台账管理也可以帮助企业做好设备的排期使用,及时了解设备使用情况。
设备使用的管理工作流程1. 准备工作在开始设备使用的管理工作流程之前,需要进行一些准备工作,以确保工作能够顺利进行。
•完善设备管理制度和规定,明确设备的使用要求和责任。
•组建设备管理团队,明确每个人员的职责和权限。
•准备设备清单,记录每个设备的型号、数量、分配情况等信息。
•设定设备使用的工作流程,并进行培训和宣传,以确保所有人员都了解和遵守流程。
2. 设备领用与归还设备的领用与归还是设备管理的重要环节,需要严格按照规定进行操作。
2.1 设备领用•填写设备领用申请单,包括申请人的姓名、部门、领用日期、设备名称等信息。
•经过审批后,由设备管理员将设备交给申请人,并记录设备的领用状态和归还日期。
2.2 设备归还•在设备使用完毕后,及时归还设备。
•填写设备归还申请单,包括归还人的姓名、部门、归还日期等信息。
•设备管理员接收归还的设备,并核实设备的完整性和功能。
•记录设备的归还状态和归还日期。
3. 设备维护与保养设备的维护与保养是确保设备正常运行和延长设备寿命的重要措施。
•制定设备维护计划,包括定期检查、清洁设备、更换部件等工作。
•按照维护计划执行,记录维护的时间和内容。
•对设备故障进行及时处理,修复设备并记录维修情况。
•建立设备保养的档案,包括设备的维护记录、故障处理记录等。
4. 设备报废与更新设备的报废与更新是设备管理的最后环节,需要及时处理设备的淘汰和更换。
•制定设备报废与更新的标准和程序,包括设备年限、性能等要求。
•定期进行设备的评估,判断设备是否需要报废或更新。
•根据评估结果,将需要报废或更新的设备进行标记或通知相关部门。
•将报废或更新的设备送至指定地点进行处理,包括安全销毁、转卖等。
以上是设备使用的管理工作流程的基本步骤和要点,通过明确的工作流程和规定,可以有效地管理设备的使用和维护。
同时,不断改进和完善工作流程,提高设备管理的效率和质量,对于企业的发展和运营具有重要意义。
生产设备使用管理流程序号生产总监生产部设备使用单位生产班组相关规程/表单设备使用制度草案、设备使用制度设备检查情况记 录表设备使用制度、设备使用整改报告1 2 3 4 56 7审批审批审批审批监督执行发现问题制订措施使用制度安排负荷 下达负荷 提出要求随时监督提出要求配备工人具体操作接受检查整改整改反馈定期检查组织执行发现问题报告存档限期整改补充完善制订措施相应报告配置设备8 9安全生产管理流程序号总经理生产总监安全委员会生产部安全主管下属单位安全员相关规程/标案安全生产管理流程说明流程节点责任人工作说明1 执行安全计划生产部安全主管生产部安全主管负责落实安全计划的执行情况2 生产过程安全检查生产部安全主管定期对生产过程进行安全检查,并做好记录3 事故原因分析安全委员会安全委员会负责分析生产事故产生的原因,并进行事故定性分析4 制定事故处理办法生产部安全主管生产部安全主管根据事故产生原因,制定事故处理办法,并交上级审核5 执行事故处理办法生产部安全主管要依据审核后的生产事故处理报告妥善处理生产事故6 汇总安全报表、编写安全报告汇总安全员提交的安全报表,并编写安全报告年度安全生产计划安全检查记录表安全报表1 2 34 56 7一般重大汇总安全报表、编写安全报告制定安全生产新措施发生安全事故生产过程安全检查事故原因分析处理事故制定事故处理办法审核审批审批审核审批事故原因分析提交安全报表审核审批下属单位安全生产指标制订年度安全计划指标执行安全计划安全委员会安全生产管理制度生产事故处理报告安全报告。
生产设备使用管理流程 序
号 生产总监
生产部 设备使用单位 生产班组 相关规程/表单
设备使用制度草案、设备使用制度 设备检查情况记 录表 设备使用制度、设备使用整改报告 1 2 3 4 5 6 7 审批 审批 审批 审批 监督执行 发现问题 制订措施 使用制度 安排负荷 下达负荷 提出要求 随时监督 提出要求 配备工人 具体操作 接受检查 整改 整改反馈
定期检查 组织执行 发现问题 报告存档
限期整改 补充完善 制订措施 相应报告 配置设备 8 9
设备使用管理流程说明。