栏杆技术要求(参考内容)
- 格式:doc
- 大小:40.50 KB
- 文档页数:3
GB4053.3-1993 代替GB4053.3-1983固定式工业防护栏杆安全技术条件1 主题内容与适用范围本标准规定了固定式工业防护栏杆的设计、制造和安装的主要技术要求。
本标准适用于工业企业中的平台、人行通道、升降口等有跌落危险的场所。
本标准不适用于各种交通及其他移动设备。
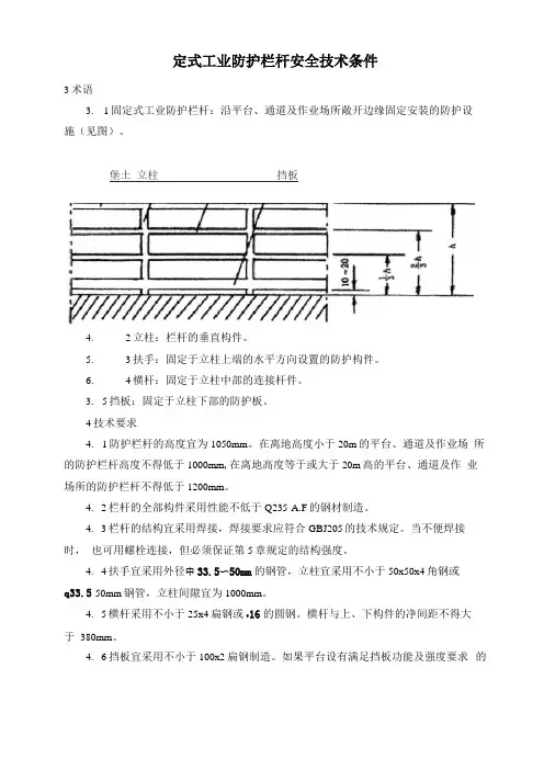
2 引用标准GBJ205 钢结构工程施工与验收规范3 术语3.1 固定式工业防护栏杆:沿平台、通道及作业场所敞开边缘固定安装的防护设施(见图)。
3.2 立柱:栏杆的垂直构件。
3.3 扶手:固定于立柱上端的水平方向设置的防护构件。
3.4 横杆:固定于立柱中部的连接杆件。
3.5 挡板:固定于立柱下部的防护板。
4 技术要求4.1 防护栏杆的高度宜为1050mm。
在离地高度小于20m的平台、通道及作业场所的防护栏杆高度不得低于1000mm,在离地高度等于或大于20m高的平台、通道及作业场所的防护栏杆不得低于1200mm。
4.2 栏杆的全部构件采用性能不低于Q235-A·F的钢材制造。
4.3 栏杆的结构宜采用焊接,焊接要求应符合GBJ205的技术规定。
当不便焊接时,也可用螺栓连接,但必须保证第5章规定的结构强度。
4.4 扶手宜采用外径φ33.5~50mm的钢管,立柱宜采用不小于50×50×4角钢或φ33.5-50mm钢管,立柱间隙宜为1000mm。
4.5 横杆采用不小于25×4扁钢或φ16的圆钢。
横杆与上、下构件的净间距不得大于380mm。
4.6 挡板宜采用不小于100×2扁钢制造。
如果平台设有满足挡板功能及强度要求的其他结构边沿时,允许不另设挡板。
4.7 室外栏杆、挡板与平台间隙为10~20mm,室内不留间隙。
4.8 栏杆端部必须设置立柱或与建筑物牢固连接。
4.9 所有结构表面应光滑、无毛刺,安装后不应有歪斜、扭曲、变形及其他缺陷。
4.10 栏杆表面必须认真除锈,并做防腐涂装。
5 强度要求栏杆的设计,必须保证其扶手所能承受水平方向垂直施加的载荷不小于500N/m。
北京泰科立高新技术有限公司水泥基桥梁栏杆技术要求二0一0年7月水泥基桥梁栏杆技术要求一、水泥基栏杆式样(1)采用无机复合型混凝土桥梁组合栏杆,每2米为一榀,分别由立柱、扶手、托梁、栏片等构件组成。
(2)立柱截面尺寸为120㎜×120㎜,高度分为1180㎜(铁三院)和1080㎜(铁一院)两种;扶手顶宽100㎜,底宽106㎜,高100㎜;托梁顶宽100㎜,底宽110㎜,高100㎜;扶手、托梁与栏片连接表面设置栏片安装插槽,插槽深度15㎜。
满足栏片安装后,端部位于横梁内配置纵向钢筋的下部,同时插槽处箍筋加强,防止出现裂纹。
(3)扶手与立柱处连接,端部预留钢筋,立柱顶部设置扶手卡槽,卡槽深度110㎜,宽60㎜,同时柱顶预埋钢筋,外漏长度170㎜,扶手通过卡槽与立柱固定,并通过柱顶预埋钢筋连接两侧横梁及柱帽,钢筋埋入立柱深度满足锚固要求。
(4)立柱与桥梁遮板通过预埋钢板连接,立柱下采用预埋Q235钢板,厚10㎜,钢板与立柱主筋焊接,焊接采用手工电弧焊,所有外漏钢板采用锌铬涂层防护体系进行防腐处理。
二、材料选用(1)因构件截面小,选用基材必须具备密实、韧性,抗裂性能好,具备抗震性能及对钢筋超强有效保护功能;基材:除钢筋和网状增强材外,由水泥基胶凝材料、骨料、适量改性剂和外加剂、水等制成复合材料。
在复合材料中,基材呈连续相分布起到连接增强材成为整体,并传递荷载到增强材。
(2)栏杆所有构件基材,强度计算指标不低于C60混凝土强度;(3)钢筋:Q235、HRB335;三、制造工艺要求(1)立柱、上下横梁、栏片和柱帽模具应有足够的强度、刚度和稳定性。
模具的长度、宽度和高度最大尺寸偏差为±2㎜。
在浇注成型前应将模具清擦干净,并在其内壁涂上一层脱模剂。
(2)钢筋焊接与图层钢筋加工的形状、尺寸应符合设计规范。
钢筋的表面应洁净、无损伤,油渍、漆污和铁锈等应在使用前清除干净。
带有颗粒状和片状老锈不得使用。
栏杆工程安全技术方案范本一、技术方案目的栏杆工程主要用于围护和保护人员的安全,避免人员从高处坠落。
因此,栏杆工程的安全性至关重要。
本技术方案将针对栏杆工程的安全技术实施进行详细论述,力求保证栏杆工程的安全使用。
二、技术依据1.《建筑安全检查标准》2.《建筑设计规范》3.《建筑工程施工安全技术规范》三、安全技术方案内容1.设计方案(1)材料选择:栏杆应选择具有一定强度和耐腐蚀性能的材料,如不锈钢、铝合金等。
(2)尺寸要求:栏杆高度应符合国家建筑标准,一般不低于1.1米。
(3)结构设计:栏杆应具有一定稳定性和承载能力,需要经过结构分析和计算,确保其安全可靠。
2. 施工方案(1)安全措施:施工现场应设置警示标志,明确栏杆工程区域,禁止行人进入,保证施工安全。
(2)工艺要求:在进行栏杆的焊接、拼装等工艺过程中,应严格遵守相关操作规程,确保施工质量。
3. 安装方案(1)固定方式:栏杆的安装应采用可靠的固定方式,如膨胀螺栓、焊接等,确保其牢固可靠。
(2)横向连接:在栏杆的横向连接处,应采用可靠的连接方式,确保栏杆连接牢固,不易松动。
4. 检测方案(1)焊接检测:对栏杆的焊接部位进行全面检测,确保焊缝牢固,无裂纹、气孔等缺陷。
(2)力学性能测试:对栏杆进行力学性能测试,检测其承载能力、抗拉、抗压等性能,确保其符合设计要求。
5. 维护方案(1)定期检查:定期对栏杆进行检查和维护,及时发现并修复可能存在的安全隐患,保证栏杆的安全使用。
(2)防腐蚀处理:栏杆应进行防腐蚀处理,延长使用寿命,确保其安全性能。
6. 应急预案(1)应急演练:定期组织对栏杆工程的应急预案进行演练,提高施工人员对突发事件的应对能力。
(2)应急救援:建立健全的应急救援机制,确保一旦发生事故,能够迅速有序地进行救援工作。
四、技术方案实施1.组织编制安全生产技术方案,确定安全目标、安全措施和安全责任。
2.加强标准化施工管理,健全施工组织设计、施工方案、质量控制等程序。
北京泰科立高新技术有限公司水泥基桥梁栏杆技术要求二0一0年7月水泥基桥梁栏杆技术要求一、水泥基栏杆式样(1)采用无机复合型混凝土桥梁组合栏杆,每2米为一榀,分别由立柱、扶手、托梁、栏片等构件组成。
(2)立柱截面尺寸为120㎜×120㎜,高度分为1180㎜(铁三院)和1080㎜(铁一院)两种;扶手顶宽100㎜,底宽106㎜,高100㎜;托梁顶宽100㎜,底宽110㎜,高100㎜;扶手、托梁与栏片连接表面设置栏片安装插槽,插槽深度15㎜。
满足栏片安装后,端部位于横梁内配置纵向钢筋的下部,同时插槽处箍筋加强,防止出现裂纹。
(3)扶手与立柱处连接,端部预留钢筋,立柱顶部设置扶手卡槽,卡槽深度110㎜,宽60㎜,同时柱顶预埋钢筋,外漏长度170㎜,扶手通过卡槽与立柱固定,并通过柱顶预埋钢筋连接两侧横梁及柱帽,钢筋埋入立柱深度满足锚固要求。
(4)立柱与桥梁遮板通过预埋钢板连接,立柱下采用预埋Q235钢板,厚10㎜,钢板与立柱主筋焊接,焊接采用手工电弧焊,所有外漏钢板采用锌铬涂层防护体系进行防腐处理。
二、材料选用(1)因构件截面小,选用基材必须具备密实、韧性,抗裂性能好,具备抗震性能及对钢筋超强有效保护功能;基材:除钢筋和网状增强材外,由水泥基胶凝材料、骨料、适量改性剂和外加剂、水等制成复合材料。
在复合材料中,基材呈连续相分布起到连接增强材成为整体,并传递荷载到增强材。
(2)栏杆所有构件基材,强度计算指标不低于C60混凝土强度;(3)钢筋:Q235、HRB335;三、制造工艺要求(1)立柱、上下横梁、栏片和柱帽模具应有足够的强度、刚度和稳定性。
模具的长度、宽度和高度最大尺寸偏差为±2㎜。
在浇注成型前应将模具清擦干净,并在其内壁涂上一层脱模剂。
(2)钢筋焊接与图层钢筋加工的形状、尺寸应符合设计规范。
钢筋的表面应洁净、无损伤,油渍、漆污和铁锈等应在使用前清除干净。
带有颗粒状和片状老锈不得使用。
栏杆及百叶技术要求技术标准1、设计标准:(1)应符合本公司提供的图纸的设计基本款式及要求.(2)《工程建设强制性标准》(3)《民用建筑设计通则》(4)《住宅设计规范》2、材料标准:(1)主材(碳素结构钢/不锈钢)的性能必须符合国家/行业现行有关标准。
(2)辅材(防腐底漆、罩面漆、密封胶等)的性能应符合国家/行业现行有关标准。
(3)五金配件(各类预埋钢件及螺栓)的性能必须符合国家/行业现行有关标准。
(4)固定端(基础、立柱)的工程材料应符合国家现行有关技术标准。
(5)《室内装饰装修材料,木家具中有害物质限量》GB/8584-2001(扶手)(6)《室内装饰装修材料溶剂型木器涂料中有害物质限量》GB18581-2001(扶手)3、制作安装质量标准:(1)《建筑工程施工质量验收统一标准》 GB50300-2001(2)《建筑装饰装修工程施工质量验收规范》 GB50210—2001(1)符合国家/行业有关制作安装的技术标准/规范规定;(2)符合环境保护标准;(3)最终保证能通过工程所在地有关部门验收通过。
4、室内铁艺栏杆及扶手的制安成品标准:参见附表2所示.附表2栏杆及扶手的制安成品标准不锈钢栏杆技术要求1、不锈钢管壁厚不低于1.5mm。
2、与楼梯连接处要求使用不锈钢装饰盖。
3、原材料的规格、质量必须符合设计要求和现行有关国家标准、规范的规定。
达到足厚,严禁使用有下差的材料。
4、制做栏杆、扶手的原材料,应有出厂质量合格证或试验报告,进场时应按批号分批验收。
没有出厂合格证明的材料,必须按有关标准的规定抽取试样作物理、化学性能试验,合格后方可使用,严禁使用不合格的材料。
5、栏杆、扶手与梯段安装完毕后,其结构承载能力应能承受GBJ9规定的水平荷载0.5kN/m,最大允许挠度值不应超过h/100(h为扶手高度)。
6、各栏杆、扶手连接处(焊接、螺丝连接)应牢固。
7、产品表面应光洁,不应有毛刺、焊渣及明显锤痕等外观缺陷。
锌钢组合栏杆工程技术要求一、栏杆材料、加工工艺、设计要求:1.材料使用规范标准。
为了使产品达到安全性、防腐性和标准性,原材料在以下几方面为主要控制指标:⑴.栏杆所有管材均为热镀锌钢管,表面的锌层必须是内外热镀锌表面,双面锌层厚度要求不低于15~17μm;⑵.阳台栏杆管材要求如下:桩柱:□ 42*42*1.5/Q235;横栏:□ 35*35*1.2/Q235;竖栏(凸肚):□ 19*19*1.2/Q195,竖栏(直杆):□ 19*19*0.8/Q195扶手:扁圆40*80*1.5/Q235;⑶. 桩柱与扶手、桩柱与横栏、扶手三通连接件等均为压铸铝件;⑷. 所有连接螺丝均为304不锈钢材质;⑸. 聚酯彩色粉需采用阿克苏或杜邦粉末,颜色依据发包人提供样板,并经发包人确认;⑹. 表面涂层要求:a.附着力:一级; b.硬度:不低于2H; c.耐候性:一级;⑺. 表面聚酯彩色粉层的厚度不小于40μm;⑻. 样式参照附图四。
2. 生产工艺技术要求:⑴. 工件喷粉前表面必须经过严格的前处理,包括脱脂,水洗,之后必须经过富锌磷化(或陶化、纳米皮膜转化)等预处理;⑵. 烘烤线必须能提供合适、稳定的烤干温度,附图二为参考图片;3. 设计要求:⑴. 厂家在进行护栏图纸深化时,必须保证设计安全,保证立杆间距、桩柱间距等满足国家规范要求;⑵. 需提供符合要求的计算书作为竣工资料的一部分;二、出厂包装及发货规范:1.产品的包装严格按照材料种类进行包装,即桩柱为一包装种类、扶手为一包装种类,横栏和竖栏组装成樘为另一打包种类;2.桩柱和扶手必须将每一根所需的连接件在工厂内完成连接,配件装配完好,并且保证立杆与横杆相连不能有晃动;3.产品在出厂时必须做好必要的成品保护环节,以最大限度的保护好成品较少污染和损坏;4.产品的包装建议参考附图一:5.每个托盘必须要有其包装内产品的识别唛头,此唛头必须详细记录包装内产品的名称、规格、数量及使用位置等项目;6.产品出厂时要附有如下书面材料:发货清单、安装图纸和合格证;三、现场安装要求、验收方式及质量保证:1.现场安装要求:⑴. 现场安装必须按照图纸上的要求进行安装,尤其是底座的地脚螺栓、入墙件螺栓等;⑵. 产品安装完成之后,必须立即做整体覆膜的成品保护,成品保护参见附图二;⑶. 安装完成之后,连墙部位必须加装扶手盖(如图中标示);2.验收方式:⑴.栏杆厚度、规格、质量、加工工艺达到要求;⑵.间距等符合规范要求;⑶. 栏杆底座和面管扶手的固定美观牢靠符合规范要求;⑷. 栏杆表面干净,没有变形、掉漆现象,严禁有生锈的情况发生;⑸. 成品必须做好成品保护,严格保证最终产品的质量;参考附图三:成品保护参考。
阳台栏杆工程技术交底一、项目概述阳台栏杆工程是指在建造物的阳台上安装栏杆,以保证人员在使用阳台时的安全。
本文将详细介绍阳台栏杆工程的技术要求、材料选用、施工流程以及验收标准。
二、技术要求1. 栏杆高度:根据国家建造标准,阳台栏杆的高度应不低于1.1米,以确保人员的安全。
2. 栏杆间距:栏杆之间的间距应满足以下要求:- 栏杆间的空隙不得大于10厘米,以防止小孩或者宠物的危(wei)险。
- 栏杆与地面之间的空隙不得大于5厘米,以防止物体掉落。
3. 栏杆强度:栏杆的承载能力应满足以下要求:- 栏杆应能承受人员的正常冲击力,不得发生变形或者松动。
- 栏杆应能承受一定的风压力,以确保在风大的情况下不会发生倾斜或者脱落。
4. 材料选用:阳台栏杆的材料应具备以下特点:- 耐候性:能够在各种气候条件下长期使用,不易腐蚀或者变形。
- 强度:具备足够的强度,能够承受人员的正常使用和一定的外力冲击。
- 美观性:外观设计合理,与建造风格相协调,满足装饰要求。
三、施工流程1. 准备工作:- 根据设计图纸和要求,购买所需的栏杆材料和工具。
- 检查阳台结构是否满足栏杆安装的要求,如有问题应及时处理。
2. 安装栏杆:- 根据设计要求,确定栏杆的位置和高度。
- 使用专业工具进行测量和标记,确保栏杆的安装位置准确。
- 将栏杆的支架固定在阳台上,确保其稳固性。
- 将栏杆的立柱与支架连接,采用焊接或者螺栓等方式进行固定。
- 安装栏杆的扶手和栏杆板,确保其与立柱之间的连接紧固可靠。
3. 检查和清理:- 对已安装的栏杆进行检查,确保其符合技术要求和设计要求。
- 清理施工现场,清除杂物和垃圾,保持环境整洁。
四、验收标准1. 栏杆高度、间距和强度应符合国家建造标准的要求。
2. 栏杆的安装位置、固定方式和连接紧固度应符合设计要求。
3. 栏杆的外观应整洁美观,与建造风格相协调。
4. 栏杆的使用功能应正常,不得浮现松动、变形或者其他安全隐患。
以上是对阳台栏杆工程技术交底的详细说明,希翼能够满足您的要求。
扶手栏杆一、技术要求1、招标范围内的1#、2#、3#、10#楼窗台栏杆,7#、8#、9#楼阳台栏杆,主楼楼梯扶手,地下车库楼梯扶手,1#、2#、3#汽车坡道室外栏杆,主楼室外残疾人坡道栏杆,及工程涉及的所有栏杆:包括原材料采购、加工、运输(含现场二次运输)、保管、现场安装施工及栏杆的成品保护等,同时考虑因现场土建没有按照图集要求提供预埋件,投标单位需在保证连接质量的前提下自行解决连接节点优化设计。
2、严格按设计图纸定位、尺寸大小选型及标高要求施工。
所有材料必须先送样品供招标方、监理及设计人员确认并封样后,方可进场施工。
3、各种材料的颜色(以业主确认的色卡为准)、技术等级、外观等质量应符合设计图纸及国家现行行业标准优等品的要求。
4、施工工艺必须按相应的程序进行。
构件要求除锈彻底、防腐处理得当,外观没有毛刺,焊接节点平整,连接点没有松动,栏杆安装完成后整体没有晃动。
5、栏杆抗水平荷载:住宅建筑不应小于0.5KN/m,并满足相应规范。
6、产品质量及安装应符合现行相应国家、行业规范与招标方要求。
投标方在施工前必须现场复核尺寸,并提出施工配合要求。
不锈钢管、钢管等材料应提供产品检测报告及相关质量证明材料,并必须符合国家相关产品质量检验标准。
7、投标人在递交投标文件时,需提供以下物料样板标明品牌供招标人:各种系列的不锈钢型材长度100mm、密封胶密封垫、固定块、橡胶条、密封条、发泡济等样品安装在600*1000的样板上,便于封样和核对。
样品需贴标签,中标后的样品将被封存,作为技术标评标的重要依据之一。
二、质量要求1、投标加工的栏杆扶手质量保证按照国家规范2003年版的GB50096-1999《住宅设计规范》和GB50210-2001《建筑装修工程质量验收规范》要求制作安装,按照《房屋建筑工程质量管理条例》,保修期限必须保证2年内保修,若有延长或其他质量保证的可做明确声明。
2、扶手栏杆制作、安装要求:护栏和扶手的连接处采用焊接打磨抛光,焊接缝应严密、表面光滑,色泽相同,无焊接痕迹,无裂缝无变形现象。
2021年最新栏杆规范篇一:栏杆技术标准栏杆技术要求一、材料、设备及配件要求1.1 钢材栏杆钢材应选用国标碳素钢Q235B,产品质量应符合相应的国家规范,并需提供出厂合格证和检验报告。
(厂家在材料进厂后应对材料进行检验,并提供复试报告)1.2连接件■ 连接螺栓的材质均为316型号不锈钢,外露不锈钢螺栓应带圆形盖帽,样式参照下图:另:木扶手应用不锈钢沉头螺丝固定。
■ 膨胀螺栓1) 应采用M10不锈钢膨胀螺栓(样式见下图);2) 根据现场实际情况确定膨胀螺栓长度,但必须保证膨胀螺栓入混凝土层(不含砂浆层厚度和外墙面砖厚度)深度大于30mm;3) 每个连接点膨胀螺栓数量不应少于2个螺栓,且必须保证栏杆横向抗冲击力大于2000N/平方米;4) 如需要在外墙打孔安装螺栓,则应先向孔内注建筑结构胶,然后再安装螺栓,避免渗漏;5) 立柱安装完成后、底座周边采用耐候密封胶封堵严密;要求施工单位对栏杆安装引发渗漏做出保修承诺。
6) 螺母下设尼龙或其他防松螺母垫圈。
其品种、规格、性能应符合现行性国家标准及设计要求,并必须有出厂质量保证书;7) 螺栓、螺母及垫圈应涂油保护;8) 紧固件与管、板材,板材与板材连接应紧固密贴,外观排列整齐;1.3焊条应使用国标E4322焊条。
1.4木扶手室外栏杆木扶手应为防腐木,并在投标时需提供样品、检测报告和厂家质量保证书确认,所有防腐年限应在10年以上。
为防止因环境恶劣造成木扶手翘曲、开裂,木扶手安装完毕后,涂刷2遍亚光木质清漆,二、设计要求■ 建筑设计要求:栏杆形式、净高、连接位置、固定方式详见设计附图。
按规范要求,低层、多层住宅的阳台栏杆扶手顶部离地完成面(可踩踏面)高度不应小于1.05m;小高层、高层住宅的阳台栏杆扶手顶部离地完成面(可踩踏面)高度不应小于1.10m。
楼梯间栏杆扶手顶部离地完成面(可踩踏面)高度不应小于1.10m,且立杆间距不应大于110mm。
封闭阳台栏杆也应满足以上阳台栏杆净高要求。
固定式工业防护栏杆安全技术条件3 术语 3.1 固定式工业防护栏杆:沿平台、通道及作业场所敞开边缘固定安装的防护设施(见图)。
3.2 立柱:栏杆的垂直构件。
3.3 扶手:固定于立柱上端的水平方向设置的防护构件。
3.4 横杆:固定于立柱中部的连接杆件。
3.5 挡板:固定于立柱下部的防护板。
4 技术要求 4.1 防护栏杆的高度宜为1050mm。
在离地高度小于20m的平台、通道及作业场所的防护栏杆高度不得低于1000mm,在离地高度等于或大于20m高的平台、通道及作业场所的防护栏杆不得低于1200mm。
4.2 栏杆的全部构件采用性能不低于Q235-A·F的钢材制造。
4.3 栏杆的结构宜采用焊接,焊接要求应符合GBJ205的技术规定。
当不便焊接时,也可用螺栓连接,但必须保证第5章规定的结构强度。
4.4 扶手宜采用外径φ33.5~50mm的钢管,立柱宜采用不小于50×50×4角钢或φ33.5-50mm钢管,立柱间隙宜为1000mm。
4.5 横杆采用不小于25×4扁钢或φ16的圆钢。
横杆与上、下构件的净间距不得大于380mm。
4.6 挡板宜采用不小于100×2扁钢制造。
如果平台设有满足挡板功能及强度要求的其他结构边沿时,允许不另设挡板。
4.7 室外栏杆、挡板与平台间隙为10~20mm,室内不留间隙。
4.8 栏杆端部必须设置立柱或与建筑物牢固连接。
4.9 所有结构表面应光滑、无毛刺,安装后不应有歪斜、扭曲、变形及其他缺陷。
4.10 栏杆表面必须认真除锈,并做防腐涂装。
5 强度要求 栏杆的设计,必须保证其扶手所能承受水平方向垂直施加的载荷不小于500N/m。
固定式钢斜梯安全技术条件1 主题内容与适用范围 本标准规定了固定式钢斜梯的设计、制造和安装的主要技术要求。
本标准适用于工业企业中生产用固定式钢斜梯。
本标准不适用于交通及其他移动设备上用的钢斜梯。
定式工业防护栏杆安全技术条件3术语3.1固定式工业防护栏杆:沿平台、通道及作业场所敞开边缘固定安装的防护设施(见图)。
堡土立柱挡板4.2立柱:栏杆的垂直构件。
5.3扶手:固定于立柱上端的水平方向设置的防护构件。
6.4横杆:固定于立柱中部的连接杆件。
3. 5挡板:固定于立柱下部的防护板。
4技术要求4. 1防护栏杆的高度宜为1050mm。
在离地高度小于20m的平台、通道及作业场所的防护栏杆高度不得低于1000mm,在离地高度等于或大于20m高的平台、通道及作业场所的防护栏杆不得低于1200mm。
4.2栏杆的全部构件采用性能不低于Q235-A.F的钢材制造。
4.3栏杆的结构宜采用焊接,焊接要求应符合GBJ205的技术规定。
当不便焊接时,也可用螺栓连接,但必须保证第5章规定的结构强度。
4.4扶手宜采用外径中33.5〜50mm的钢管,立柱宜采用不小于50x50x4角钢或q33.5-50mm钢管,立柱间隙宜为1000mm。
4.5横杆采用不小于25x4扁钢或916的圆钢。
横杆与上、下构件的净间距不得大于380mm。
4.6挡板宜采用不小于100x2扁钢制造。
如果平台设有满足挡板功能及强度要求的其他结构边沿时,允许不另设挡板。
4.7室外栏杆、挡板与平台间隙为10〜20mm,室内不留间隙。
4.8 栏杆端部必须设置立柱或与建筑物牢固连接。
7.9 所有结构表面应光滑、无毛刺,安装后不应有歪斜、扭曲、变形及其他缺陷。
8.10栏杆表面必须认真除锈,并做防腐涂装。
5强度要求栏杆的设计,必须保证其扶手所能承受水平方向垂直施加的载荷不小于500N/m。
固定式钢斜梯安全技术条件1主题内容与适用范围本标准规定了固定式钢斜梯的设计、制造和安装的主要技术要求。
本标准适用于工业企业中生产用固定式钢斜梯。
本标准不适用于交通及其他移动设备上用的钢斜梯。
2引用标准GB4053.3固定式工业防护栏杆安全技术条件GBJ205 钢结构工程施工与验收规范3术语3. 1 固定式钢斜梯:固定在建筑物或设备上,与水平面成30°~75°角的钢梯(见图)。
桥梁栏杆在维护出行安全上起着重要的作用,质量不好的栏杆是起不到防护作用的。
好的栏杆在设计上必须满足一些要求,下面就来给大家介绍一下。
1、栏杆构件间的净间距不得大于140mm,切不宜采用横线条栏杆。
桥梁护栏栏杆结构设计必须安全可靠,栏杆底座应设置锚筋,其强度应满足国家规范要求。
2、桥梁护栏栏杆强度应满足:车辆以80KM/H的速度,与栏杆成15°角发生碰撞,不落河。
3、桥梁护栏栏杆造型、色调与周围环境协调,对重要桥梁宜作景观设计。
4、当桥梁跨越快速路、城市轨道交通、高速公路、铁路干线等重要交通通道时,桥面人行道栏杆上应加设护网,护网高度不应小于2m,护网长度宜为下穿道路的宽度并各向路外延长10m。
5、作用在桥上人行道栏杆扶手上竖向荷载应为水平向外荷载应为。
如果有企业需要安装桥梁栏杆,建议找专业的厂家购买产品。
四川中程交通设施有限公司是一家集研发、生产、销售于一体的现代化民营企业,承接交通护栏、桥梁栏杆、锌钢栏杆销售安装等业务,有需要的朋友可以了解一下。
栏杆工程技术要求1、材料要求1。
1栏杆工程采用的铝材、钢材、焊接材料等应附有产品的质量合格证明文件及检验报告,各项指标应符合设计要求和现行国家产品标准。
1。
2栏杆型材:栏杆所用的构件刚材质应采用Q235钢,铝合金型材厂家参照南山、华建、亚铝、凤铝、广亚,喷涂颜色为深灰色,具体样板需提供后由招标单位确定(投标单位须送样确认)。
2、技术要求:1)本工程栏杆分为:(1)室内阳台栏杆。
栏杆具体尺寸要求参照招标图纸.(2)室内护窗栏杆。
具体尺寸要求参照招标图纸.(3)连廊栏杆.具体尺寸要求参照招标图纸。
(4)室外护栏。
具体尺寸要求参照招标图纸。
(5)空调机位护栏。
具体尺寸要求参照招标图纸。
(6)空调百叶格栅。
具体尺寸要求参照招标图纸.2)由于现场情况复杂,生产商应根据自身生产工艺及现场实测尺寸角度,对该栏杆进行深化设计,并提供构造和安装节点图纸供业主审核批准,并通过安全计算保证其安全性。
3)生产商应根据现场实际尺寸进行放样下料。
所采用材料必须符合设计和规范要求.投标人必须对招标人提供图纸中的栏杆结构形式、连接方式等按相关技术规范予以复核,若有疑问在招标答疑时提出,施工中如因上述部位不能满足技术规范要求而引起的费用增加由投标人自理,并承担由此引起的一切后果。
4)生产商在进行生产前应认真检查安装条件问题,提前要求总包单位进行整改:安装预埋件位置混凝土强度是否满足要求,是否有足够的安装空间。
5)钢构件必须工厂化加工,采用喷砂除锈、热浸锌材料处理,外饰为粉末喷涂、颜色由甲方认定,中标单位需提供样板,经甲方签字确认后实施,加工前须根据图纸对现场进行数量复核。
6)阳台栏杆与主体结构连接,应采用刚性连接。
7)阳台栏杆须按国家规范进行相关检测,该费用由中标单位负责支付,此部分费用已包含在合同总价中,不另计.8)栏杆安装过程中如发现后置预埋件处已经抹灰,打凿抹灰层时应先切割再打凿,避免扰动抹灰层,此部分费用已包含在合同总价中,不另计.9)栏杆不松动、不变形、表面无划伤、锈迹等缺陷,扶手固定端加装盖帽牢固、伏贴。
栏杆规范技术要求1.材料选择:栏杆的主要材料通常是金属或木材。
金属材料可以选择钢铁、铝合金等。
木材材料应选用有防腐处理的木材。
材料应具有良好的强度和耐久性,能够承受人员倚靠和碰撞等力量。
2.尺寸要求:栏杆的高度是栏杆规范技术要求中最重要的要素之一、通常栏杆高度应在900mm到1100mm之间,以防止人员掉入或跨越栏杆。
对于特殊情况,如儿童区域或高楼层的栏杆,建议将栏杆高度增加到1200mm。
3.间距要求:栏杆垂直方向的竖杆(也称为扶手竖柱或立柱)之间的间距也要符合栏杆规范技术要求。
间距通常应小于110mm,以防止小儿的身体或头部通过栏杆。
4.扶手要求:栏杆的顶部扶手是栏杆规范技术要求中的另一个重要要素。
扶手应具有足够的宽度,以便人员可以方便地握住和倚靠。
扶手的高度通常与栏杆的高度相同,但也可以增加1-2cm以提供更舒适的握持。
5.结构要求:栏杆的结构应该牢固,能够承受人员的冲击和压力。
竖杆和扶手之间的连接应该稳定,并且连接处应该没有突出物或锋利的边缘,以防止人员受伤。
6.施工要求:栏杆的安装应由专业的施工人员进行。
栏杆应固定在坚固的基础上,并且连接件和螺栓等固定件应安全可靠。
在施工过程中,要注意防止栏杆变形、倾斜或松动。
7.表面处理:栏杆的表面处理应坚固耐久,免受腐蚀和环境损害。
对于金属栏杆,可采用电镀、喷涂或镀锌等防腐处理方法。
对于木材栏杆,应采用防腐剂进行处理,以提高其耐久性和抗腐蚀能力。
8.防护要求:栏杆规范技术要求还包括了一些关于栏杆防护的要求,以确保栏杆不会成为意外事件的原因。
例如,在地铁站或高楼层的栏杆上,可以通过在栏杆顶部安装防护装置,如透明玻璃或防护网,来防止人员从栏杆上掉下来。
总的来说,栏杆规范技术要求是为了确保栏杆的安全性和可靠性,以防止人员掉落、跨越或受伤。
通过选择合适的材料、遵循正确的尺寸和间距要求、确保结构稳定和进行有效的表面处理,可以确保栏杆符合规范要求并能够提供安全和可靠的使用。
铁艺栏杆技术标准及质量要求1、符合GB50210- 2001《建筑装饰装修工程质量验收规范》要求,所用材料质量指标、尺寸允许误差须符合相关国家规范、行业标准及环保标准。
2、符合图纸设计尺寸要求,基准样品式样要求。
3、需提供检测报告及合格证明,必要时须对产品进行抽样检测。
4、栏杆和扶手制作与安装所使用材料的材质、规格、数量等应符合设计要求。
5、造型、尺寸及安装位置应符合设计要求。
6、预埋件的数量、规格、位置以及栏杆与预埋件的连接节点应符合设计及相关规范要求。
7、栏杆高度、间距、安装装位置须符合设计要求,护栏安装必须牢固。
8、设计图纸与现场不符时,须提前知会甲方确认。
必要时中标单位须配合甲方深化图纸,绘制施工大样图。
9、铁花、铁艺制作尺寸、间距、安装位置须符合设计要求;安装必须牢固,焊接节点打磨平■整,表面油漆光滑、整洁、色泽一致。
10、各构件转角弧度应符合设计要求,接缝应严密、表面应光滑、色泽应一致,不得有裂缝、翘曲及损坏。
项次项目允许偏差(mm)1长、宽度(mm) <1001长、宽度(mm) 100〜3002长、宽度(mm) >300 2.52对角线长度差 1.53构件直线度2/10004相邻两构件高低差112项次项目允许偏差(mm)检验方法1护仁垂直度3用1m垂直检测尺检查2栏杆问距3用钢尺检查3扶手直线度4拉通线用钢尺检查4扶手局度3用钢尺检查五、招标技术文件回应要求1、本次招标在招标答疑时,需各参投单位对所提供的铁艺栏杆标准图不详之处进行深化设计,同时明确样板送审活单。
2、技术标回应资料详见招标文件,其中需包含对所提供的铁艺栏杆标准图的深化设计及相对应的施工技术方案。
3、需进行样板评审,其样板与技术标回应一同送达。
六、其他要求详见合同文本及招标文件。
铁艺栏杆技术标准及质量要求
1、符合GB50210-2001《建筑装饰装修工程质量验收规范》要求,所用材料质量指标、尺寸允许误差须符合相关国家规范、行业标准及环保标准.
2、符合图纸设计尺寸要求,基准样品式样要求。
3、需提供检测报告及合格证明,必要时须对产品进行抽样检测。
4、栏杆和扶手制作与安装所使用材料的材质、规格、数量等应符合设计要求.
5、造型、尺寸及安装位置应符合设计要求。
6、预埋件的数量、规格、位置以及栏杆与预埋件的连接节点应符合设计及相关规范要求。
7、栏杆高度、间距、安装装位置须符合设计要求,护栏安装必须牢固。
8、设计图纸与现场不符时,须提前知会甲方确认。
必要时中标单位须配合甲方深化图纸,绘制施工大样图。
9、铁花、铁艺制作尺寸、间距、安装位置须符合设计要求;安装必须牢固,焊接节点打磨平整,表面油漆光滑、整洁、色泽一致.
10、各构件转角弧度应符合设计要求,接缝应严密、表面应光滑、色泽应一致,不得有裂缝、翘曲及损坏。
11、铁花、铁艺成品外观的允许偏差见下表:
12、栏杆和扶手安装的允许偏差及检验方法见下表:
6
五、招标技术文件回应要求
1、本次招标在招标答疑时,需各参投单位对所提供的铁艺栏杆标准图不详之处进行深化设计,同时明确样板送审清单。
2、技术标回应资料详见招标文件,其中需包含对所提供的铁艺栏杆标准图的深化设计及相对应的施工技术方案。
3、需进行样板评审,其样板与技术标回应一同送达。
六、其他要求
详见合同文本及招标文件。
7。
栏杆规范技术要求栏杆是建筑物和设施中常用的安全设施,它能够提供防护和导向功能,防止人员意外跌落或者进入限制区域。
栏杆设计和安装必须符合一系列的技术要求,以确保其安全可靠、结构合理、使用舒适。
下面是栏杆规范技术要求的详细介绍:材料要求:1.栏杆材料应具有足够的强度和刚性。
常见的栏杆材料有钢铁、铝合金、不锈钢等。
2.材料的抗腐蚀性能应符合相关标准,以保证栏杆在长时间使用后不出现生锈、腐蚀等问题。
3.栏杆上表面的涂料应具有耐磨损、耐候性能,以保持其美观、色彩鲜艳。
结构设计要求:1. 栏杆高度应根据具体使用场所的需要确定。
一般来说,居民楼栏杆的高度应不低于900mm,商业建筑和公共场所的栏杆高度应不低于1100mm。
2.栏杆与地面之间应设置足够的高度,以防止儿童爬过栏杆。
3.栏杆立柱之间的间距应根据相关标准来确定,以防止儿童或其他物体卡进去。
4.栏杆的承载能力应符合相关标准,能够承受平均人体正常施力的作用。
5.栏杆与楼梯、平台等结构的连接应坚固可靠,以保证整体的稳定性和安全性。
安装要求:1.栏杆应按照设计方案和操作规程进行安装,并且必须由专业人员进行施工。
2.栏杆的安装位置应符合建筑设计规范要求和使用需求,能够确保人员的安全。
3.栏杆的安装应紧密固定,不得有松动或摇晃的现象。
4.栏杆与地面或其他固定结构的连接应采用合理的方法,保证牢固可靠。
5.栏杆立柱底部应设置防滑垫,以防止其滑动或者摇晃。
维护要求:1.栏杆的使用寿命应符合相关要求,并进行定期检查和维护,以确保其正常使用和安全性。
2.栏杆的表面涂层应定期检查,如有损坏或脱落,应及时进行修复或更换。
3.栏杆的连接部分应定期检查,如有松动或变形,应及时进行调整或修复。
4.栏杆的清洁应定期进行,以保持其干净整洁,防止污染和长期积存的杂质对其结构和功能造成影响。
总结:栏杆是建筑物和设施中不可或缺的安全设施,其设计、安装和维护都必须符合相应的技术要求。
在选择栏杆材料时,应考虑其强度、耐腐蚀性和表面装饰。
栏杆技术要求
说明:本招标技术要求如果低于现行国家、行业、地方规范、规定及图纸要求,应以现行国家、行业、地方规范、规定及图纸要求为准,若上述规范、规定中对同一内容的表述有不同,以要求高的为准。
投标时应及时通知招标单位,否则一切责任归于中标单位。
一、除另有注明外,本工程须符合设计和国家、地方及行业标准,主要包括但不限于:
《民用建筑设计通则》GB50352-2005
《住宅设计规范》GB50096-2011
《住宅建筑规范》GB50368-2005
《建筑装饰装修工程质量验收规范》GB50210-2001
《建筑钢结构焊接规程》JGJ181-2002
《涂装前钢材表面锈蚀等级和除锈等级》GB8923
《建筑玻璃应用技术规程》JGJ113
《夹层玻璃》GB/T9962-1992
二、材料要求:
1、栏杆工程采用的钢材、焊接材料、紧固件、涂装材料等应有产品质量合格证明文件、检验报告,各项指标应符合设计要求和现行国家产品标准。
2、栏杆所用构件钢材厂家:济钢、青钢、莱钢。
规格必须符合设计及规范要求。
室外栏杆钢材材质要求采用冷镀锌。
3、油漆:栏板栏杆的各类底漆面漆应附着力强、漆膜饱满。
三、技术要求:
1、栏杆高度:(注:栏杆高度应从楼地面或屋面的装饰完成面起计算至栏杆扶手顶面垂直高度,如底部有宽度大于或等于0.22m,且高度低于或等于
0.45m的可踏部位,应从可踏部位顶面起计算。
)
1.1 临空高度在24m以下时,栏杆高度(从可踏面计算,)不应低于1.05m,
临空高度在24m及24m以上时,栏杆高度不应低于1.10m。
1.2 靠梯井侧水平扶手长度超过0.5m时,其高度不小于1.05m。
1.3 护窗栏杆从可踏面起算不小于900。
2、栏杆的安装:
2.1栏杆(板)的施工前先做样板,完成所有类型式样的施工样板,经甲
方监理检查合格后,方可进行大面积安装。
2.2安装时应与土建单位办理好控制标高的交接。
2.3栏杆安装过程中,如后置埋件处土建已抹灰,必须进行切割再打凿,
不得扰动抹灰层。
2.4栏杆安装所埋设的连接固定铁件,施工时应控制其不得凸出抹灰面
层,应低于抹灰完成面10mm,避免铁件锈蚀反渗而造成墙面锈斑。
2.5栏杆(板)的安装位置、栏杆形状、分割尺寸等必须符合设计要求。
护杆高度、栏杆间距、安装位置必须符合设计及规范要求。
2.6连续两个楼层,同一部位栏杆竖向偏差不大于10mm。
2.7栏杆金属表面应光滑细腻,无形变,拐角处及接头处的焊口应吻合密
实,弯拐角圆顺光滑,弧形扶手弧线自然流畅。
金属栏杆,扶手连接处的焊口表面、形状、平整度、光洁度、色泽同连接件一致。
2.8栏杆应固定牢固,无松动,可靠,安全,栏杆应以坚固耐久,并能承
受设计及规范规定的水平荷载;
2.9栏杆应按设计及规范要求做好防雷接地,且经隐蔽工程验收合格才进
进行隐蔽。
3、栏杆除锈及油漆:
3.1栏杆制作前钢材表面应进行喷砂(抛丸)除锈处理,不得用手工除
锈代替,除锈质量等级应达到国标GB8923中Sa2.5级标准。
3.2所有外露金属构件均作防锈处理。
3.3室内钢栏杆(包括楼梯栏杆、飘窗栏杆、护窗栏杆):金属表面采用
醇酸磁漆,做法及油漆遍数按设计图纸及相应图集。
3.4室外钢栏杆(阳台栏杆、露台栏杆、入户花园栏杆、屋面栏杆):
除底漆改为环氧富锌底漆2遍外,其余油漆做法与室内栏杆相同,
3.5油漆颜色均匀一致表面无剥落、划痕,栏杆漆膜表面不得有龟裂、
漏涂、折皱、流坠、鼓泡等现象。
3.6栏杆颜色具体色卡、色号由中标单位报甲方规划设计部书面确定。
4、楼梯,阳台,露台,上人屋面等栏杆顶部水平荷载不小于1KN/M。
四、在大面积施工前必须先作样板,待各方验收合格后进行后续施工。
五、未尽事宜按国家、地方、行业相关现行规范规程及标准执行。
投标方应对招标方提供的型材等进行复核计算,确保满足安全、经济的要求,并对工程质量负全部责任。
投标单位可对上述技术要求及图纸提出优化意见,并对工程质量负责。
其合理化建议将在评标时予以考虑.。