5S管理表格大全(9个xls,7个doc)9
- 格式:doc
- 大小:29.50 KB
- 文档页数:2
5s管理表格大全(汇编)目录1、办公室5S检查表2、5S办公室每日清扫安排表3、5S不需要物品处理登记表4、5S会议记录表5、5S活动改善记录表6、5S活动改善通知单7、5S活动概况年表8、5S活动红色单9、5S活动检查表10、5S活动评分规定11、5S活动日常巡回检查表12、5S活动走廊看板13、5S检查评价表汇编14、5S纠正和预防措施改善书15、5S每日清扫值日表16、5S内部审核不符合项纠正表17、制定5S培训计划书18、5S清洁检核要点及评价表19、5S清洁自我查核表20、5S清扫检查要点21、5S清扫检核要点及评价表22、5S清扫时间安排表23、5S清扫时检查对策表24、5S清扫自我查核表25、5S区分必需品和非必需品26、5S上级巡回诊断表27、5S审核计划书28、5S审核总结报告29、生产现场5S检查表30、5S生产现场日常检查表31、5S素养检核要点及评价表32、5S素养自我查核表33、5S推进步骤图34、5S推行计划表35、5S问题改善通知单36、5S需要和不需要基准37、5S需要物品与不需要物品统计表38、5S要与不要清单表39、5S异常情况公布表40、5S异常情况汇总表41、5S运动12种浪费及改善提示42、5S运动审核标准及评估表43、5S运动推进计划书44、5S整顿检核要点及评价表45、5S整顿自我查核表46、5S整理检核要点及评价表47、5S整理整顿标准要求汇编(中英文)48、5S整理自我查核表49、5S制定办公室礼仪守则50、7S整理整顿标准及要求(中英文)51、办公区7S整理实施标准及要求(中英文)52、办公室5S活动标准表53、办公室5S活动清扫值日表54、办公室5S检查表55、仓库整理整顿标准(中英文)56、成立5S推进委员会57、生产车间5S实施计划58、生产车间整理整顿标准(中英文)59、生产现场5S检查表60、生活及公共区7S整理实施标准及要求61、整理和整顿活动检查表62、整理和整顿效果检查表63、清扫、清洁活动检查表64、清扫、清洁效果检查表65、修养效果检查表66、5S 审核清单67、5S整理保管场所分析表68、5S评分表69、5S申诉表70、各部门5S查检表范例办公室5S检查表活动检查内容配分得分缺点事项整理是否定期实施红牌作战(清除不必要物品) 4 有无档案规定,并被清楚了解 2 桌子、文件架是否为必要的最低限度 4 是否“没有必要的隔间”影响现场视野 2 桌子、文件架、通路是否有划分间隔 3小计15整顿建档规定是否确实执行 3 文件等是否有实施性定位化(颜色、斜线) 4 需要的文件、碟片、软件能否马上取出 2 书柜、书架是否有管理责任者 2 购置品有无规定放置处,并做补充规定 4小计15清扫地面上、桌面上是否杂乱 3 垃圾桶是否积得满满的 3 管路、配线是否杂乱 3 供应开水处有无管理者表示 3 墙壁、玻璃是否保持干净 3小计15清洁办公设备有否保持干净 3抽屉内是否杂乱 3 私人物品有无依规定放置 3 下班时桌面上是否整齐 3 门窗、天花板、玻璃、墙壁是否有灰尘 3小计15素养是否遵照规定穿着服装 3 待人接物是否热情,用语是否礼貌 3 接电话人不在,是否留有备忘记录 3 有无文件分发及传阅规则 3 晨操是否积极参加 3小计15评语5S办公室每日清扫安排表5S活动区域区域责任人值日检查内容电脑区机器是否干净、无灰尘检查区作业台、作业场所是否整齐计测区计测器摆放是否整齐,柜面是否保持干净休息区地面是否无杂物,休息凳是否整齐治具区治具是否摆放整齐、干净地面是否无杂物,除不良品外是否无其他零不良区件和杂物零件规格书柜内零件是否摆放整齐、标识明确文件柜及其他文件柜内是否干净,物品摆放是否整齐备注:1.此表的5S是由担当者每天进行实施。
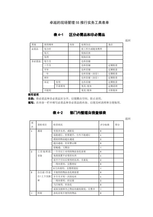
卓越的现场管理5S推行实务工具表单表4-1 区分必需品和非必需品返回使用说明目的:将必需品和非必需品区分开,以便腾出空间,防止误用。
填写:在内容一栏中填写必需品和非必需品的内容,以便及时清理和方便取用。
表4-2 部门内整理自我查核表返回使用说明目的:在推动整理的过程中,除了拟定详尽的计划和活动办法外,每一项均要定期检查,加以控制,确保整理活动持续进行。
说明:查检的项目共有5项,每一项里边又分若干项,并配以不同的分值,请检查部门根据内部的具体情况,在得分一栏里打勾,最后再统计总数。
表5-1 部门内整顿自我查核表返回使用说明目的:在推动整顿的过程中,除了拟定详尽的计划和活动办法外,每一项均要定期检查,加以控制,确保整顿活动持续进行。
说明:查检的项目共有5项,每一项里边又分若干项,并配以不同的分值,请检查部门根据内部的具体情况,在得分一栏里打勾,最后再统计总数。
表6-1 部门内清扫自我查核表返回使用说明目的:在推动清扫的过程中,除了拟定详尽的计划和活动办法外,每一项均要定期检查,加以控制,确保清扫活动持续进行。
说明:查检的项目共有5项,每一项里边又分若干项,并配以不同的分值,请检查部门根据内部的具体情况,在得分一栏里打勾,最后再统计总数。
表6-2 每日清扫值日表返回表7-1 部门内清洁自我查核表返回使用说明目的:在推动清洁的过程中,除了拟定详尽的计划和活动办法外,每一项均要定期检查,加以控制,确保清洁活动持续进行。
说明:查检的项目共有5项,每一项里边又分若干项,并配以不同的分值,请检查部门根据内部的具体情况,在得分一栏里打勾,最后再统计总数。
表8-1 部门内素养自我查核表返回使用说明目的:在推动素养的过程中,除了拟定详尽的计划和活动办法外,每一项均要定期检查,加以控制,确保员工养成习惯。
说明:查检的项目共有5项,每一项里边又分若干项,并配以不同的分值,请检查部门根据内部的具体情况,在得分一栏里打勾,最后再统计总数。
精心整理整理分项检核要点分值评价项目得分整改措施1 通道上东西0 随意放置,影响通行或垃圾遍地。
虽能通行,但要搬移,推车不能过。
放置物品,超出通行道。
虽有东西放置或超越通路,但有警示。
无任何东西阻碍安全通行。
12342 作业场所产品材料工模具零件0 一个月以上不用的东西杂乱放置。
角落里堆放不要的东西。
以不妨碍地放置,暂时不使用的东西。
已按照标准实施管理,但不彻底。
无任何不需要的东西放置。
12343 柜、货架内或上面0 有垃圾及杂物堆放,且杂乱。
有损坏或不能使用的零件或工模具。
可以使用和不使用的东西区别管理。
没有无使用价值的东西存放。
按使用频率和用途分类标识管理。
12344 桌子上下或抽屉仓库0 不使用东西或资、材料杂乱放置。
放置着各种不使用的东西。
放置几乎半个月才使用一次的东西。
虽未达到规定标准,但均分类管理。
只放置每天使用及最低限度的东西。
12345 仓库0 物品塞满杂乱,连行走都不畅通。
物品随便放置,不分类管理。
大致有分类定位,但无标识。
物品定位标识管理,但进出不方便。
任何人\任何时间都容易判断,且仓管员随时都能报出物品存放位置。
1234整顿分项检核要点配分评价项目得分整改措施1 设备仪器0 锈或不能使用的,都杂乱放置。
能使用与不能使用的都放在一起。
能使用的与不能使用的,均注明标识放置。
按使用频率及精密度分类管理。
在任何时间、任何人都能正常使用,处于一目了然状态。
12342 工模具0 同上。
同上。
同上。
12等 3 制作图形标识定位,以目视管理明晰。
不但任何人都一目了然,且用毕维护保养归位。
43 零部件产品材料等0 不良品与良品放在同一区域。
不良品与良品虽分开放置,但无标识。
物品虽标识定位,但未考虑物品的定位安全。
产品柜、货架、桌面物品,放置定位标识。
以图形定位标识管理,使任何人都一目了然。
12344 图纸0 作废图纸与有效图纸存放一处。
以文件夹、图纸柜区分管理,但无标识。
虽然存放标识清楚,但未采用保护措施。
WORD格式整理分项检核要点分值评价项目得分整改措施0随意放置,影响通行或垃圾遍地。
虽能通行,但要搬移,推车不能过。
通道上1放置物品,超出通行道。
12 东西虽有东西放置或超越通路,但有警示。
3无任何东西阻碍安全通行。
4作业场所0一个月以上不用的东西杂乱放置。
1角落里堆放不要的东西。
产品材料22工模具以不妨碍地放置,暂时不使用的东西。
已按照标准实施管理,但不彻底。
零件3无任何不需要的东西放置。
43 柜、货架内或上面0有垃圾及杂物堆放,且杂乱。
1有损坏或不能使用的零件或工模具。
2可以使用和不使用的东西区别管理。
没有无使用价值的东西存放。
3按使用频率和用途分类标识管理。
44 桌子上下或抽屉仓库0不使用东西或资、材料杂乱放置。
放置着各种不使用的东西。
放置几乎半个月才使用一次的东西。
虽未达到规定标准,但均分类管理。
只放置每天使用及最低限度的东西。
12340物品塞满杂乱,连行走都不畅通。
1物品随便放置,不分类管理。
5 仓库23大致有分类定位,但无标识。
物品定位标识管理,但进出不方便。
任何人任何时间都容易判断,且仓管员随时都4整理分项检核要点分值评价项目得分整改措施0随意放置,影响通行或垃圾遍地。
虽能通行,但要搬移,推车不能过。
通道上1放置物品,超出通行道。
12 东西虽有东西放置或超越通路,但有警示。
3无任何东西阻碍安全通行。
4作业场所0一个月以上不用的东西杂乱放置。
1角落里堆放不要的东西。
产品材料22工模具以不妨碍地放置,暂时不使用的东西。
已按照标准实施管理,但不彻底。
零件3无任何不需要的东西放置。
43 柜、货架内或上面0有垃圾及杂物堆放,且杂乱。
1有损坏或不能使用的零件或工模具。
2可以使用和不使用的东西区别管理。
没有无使用价值的东西存放。
3按使用频率和用途分类标识管理。
44 桌子上下或抽屉仓库0不使用东西或资、材料杂乱放置。
放置着各种不使用的东西。
放置几乎半个月才使用一次的东西。
虽未达到规定标准,但均分类管理。
整理分项检核要点分值评价项目得分整改措施1 通道上东西0 随意放置,影响通行或垃圾遍地。
虽能通行,但要搬移,推车不能过。
放置物品,超出通行道。
虽有东西放置或超越通路,但有警示。
无任何东西阻碍安全通行。
12342 作业场所产品材料工模具零件0 一个月以上不用的东西杂乱放置。
角落里堆放不要的东西。
以不妨碍地放置,暂时不使用的东西。
已按照标准实施管理,但不彻底。
无任何不需要的东西放置。
12343 柜、货架内或上面0 有垃圾及杂物堆放,且杂乱。
有损坏或不能使用的零件或工模具。
可以使用和不使用的东西区别管理。
没有无使用价值的东西存放。
按使用频率和用途分类标识管理。
12344 桌子上下或抽屉仓库0 不使用东西或资、材料杂乱放置。
放置着各种不使用的东西。
放置几乎半个月才使用一次的东西。
虽未达到规定标准,但均分类管理。
只放置每天使用及最低限度的东西。
12345 仓库0 物品塞满杂乱,连行走都不畅通。
物品随便放置,不分类管理。
大致有分类定位,但无标识。
物品定位标识管理,但进出不方便。
任何人\任何时间都容易判断,且仓管员随时都能报出物品存放位置。
1234整顿分项检核要点配分评价项目得分整改措施1 设备仪器0 锈或不能使用的,都杂乱放置。
能使用与不能使用的都放在一起。
能使用的与不能使用的,均注明标识放置。
按使用频率及精密度分类管理。
在任何时间、任何人都能正常使用,处于一目了然状态。
12342 工模具等0 同上。
同上。
同上。
制作图形标识定位,以目视管理明晰。
不但任何人都一目了然,且用毕维护保养归位。
12343 零部件产品材料等0 不良品与良品放在同一区域。
不良品与良品虽分开放置,但无标识。
物品虽标识定位,但未考虑物品的定位安全。
产品柜、货架、桌面物品,放置定位标识。
以图形定位标识管理,使任何人都一目了然。
12344 图纸0 作废图纸与有效图纸存放一处。
以文件夹、图纸柜区分管理,但无标识。
虽然存放标识清楚,但未采用保护措施。
5s管理表格大全(汇编)目录1、办公室5S检查表2、5S办公室每日清扫安排表3、5S不需要物品处理登记表4、5S会议记录表5、5S活动改善记录表6、5S活动改善通知单7、5S活动概况年表8、5S活动红色单9、5S活动检查表10、5S活动评分规定11、5S活动日常巡回检查表12、5S活动走廊看板13、5S检查评价表汇编14、5S纠正和预防措施改善书15、5S每日清扫值日表16、5S内部审核不符合项纠正表17、制定5S培训计划书18、5S清洁检核要点及评价表19、5S清洁自我查核表20、5S清扫检查要点21、5S清扫检核要点及评价表22、5S清扫时间安排表23、5S清扫时检查对策表24、5S清扫自我查核表25、5S区分必需品和非必需品26、5S上级巡回诊断表27、5S审核计划书28、5S审核总结报告29、生产现场5S检查表30、5S生产现场日常检查表31、5S素养检核要点及评价表32、5S素养自我查核表33、5S推进步骤图34、5S推行计划表35、5S问题改善通知单36、5S需要和不需要基准37、5S需要物品与不需要物品统计表38、5S要与不要清单表39、5S异常情况公布表40、5S异常情况汇总表41、5S运动12种浪费及改善提示42、5S运动审核标准及评估表43、5S运动推进计划书44、5S整顿检核要点及评价表45、5S整顿自我查核表46、5S整理检核要点及评价表47、5S整理整顿标准要求汇编(中英文)48、5S整理自我查核表49、5S制定办公室礼仪守则50、7S整理整顿标准及要求(中英文)51、办公区7S整理实施标准及要求(中英文)52、办公室5S活动标准表53、办公室5S活动清扫值日表54、办公室5S检查表55、仓库整理整顿标准(中英文)56、成立5S推进委员会57、生产车间5S实施计划58、生产车间整理整顿标准(中英文)59、生产现场5S检查表60、生活及公共区7S整理实施标准及要求61、整理和整顿活动检查表62、整理和整顿效果检查表63、清扫、清洁活动检查表64、清扫、清洁效果检查表65、修养效果检查表66、5S 审核清单67、5S整理保管场所分析表68、5S评分表69、5S申诉表70、各部门5S查检表范例办公室5S检查表活动检查内容配分得分缺点事项整理是否定期实施红牌作战(清除不必要物品) 4 有无档案规定,并被清楚了解 2 桌子、文件架是否为必要的最低限度 4 是否“没有必要的隔间”影响现场视野 2 桌子、文件架、通路是否有划分间隔 3小计15整顿建档规定是否确实执行 3 文件等是否有实施性定位化(颜色、斜线) 4 需要的文件、碟片、软件能否马上取出 2 书柜、书架是否有管理责任者 2 购置品有无规定放置处,并做补充规定 4小计15清扫地面上、桌面上是否杂乱 3 垃圾桶是否积得满满的 3 管路、配线是否杂乱 3 供应开水处有无管理者表示 3 墙壁、玻璃是否保持干净 3小计15清洁办公设备有否保持干净 3抽屉内是否杂乱 3 私人物品有无依规定放置 3 下班时桌面上是否整齐 3 门窗、天花板、玻璃、墙壁是否有灰尘 3小计15素养是否遵照规定穿着服装 3 待人接物是否热情,用语是否礼貌 3 接电话人不在,是否留有备忘记录 3 有无文件分发及传阅规则 3 晨操是否积极参加 3小计15评语5S办公室每日清扫安排表5S活动区域区域责任人值日检查内容电脑区机器是否干净、无灰尘检查区作业台、作业场所是否整齐计测区计测器摆放是否整齐,柜面是否保持干净休息区地面是否无杂物,休息凳是否整齐治具区治具是否摆放整齐、干净地面是否无杂物,除不良品外是否无其他零不良区件和杂物零件规格书柜内零件是否摆放整齐、标识明确文件柜及其他文件柜内是否干净,物品摆放是否整齐备注:1.此表的5S是由担当者每天进行实施。
(附表
一)五S作业检查表口自主检查□外部稽核
受检部门: 外部稽核部门(自主检查免填): 检查日期:年月日
受检部门: 外部稽核部门(自主检查免填): 检查日期:年月日
废弃物分类作业检篁表
口外部稽核
受检部门: 外部稽核部门(自主检查免填): 检查日期:年月日
废弃物分类作照检鳖表
口外部稽核
受检部门: 外部稽核部门(自主检查免填): 检查日期:年月日
(附表三)
环境设施请修(请购)跟催表
(附表四)
(附表五)五S巡查评核表
评核人
员:
废弃物分类巡查评核表 五S 及废弃物分类异常通知及改善跟催表
部门收到本通知单后,
应r
・周内回复院区
五S 及废弃物分类异常通知及改善跟催表
案号: 责任部门: 拍照日: 年
部门收到本通知单后,
应于一周
表
附:
(⅛:
五S 及废弃物分类异常通知及改善跟催表
部门收到本通知单后
,
应于一周内回复院区
(附表八).及废弃物分类评核异常管制跟催表。
精选文档整理分项检核重点分值通道上112东西34作业场所0 1产品资料22工模具3零件4柜、货架132内或上边34桌子上下1 4或抽屉2库房3415库房234评论项目得整顿举措分任意搁置 , 影响通行或垃圾遍地。
虽能通行 , 但要搬移 , 推车不可以过。
搁置物件 , 高出通行道。
虽有东西搁置或超越通路, 但有警告。
无任何东西阻挡安全通行。
一个月以上不用的东西凌乱搁置。
角落里堆放不要的东西。
以不阻碍地搁置,临时不使用的东西。
已依据标准实行管理 , 但不完全。
无任何不需要的东西搁置。
有垃圾及杂物堆放 , 且凌乱。
有破坏或不可以使用的零件或工模具。
能够使用和不使用的东西差别管理。
没有无使用价值的东西寄存。
按使用频次和用途分类表记管理。
不使用东西或资、资料凌乱搁置。
搁置着各样不使用的东西。
搁置几乎半个月才使用一次的东西。
虽未达到规定标准 , 但均分类管理。
只搁置每日使用及最低限度的东西。
物件塞满凌乱 , 连行走都不通畅。
物件随意搁置 , 不分类管理。
大概有分类定位 , 但无表记。
物件定位表记管理 , 但出入不方便。
任何人任何时间都简单判断 , 且仓管员随时都能报出物件寄存地点。
整顿分项检核要配评论项目得分整顿举措点分0锈或不可以使用的,都凌乱搁置。
1能使用与不可以使用的都放在一同。
1设备2能使用的与不可以使用的,均注明表记搁置。
仪器3按使用频次及精细度分类管理。
4在任何时间、任何人都能正常使用,处于一目了然状态。
2工0同上。
模1具2等34零零件1 3产品2资料等341 4图纸2341文件23 5图书4资料精选文档同上。
同上。
制作图形表记定位,以目视管理清楚。
不只任何人都了如指掌,且用毕保护养护归位。
不良品与良品放在同一地区。
不良品与良品虽分开搁置,但无表记。
物件虽表记定位,但未考虑物件的定位安全。
产品柜、货架、桌面物件,搁置定位表记。
以图形定位表记管理,使任何人都了如指掌。
作废图纸与有效图纸寄存一处。
以文件夹、图纸柜划分管理,但无表记。
5S标准表格格式大全
1、红牌作战追踪记录表
部门:责任人:区域:
2、人员去向显示板
注:①、离开岗位人员填写;②、返回后擦掉。
3、物品清单
车间班组工具箱
4、文件/资料标识
注:斜线统一用蓝线,宽0.05厘米。
5、外出必备物品查核表
8、清扫值日表
9、5S培训计划
10、5S责任标签
11、班组5S评比宣传栏样式
12、各部门(班组)问题点改善表
13、心情管理板
注:心情可分高兴(红色)、平常(蓝色)、不高兴(黄色)三种,用磁扣表示。
必须在班会前做好。
14、库存物品揭示板
15、人员配置管理板
16、新员工介绍板
17、工模具交换管理板
18、设备管理板
保全类型保全周期保管员
最近故障
时间及内
容
备注
19、发货状态管理板
序号日期交货客户
A B C D
B
2、将每个客户给予代号,制成牌子;
3、已交货的将牌子翻转(正反面颜色不同),即可一目了然。
5s管理表格大全5s管理表格大全(汇编)目录1、办公室5S检查表2、5S办公室每日清扫安排表3、5S不需要物品处理登记表4、5S会议记录表5、5S活动改善记录表6、5S活动改善通知单7、5S活动概况年表8、5S活动红色单9、5S活动检查表10、5S活动评分规定11、5S活动日常巡回检查表12、5S活动走廊看板13、5S检查评价表汇编14、5S纠正和预防措施改善书15、5S每日清扫值日表16、5S内部审核不符合项纠正表17、制定5S培训计划书18、5S清洁检核要点及评价表19、5S清洁自我查核表20、5S清扫检查要点21、5S清扫检核要点及评价表22、5S清扫时间安排表23、5S清扫时检查对策表24、5S清扫自我查核表25、5S区分必需品和非必需品26、5S上级巡回诊断表27、5S审核计划书28、5S审核总结报告29、生产现场5S检查表30、5S生产现场日常检查表31、5S素养检核要点及评价表32、5S素养自我查核表33、5S推进步骤图34、5S推行计划表35、5S问题改善通知单36、5S需要和不需要基准37、5S需要物品与不需要物品统计表38、5S要与不要清单表39、5S异常情况公布表40、5S异常情况汇总表41、5S运动12种浪费及改善提示42、5S运动审核标准及评估表43、5S运动推进计划书44、5S整顿检核要点及评价表45、5S整顿自我查核表46、5S整理检核要点及评价表47、5S整理整顿标准要求汇编(中英文)48、5S整理自我查核表49、5S制定办公室礼仪守则50、7S整理整顿标准及要求(中英文)51、办公区7S整理实施标准及要求(中英文)52、办公室5S活动标准表53、办公室5S活动清扫值日表54、办公室5S检查表55、仓库整理整顿标准(中英文)56、成立5S推进委员会57、生产车间5S实施计划58、生产车间整理整顿标准(中英文)59、生产现场5S检查表60、生活及公共区7S整理实施标准及要求61、整理和整顿活动检查表62、整理和整顿效果检查表63、清扫、清洁活动检查表64、清扫、清洁效果检查表65、修养效果检查表66、5S 审核清单67、5S整理保管场所分析表68、5S评分表69、5S申诉表70、各部门5S查检表范例办公室5S检查表5S办公室每日清扫安排表5S不需要物品处理登记表5S会议记录表时间:__________________________________________________ 地点:__________________________________________________ 参加人员:______________________________________________ 记录:__________________________________________________使用说明目的:对会议进行记录,以便及时总结会议,并向有关人员颁布,传达会议精神,对会议中讨论的问题进行会后跟踪,滞后项目采取对策。