绝缘子标准精选(最新)
- 格式:pdf
- 大小:76.81 KB
- 文档页数:4
复合绝缘子试验标准复合绝缘子是电力系统中重要的组成部分,其性能的稳定性和可靠性对电网运行具有重要意义。
为了确保复合绝缘子的质量和可靠性,需要进行一系列的试验来验证其性能是否符合标准要求。
本文将介绍复合绝缘子试验的标准内容,以及试验过程中需要注意的事项。
首先,复合绝缘子的试验标准主要包括以下几个方面,外观检查、尺寸检验、机械性能试验、电气性能试验、环境适应性试验等。
外观检查主要是针对复合绝缘子的外观质量进行检验,包括表面是否有裂纹、气泡、污渍等缺陷,以及漆层是否完整、平整。
尺寸检验则是对复合绝缘子的尺寸进行测量,确保其符合设计要求。
机械性能试验主要包括拉伸试验、弯曲试验等,以验证复合绝缘子在机械载荷下的性能。
电气性能试验则是对复合绝缘子的击穿电压、介质损耗等电气性能进行检验。
环境适应性试验则是模拟复合绝缘子在不同环境条件下的性能,包括高温、低温、湿热等试验。
在进行复合绝缘子试验时,需要注意以下几点。
首先,试验前需要对试验设备进行校准,确保其准确可靠。
其次,应严格按照试验标准的要求进行试验操作,确保试验过程的准确性和可重复性。
另外,应对试验样品进行充分的准备,包括标识、存储、运输等环节,确保试验样品的完整性和代表性。
最后,在试验结果的评定过程中,需要进行合理的数据分析和处理,确保评定结果的客观性和准确性。
综上所述,复合绝缘子的试验标准涉及多个方面,包括外观、尺寸、机械性能、电气性能、环境适应性等内容。
在进行试验时,需要严格按照标准要求进行操作,并注意试验设备的校准、试验样品的准备以及试验结果的评定。
通过合理有效的试验,可以确保复合绝缘子的质量和可靠性,为电力系统的安全稳定运行提供保障。
绝缘材料标准精选(最新)G1303.1《GB/T 1303.1-2009 电气用热固性树脂工业硬质层压板;定义、分类和一般要求》G1303.2《GB/T 1303.2-2009 电气用热固性树脂工业硬质层压板:试验方法》G1303.3《GB/T 1303.3-2008 电气用热固性树脂工业硬质层压板:工业硬质层压板型号》G1303.4《GB/T 1303.4-2009 电气用热固性树脂工业硬质层压板:环氧树脂硬质层压板》G1303.6《GB/T 1303.6-2009 电气用热固性树脂工业硬质层压板:酚醛树脂硬质层压板》G1303.7《GB/T 1303.7-2009 电气用热固性树脂工业硬质层压板:聚酯树脂硬质层压板》G1303.8《GB/T 1303.8-2009 电气用热固性树脂工业硬质层压板:有机硅树脂硬质层压板》G1303.9《GB/T 1303.9-2009 电气用热固性树脂工业硬质层压板:聚酰亚胺树脂硬质层压板》G1303.10《GB/T 1303.10-2009 电气用热固性树脂工业硬质层压板:双马来酰亚胺树脂硬质层压板》G1303.11《GB/T 1303.11-2009 电气用热固性树脂工业硬质层压板:聚酰胺酰亚胺树脂硬质层压板》G1310.1《GB/T 1310.1-2006 电气用浸渍织物 第1部分:定义和一般要求》G1310.2《GB/T 1310.2-2009 电气用浸渍织物 第2部分:试验方法》G1408.1《GB/T 1408.1-2006 绝缘材料电气强度试验方法 第1部分:工频下试验》G1408.2《GB/T 1408.2-2006 绝缘材料电气强度试验方法 第2部分:对应用直流电压试验的附加要求》G1408.3《GB/T 1408.3-2007 绝缘材料电气强度试验方法:1.2/50μs脉冲试验补充要求》G1409《GB/T 1409-2006 测量电气绝缘材料在工频、音频、高频下电容率和介质损耗冈数的推荐方法》G1410《GB/T 1410-2006 固体绝缘材料体积电阻率和表面电阻率试验方法》G1411《GB/T1411-2002 干固体绝缘材料:耐高电压、小电流电弧放电的试验》 G1913.1《GB/T1913.1-2005 未漂浸渍绝缘纸》G1981.1《GB/T 1981.1-2007 电气绝缘用漆 第1部分:定义和一般要求》G1981.2《GB/T 1981.2-2009 电气绝缘用漆 第2部分:试验方法》G1981.3《GB/T 1981.3-2009 电气绝缘用漆 第3部分:热固化浸渍漆通用规范》G1981.4《GB/T 1981.4-2009 电气绝缘用漆 第4部分:聚酯亚胺浸渍漆》G1981.5《GB/T 1981.5-2009 电气绝缘用漆 第5部分:快固化节能型三聚氰胺醇酸浸渍漆》G2536《GB 2536-2011 电工流体 变压器和开关用的未使用过的矿物绝缘油》G4109《GB/T 4109-2008 交流电压高于1000V的绝缘套管》G4207《GB/T 4207-2012 固体绝缘材料耐电痕化指数和相比电痕化指数的测定方法》G4588.12《GB/T4588.12-2000 预制内层层压板规范》G5019.1《GB/T 5019.1-2009 以云母为基的绝缘材料:定义和一般要求》G5019.2《GB/T 5019.2-2009 以云母为基的绝缘材料:试验方法》G5019.3《GB/T 5019.3-2009 以云母为基的绝缘材料:换向器隔板和材料》G5019.4《GB/T 5019.4-2009 以云母为基的绝缘材料:云母纸》G5019.5《GB/T 5019.5-2014 以云母为基的绝缘材料 第5部分:电热设备用云母板》G5019.6《GB/T 5019.6-2007 以云母为基的绝缘材料:聚酯薄膜补强B阶环氧树脂粘合云母带》G5019.7《GB/T 5019.7-2009 以云母为基的绝缘材料:真空压力浸渍(VPI)用玻璃布及薄膜补强环氧树脂粘合云母带》G5019.8《GB/T 5019.8-2009 以云母为基的绝缘材料:玻璃布补强B阶环氧树脂粘合云母带》G5019.9《GB/T 5019.9-2009 以云母为基的绝缘材料:单根导线包绕用环氧树脂粘合聚酯薄膜云母带》G5019.10《GB/T 5019.10-2009 以云母为基的绝缘材料:耐火安全电缆用云母带》G5019.11《GB/T 5019.11-2009 以云母为基的绝缘材料:塑型云母板》G5132.1《GB/T 5132.1-2009 电气用热固性树脂工业硬质圆形层压管和棒 第1部分:一般要求》G5132.2《GB/T 5132.2-2009 电气用热固性树脂工业硬质圆形层压管和棒 第2部分:试验方法》G5132.5《GB/T 5132.5-2009 电气用热固性树脂工业硬质圆形层压管和棒 第5部分:圆形层压模制棒》G5591.1《GB/T5591.1-2002 电气绝缘用柔软复合材料:定义和一般要求》G5591.2《GB/T5591.2-2002 电气绝缘用柔软复合材料:试验方法》G5591.3《GB/T 5591.3-2008 电气绝缘用柔软复合材料:单项材料规范》G5654《GB/T 5654-2007 液体绝缘材料 相对电容率、介质损耗因数和直流电阻率的测量》G6553《GB/T 6553-2014 严酷环境条件下使用的电气绝缘材料 评定耐电痕化和蚀损的试验方法》G6554《GB/T6554-2003 电气绝缘用树脂基反应复合物:电气绝缘涂敷粉末试验方法》G7113.1《GB/T 7113.1-2014 绝缘软管 第1部分:定义和一般要求》G7113.2《GB/T 7113.2-2014 绝缘软管 第2部分:试验方法》G7113.3《GB/T 7113.3-2011 绝缘软管第3部分:聚氯乙烯玻璃纤维软管》G7113.4《GB/T 7113.4-2011 绝缘软管第4部分:丙烯酸酯玻璃纤维软管》G7113.5《GB/T 7113.5-2011 绝缘软管第5部分:硅橡胶玻璃纤维软管》G7113.6《GB/T 7113.6-2011 绝缘软管第6部分:聚氨脂(PUR)玻璃纤维软管》 G7196《GB/T 7196-2012 用液体萃取测定电气绝缘材料离子杂质的试验方法》 G7969《GB7969-2003 电力电缆纸》G8411.1《GB/T 8411.1-2008 陶瓷和玻璃绝缘材料 第1部分:定义和分类》G8411.2《GB/T 8411.2-2008 陶瓷和玻璃绝缘材料 第2部分:试验方法》G8411.3《GB/T 8411.3-2009 陶瓷和玻璃绝缘材料 第3部分:材料性能》G9331《GB/T 9331-2008 船舶电气装置 额定电压1kV和3kV挤包绝缘非径向电场单芯和多芯电力电缆》G10064《GB/T 10064-2006 测定固体绝缘材料绝缘电阻的试验方法》G10065《GB/T 10065-2007 绝缘液体在电应力和电离作用下的析气性测定方法》G10297《GB/T10297-1998 非金属固体材料导热系数的测定热线法》G10580《GB/T 10580-2015 固体绝缘材料在试验前和试验时采用的标准条件》 G10581《GB/T 10581-2006 绝缘材料在高温下电阻和电阻率的试验方法》G10582《GB/T 10582-2008 电气绝缘材料 测定因绝缘材料引起的电解腐蚀的试验方法》G11020《GB/T 11020-2005 固体非金属材料暴露在火焰源时的燃烧性试验方法清单》G11021《GB/T 11021-2014 电气绝缘 耐热性和表示方法》G11026.1《GB/T 11026.1-2003 确定电气绝缘材料耐热性:老化程序和试验结果的评定》G11026.2《GB/T 11026.2-2012 电气绝缘材料 耐热性 第2部分:试验判断标准的选择》G11026.3《GB/T 11026.3-2006 电气绝缘材料 耐热性 第3部分:计算耐热特征参数的规程》41.20G11026.4《GB/T 11026.4-2012 电气绝缘材料 耐热性 第4部分:老化烘箱 单室烘箱》G11026.5《GB/T 11026.5-2010 电气绝缘材料耐热性 第5部分:老化烘箱 温度达300℃的精密烘箱》G11026.6《GB/T 11026.6-2010 电气绝缘材料耐热性 第6部分:老化烘箱 多室烘箱》G11026.7《GB/T 11026.7-2014 电气绝缘材料 耐热性 第7部分:确定绝缘材料的相对耐热指数(RTE)》G11026.8《GB/T 11026.8-2014 电气绝缘材料 耐热性 第8部分:用固定时限法确定绝缘材料的耐热指数(TI和RTE)》G13542.1《GB/T 13542.1-2009 电气绝缘用薄膜:定义和一般要求》G13542.2《GB/T 13542.2-2009 电气绝缘用薄膜:试验方法》3G13542.3《GB/T 13542.3-2006 电气绝缘用薄膜:电容器用双轴定向聚丙烯薄膜》G13542.4《GB/T 13542.4-2009 电气绝缘用薄膜:聚酯薄膜》)G13542.6《GB/T 13542.6-2006 电气绝缘用薄膜:电气绝缘用聚酰亚胺薄膜》 G15022.1《GB/T 15022.1-2009 电气绝缘用树脂基活性复合物 第1部分:定义及一般要求》G15022.2《GB/T 15022.2-2007 电气绝缘用树脂基活性复合物 第2部分:试验方法》G15022.3《GB/T 15022.3-2011 电气绝缘用树脂基活性复合物第3部分:无填料环氧树脂复合物》G15022.4《GB/T 15022.4-2009 电气绝缘用树脂基活性复合物 第4部分:不饱和聚酯为基的浸渍树脂》G15022.5《GB/T 15022.5-2011 电气绝缘用树脂基活性复合物第5部分:石英填料环氧树脂复合物》G15022.6《GB/T 15022.6-2014 电气绝缘用树脂基活性复合物 第6部分:核电站1E级配电变压器绝缘用环氧浇注树脂》G16581《GB/T16581-1996 绝缘液体燃烧性能试验方法》G17430《GB/T17430-1998 绝缘材料最高使用温度的评估方法》G17623《GB/T17623-1998 绝缘油中溶解气体组分含量的气相色谱测定法》G19264.1《GB/T 19264.1-2011 电气用压纸板和薄纸板第1部分:定义和一般要求》G19264.2《GB/T 19264.2-2013 电气用压纸板和薄纸板 第2部分:试验方法》 G19264.3《GB/T 19264.3-2013 电气用压纸板和薄纸板 第3部分:压纸板》G20111.1《GB/T 20111.1-2015 电气绝缘系统 热评定规程 第1部分:通用要求 低压》G20111.2《GB/T 20111.2-2008 电气绝缘系统 热评定规程:通用模型的特殊要求 散绕绕组应用》G20111.3《GB/T 20111.3-2008 电气绝缘系统 热评定规程:包封线圈模型的特殊要求 散绕绕组电气绝缘系统(EIS)》G20112《GB/T 20112-2006 电气绝缘结构的评定与鉴别》G20113《GB/T 20113-2006 电气绝缘结构(EIS) 热分级》G20631.1《GB/T 20631.1-2006 电气用压敏胶粘带 第1部分:一般要求》G20631.2《GB/T 20631.2-2006 电气用压敏胶粘带 第2部分:试验方法》G20632.1《GB/T 20632.1-2006 电气用刚纸 第1部分:定义和一般要求》G20627.1《GB/T 20627.1-2006 玻璃及玻璃聚酯纤维机织带规范:定义、分类和一般要求》G20627.2《GB/T 20627.2-2006 玻璃及玻璃聚酯纤维机织带规范:试验方法》G20628.1《GB/T 20628.1-2006 电气用纤维素纸 第1部分:定义和一般要求》 G20628.2《GB/T 20628.2-2006 电气用纤维素纸 第2部分:试验方法》G20629.1《GB/T 20629.1-2006 电气用非纤维素纸 第1部分:定义和一般要求》G20629.2《GB/T 20629.2-2013 电气用非纤维素纸 第2部分:试验方法》G20630.1《GB/T 20630.1-2006 聚酯纤维机织带规范 第1部分:定义、名称和一般要求》G20630.2《GB/T 20630.2-2006 聚酯纤维机织带规范 第2部分:试验方法》G20631.2《GB/T 20631.2-2006 电气用压敏胶粘带 第2部分:试验方法》G20633.1《GB/T 20633.1-2006 承载印制电路板用涂料(敷形涂料)第1部分:定义、分类和一般要求》G20633.2《GB/T 20633.2-2011 承载印制电路板用涂料(敷形涂料)第2部分:试验方法》G20633.3《GB/T 20633.3-2011 承载印制电路板用涂料(敷形涂料)第3部分:一般用(1级)、高可靠性用(2级)和航空航天用(3级)涂料》G20634.1《GB/T 20634.1-2006 电气用非浸渍致密层压木:定义、命名和一般要求》G20634.2《GB/T 20634.2-2008 电气用非浸渍致密层压木:试验方法》G20634.3《GB/T 20634.3-2008 电气用非浸渍致密层压木:单项材料规范 由桦木薄片制成的板材》G20634.4《GB/T 20634.4-2008 电气用非浸渍致密层压木:单项材料规范 由桦木薄片制成的环材》G20875.1《GB/T 20875.1-2007 电气绝缘材料水解稳定性的试验方法 第1部分:塑料薄膜》G20875.2《GB/T 20875.2-2010 电气绝缘材料水解稳定性试验方法 第2部分:热固性模塑材料》G21212《GB/Z 21212-2007 薄膜开关用聚酯薄膜》G21213《GB/Z 21213-2007 无卤阻燃高强度玻璃布层压板》G21214《GB/Z 21214-2007 行输出变压器用聚酯薄膜》G21215《GB/Z 21215-2007 改性二苯醚玻璃布层压板》G21216《GB/T 21216-2007 绝缘液体 测量电导和电容确定介质损耗因数的试验方法》G21217.1《GB/T 21217.1-2007 电气用波纹纸板和薄纸板 第1部分:定义、命名及一般要求》G21218《GB/T 21218-2007 电气用未使用过的硅绝缘液体》G21221《GB/T 21221-2007 绝缘液体 以合成芳烃为基的未使用过的绝缘液体》 G21222《GB/T 21222-2007 绝缘液体 雷电冲击击穿电压测定方法》G21223《GB/T 21223-2007 老化试验数据统计分析导则 建立在正态分布的试验结果的平均值基础上的方法》G21224《GB/T 21224-2007 评定绝缘材料水树枝化的试验方法》G22470《GB/T 22470-2008 电气用环保型模塑料通用要求》G22471.2《GB/T 22471.2-2008 电气绝缘用树脂浸渍玻璃纤维网状无纬绑扎带 第2部分:试验方法》G22472《GB/T 22472-2008 仪表和设备部件用塑料的燃烧性测定》G22566.1《GB/T 22566.1-2008 电气绝缘系统 重复脉冲产生的电应力:电老化评定的通用方法》G22567《GB/T 22567-2008 电气绝缘材料 测定玻璃化转变温度的试验方法》G22578.1《GB/T 22578.1-2008 电气绝缘系统(EIS) 液体和固体组件的热评定 第1 部分:通用要求》G22579《GB/T 22579-2008 拟定用于电工设备中聚合性复合物最大允许温度清单的导则》G22689《GB/T 22689-2008 测定固体绝缘材料相对耐表面放电击穿能力的推荐试验方法》G23100《GB/T 23100-2008 电气用热固性树脂工业硬质玻璃纤维缠绕管》G23641《GB/T 23641-2009 电气用纤维增强不饱和聚酯模塑料(SMC/BMC)》G23642《GB/T 23642-2009 电气绝缘材料和系统 瞬时上升和重复冲击电压条件下的局部放电(PD)电气测量》G23756.1《GB/Z 23756.1-2009 电气绝缘系统耐电性评定:在正态分布基础上的评定程序和一般原理》G23756.2《GB/T 23756.2-2010 电气绝缘系统耐电寿命评定 第2部分:在极值分布基础上的评定程序》G24124《GB/T 24124-2009 C850系列酚醛棉布层压板》G25961《GB/T 25961-2010 电气绝缘油中腐蚀性硫的试验法》G26166《GB/T 26166-2010 ±800kV直流系统用穿墙套管》G26168.1《GB/T 26168.1-2010 电气绝缘材料 确定电离辐射的影响:辐射相互作用和剂量测定》G26168.2《GB/T 26168.2-2010 电气绝缘材料 确定电离辐射的影响:辐照和试验程序》G26168.3《GB/T 26168.3-2010 电气绝缘材料 确定电离辐射的影响:辐射环境下应用的分级体系》G26168.4《GB/T 26168.4-2010 电气绝缘材料 确定电离辐射的影响:运行中老化的评定程序》G26169《GB/T 26169-2010 电气绝缘材料耐电痕化和电蚀损的评定方法 旋转轮沉浸试验》G26170《GB/T 26170-2010 电气绝缘系统 热、电综合应力快速评定》G26668《GB/Z 26668-2011 电子电气产品材料声明》G27749《GB/T 27749-2011 绝缘漆耐热性试验规程电气强度法》G27750《GB/T 27750-2011 绝缘液体的分类》G28818《GB/Z 28818-2012 高电压下户外用聚合物材料的选用导则》G28820.1《GB/Z 28820.1-2012 聚合物长期辐射老化 第1部分:监测扩散限制氧化的技术》G28820.2《GB/Z 28820.2-2012 聚合物长期辐射老化 第2部分:预测低剂量率下老化的程序》G28820.3《GB/Z 28820.3-2012 聚合物长期辐射老化 第3部分:低压电缆材料在役监测程序》G29305《GB/T 29305-2012 新的和老化后的纤维素电气绝缘材料粘均聚合度的测量》G29306.1《GB/T 29306.1-2012 绝缘材料在300 MHz以上频率下介电性能测定方法 第1部分:总则》G29306.2《GB/T 29306.2-2012 绝缘材料在300 MHz以上频率下介电性能测定方法 第2部分:谐振法》G29310《GB/T 29310-2012 电气绝缘击穿数据统计分析导则》G29311《GB/T 29311-2012 电气绝缘材料 交流电压耐久性评定 通则》G29313《GB/T 29313-2012 电气绝缘材料热传导性能试验方法》G29627.1《GB/T 29627.1-2013 电气用聚芳酰胺纤维纸板 第1部分:定义、名称及一般要求》G29627.2《GB/T 29627.2-2013 电气用聚芳酰胺纤维纸板 第2部分:试验方法》G30546《GB/T 30546-2014 典型电气绝缘材料(EIM)对聚合物回收的适用性》 G31134《GB/T 31134-2014 电气用纤维增强环氧粉状模塑料(EP-PMC)》G31135《GB/T 31135-2014 电气用纤维增强不饱和聚酯粉状模塑料(UP-PMC)》 G31838.1《GB/T 31838.1-2015 固体绝缘材料 介电和电阻特性 第1部分:总则》GJ1581《GJB1581-1993 玻璃布/酚醛层合制品规范》GJ2895《GJB2895-1997 碳纤维复合材料层合板和层合件通用规范》GJ5008K《GJB5008-2001 K 高能电池用高紧度电绝缘纸带规范》GJ5246《GJB5246-2003 电气绝缘用树脂浸渍玻璃纤维无纬绑扎带规范》GJ5327《GJB5327-2004 聚酰亚胺薄膜(玻璃布)粉云母带规范》GJ7270Z《GJB7270-2011 军用热收缩电绝缘套管通用规范》GJ7271Z《GJB7271-2011 聚烯烃加厚双壁热收缩电绝缘套管规范》GJ7272Z《GJB7272-2011 柔软硅橡胶热收缩电绝缘套管通用规范》GJ7273Z《GJB7273-2011 柔软氟橡胶热收缩电绝缘套管通用规范》GJ7274Z《GJB7274-2011 耐油橡胶热收缩电绝缘套管规范》GJ7275Z《GJB7275-2011 聚四氟乙烯热收缩电绝缘套管规范》GJ7276Z《GJB7276-2011 聚全氟乙丙烯热收缩电绝缘套管规范》GJ7277Z《GJB7277-2011 聚烯烃热收缩标识套管规范》GJ7278Z《GJB7278-2011 氟聚合物热收缩高温标识套管规范》GJ7279Z《GJB7279-2011 柔软聚烯烃热收缩电绝缘套管通用规范》GJ7280Z《GJB7280-2011 半硬聚烯烃热收缩电绝缘套管规范》GJ7281Z《GJB7281-2011 低烟无卤阻然聚烯烃热收缩电绝缘套管规范》GJ7282Z《GJB7282-2011 氯化聚烯烃热收缩电绝缘套管规范》GJ7283Z《GJB7283-2011 聚烯烃双壁热收缩电绝缘套管规范》GJ7284Z《GJB7284-2011 柔软氟聚合物热收缩电绝缘套管规范》GJ7285Z《GJB7285-2011 半硬聚偏氟乙烯热收缩电绝缘套管规范》H7071《HB 7071-1994 碳纤维复合材料层合板边缘分层拉伸试验方法》DL285《DL/T 285-2012 矿物绝缘油腐蚀性硫检测法 裹绝缘纸铜扁线法》DL421《DL/T 421-2009 电力用油体积电阻率测定法》DL423《DL/T 423-2009 绝缘油中含气量测定方法 真空压差法》DL474《DL/T 474.1~5-2006 现场绝缘试验实施导则》DL702《DL/T702-1999 矿物绝缘油中糠醛含量测定方法》DL703《DL/T703-1999 绝缘油中含气量的气相色谱测定法》DL1001《DL/T 1001-2006 复合绝缘高压穿墙套管技术条件》J900《JB/T 900-2015 电气用衬垫云母板》J901《JB/T 901-2015 电气用云母箔》J1544《JB/T 1544-2015 电气绝缘浸渍漆和漆布快速热老化试验方法-热重点斜法》J3078《JB/T 3078-2015 电气绝缘用漆 有机硅浸渍漆》J3958.1《JB/T 3958.1-2015 电气用热固性模塑料 第1部分:一般要求》J5658《JB/T 5658-2015 电气用压敏胶黏带 涂橡胶或丙烯酸胶黏剂的聚酯薄膜胶黏带》J5659《JB/T 5659-2015 电气用压敏胶黏带 涂压敏胶黏剂的聚酰亚胺薄膜胶黏带》J5822《JB/T 5822-2015 电气用玻璃纤维增强酚醛模塑料》J6236《JB/T 6236-2015 电气绝缘用树脂浸渍玻璃纤维网状无纬绑扎带》J6488.6《JB/T6488.6-2002 云母带聚酰亚胺薄膜粉云母带》J7093《JB/T 7093-2015 绝缘软管 硅树脂玻璃纤维自熄管》J7100《JB/T 7100-2015 电气用柔软云母板》J8149.1《JB/T8149.1-2000 酚醛纸层压板》J8149.2《JB/T8149.2-2000 酚醛棉布层压板》J8630《JB/T8630~8631-1997 用差示扫描量热法测定电气绝缘材料的热性能》 J9556《JB/T 9556-2015 电气绝缘用漆 常温固化覆盖漆通用规范》J10322.1《JB/T10322.1-2002 电工用树脂浸渍玻璃纤维网格:定义和一般要求》J10322.2《JB/T10322.2-2002 电工用树脂浸渍玻璃纤维网格:试验方法》J10322.3《JB/T10322.3-2002 电工用树脂浸渍玻璃纤维网格:单项材料规范环氧玻璃纤维网》J10441.1《JB/T10441.1-2004 电工用皱纹绝缘纸第1部分:定义和一般要求》 J10441.2《JB/T10441.2-2004 电工用皱纹绝缘纸第2部分:试验方法》J10441.3《JB/T10441.3-2004 电工用皱纹绝缘纸第3部分:技术要求》J10442.1《JB/T10442.1-2004 电工用菱格涂胶绝缘纸:定义和一般要求》J10442.2《JB/T10442.2-2004 电工用菱格涂胶绝缘纸:试验方法》J10442.3《JB/T10442.3-2004 电工用菱格涂胶绝缘纸:单项材料菱格环氧胶绝缘纸》J10443.1《JB/T10443.1-2004 层合纸板规范:定义、分类和一般要求》J10443.2《JB/T10443.2-2004 层合纸板规范:试验方法》J10443.3《JB/T10443.3-2004 层合纸板规范:LB3.1.1,LB3.1.2,LB3.3.1及LB3.3.2型》J10713《JB/T 10713-2007 铝箔屏蔽绝缘纸》J10714《JB/T 10714-2007 电工用菱格涂胶绝缘薄膜》J10943《JB/T 10943-2010 电气绝缘用玻璃纤维 增强挤拉型材 干式变压器用撑条》J10944《JB/T 10944-2010 电气绝缘用玻璃纤维增强挤拉型材 复合绝缘子芯棒》J10945《JB/T 10945-2010 复合绝缘子用硅橡胶材料》J10946《JB/T 10946-2010 电气用不饱和聚酯模塑板》J10947《JB/T 10947-2010 电气用亚胺改性不饱和聚酯浸渍树脂》J10948《JB/T 10948-2010 电气用改性二苯醚浸渍树脂》J10949《JB/T 10949-2010 干式变压器用H级预浸料》J11051《JB/T 11051-2010 电力电容器用双轴定向聚丙烯薄膜 技术条件》J11052《JB/T 11052-2010 电容器用压嵌式绝缘套管 技术条件》J12165《JB/T 12165-2015 电气绝缘用无卤低烟阻燃玻璃纤维布带》J12166《JB/T 12166-2015 电力电容器纤维素纸》J12167《JB/T 12167-2015 电气绝缘用不饱和聚酯玻璃纤维毡层压板》J12168《JB/T 12168-2015 电气用压敏胶黏带 涂压敏胶黏剂的PVC薄膜胶黏带》J12169《JB/T 12169-2015 电气用压纸板和薄纸板 薄纸板》J12171《JB/T 12171-2015 电气用压敏胶黏带 涂压敏胶黏剂的聚四氟乙烯薄膜胶黏带》J12172《JB/T 12172-2015 电气用玻璃及玻璃聚酯纤维机织带》J12173《JB/T 12173-2015 电气用聚酯纤维机织带》J12175《JB/T 12175-2015 电气用真空浸胶环氧玻璃布板》JC41《JC/T 41-2009 电绝缘石棉纸》SH0802《SH/T 0802-2007 绝缘油中2,6-二叔丁基对甲酚测定法》SH0803《SH/T 0803-2007 绝缘油中多氯联苯污染物的测定 毛细管气相色谱法》SH0804《SH/T 0804-2007 电器绝缘油腐蚀性硫试验银片试验法》HG3855《HG/T 3855-2006 绝缘漆漆膜制备法》HG3856(合)《HG/T 3856~3857-2006 绝缘漆漆膜吸水率、耐油性测定法》Q2462.1《QB/T2462.1-1999 额定电压0~10KV聚乙烯绝缘料》YD1019《YD/T 1019-2001 数字通信用实心聚烯烃绝缘水平对绞电缆》SJ20747《SJ20747-1999 热固性绝缘塑料层压板总规范》SJ20749《SJ20749-1999 阻燃性覆铜箔聚四氟乙烯玻璃布层压板详细规范》 SJ20779《SJ20779-2000 热固性绝缘塑料层压板试验方法》SJ20780《SJ20780-2000 阻燃型铝基覆铜层压板规范》SJ20781《SJ20781-2000 热固性绝缘塑料层压管、棒总规范》LY1278《LY/T 1278-2011 电工层压木板》JB/T 875-1999 醇酸晾干覆盖漆JB/T 900-1999 衬垫云母板JB/T 904-1999 油性硅钢片漆JB/T 1544-1999 电气绝缘浸渍漆和漆布快速热老化试验方法—热重点斜法JB/T 3078-1999 有机硅浸渍漆JB/T 3172-1999 酚醛层压纸管JB/T 3282-1999 测定固体绝缘材料相对耐表面放电击穿能力的试验方法JB/T 3730-1999 电气绝缘用柔软复合材料耐热性能评定试验方法 卷管检查电压法JB/T 3958.1-1999 电气绝缘用热固性模塑料 一般要求JB/T 3958.2-1999 电气绝缘用热固性模塑料 试验方法JB/T 6488.5-1999 云母带 耐火安全电缆用粉云母带JB/T 8147-1999 油性漆绸JB/T 8148.1-1999 醇酸玻璃漆布JB/T 8148.2-1999 聚酯玻璃漆布JB/T 8148.3-1999 有机硅玻璃漆布JB/T 8150-1999 环氧层压玻璃布管JB/T 8151.1-1999 绝缘软管规范 各种型号软管的规范要求 硅橡胶玻璃纤维软管JB/T 8151.2-1999 绝缘软管规范 各种型号软管的规范要求 聚氯乙烯玻璃纤维软管JB/T 8151.3-1999 丙烯酸酯玻璃纤维软管JB/T 8988-1999 测定绝缘液体氧指数的试验方法JB/T 8989.1-1999 电工用压纸板和薄纸板规范 第1部分:定义和一般要求 JB/T 8989.2-1999 电工用压纸板和薄纸板规范 第2部分:试验方法JB/T 9553-1999 电气绝缘用玻璃纤维模塑料 检验、标志、包装、运输和贮存通用规则JB/T 9554-1999 电气用聚酯纤维非织布JB/T 9555-1999 电气绝缘用醇酸瓷漆JB/T 9556-1999 有溶剂绝缘漆规范 第3部分:单项材料规范 第1篇:对常温固化覆盖漆的要求JB/T 9557-1999 环氧酯浸渍漆JB/T 9558-1999 三聚氰胺醇酸浸渍漆JB/T 10109-1999 电气绝缘用无溶剂可聚合树脂复合物规范 单项材料规范 不饱和聚酯浸渍树脂JB/T 56035-1999 云母带 环氧玻璃粉云母带 产品质量分等JB/T 56036-1999 聚氯乙烯玻璃纤维软管 产品质量分等JB/T 56037-1999 聚酯薄膜聚酯纤维非织布柔软复合材料 产品质量分等JB/T 56073.1-1999 三聚氰胺醇酸浸渍漆 产品质量分等JB/T 56073.2-1999 有机硅浸渍漆 产品质量分等JB/T 56073.9-1999 油性漆绸 产品质量分等JB/T 56073.11-1999 醇酸玻璃漆布 产品质量分等JB/T 56073.12-1999 聚脂玻璃漆布 产品质量分等JB/T 56073.14-1999 丙烯酸酯玻璃纤维软管 产品质量分等JB/T 56073.15-1999 硅橡胶玻璃纤维软管 产品质量分等JB/T 56073.23-1999 有机硅层压玻璃软管 产品质量分等JB/T 56073.25-1999 环氧层压玻璃布管 产品质量分等JB/T 56073.26-1999 层压棒 产品质量分等JB/T 56073.36-1999 柔软云母板 产品质量分等JB/T 56073.37-1999 换向器云母板 产品质量分等JB/T 56073.39-1999 电热设备用粉云母板 产品质量分等JB/T 56073.42-1999 电气绝缘用聚酯薄膜 产品质量分等JB/T 56073.43-1999 聚酰亚胺薄膜 产品质量分等JB/T 56073.47-1999 聚酯薄膜聚芳酰胺纤维纸柔软复合材料 产品质量分等 JB/T 56073.48-1999 聚酰亚胺薄膜聚芳酰胺纤维纸柔软复合材料 产品质量分等JB/T 56073.49-1999 电气用聚酯纤维非织布 产品质量分等JB/T 56073.50-1999 二芳基乙烷绝缘液体 产品质量分等JB/T 2197-1996 电气绝缘材料产品分类 命名及型号编制方法JB2726-96聚酰亚胺薄膜JB/T 7770-1995 不饱和聚酯玻璃纤维增强模塑料JB/T 7771-1995 环氧少溶剂浸渍漆JB/T 7772-1995 油性合成纤维漆绸JB/T 7773-1995 二芳基乙烷绝缘液体JB/T 8504-1996 氨基醇酸快固化浸渍漆JB/T 56073.1-1995 三聚氰胺醇酸浸渍漆 产品质量分等JB/T 56073.42-1995 电气绝缘用聚酯薄膜 产品质量分等JB/T 56073.43-1995 聚酰亚胺薄膜 产品质量分等。
避雷器、设备线夹、绝缘子的型号及标准
为了规范和保证工程公司的进货渠道和质量,现将我厂运行反映效果较好的避雷器、设备线夹、绝缘子的型号、厂家及验收参考标准编制如下:
一、避雷器
1、标准:
GB11032-2000 交流无间隙氧化物避雷器
DL/T 815-2002交流输电线路用复合外套金属物避雷器
2、型号及参数
3、生产厂家:
西安神电电器有限公司、西安安特高压电气有限公司、武汉博大科技集团。
二、设备线夹(螺栓型铜铝过渡设备线夹)
1、标准:GB/T2341-1998 设备线夹
2、型号及参数
说明:A—0°;B—30°;C--45°;D--90°。
3、生产厂家:浙江永固金具厂或武汉博大科技集团
三、绝缘子
GB 1000.1-1988高压线路针式瓷绝缘子技术条件
GB 1000.1-88高压线路针式瓷绝缘子技术条件
GB/T 1000.2-1988高压线路针式瓷绝缘子尺寸与特性2、型号及参数
3、生产厂家:
瓷质绝缘子:江西萍乡电瓷厂
复合式绝缘子:武汉博大科技集团
生产技术科
2007-3-22。
复合绝缘子国家标准复合绝缘子是电力输配电线路上的重要组成部分,其质量和性能直接关系到电力系统的安全稳定运行。
为了规范复合绝缘子的生产和应用,我国制定了一系列的国家标准,以确保其质量和可靠性。
本文将就复合绝缘子国家标准进行详细介绍,以便相关行业人员了解和遵守。
首先,复合绝缘子国家标准主要包括GB/T 19519-2004《高压输配电线路用复合绝缘子》和GB/T 20142-2006《高压输配电线路用复合绝缘子中金属附件的氧化层的评定》两个标准。
其中,GB/T 19519-2004标准规定了复合绝缘子的技术要求、试验方法、验收规则和标志、包装、运输及贮存等内容,涵盖了复合绝缘子的各项性能指标和检测方法。
而GB/T 20142-2006标准则主要针对复合绝缘子中金属附件的氧化层进行评定,以确保金属附件的耐腐蚀性能和可靠性。
其次,复合绝缘子国家标准对复合绝缘子的技术要求进行了详细的规定。
其中包括复合绝缘子的机械性能、电气性能、耐污性能、耐腐蚀性能等多个方面的指标。
比如,在机械性能方面,标准规定了复合绝缘子的抗拉强度、抗弯强度、抗冲击性能等指标,以确保其在电力线路上能够承受各种外部力的作用;在电气性能方面,标准规定了复合绝缘子的干、湿、污秽条件下的电气性能指标,以确保其在不同环境条件下能够保持良好的绝缘性能。
此外,复合绝缘子国家标准还对复合绝缘子的试验方法进行了详细的规定。
这些试验方法包括复合绝缘子的外观检查、尺寸测量、机械性能试验、电气性能试验、耐污性能试验、耐腐蚀性能试验等多个方面。
通过这些试验方法的规定,可以对复合绝缘子的各项性能指标进行准确的检测和评定,以确保其符合国家标准的要求。
总的来说,复合绝缘子国家标准的制定和实施,对于提高复合绝缘子的质量和可靠性具有重要意义。
只有严格遵守国家标准的要求,才能够保证复合绝缘子在电力输配电线路上的安全运行,为电力系统的稳定供电提供保障。
因此,相关行业人员在生产、采购和使用复合绝缘子时,务必严格遵守国家标准的要求,确保复合绝缘子的质量和性能符合标准的要求。
v1.0可编辑可修改绝缘子国家标准与行业标准GBGB 772-1987 高压瓷绝缘子瓷件技术条件GB/T 773-1993 低压瓷绝缘子瓷件技术条件GB/T 774-1993 架空通信线路针式瓷绝缘子GB 高压线路针式瓷绝缘子技术条件GB/T 高压线路针式瓷绝缘子尺寸与特性GB/T 低压电力线路绝缘子第 1 部分:低压架空电力线路绝缘子GB/T 低压电力线路绝缘子第 2 部分:架空电力线路用拉紧绝缘子GB/T 低压电力线路绝缘子第 3 部分:低压布线用绝缘子GB/T 低压电力线路绝缘子第 4 部分:电车线路用绝缘子GB 139-1993高压线路蝶式绝缘子GB/T 2900 8-1995电工术语绝缘子GB/T 3969-1983 35kV及以下变压器瓷套GB/T 4056-1994高压路线悬式绝缘子连接结构和尺寸GB/T 4109-1999高压套管技术条件GB/T 5582-1993高压电力设备外绝缘污秽等级GB 高压支柱瓷绝缘子第 1 部分:技术条件GB/T 高压支柱瓷绝缘子第 2 部分:尺寸与特性GB 11030-2000交流牵引线路用棒形瓷绝缘子GB 12744-1991耐污型户外棒形支柱瓷绝缘子GB/T高压穿墙瓷套管技术条件GB/T高压穿墙瓷套管尺寸与特性JB/TJB/T 1542-1999110kV及220kV户外少油断路器用瓷套JB/T 3384-1999高压绝缘子抽样方案JB/T 3567-1999高压绝缘子无线电干扰试验方法JB/T 3568-1999盘形悬式绝缘子串元件的热机械性能试验方法JB/T 5889-1991绝缘子用有钯金属铸件技术条件JB/T 5890-1991绝缘子用玻璃材料性能及测试方法JB/T 5891-1991绝缘子用黑色金属铸件技术条件JB/T 5892-1991高压线路用有机复合绝缘子技术条件JB/T电瓷用原料物理性能试验方法JB/T电瓷用原料钾长石化学分析方法JB/T 5895-1991 污秽地区绝缘子使用导则JB/T 5896-1991 常用绝缘子术语JB/T 电除尘器用次绝缘子瓷套JB/T 电除尘器用次绝缘子瓷转轴JB/T 电除尘器用次绝缘子棒形支柱JB/T 电除尘器用次绝缘子穿墙套管JB/T 6747-1993 直流系统用高压绝缘子人工污秽试验方法固体层法JB/T 7844-1995 气压瓷套通用技术条件JB/T 8176-1999 电力和通信线路针式绝缘子钢脚JB/T 8177-1999 绝缘子金属附件热镀锌层通用技术条件JB/T 8178-1995 悬式绝缘子铁帽技术条件JB/T 8179-1999 高压线路瓷横担绝缘子尺与特性JB/T 8181-1999 绝缘子串元件球窝联接用锁紧销JB/T 8460-1996 高压线路用棒形悬式复合绝缘子尺寸与特性JB/T 8509-1996 高压线路柱式瓷绝缘子JB/T 8737-1998 高压线路用复合绝缘子使用导则JB/T 9673-1999 绝缘子产品包装JB/T 9674-1999 超声波探测瓷件内部缺陷JB/T 9676-1999 高压线路瓷横担绝缘子技术条件JB/T 9677-1999 盘形悬式绝缘子钢脚JB/T 9678-1999 盘形悬式玻璃绝缘子玻璃件外观质量JB/T 9679-1999 电瓷用真空练泥机JB/T 9680-1999 高压架空线路绝缘地线用盘形悬式瓷绝缘子JB/T 9683-1999 绝缘子产品型号编制方法。
空心复合绝缘子标准空心复合绝缘子是电力系统中常见的一种电气设备,其主要作用是在输电线路上支持导线并绝缘。
在电力系统中,空心复合绝缘子扮演着至关重要的角色,因此其标准化显得尤为重要。
本文将对空心复合绝缘子的标准进行详细介绍,以便相关行业人士更好地了解和应用这一标准。
首先,空心复合绝缘子的标准主要包括以下几个方面,外观要求、尺寸和公差、技术要求、试验方法、包装、运输和贮存。
其中,外观要求主要包括表面应光滑、无气泡、裂纹、砂眼和凹坑等缺陷,颜色应均匀一致。
尺寸和公差则规定了空心复合绝缘子的长度、直径、壁厚等尺寸参数,以及允许的公差范围。
技术要求包括材料、结构、工艺等方面的要求,以确保空心复合绝缘子具有良好的绝缘性能和机械强度。
试验方法则是对空心复合绝缘子进行各项性能指标的检测和验证,以保证其符合标准要求。
而包装、运输和贮存则是在生产、运输和使用过程中对空心复合绝缘子进行保护和管理的要求。
其次,空心复合绝缘子的标准制定应遵循一定的原则和方法。
首先,应充分调研和分析相关行业的实际需求,了解用户的实际应用情况和使用环境,以便制定出符合实际需求的标准。
其次,应参考国内外相关标准和技术规范,吸取其经验和教训,避免重复制定已有的标准内容。
同时,应注重标准的科学性、合理性和可行性,确保标准制定的合理性和有效性。
此外,标准的制定还应充分考虑技术发展的前沿和趋势,以便为行业的发展提供有力的支持和指导。
最后,空心复合绝缘子的标准在实际应用中应得到严格执行和监督。
相关生产企业和用户单位应严格按照标准要求进行生产和使用,确保空心复合绝缘子的质量和性能符合标准要求。
同时,相关监管部门应加强对空心复合绝缘子的质量监督和抽检,对不符合标准要求的产品进行处置和追责,以维护行业的正常秩序和用户的合法权益。
综上所述,空心复合绝缘子的标准对于保障电力系统的安全稳定运行和用户的用电质量具有重要意义。
相关行业人士应加强对空心复合绝缘子标准的学习和理解,确保其在生产和使用过程中能够严格执行和落实标准要求,为电力系统的安全可靠运行提供有力保障。
高压绝缘子国家标准高压绝缘子是电力系统中非常重要的一部分,它承担着支撑导线和绝缘导线的任务,同时还要承受来自导线的张力和电力系统的电压。
因此,高压绝缘子的质量和性能对电力系统的安全稳定运行至关重要。
为了确保高压绝缘子的质量和性能,国家对其进行了严格的标准化管理。
首先,高压绝缘子的国家标准主要包括了对其材料、结构、性能、试验方法等方面的要求。
在材料方面,国家标准规定了高压绝缘子所使用的材料必须符合特定的要求,比如要求材料具有足够的机械强度、耐候性、耐电气应力和耐污秽性等。
在结构方面,国家标准规定了高压绝缘子的外形尺寸、安装尺寸、连接方式等,以确保其能够与电力系统的其他部件正常配合工作。
在性能方面,国家标准规定了高压绝缘子在电气、机械、环境等方面的性能指标,如绝缘子的耐电压、机械强度、耐污秽性等。
在试验方法方面,国家标准规定了对高压绝缘子进行各种试验的方法和要求,以保证其性能符合标准要求。
其次,高压绝缘子国家标准的制定和实施对于保障电力系统的安全稳定运行具有重要意义。
通过严格的标准要求,可以确保高压绝缘子的质量和性能达到国家标准要求,从而减少因绝缘子质量问题引起的事故风险,保障电力系统的安全稳定运行。
同时,国家标准还可以促进高压绝缘子行业的健康发展,提高产品质量和技术水平,增强企业的竞争力,为电力系统的现代化建设提供可靠的技术支持。
最后,随着电力系统的不断发展和升级,高压绝缘子国家标准也在不断进行修订和完善。
随着新材料、新工艺、新技术的不断应用,高压绝缘子的要求也在不断提高,国家标准需要与时俱进,及时调整和完善相关标准,以适应电力系统的发展需求。
同时,还需要加强对高压绝缘子的监督和检查,确保其质量和性能符合国家标准要求,为电力系统的安全稳定运行提供可靠保障。
综上所述,高压绝缘子国家标准的制定和实施对于保障电力系统的安全稳定运行具有重要意义。
只有通过严格的标准要求和有效的监督检查,才能确保高压绝缘子的质量和性能符合要求,为电力系统的安全稳定运行提供可靠保障。
常用绝缘子技术参数■标准化文件发布号:(9456-EUATWK・MWUB・WUNN・INNUL・DDQTY・KII
绝缘子
(1)常用电压等级杆塔绝缘子串的片数
(2)线路和发电厂、变电所设备外绝缘各污秽等级和对应盐密、爬电比距。
表1线路和发电厂、变电所污秽等级
表2各污秽等级下的爬电比距分级数值
注:线路和发电厂、变电所爬电比距计算时取系统最高工作电压。
表3额定电压与系统最高工作电压
(3)常用绝缘子主要数据:
表1-1标准型钢化玻璃绝缘子型号和参数(自贡厂)
表1・2标准型钢化玻璃绝缘子型号和参数(自贡厂)
表2・1耐污型钢化玻璃绝缘子型号和参数(自贡厂)
表2・2耐污型钢化玻璃绝缘子型号和参数(自贡厂)
表2・3耐污型钢化玻璃绝缘子型号和参数(自贡厂)
表3标准型钢化玻璃绝缘子型号和参数(南京厂)
表4防污型钢化玻璃绝缘子型号和参数(南京厂)
表5普通型悬式瓷质绝缘子型号参数
表6防(耐)污型悬式瓷质绝缘子型号参数
表7-1 JB/T8460-1996标准:棒形悬式复合绝缘子主要尺寸与特性
表7・2 MPC国际电工棒形悬式复合绝缘子主要尺寸与特性
表7-3保定厂棒形悬式复合绝缘子技术性能指标
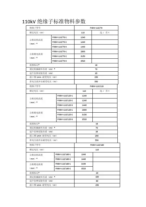
注:按部颁标准规定要求,将原复合绝缘子HXS2型号改为FXBW。
复合绝缘子结构示图:
图5T
复合绝缘子表示方法:
FXB W 3-110/70 (球窝连接不表示)
额定机械拉伸负荷70kN
额定电压110kV
设计序号缩聶滌艇叙瓷:宓大小伞
高压线路用棒形悬式复合绝缘子。
绝缘子标准精选(最新)G772《GB/T772-2005高压绝缘子瓷件技术条件》G775.1《GB/T775.1-2006绝缘子试验办法笫1部分:一般试验方法》G775.2《GB/T775.2-2003绝缘子试验方法第2部分:电气试验方法》G775.3《GB/T775.3-2006绝缘子试验方法第3部分:机械试验方法》G1001.1《GB/T1001.1-2003交流系统用瓷或玻璃绝缘子元件定义、试验方法和判定准则》G1001.2《GB/T1001.2-2010标准电压高于1000V的架空线路绝缘子第2部分:交流系统用绝缘子串及绝缘子串组定义、试验方法和接收准则》G1386.1《GB/T1386.1-1997低压架空电力线路绝缘子》G1386.3《GB/T1386.3-1997低压布线用绝缘子》G1386.4《GB/T1386.4-1997低压电力线路绝缘子第4部分:电车线路用绝缘子》G2900.8《GB/T2900.8-2009电工术语绝缘子》G4056《GB/T4056-2008绝缘子串元件的球窝连接尺寸》G4585《GB/T4585-2004交流系统用高压绝缘子的人工污秽试验》G7253《GB/T7253-2005交流系统用瓷或玻璃绝缘子元件盘形悬式绝缘子元件的特性》G8287.1《GB/T8287.1-2008标称电压高于1000V系统用户内和户外支柱绝缘子:瓷或玻璃绝缘子的试验》G8287.21《GB/T8287.2-2008标称电压高于1000V系统用户内和户外支柱绝缘子:尺寸与特性》G11030《GB/T11030-2008交流电气化铁路接触网用棒形瓷绝缘子特性》G12944《GB/T12944-2011高压穿墙瓷套管》G13026《GB/T13026-2008交流电容式套管型式与尺寸》G19443《GB/T19443-2004标称电压高于1000V的架空线路用绝缘子-定义、试验方法和接收准则》G19519《GB/T19519-2004标称电压高于1000V的复合绝缘子--定义、试验方法及验收准则》G20142《GB/T20142-2006标称电压高于1000V的交流架空线路用线路柱式复合绝缘子-定义、试验方法及接收准则》G20642《GB/T20642-2006高压线路绝缘子空气中冲击击穿试验》G20876.2《GB/T20876.2-2007标称电压大于1000V的架空线路用悬式复合绝缘子元件:尺寸和电气特性》G21206《GB/T21206-2007线路柱式绝缘子特性》G21421.1《GB/T21421.1-2008标称电压高于1000V复合绝缘子串元件:标准强度等级和端部附件》G21429《GB/T21429-2008户外和户内电气设备用空心复合绝缘子定义、试验方法、接收准则和设计推荐》G22674《GB/T22674-2008直流系统用套管》G22707《GB/T22707-2008直流系统用高压绝缘子的人工污秽试验》G22708《GB/T22708-2008绝缘子串元件的热机和机械性能试验》G22709《GB/T22709-2008架空线路玻璃或瓷绝缘子串元件绝缘体机械破损后的残余强度》G23752《GB/T23752-2009额定电压高于1000V的电器设备用承压和非承压空心瓷和玻璃绝缘子》3G24622《GB/T24622-2009绝缘子表面湿润性测量导则》G24623《GB/T24623-2009高压绝缘子无线电干扰试验》G24624《GB/T24624-2009绝缘套管油为主绝缘(通常为纸)浸渍介质套管中溶解气体分析(DGA)的判断导则》G24839《GB/Z24839-20091000kV交流系统用支柱绝缘子技术规范》G24840《GB/Z24840-20091000kV交流系统用套管技术规范》G25096《GB/T25096-2010交流电压高于1000V变电站用电站支柱复合绝缘子定义、试验方法及接收准则》G25317《GB/T25317-2010绝缘子串元件的槽型连接尺寸》G25318《GB/T25318-2010绝缘子串元件球窝联接用锁紧销:尺寸和试验》G26218.1《GB/T26218.1-2010污秽条件下使用的高压绝缘子的选择和尺寸确定:定义、信息和一般原则》G26218.2《GB/T26218.2-2010污秽条件下使用的高压绝缘子的选择和尺寸确定:交流系统用瓷和玻璃绝缘子》G26218.3《GB/T26218.3-2011污秽条件下使用的高压绝缘子的选择和尺寸确定第3部分:交流系统用复合绝缘子》G26869《GB/T26869-2011标称电压高于1000V低于300kV系统用户内有机材料支柱绝缘子的试验》G26874《GB/T26874-2011高压架空线路用长棒形瓷绝缘子元件特性》J4307《JB/T4307-2004绝缘子胶装用水泥胶合剂》J7844《JB/T7844-1995气压瓷套通用技术条件》J8737《JB/T8737-1998高压线路用复合绝缘子使用导则》J9678《JB/T9678-2012盘形悬式绝缘子用钢化玻璃绝缘件外观质量》J9680《JB/T9680-2012高压架空输电线路地线用绝缘子》J9683《JB/T9683-2012绝缘子产品型号编制方法》J10305《JB/T10305-20013.6kV~40.5kV高压设备用户内有机材料支柱绝缘子技术条件》J10583《JB/T10583-2006低压绝缘子瓷件技术条件》J10584《JB/T10584-2006架空通信线路针式瓷绝缘子》J10585.1《JB/T10585.1-2006低压电力线路绝缘子第1部分:低压架空电力线路绝缘子》J10585.2《JB/T10585.2-2006低压电力线路绝缘子第2部分:架空电力线路用拉紧绝缘子》J10585.3《JB/T10585.3-2006低压电力线路绝缘子第3部分:低压布线用绝缘子》J10585.4《JB/T10585.4-2006低压电力线路绝缘子第4部分:电车线路用绝缘子》J10586《JB/T10586-2006高压线路蝶式绝缘子》J11219.1《JB/T11219.1-2011高压架空线路复合绝缘子用端部装配件:绝缘子串元件用端部装配件》TB3199.1《TB/T3199.1-2008电气化铁路接触网用绝缘子第1部分:棒型瓷绝缘子》15.00TB3199.2《TB/T3199.2-2008电气化铁路接触网用绝缘子第2部分:棒型复合绝缘子》DL257《DL/T257-2012高压交直流架空线路用复合绝缘子施工、运行和维护管理规范》DL463《DL/T463-2006带电作业用绝缘子卡具》DL487《DL/T487-2000330KV及交流架空送电线路绝缘子串的分布电压》DL557《DL/T557-2005高压线路绝缘子空气中冲击击穿试验―定义、试验方法和判据》DL626《DL/T626-2005劣化盘形悬式绝缘子检测规程》DL627《DL/T627-2012绝缘子用常温固化硅橡胶防污闪涂料》DL699《DL/T699-2007带电作业用绝缘托瓶架通用技术条件》DL729《DL/T729-2000户内绝缘子运行条件电气部分》DL784《DL/T784-2001带电更换330KV线路耐张单片绝缘子技术规程》DL810《DL/T810-2012±500kV及以上电压等级直流棒形悬式复合绝缘子技术条件》DL811《DL/T811-2002进口110KV~500KV棒式支柱绝缘子技术规范》DL812《DL/T812-2002标称电压高于1000KV架空线路绝缘子串工频电弧试验方法》DL859《DL/T859-2004高压交流系统用复合绝缘子人工污秽试验》DL864《DL/T864-2004标称电压高于1000V交流架空线路用复合绝缘子使用导则》DL1000.1《DL/T1000.1-2006标称电压高于1000V架空线路绝缘子使用导则:交流系统用瓷或玻璃绝缘子》DL1000.2《DL/T1000.2-2006标称电压高于1000V架空线路绝缘子使用导则:直流系统用瓷或玻璃绝缘子》DL1048《DL/T1048-2007标称电压高于1000V的交流用棒形支柱复合绝缘子-定义、试验方法及验收规则》DL1244《DL/T1244-2013交流系统用高压绝缘子人工覆冰闪络试验方法》DL1247《DL/T1247-2013高压直流绝缘子覆冰闪络试验方法》JB/T1542-1999110及200kV户外少油断路器用瓷套JB/T3384-1999高压绝缘子抽样方案JB/T3567-1999高压绝缘子无线电干扰试验方法JB/T3568-1999盘形悬式绝缘子串元件的热机械性能试验方法JB/T8176-1999电力和通信线路针式绝缘子钢脚JB/T8177-1999绝缘子金属附件热镀锌层通用技术条件JB/T8178-1999悬式绝缘子铁帽技术条件JB/T8179-1999高压线路瓷横担绝缘子尺寸与特性JB/T8181-1999绝缘子串元件球窝联接用锁紧销JB/T9673-1999绝缘子产品包装JB/T9674-1999超声波探测瓷件内部缺陷JB/T9676-1999高压线路瓷横担绝缘子技术条件JB/T9677-1999盘形悬式绝缘子钢脚JB/T9678-1999盘形悬式玻璃绝缘子玻璃件外观质量JB/T9679-1999电瓷用真空练泥机JB9680-1999高压架空线路绝缘地线用盘形悬式瓷绝缘子JB/T9683-1999绝缘子产品型号编制方法JB/T56195-1999高压线路蝶式绝缘子产品质量分等JB/T56196-1999交流牵引线路用棒形瓷绝缘子产品质量分等JB/T56197-1999高压瓷套产品质量分等JB/T56199-1999悬式绝缘子铁帽产品质量分等JB/T56200-1999盘形悬式绝缘子产品质量分等JB/T56201-1999高压线路瓷横担绝缘子产品质量分等JB/T56202-1999高压支柱绝缘子产品质量分等JB/T56203-199935kV及以下穿墙套管产品质量分等JB/T56204-1999高压套管产品质量分等JB/T56207-1999高压线路针式瓷绝缘子产品质量分等JB/T56209-1999电瓷用真空练泥机产品质量分等JB/T2440-1991避雷器用放电计数器JB/T5889-91绝缘子用有色金属铸件技术条件JB/T5890-91绝缘子用玻璃材料性能及测试方法JB/T5891-91绝缘子用黑色金属铸件技术条件JB5892-91高压线路用有机复合绝缘子技术条件JB5892-91高压线路用有机复合绝缘子技术条件JB/T5893.1-1991电瓷用原料绥中长石粉JB/T5893.2-1991电瓷用原料宜春石英粉JB/T5893.3-1991电瓷用原料左云粘土原矿JB/T5893.4-1991电瓷用原料巩县特级矾土粉JB/T5893.5-1991电瓷用原料物理性能试验方法JB/T5893.6-1991电瓷用原料钾长石化学分析方法JB/T5894-91交流无间隙金属氧化物避雷器使用导则理JB/T5895-91污秽地区绝缘子使用导则JB/T5896-91常用绝缘子术语。