柱式瓷绝缘子技术规范
- 格式:doc
- 大小:149.50 KB
- 文档页数:10
瓷绝缘子技术参数瓷绝缘子是电力系统中用于支撑和绝缘电力导线的重要组件。
它通常由瓷土和其它辅助材料制成,具有良好的绝缘性能和机械强度。
下面将介绍瓷绝缘子的一些常见技术参数。
1.机械强度:瓷绝缘子的机械强度是指其在受力状态下能够承受的最大力量。
通常用抗拉强度和抗压强度来表示。
瓷绝缘子在安装时需要能够承受导线牵引力、自重和风吹等外力的作用,因此机械强度是其重要的技术参数之一2.绝缘电阻:绝缘电阻是指瓷绝缘子在正常使用条件下的表面和内部绝缘电阻。
绝缘电阻越高,说明绝缘性能越好。
瓷绝缘子主要用于电力系统中,其绝缘电阻需要符合相关标准和规范的要求,以确保系统的安全性和稳定性。
3.耐久性能:瓷绝缘子在长期使用过程中需要能够抵抗各种外界环境因素的侵蚀和损害,如电弧、湿气、盐雾等。
因此,瓷绝缘子的耐久性能是其重要的技术参数之一,也是设计和选择瓷绝缘子时需要考虑的因素之一4.抗污性能:瓷绝缘子不仅要能够绝缘导线,还需要能够抵抗各种污染物的侵蚀和积累。
常见的污染物有尘土、盐分、烟尘等。
污染物的存在会导致瓷绝缘子的绝缘性能下降,甚至发生闪络,因此抗污性能是瓷绝缘子的重要技术参数之一5.防震性能:瓷绝缘子在地震或其他振动环境中需要能够承受一定的震动。
因此,防震性能是其重要的技术参数之一、瓷绝缘子通常通过合理的设计和制造工艺来提高其防震性能,以确保在地震或其他振动环境中的安全可靠性。
6.结构设计:瓷绝缘子的结构设计需要满足机械强度、绝缘性能、防震性能和安装要求等多个方面的要求。
常见的瓷绝缘子结构有串联绝缘子和氧化锌避雷器绝缘子等。
不同结构的瓷绝缘子适用于不同的电力系统和环境。
综上所述,瓷绝缘子的机械强度、绝缘电阻、耐久性能、抗污性能、防震性能和结构设计等是其常见的技术参数。
这些技术参数的合理选择和控制,可以确保瓷绝缘子在电力系统中的正常运行和可靠性。
20kV支柱绝缘子技术规范(试行)1 范围本技术规范规定了交流额定电压20kV支柱绝缘子的的使用条件、主要技术参数、结构及其他性能和试验等方面的技术要求。
本技术规范适用于浙江省电力公司20kV系统所需的20kV支柱绝缘子。
本技术规范提出的是最低限度的技术要求,并未对一切技术细节作出规定,也未充分引述有关标准和规范的条文,设备生产厂家应提供符合本技术规范、国家标准、电力行业标准以及国际标准的优质产品。
本技术规范所使用的标准如遇与设备生产厂家所执行的标准不一致时,按较高标准执行。
20kV系统中性点接地方式分为二类,Ⅰ类:中性点经低电阻接地系统;Ⅱ类:中性点经消弧线圈接地或不接地系统。
2 规范性引用文件下列文件中的条款通过本技术规范的引用而成为本技术规范的条款。
凡是注日期的引用文件,其随后所有的修改单(不包括勘误的内容)或修订版均不适用于本规范,然而,鼓励根据本规范达成协议的各方研究是否可使用这些文件的最新版本。
凡是不注日期的引用文件,其最新版本适用于本规范。
GB 8287.1-1998 高压支持瓷绝缘子第一部分技术条件GB 311.1-1997 高电输变电设备的绝缘配合GB775.1-1987 绝缘子试验方法第一部分:一般试验方法GB775.2-1987 绝缘子试验方法第二部分:电气试验方法GB775.3-1987 绝缘子试验方法第三部分:机械试验方法GB2900.8-1995 电工术语绝缘子GB/T 5582-1993 高压电力设备外绝缘污秽等级GB12744-1991 耐污型户外棒形支柱瓷绝缘子GB/T 16927-1997 高电压试验技术JB 3384-1983 高压绝缘子抽样方案GB 11604-1989 高压电器设备无线电干扰测试方法JB 4307-1986 绝缘子胶装用水泥胶合剂技术条件JB5891-1991 绝缘子用黑色金属铸件技术条件JB/T 8177-1995 绝缘子金属附件热镀锌层通用技术条件JB/Z 94-1989 绝缘子产品包装JB/Z 262-1986 超声波探测瓷件内部缺陷Q/GDW-11-125-2008 浙江省电力公司浙江电网电气设备交接试验规程浙电生(2008)363号《浙江电网污区分布图(2007版)执行规定》3 术语和定义本标准采用GB 8287.1 等标准中有关术语和定义。
高压支柱瓷绝缘子概述:高压支柱瓷绝缘子用于标称电压高于1000V、频率不超过100Hz的交流系统中运行的高压电器或在配电装置中用来绝缘和支持带电导体(母线和触头等)。
组成与分类:高压支柱瓷绝缘子由上、下金属附件和绝缘件(瓷件)通过胶合剂胶合而成。
胶合剂由不低于42.5号的硅酸盐水泥和石英砂配制的。
金属附件一般由铸铁制成,表面刷上防锈漆或热镀锌。
高压支柱瓷绝缘子按额定电压分为7.2、12、24、40.5、72.5、126、252、362和550kV等9 级,其中户内绝缘子仅生产7.2〜40.5kV级。
绝缘子机械强度等级是按规定的弯曲破坏负荷值确定的。
机械强度标准值如下:(1)户内支柱绝缘子:2, 4, 8, 6, 25KN;(2)户外棒形支柱绝缘子:2, 4, 6, 8, 10, 12.5, 16, 20, 25, 31.5, 40KN;(3)户外针式支柱绝缘子:3.75, 5, 10, 20KN。
绝缘子按装置场所不同可分为户内支柱绝缘子和户外支柱绝缘子两类。
户内支柱绝缘子按结构可分为外胶装、内胶装和联合胶装3个系列。
(1)外胶装支柱瓷绝缘子:是最早生产的户内空心隔板支柱绝缘子,其中上金属附件和下金属附件用胶合剂胶装在带空腔的瓷件的外圆柱面上,称为外胶装结构。
上金属附件是圆形的,下金属附件有圆形、椭圆形和方形的三种型式。
瓷件表面上一般有很少的几个棱,以提高冲击和工频闪络电压,特别是靠近上附件的棱对提高冲击闪络电压有较大的意义。
为了减少热应力以及调节瓷件制造上的高度差别,附件和瓷件之间垫有衬垫。
(2)户内内胶装支柱瓷绝缘子:针对外胶装绝缘子的缺点,为了减小绝缘子外形尺寸,特别是高度尺寸,发展了户内内胶装绝缘子系列。
为了充分利用绝缘件高度,上、下金属附件均借胶合剂胶装入瓷件的上、下孔内,衬垫是为了缓和热应力或作为一个隔层的。
内胶装绝缘子的优越性不仅是绝缘子本身的尺寸、质量和金属材料消耗比外胶装系列减少许多,更重要的是它使所配套的电器和配电装置(如隔离开关、成套配电装置等)尺寸和质量减小,并节省了电力设备所占空间。
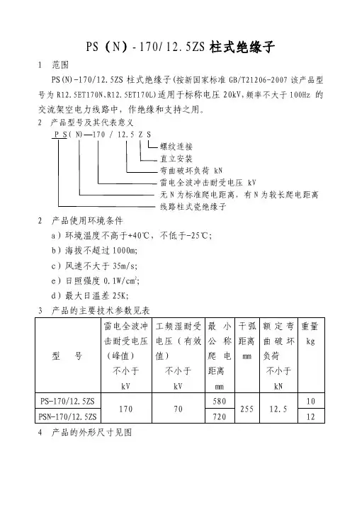
PS (N )-170/12.5ZS 柱式绝缘子
1 范围
PS(N)-170/12.5ZS 柱式绝缘子(按新国家标准GB/T21206-2007该产品型
号为R12.5ET170N 、R12.5ET170L)适用于标称电压20kV ,频率不大于100Hz 的
交流架空电力线路中,作绝缘和支持之用。
2 产品型号及其代表意义
P S( N)—170 / 12.5 Z S
螺纹连接
直立安装
弯曲破坏负荷 kN
雷电全波冲击耐受电压 kV
无N 为标准爬电距离,有N 为较长爬电距离 线路柱式瓷绝缘子
2 产品使用环境条件
a )环境温度不高于+40℃,不低于-25℃;
b )海拔不超过1000m ;
c )风速不大于35m/s ; e )日照强度0.1W/cm 2;
d )最大日温差25K ; 3 产品的主要技术参数见表
型 号
雷电全波冲击耐受电压(峰值) 不小于 kV
工频湿耐受电压(有效值) 不小于 kV 最小公称爬电距离 mm 干弧距离 mm 额定弯曲破坏
负荷
不小于 kN 重量 kg
PS-170/12.5ZS 580 10 PSN-170/12.5ZS
170
70
720
255 12.5
12 4 产品的外形尺寸见图
图1 PS-170/12.5ZS(R12.5ET170N)柱式绝缘子
图2 PSN-170/12.5ZS(R12.5ET170L)柱式绝缘子5 订货须知
应指明:绝缘子型号规格及数量。
附件1072.5kV及以上电压等级支柱瓷绝缘子技术监督规定国家电网公司二○○五年三月目录第一章总则 (4)第二章引用标准及规定 (4)第三章设计选型审查 (5)第四章设备制造 (5)第五章安装及投产验收 (6)第六章运行监督 (6)第七章检修监督 (7)第八章技术改造监督 (7)第九章缺陷及故障分析及处理 (8)第十章技术监督分析评估 (8)第十一章技术监督告警制度 (9)第十二章技术资料档案 (9)第十三章技术监督设备退役 (10)第十四章考核 (10)附件A 高压支柱瓷绝缘子设备台帐、试验记录 (11)附件B 高压支柱瓷绝缘子评估报告内容 (12)附件C 技术监督告警制度报表 (13)附录:编制说明 (14)第一章总则第一条为了加强高压支柱瓷绝缘子的技术监督工作,进一步拓宽技术监督工作的范围,延伸技术监督工作的内涵,保证设备安全、可靠、经济运行,特制定本技术监督规定。
第二条本规定是依据国家、行业的有关标准、规程和规范并结合近年来国家电网公司输变电设备评估分析、生产运行情况分析以及设备运行经验而制定的。
第三条本规定明确了高压支柱瓷绝缘子设备选型、订货、监造、出厂验收、现场安装、现场验收、运行、检修和技改的全过程技术监督内容。
对设备的缺陷检测、评估、分析、告警和整改的过程监督工作提出了具体要求。
第四条本规定适用于国家电网公司系统所辖发电厂、变电站、换流站、串补站,户内和户外72.5kV及以上电压等级的支柱瓷绝缘子的管理。
第五条各网省电力公司可根据本规定,结合本地区实际情况制定相应的实施细则。
第二章引用标准及规定第六条以下为本规范引用的标准、规程和导则,但不限于此。
GB/T 494-1998 建筑石油沥青GB 772-1987 高压支柱瓷绝缘子瓷件技术条件GB/T 775.1-1987 绝缘子试验方法第1部分:一般试验方法GB/T 775.2-1987 绝缘子试验方法第2部分:电气试验方法GB/T 775.3-1987 绝缘子试验方法第3部分:机械试验方法GB/T 5582-1993 高压电力设备外绝缘污秽等级GB 8287.1-1998 高压支柱瓷绝缘子第一部分:技术条件GB/T 8287.2-1999 高压支柱瓷绝缘子第二部分:尺寸与特性GB 8411.1-1987 电瓷材料第一部分:定义、分类和性能GB 12744-1991 耐污型户外棒形支柱瓷绝缘子GB/T 16434-1996 高压架空线路和发电厂、变电所环境污区分级及外绝缘选择标准GB/T 16927.1-1997 高电压试验技术第一部分一般试验要求JB 4307-1986 绝缘子胶装用水泥胶合剂技术条件JB/T 5889-1991 绝缘子用有色金属铸件技术条件JB/T 5891-1991 绝缘子用黑色金属铸件技术条件JB/T 8177-1999 绝缘子金属附件热镀锌层通用技术条件JB/T 9673-1999 绝缘子产品包装JB/T 9674-1999 超声波探测瓷件内部缺陷JB/T 56202-1999 高压支柱瓷绝缘子产品质量分等(内部使用)IEC 600815 耐污秽绝缘子的使用导则国家电网公司《变电站管理规范(试行)》(国家电网生[2003]387号)国家电网公司输变电设备技术标准国家电网公司预防输变电设备事故措施国家电网公司输变电设备运行规范国家电网公司输变电设备检修规范第三章设计选型审查第七条技术参数应符合《72.5kV及以上高压支柱瓷绝缘子技术标准》的规定。
支柱绝缘子技术规范1 范围本技术规范书适用于10kV变低母线桥支撑用支柱绝缘子(本技术规范书特指瓷式支柱绝缘子)的采购及进厂检验。
本技术规范书对该设备的使用条件,技术要求,性能参数,试验要求,包装方式等进行统一要求。
2 引用标准GB/ 191 包装储运图示标志GB 311.1 高压输变电设备的绝缘配合GB 50150 电气装置安装工程电气设备交接试验标准GB/T 772 高压绝缘子瓷件技术条件GB/T 775.1 绝缘子试验方法第1部分:一般试验方法GB/T 775.2 绝缘子试验方法第2部分:电气试验方法GB/T 775.3 绝缘子试验方法第3部分:机械试验方法GB/T 1001.1 标称电压高于1000V的架空线路绝缘子第1部分:交流系统用瓷或玻璃绝缘子元件定义、试验方法和判定准则GB/T 4585 交流系统用高压绝缘子的人工污秽试验GB/T 8287.1 标称电压高于1000V系统用户内和户外支柱绝缘子第1部分:瓷或玻璃绝缘子的试验GB/T 8287.2 标称电压高于1000V系统用户内和户外支柱绝缘子第2部分:尺寸与特性JB/T 4307 绝缘子胶装用水泥胶合剂JB/T 5889 绝缘子用有色金属铸件技术条件JB/T 8177 绝缘子金属附件热镀锌层通用技术条件JB/T 9673 绝缘子产品包装JB/T 9674 超声波探测瓷件内部缺陷3 使用条件支柱绝缘子使用条件要求如下:1)周围空气温度最高日温度: 40℃最低日温度: -10℃最大日温差: 30K最热月平均温度: 30℃最高年平均温度: 20℃2) 海拔高度: ≤1000m3) 最大风速 35m/s4) 最大覆冰厚度: 10mm5) 太阳辐射强度: 0.1w/cm²(风速0.5m/s)6) 环境相对湿度(在25℃时)日平均值: 95%月平均值: 90%7) 地震烈度:8度(安全系数: ≥1.67)水平加速度: 0.3g垂直加速度: 0.15g8) 安装位置: 户内、外注:当有特殊使用条件时,在订货时提出补充,其额定值及试验方面的补充要求可另行商定。
目录第一章总则1第二章引用标准1第三章设备的验收2第四章运行巡视、检查项目维护及要求4第五章事故和故障处理6第六章设备技术管理8第七章备品备件管理9第八章设备报废1072.5kV及以上电压等级支柱瓷绝缘子运行规范编制说明11第一章总则第一条为了加强高压支柱瓷绝缘子的运行管理工作,进一步拓宽运行管理工作的范围,延伸运行管理工作的内涵,保证设备安全、可靠、经济运行,特制定本规定。
第二条本规定是依据国家、行业的有关标准、规程和规范并结合近年来国家电网公司输变电设备评估分析、生产运行情况分析以及设备运行经验而制定的。
第三条本规定明确了高压支柱瓷绝缘子设备选型、订货、监造、出厂验收、现场安装、验收、运行、检修和设备的缺陷检测、评估、分析、过程工作提出了具体要求。
第四条本规定适用于国家电网公司系统所辖发电厂、变电站、换流站、串补站,户内和户外72.5kV及以上电压等级的支柱瓷绝缘子的管理。
第五条各网省电力公司可根据本规定,结合本地区实际情况制定相应的实施细则。
第二章引用标准第六条以下为本规范引用的标准、规程和导则,但不限于此。
GB/T 494-1998建筑石油沥青GB 772-1987高压支柱瓷绝缘子瓷件技术条件GB/T 775.1-1987绝缘子试验方法第1部分:一般试验方法GB/T 775.2-1987绝缘子试验方法第2部分:电气试验方法GB/T 775.3-1987绝缘子试验方法第3部分:机械试验方法GB/T 5582-1993高压电力设备外绝缘污秽等级GB 8287.1-1998高压支柱瓷绝缘子第一部分:技术条件GB/T 8287.2-1999高压支柱瓷绝缘子第二部分:尺寸与特性GB 8411.1-1987电瓷材料第一部分:定义、分类和性能GB 12744-1991耐污型户外棒形支柱瓷绝缘子GB/T 16434-1996高压架空线路和发电厂、变电所环境污区分级及外绝缘选择标准 GB/T 16927.1-1997高电压试验技术第一部分一般试验要求JB 4307-1986绝缘子胶装用水泥胶合剂技术条件JB/T 5889-1991绝缘子用有色金属铸件技术条件JB/T 5891-1991绝缘子用黑色金属铸件技术条件JB/T 8177-1999绝缘子金属附件热镀锌层通用技术条件JB/T 9673-1999绝缘子产品包装JB/T 9674-1999超声波探测瓷件内部缺陷JB/T 56202-1999高压支柱瓷绝缘子产品质量分等(内部使用)IEC 600815耐污秽绝缘子的使用导则国家电网公司变电站管理规范(试行)国家电网公司高压支柱瓷绝缘子运行管理规范国家电网公司高压支柱瓷绝缘子技术监督规定国家电网公司预防高压支柱瓷绝缘子事故措施第三章设备的验收第七条新设备验收的项目及要求(一)设备运抵现场、安装前的验收(1)检查包装箱是否破损、受潮、制造厂家、产品名称及型号是否与所订购产品一致。
72.5k及以上电压等级支柱瓷绝缘子运行规范办法前言随着电力系统的不断发展,电压等级的提高和电气设备的发展,支柱瓷绝缘子在电力系统中扮演着越来越重要的角色。
为了确保瓷绝缘子的可靠性和延长其使用寿命,制定并遵守运行规范办法变得越来越重要。
本文将介绍72.5k及以上电压等级支柱瓷绝缘子的运行规范办法,以确保设备的安全、可靠和长期稳定运行。
1. 支柱瓷绝缘子的选用1.1 根据电气设备的额定电压和电流,选择合适的支柱瓷绝缘子。
1.2 确保支柱瓷绝缘子符合国家标准和电力行业标准,并有合格证明。
1.3 在选用支柱瓷绝缘子时,应注意其机械强度、漏电距离和耐张能力等指标。
2. 支柱瓷绝缘子的检查2.1 在新设备投入使用前要对支柱瓷绝缘子进行全面检查,必要时进行试验。
2.2 支柱瓷绝缘子的检查内容包括:外观检查、机械强度试验、绝缘电阻试验、颜色环检查等。
2.3 将支柱瓷绝缘子检查记录保存在文件中,以便随时查阅。
3. 支柱瓷绝缘子的安装3.1 支柱瓷绝缘子的安装应符合国家和电力行业标准,并有相应的设计和施工方案。
3.2 支柱瓷绝缘子的安装前应进行检查,确认其满足设计要求。
3.3 安装时应注意支柱瓷绝缘子的垂直度、水平度、位置、距离和接头等要求。
4. 支柱瓷绝缘子的运行与维护4.1 支柱瓷绝缘子的运行应符合国家和电力行业标准,并有相应的运行指导方针。
4.2 定期对支柱瓷绝缘子进行检查和维护。
4.3 支柱瓷绝缘子的检查和维护内容包括:清洗、松动的紧固件的重新固定、油污的清理等。
4.4 将支柱瓷绝缘子的检查和维护记录保存在文件中,以便随时查阅。
5. 支柱瓷绝缘子的更换5.1 支柱瓷绝缘子的更换应按照国家和电力行业标准操作,并有相应的更换方案。
5.2 在更换支柱瓷绝缘子时,必须对新绝缘子进行检查和试验,以确保其质量可靠。
5.3 更换支柱瓷绝缘子时,要遵循安全操作规程,防止事故发生。
6. 总结支柱瓷绝缘子是电力系统中重要的电力设备,其可靠性和稳定性对于电力系统的运行安全和稳定至关重要。
PS高压线路柱式瓷绝缘子一、概述线路柱式绝缘子是由地胶装在金属底座上,有时还有一个帽的一个或多个绝缘件组成的一种钢性绝缘子,并可用装在金属底座上的双头螺栓或一个或几个螺栓钢性地安装在支持结构上。
用于标称电压高于1000V,频率不大于100Hz,海拔不超过1000m,普通地区和中、重污秽地区的交流电力线路中绝缘和支持导线用,其安装地点的环境温度在-40℃~+40℃之间。
线路(实心)柱式绝缘子可代替针式绝缘子,针式绝缘子属B型绝缘子,运行中容易产生击穿、损坏现象,钢化玻璃绝缘子此时会自破,而瓷绝缘子不会自破。
因而电业部门要花费大量的人力、物力对瓷绝缘子进行电气检测和预防性试验,在经济和安全供电方面有一定不足之处。
因此,随着制造技术的发展,促使出现了线路(实心)柱式绝缘子。
这种绝缘子均具有实心绝缘体,属A型绝缘子,因而运行中不必担忧沿绝缘体内部发生击穿,这是它的一大优点。
线路柱式瓷绝缘子按额定雷电冲击耐受电压值分为95、105、125、150、170、200、250和325kV八个等级;按额定弯曲破坏负荷值分为3、5、8和12.5kN四个等级;按其安装方式分为直立安装和水平安装二种;按其与高压导线的连接方式分为顶部绑扎型和顶部线夹型二种;按钢脚与底座连接方式分为可分离式(螺纹连接)和不可分离式二种。
我公司生产的PSN-105/5ZS连接螺纹有M16、M18、M20三种可供选择,同时为了提高爬电距离,开发了PSN4-105/5ZS耐污型产品。
二、技术标准GB/T 1001.1-2003《标称电压高于1000V的架空线路绝缘子第1部分交流系统用瓷或玻璃绝缘子元件——定义、试验方法和判定准则》GB/T 21206-2007 《线路柱式绝缘子特性》JB/T 8509-1996 《高压线路柱式瓷绝缘子》三、型号说明JB/T8509-1996标准规定:PS——线路柱式瓷绝缘子;J——线夹型,绑扎型不表示;N——较长爬电距离(正常爬电距离不表示);“—”后数字为雷电全波冲击耐受电压值,kV;“/”后数字为弯曲破坏负荷值,kN;Z——直立安装,水平安装不表示;S——螺纹连接式。
高压线路柱式瓷绝缘子Ceramic line Post insulators for high-voltage overhead lines概述:线路柱式绝缘子是由永久地胶装在金属底座上,有时还有一个帽的一个或多个绝缘件组成的一种钢性绝缘子,并可用装在金属底座上的双头螺栓或一个或几个螺栓钢性地安装在支持结构上。
用于标称电压高于1000V,频率不大于100Hz,海拔不超过1000m,普通地区和中、重污秽地区的交流电力线路中绝缘和支持导线用,其安装地点的环境温度在-40℃~+40℃之间。
线路(实心)柱式绝缘子可代替针式绝缘子,针式绝缘子属B型绝缘子,运行中容易产生击穿、损坏现象,钢化玻璃绝缘子此时会自破,而瓷绝缘子不会自破。
因而电业部门要花费大量的人力、物力对瓷绝缘子进行电气检测和预防性试验,在经济和安全供电方面有一定不足之处。
因此,随着制造技术的发展,促使出现了线路(实心)柱式绝缘子。
这种绝缘子均具有实心绝缘体,属A型绝缘子,因而运行中不必担忧沿绝缘体内部发生击穿,这是它的一大优点。
线路柱式瓷绝缘子按额定雷电冲击耐受电压值分为95、105、125、150、170、200、250和325kV八个等级;按额定弯曲破坏负荷值分为3、5、8和12.5kN 四个等级;按其安装方式分为直立安装和水平安装二种;按其与高压导线的连接方式分为顶部绑扎型和顶部线夹型二种;按钢脚与底座连接方式分为可分离式(螺纹连接)和不可分离式二种。
我公司生产的PSN-105/5ZS连接螺纹有M16、M18、M20三种可供选择,同时为了提高爬电距离,开发了PSN4-105/5ZS耐污型产品。
技术标准:GB/T 1001.1-2003 《标称电压高于1000V的架空线路绝缘子第1部分交流系统用瓷或玻璃绝缘子元件——定义、试验方法和判定准则》GB/T 21206-2007 《线路柱式绝缘子特性》JB/T 8509-1996 《高压线路柱式瓷绝缘子》型号说明:JB/T8509-1996标准规定:PS——线路柱式瓷绝缘子;J——线夹型,绑扎型不表示;N——较长爬电距离(正常爬电距离不表示);“—”后数字为雷电全波冲击耐受电压值,kV;“/”后数字为弯曲破坏负荷值,kN;Z——直立安装,水平安装不表示;S——螺纹连接式。
高压柱式绝缘子R12.5ET125N产品详情户外线路柱式绝缘子用于工频交流电压24-800kV户外电站,变电所装置和电器设备中作带电部分的绝缘和支持用。
绝缘子应用环境温度为-40℃~+40℃.部分产品可用于海拔高度为4000米的地区,产品分为普通型和耐污型两大类,耐污型可适用于中等、重和严重污秽地区。
按支持的电器设备不同,分为母线和隔离开关支柱、阻波器支柱和空心电抗器支柱元件。
线路柱式绝缘型号:R8ET95N、R8ET125N、R8ET170N、R12.5ET150、R12.5ET170、R12.5ET200、R12.5ET250、R12.5ET325、R12.5ET95N、R12.5ET125N、R12.5ET150N、R12.5ET170N、R12.5ET200N、R12.5ET250N、R12.5ET325Nxxxx电力电气有限公司主要生产销售铁路电气化绝缘子,电瓷绝缘子,钢化玻璃绝缘子,支柱,复合绝缘子隔离开关等。
本公司以主要市场面向全国各地为市场导向,主要产品为各种高低压电瓷绝缘子,自贡钢化玻璃绝缘,南京钢化玻璃绝缘子,复合绝缘子,支柱绝缘子,穿墙套管,高低压隔离开关等。
我们的产品有着优质的质量,应用于发电输变电等多个领域,深受广大消费者的满意。
我们对产品的承诺:做好品质记录,打好品质基础,顾客是我们的上帝,品质是上帝的要求。
公司性质是一家私营企业,特点是我公司建厂10多年,是制造电工陶瓷的专业厂。
拥有广阔的占地面积,资产雄厚。
员工都是经过专业培训,具有丰富的技术经验。
我们公司具有完善的质量保证体系,分布全国各地,并且公司有严格的质量检查制度,严格执行国家标准检测手段具有权威性。
为开拓市场,实现互惠互利,我们将本着“价格,质量”双优,“诚信,服务”共进的道路前行。
我公司本着以人为本,客户至上,细心、精心、用心,品质永保称心的经营理念,竭诚为广大客户服务。
220kV变电站用棒形支柱瓷绝缘子通用技术规范本规范对应的专用技术规范目录220kV棒形支柱瓷绝缘子采购标准技术规范使用说明1、本物资采购标准技术规范分为标准技术规范通用部分和标准技术规范专用部分。
2、项目单位根据需求选择所需设备的技术规范。
技术规范通用部分条款、专用部分标准技术参数表和使用条件表固化的参数原则上不能更改。
3、项目单位应按实际要求填写“项目需求部分”。
如确实需要改动以下部分,项目单位应填写专用部分“表6项目单位技术差异表”,并加盖该网、省公司物资部(招投标管理中心)公章,与辅助说明文件随招标计划一起提交至招标文件审查会:①改动通用部分条款及专用部分固化的参数;②项目单位要求值超出标准技术参数值范围;③根据实际使用条件,需要变更污秽等级、海拔高度、耐受地震能力、压力释放能力、环境温度等要求。
经招标文件审查会同意后,对专用部分的修改形成“项目单位技术差异表”,放入专用部分表6中,随招标文件同时发出并视为有效,否则将视为无差异。
4、投标人逐项响应技术规范专用部分中“1标准技术参数表”、“2项目需求部分”和“3投标人响应部分”三部分相应内容。
填写投标人响应部分,应严格按招标文件技术规范专用部分的“招标人要求值”一栏填写相应的投标人响应部分的表格。
投标人还应对项目需求部分的“项目单位技术差异表”中给出的参数进行响应。
“项目单位技术差异表”与“标准技术参数表”和“使用条件表”中参数不同时,以差异表给出的参数为准。
投标人填写技术参数和性能要求响应表时,如有偏差除填写“表7投标人技术偏差表”外,必要时应提供证明参数优于招标人要求的相关试验报告。
5、对扩建工程,项目单位应在专用部分提出与原工程相适应的一次、二次及土建的接口要求。
6、技术规范范本的页面、标题等均为统一格式,不得随意更改。
1总则-5-1.1一般规定-5-1.2投标人应提供的资格文件-5-1.3工作范围-5-1.4对设计图样、试验报告和说明书的要求-5-1.5标准和规范-7-1.6必须提交的技术数据和信息-7-1.7备品备件-7-1.8专用工具与仪器仪表-8-1.9安装、调试、性能试验、试运行和验收-8-2结构及其它要求-8-2.1绝缘子尺寸-8-2.2耐污秽性能-8-2.3铭牌-8-2.4法兰盘-9-2.5瓷件错误!未定义书签。
瓷绝缘⼦技术参数设备技术性能指标1总则1.1⼀般规定1.1.1投标⼈须仔细阅读包括本技术规范在内阐述的全部条款。
投标⼈提供的绝缘⼦应符合本技术规范所规定的要求。
1.1.2本技术规范提出了对绝缘⼦技术上的规范和说明。
本技术规范提出的是最低限度的技术要求,并未对⼀切技术细节做出规定,也未充分引述有关标准和规范的条⽂,投标⼈应提供符合本技术规范引⽤标准的最新版本标准和本技术规范技术要求的全新产品,如果所引⽤的标准之间不⼀致或本技术规范所使⽤的标准如与投标⼈所执⾏的标准不⼀致时,按要求较⾼的标准执⾏。
1.1.3本技术规范和图纸所包含的绝缘⼦的⼯艺和制造应是最先进的。
提供的产品应是全新的、未使⽤过的。
其设计和制造应根据招标⼈认可的图纸、设计和有关⽂件。
投标⼈不能因图纸和本技术规范书的遗漏、疏忽和不明确⽽解脱其提供⾼质量产品及服务的责任。
倘若发现有任何疏漏和不明确之处,投标⼈应及时通知招标⼈,在问题未澄清之前的任何举措,应由投标⼈负责。
1.1.4如果投标⼈没有以书⾯形式对本技术规范的条⽂提出差异,则意味着投标⼈提供的设备完全符合本技术规范的要求。
如有与本技术规范要求不⼀致的地⽅,必须逐项在“技术差异表”中列出。
1.1.5 在设计资料、技术规范和图纸等⽂件中,应使⽤SI公制单位。
温度应以摄⽒度(℃)作单位,温差则以开尔⽂(K)作单位。
1.1.6投标⼈应提供产品需附带的专⽤⼯具和仪表,这些⼯具和仪表应是全新的且性能良好。
1.1.7本技术规范将作为订货合同的附件,与合同具有同等的法律效⼒。
1.1.8本技术规范中涉及有关商务⽅⾯的内容,如与本技术规范的商务部分有⽭盾时,以商务部分为准。
1.1.9本技术规范书未尽事宜,由合同签约双⽅在合同技术谈判时协商确定。
1.2投标⼈应提供的资质⽂件以下对投标⼈资质的基本要求,投标⼈应按下列内容和顺序提供详实投标资料。
如基本资质不满⾜要求、投标资料不详实或严重漏项将导致废标。
1.2.1供货业绩投标⼈的供货业绩应满⾜招标⽂件要求,并按附录A提供业绩资料。
目录第一章总则 1第二章引用标准 1第三章设备的验收 2第四章运行巡视、检查项目维护及要求 4第五章事故和故障处理 6第六章设备技术管理 8第七章备品备件管理 9第八章设备报废 1072.5kV及以上电压等级支柱瓷绝缘子运行规范编制说明 11第一章总则第一条为了加强高压支柱瓷绝缘子的运行管理工作,进一步拓宽运行管理工作的范围,延伸运行管理工作的内涵,保证设备安全、可靠、经济运行,特制定本规定。
第二条本规定是依据国家、行业的有关标准、规程和规范并结合近年来国家电网公司输变电设备评估分析、生产运行情况分析以及设备运行经验而制定的。
第三条本规定明确了高压支柱瓷绝缘子设备选型、订货、监造、出厂验收、现场安装、验收、运行、检修和设备的缺陷检测、评估、分析、过程工作提出了具体要求。
第四条本规定适用于国家电网公司系统所辖发电厂、变电站、换流站、串补站,户内和户外72. 5kV及以上电压等级的支柱瓷绝缘子的管理。
第五条各网省电力公司可根据本规定,结合本地区实际情况制定相应的实施细则。
第二章引用标准第六条以下为本规范引用的标准、规程和导则,但不限于此。
GB/T 494-1998 建筑石油沥青GB 772-1987 高压支柱瓷绝缘子瓷件技术条件GB/T 775.1-1987 绝缘子试验方法第1部分:一般试验方法GB/T 775.2-1987 绝缘子试验方法第2部分:电气试验方法GB/T 775.3-1987 绝缘子试验方法第3部分:机械试验方法GB/T 5582-1993 高压电力设备外绝缘污秽等级GB 8287.1-1998 高压支柱瓷绝缘子第一部分:技术条件GB/T 8287.2-1999 高压支柱瓷绝缘子第二部分:尺寸与特性GB 8411.1-1987 电瓷材料第一部分:定义、分类和性能GB 12744-1991 耐污型户外棒形支柱瓷绝缘子GB/T 16434-1996 高压架空线路和发电厂、变电所环境污区分级及外绝缘选择标准GB/T 16927.1-1997 高电压试验技术第一部分一般试验要求JB 4307-1986 绝缘子胶装用水泥胶合剂技术条件JB/T 5889-1991 绝缘子用有色金属铸件技术条件JB/T 5891-1991 绝缘子用黑色金属铸件技术条件JB/T 8177-1999 绝缘子金属附件热镀锌层通用技术条件JB/T 9673-1999 绝缘子产品包装JB/T 9674-1999 超声波探测瓷件内部缺陷JB/T 56202-1999 高压支柱瓷绝缘子产品质量分等(内部使用)IEC 600815 耐污秽绝缘子的使用导则国家电网公司变电站管理规范(试行)国家电网公司高压支柱瓷绝缘子运行管理规范国家电网公司高压支柱瓷绝缘子技术监督规定国家电网公司预防高压支柱瓷绝缘子事故措施第三章设备的验收第七条新设备验收的项目及要求(一)设备运抵现场、安装前的验收(1)检查包装箱是否破损、受潮、制造厂家、产品名称及型号是否与所订购产品一致。
72.5kV 及以上电压等级高压支柱瓷绝缘子检修规范黑龙江省电力有限公司二○一二年六月目次第一章总则 (1)第二章引用标准 (1)第三章检查与处理 (2)第四章检修(检测)基本要求 (4)第五章检修作业 (6)第六章检修前的准备 (2)第七章支柱瓷绝缘子检修关键工序质量控制 (3)第八章检修报告的编写 (4)第九章检修后投运 (4)附录 A (5)附录 B (7)72.5kV及以上电压等级高压支柱瓷绝缘子检修规范编制说明 (10)第一章总则 (10)第二章检修项目与处理 (10)第三章检修基本要求 (11)第四章检修前的准备 (11)第一章总则第一条为了保证电网安全可靠运行,提高支柱绝缘子的检修质量,使检修工作制度化、规范化,为了加强高压支柱瓷绝缘子全过程管理,及时掌握高压支柱瓷绝缘子各个阶段的状况,制定有针对性的预防设备事故措施,全面提高高压支柱瓷绝缘子的管理水平,特制定本规范。
第二条本标准是依据国家、行业、国家电网公司现行有关标准、规程、规范,并结合近年来国家电网公司高压支柱瓷绝缘子生产运行情况、检修、试验(例行、诊断、交接)分析以及设备运行经验而制定的。
第三条本标准规定了高压支柱瓷绝缘子在设备投运前(包括设计选型、监造、现场安装、现场验收)、运行维护、检修、技术监督、技术改造等全过程的评价项目及内容、评价依据、评价标准及方法。
第四条本规范适用于黑龙江省电力有限公司系统的72.5kV及以上户内和户外高压支柱瓷绝缘子,35kV 高压支柱瓷绝缘子的检修可参照此标准执行,由各个电业局可根据本规定。
第五条国家电网公司并未出台高压支柱瓷绝缘子状态检修导则及评价导则,黑龙江省电力有限公司要求各局参照交流高压隔离开关状态检修导则及评价导则等标准执行。
第二章引用标准第六条以下为本规范引用的标准、规程和导则,但不限于此。
GB 494-2010 建筑石油沥青GB 772-2005 高压绝缘子瓷件技术条件GB/T 775.1-2006 绝缘子试验方法第1部分:一般试验方法GB 775.2-2003 绝缘子试验方法第2部分:电气试验方法GB 775.3-2006绝缘子试验方法第3部分:机械试验方法GB/T 5582-1993高压电力设备外绝缘污秽等级GB 8287.1-2008 高压支柱瓷绝缘子第一部分:技术条件GB 8287.2-2008 高压支柱瓷绝缘子第二部分:尺寸与特性GB 8411.1-2008 电瓷材料第一部分:定义、分类和性能GB/T 8287.1-2008标称电压高于1000V系统用户内和户外支柱绝缘子第1部分:瓷或玻璃绝缘子的试验GB/T 8287.2-2008标称电压高于1000V系统用户内和户外支柱绝缘子第2部分:尺寸与特性GB/T 16434-1996高压架空线路和发电厂、变电所环境污区分级及外绝缘选择标准GB/T 16927.1-1997 高电压试验技术第一部分一般试验要求JB/T 4307-2004 绝缘子胶装用水泥胶合剂JB/T 5889-1991绝缘子用有色金属铸件技术条件JB/T 5891-1991绝缘子用黑色金属铸件技术条件1JB/T 8177-1999绝缘子金属附件热镀锌层通用技术条件JB/T 9673-1999绝缘子产品包装JB/T 9674-1999超声波探测瓷件内部缺陷国家电网公司变电站管理规范(试行)国家电网公司高压支柱瓷绝缘子运行管理规范国家电网公司高压支柱瓷绝缘子技术监督规定国家电网公司预防高压支柱瓷绝缘子事故措施IEC 600815耐污秽绝缘子的使用导则国家电网公司《设备状态检修规章制度和技术标准汇编》国家电网公司《国家电网公司输变电设备状态检修试验规程》国家电网公司《设备状态检修规章制度和技术标准汇编》黑龙江省电力有限公司《黑龙江省电力有限公司输变电设备状态检修试验规程》黑龙江省电力有限公司《黑龙江省电力有限公司输变电设备状态诊断导则》第三章检查与处理高压支柱瓷绝缘子检查周期取决于在电力系统中所处的重要性和运行环境、安装现场的环境和气候、结合国家电网公司输变电设备评估分析、生产运行情况、检修、试验分析以及设备运行经验及输变电设备状态检修试验规程等情况。
目 录
1 技术参数和性能要求 1
2 项目需求部分 4
货物需求及供货范围
4
图纸资料提交单位
4
工程概况
4
使用条件
5
项目单位技术差异
5
3 投标人响应部分
6
1. 标准参数和性能要求
投标人应根据“表2 货物需求及供货范围一览表”中项目单位要求的型式、规格,认真
逐项填写表3的投标人响应值,以及相应的技术参数响应表1和表2中的投标人保证值,不能
空格,也不能以“响应”两字代替,不允许改动招标人要求值。如有偏差,请填写投标人技术
偏差表8。技术参数表1中带“*”项为关键参数,投标资料不详实、严重漏项或不满足带
“*”项将视为实质性不响应。
GB/T 21206—2007有关产品型号说明如下:
表1 10~20kV线路柱式瓷绝缘子技术参数和性能要求响应表
项 目
招标人要求值 投标人保证值
制造商(厂)名称
项目、招标产品代号
参数 选√否× 产品型号 参数
R5ET105N
(PS-15/5)-1
绝缘件最大公称直径
(mm)
130 √
公称总高(mm)* 207 √
最小公称爬电距离
(mm)*
300 √
最小弯曲破坏负荷(kN)
*
5 √
雷电冲击耐受电压
(kV)
105 √
湿工频耐受电压(kV) 40 √
R5ET105L
(PS-15/5)-2
绝缘件最大公称直径
(mm)
125
公称总高(mm)* 256
最小公称爬电距离
(mm)*
360
最小弯曲破坏负荷(kN)
*
5
雷电冲击耐受电压
(kV)
105
湿工频耐受电压(kV) 40
R5ET125L
(PS-15/5)-3
绝缘件最大公称直径
(mm)
131
公称总高(mm)* 295
最小公称爬电距离
(mm)*
427
最小弯曲破坏负荷(kN)
*
5
雷电冲击耐受电压
(kV)
125
湿工频耐受电压(kV) 50
R7ET125L
(PS-20/7)
绝缘件最大公称直径
(mm)
150
公称总高(mm)* 298
最小公称爬电距离
(mm)*
590
最小弯曲破坏负荷(kN)
*
7
雷电冲击耐受电压
(kV)
125
湿工频耐受电压(kV) 50
注:()中为JB/T 9683-1999标准定义的线路柱式绝缘子型号(下同)。
2. 项目需求部分
货物需求及供货范围
表3 货物需求及供货范围一览表
序号 名 称 单位
项目单位要求 投标人响应
型式、规格 数量 型式、规格 数量
1
2
3
4
5
图纸资料提交单位
需确认的图纸资料应由卖方提交到表4所列单位。
表4 卖方提交的需经确认的图纸资料及其接收单位
提交图纸、资料名称 接收图纸单位名称、地址、邮编、电话 提交份数
认可图、最终图
(附电子文档)
认可图、最终图
说明书
试验报告
(附电子文档)
6
工程概况
2.3.1 项目名称:
2.3.2 项目单位:
2.3.3 设计单位:
2.3.4 工程规模:
线路长度、起讫点、主要塔型、导线规格和分裂数、沿线污区分布状况、绝缘子用量以及
地形地貌。
2.3.5 适用范围:
本规范书适用于**************工程的线路柱式瓷绝缘子(以下简称绝缘子)的设
计、制造、试验、包装和供货等技术要求。
2.4 使用条件
表5使用条件参数表
序号 名 称 单位 招标人要求值 投标人保证值
1 安装地点 - 户外
2 海拔高度 (m) 1000
3 最低环境温度 (℃) -20
4 最高环境温度 (℃) 40
5 覆冰厚度 (mm) 10
6 基本风速 (m/s) 27
7 年平均雷电日 日/年 40
8 污秽等级 E
项目单位技术差异表
项目单位要求的产品技术规范应完全符合本招标文件中规定。若有特殊要求,项目单位应
如实、认真地在项目单位技术差异表中填写差异值,否则视为与本招标文件中规定的要求一
致。若无技术差异则应在项目单位技术差异表中填写“无差异”。
表6 项目单位技术差异表(项目单位填写)
序号 项 目 标准参数值 项目单位要求值 投标人保证值
1
2
……
序号 项 目 变更条款页码、款号 原表达 变更后表达
1
2
……
注:本表是对技术规范的补充和修改,如有冲突,应以本表为准。
3. 投标人提供信息
投标人技术偏差表
投标人提供的产品技术规范应完全满足本招标文件中规定。若有偏差投标人应如实、认真
地在技术偏差表(表8)中填写偏差值,否则视为与本招标文件中规定的要求一致。若无技术
偏差则应在技术偏差表中填写“无偏差”。
表7 投标人技术偏差表
序号 项 目 对应条款编号 技术招标文件要求 偏 差 备 注
1
2
3
4