自动控制原理复习提纲
- 格式:doc
- 大小:1.01 MB
- 文档页数:7
《自动控制原理》复习与考试方法考试题型一、填空题,10题,20分;二、简答与读图分析题,3题,约30分;三、计算与作图,2题,约30分;四、综合分析题,1题,20分。
考试范围第1章,第2章1-4节,第3章(重点),第5章(重点),第7章(重点),第8章考试内容1、系统概念(定义、分类、优缺点、特点);2、性能指标定义与计算;3、定性分析系统的工作原理与调节方法;4、数学模型的的类型与建立方法,传递函数,系统框图,伯德图的绘制;5、稳态误差分析与计算;6、系统校正,校正装置与方法,校正前后系统传递函数,相位裕量计算7、离散系统的基本概念。
分章知识要点第1章1、自动控制的概念?2、自动控制系统各信号的名称与定义?3、自动控制系统的组成?各元件的名称与作用?4、自动控制系统的基本形式?5、开环控制系统与闭环控制系统各有什么优点与缺点?6、自动控制系统的分类?各自特点?7、自动控制系统的基本要求?8、定性分析系统的工作原理与调节方法。
第2章1、数学模型的类型?2、建立数学模型的方法有哪些?3、微分方程的建立?4、传递函数的定义与性质?5、比例、积分、惯性、比例积分、比例微分环节的传递函数与有源电路形式?6、方块图的组成?7、闭环传递函数求取?第3章1、典型信号有哪些?各自图像特征?2、瞬态性能指标有哪些?各自定义域计算方法?3、二阶系统的数学模型与参数?瞬态响应分类与特点?二阶工程最佳的参数特点?4、系统稳定性的定义域必要条件?5、劳斯稳定判据方法?6、稳态误差的定义?与哪些参数有关?7、三种典型信号对三种典型系统的误差计算方法?第5章1、频率特性的定义?幅频特性、相频特性、实频特性、虚频特性的定义与相互关系2、频率特性的表示方法?3、对数频率特性的定义?伯德图的坐标定义与作图方法?4、典型环节的伯德图?5、已知系统传递函数绘制系统的伯德图?由已知最小相位系统开环对数频率特性图解析系统传递函数?6、奈奎斯特判据在伯德图中的应用?7、相位稳定裕度的定义与计算方法?第7章1、校正装置的类型与特点?2、校正方法的分类?3、校正的计算?4、校正前后的性能比较?5、PID控制器各种形态的特点?第8章1、信号的采样方法?采样定理?2、信号的保持方法?3、Z变换的概念与方法?4、脉冲传递函数的定义?5、离散系统稳定的条件?。
《自动控制原理》考研复习大纲自动控制原理是一门涉及系统建模和控制设计的学科,学习本门课程主要是为了掌握系统控制的基本理论和方法。
下面是《自动控制原理》考研复习大纲。
一、基本概念1.自动控制的基本概念和分类2.自动控制系统的组成和结构3.控制系统的特性参数与性能指标4.闭环控制和开环控制的优缺点二、系统数学模型1.力学系统的数学建模2.电气系统的数学建模3.热力系统的数学建模4.液压系统的数学建模三、信号与系统1.信号的基本概念与分类2.系统的时间域和频域分析方法3.信号的线性时不变系统表示与处理4.采样与保持四、系统时域分析1.系统的传递函数与状态方程2.系统的零极点分析和阶跃响应3.系统的稳定性与稳态误差4.系统的动态特性与频域指标五、系统频域分析1.线性系统频域描述的基本概念2.系统的频率响应与波特图3.传递函数的极点和零点分析六、控制器设计与稳定性1.控制器设计的基本思想和方法2.PID控制器的性能指标与调整方法3.根轨迹法与极坐标法4.控制系统的稳定性判据和稳定性分析方法七、校正和校准2.定义和识别开环和闭环误差3.适应性校正和自适应控制方法八、多变量系统与现代控制理论1.多变量系统的性态和控制方法2.现代控制理论与方法概述3.线性二次调整与最优控制4.自适应控制与模糊控制九、主动振动控制1.振动控制的基本概念和方法2.主动振动控制的建模和控制方法3.智能材料在主动振动控制中的应用以上是《自动控制原理》考研复习大纲的主要内容,整体上包括了基本概念、系统数学模型、信号与系统、系统时域分析、系统频域分析、控制器设计与稳定性、校正和校准、多变量系统与现代控制理论、主动振动控制等方面的内容。
希望能对你的考研复习提供一定的帮助。
第一章绪论1、基本概念(1)自动控制:在没有人直接参与的情况下,利用控制器使被控对象(或过程)的某些物理量(被控量)自动地按预先给定的规律去运行。
(2)自动控制系统:能够实现自动控制任务的系统,由控制装置与被控对象组成。
(3)被控对象:指被控设备或过程。
(4)输出量,也称被控量:指被控制的量。
它表征被控对象或过程的状态和性能,它又常常被称为系统对输入的响应。
(5)输入量:是人为给定的系统预期输出的希望值。
(6)偏差信号:参考输入与实际输出的差称为偏差信号,偏差信号一般作为控制器的输入信号。
(7)负反馈控制:把被控量反送到系统的输入端与给定量进行比较,利用偏差引起控制器产生控制量,以减小或消除偏差。
2、自动控制方式(1)开环控制开环控制系统指系统的输出量对系统的控制作用没有影响的系统。
它分为按给定控制和按扰动控制两种形式。
按给定控制:信号由给定输入到输出单向传递。
按扰动控制(顺馈控制):根据测得的扰动信号来补偿扰动对输出的影响。
(2)闭环控制(反馈控制)闭环控制系统指系统的输出量与输入端存在反馈回路,即输出量对控制作用有直接影响的系统。
系统根据实际输出来修正控制作用,实现对被控对象进行控制的任务,这种控制原理称为反馈控制原理。
3、自动控制系统的分类(1)按给定信号的特征分类①恒值控制系统:希望系统的输出维持在给定值上不变或变化很小。
②随动控制系统:给定信号的变化规律是事先不确定的随机信号。
③程序控制系统:系统的给定输入不是随机的,而是确定的、按预先的规律变化。
(2)按系统的数学模型分类⎧⎧⎧⎪⎪⎪⎪⎪⎪−−−→⎨⎪⎪⎪⎪⎪⎨⎪⎪⎩⎪⎪⎪⎧⎪⎪−−−→⎨⎨⎪⎩⎩⎪⎪⎧−−−→⎪⎪⎪⎧⎪⎨⎪⎪−−−→⎨⎪⎪⎪⎪⎪⎩⎩⎩分析法分析法分析法分析法时域法根轨迹法线性定常系统频域法线性系统状态空间法时域法线性时变系统状态空间法非本质非线性线性化法描述函数法非线性系统本质非线性相平面法状态空间法 (3)按信号传递的连续性划分①连续系统:系统中的所有元件的输入输出信号均为时间的连续函数,所以又常称为模拟系统。
自动控制理论复习提纲(第1章)1.什么是自动控制?2.什么是自动控制理论?包括那三大部分?3.经典理论和现代理论的特点是什么?4.什么是自动控制系统?5.什么是反馈控制原理?6.三种基本控制方式是什么?7.按输入量的变化规律,控制系统可以分为哪几类?8.对控制系统的基本要求是什么?9.典型输入信号包括哪几种?自动控制理论复习提纲(第2章)1.什么是数学模型?2.经典理论常用数学模型包括哪几种?3.什么是控制系统的运动模态?有什么决定?4.什么是传递函数?5.传递函数的三种表达式形式分别是什么?6.动态结构图的四种基本组成单元是什么?7.结构图的基本连接方式包括哪三种?8.结构图的化简规则有哪些?9.信号流图的组成单元包括哪两种?10.什么是梅逊公式?学会应用梅逊公式求闭环传递函数。
11.典型结构的几个闭环传递函数:Фr(s), Фn(s),Фer(s),Фen(s)自动控制理论复习提纲(第3章)1.什么是时域分析法?2.时域性能指标的定义。
3.二阶系统的数学模型:结构图、开环传递函数、闭环传递函数、五种阻尼状态及其响应特征。
4.欠阻尼二阶系统的单位阶跃响应:特征根表达式、响应表达式、性能指标关系式。
5.二阶系统的两种性能改善措施:结构、传函、特点。
6.什么是主导极点和偶极子?7.高阶系统的降阶方法。
8.什么是控制系统的稳定性?9.控制系统稳定的充分必要条件是什么?10.劳斯判据:充分必要条件、劳斯表的构造方法、两种特殊情况的处理方法。
11.劳斯判据的四种应用:判稳、求取不稳定根的个数、确定待定参会素的稳定范围、判断系统的相对稳定程度。
12.什么是误差和稳态误差?稳态误差的定义式。
13.稳态误差的一般计算式和简化计算式。
14.减小或消除稳态误差的三种措施是什么?自动控制理论复习提纲(第4章)1.什么是根轨迹?2.三种根轨迹方程分别是什么?3.8条根轨迹法则分别是什么?4.学会绘制四阶以下(含)系统根轨迹。
自动控制复习提纲第一章 自动控制系统概论1、 自动控制系统的概念:就是在没人直接参与的情况下,利用控制装置操纵被控对象,使其按照预定的规律运动或变化2、 控制装置的组成:自动检测装置、自动调节装置、执行装置3、 系统术语 ⑴、 被控量:要求被控对象保持恒定或为按一定规律变化的物理量,一般是输出量,是时间的函数。
⑵、 给定信号:控制系统的输入信号,是时间的函数。
⑶、 偏差信号:是比较元件的输出信号,即给定信号与反馈信号之差。
⑷、 误差信号:系统被控量的希望值与实际值之差。
⑸、 干扰信号:破坏系统平衡,导致系统的被控量偏离其给定值的因素。
⑹、 反馈信号:从系统的输出端引出,经过变换回送至输入端与给定信号进行比较的信号。
4、 自动控制系统的分类: ⑴、 开环控制系统:若系统的输入量与输出量之间只有顺向作用,而没有反向联系,则该系统称为开环控制系统。
⑵、 闭环控制系统:输入量与输出量之间不仅有顺向作用,而且有反向作用的控制系统,称为闭环控制系统。
5、 对自动控制系统的基本要求:稳定性、快速性、准确性。
例1:适合于应用传递函数描述的系统是:线性定常系统例2:根据控制系统元件的特性,控制系统可分为:线性控制系统和非线性控制系统第二章 控制系统的数学模型1、 传递函数的定义:传递函数G (s )=输出量的拉氏变换/输入另的拉氏变化=C (s )/R (s ) 2、 用阻抗法求传递函数:电阻元件的传递函数用 R 表示, 电感元件的传递函数用 LS 表示;而电容元件的传递函数用 1/(CS) 表示;例题1:如图1所示,有源网络的传递函数)()(s U s U r c 为: -R2/R1图13、 动态结构图的等效变换及化简⑴、串联变换规则 :当系统中有两个或两个以上环节串联时,其等效传递函数为各串联环节的传递函数的乘积。
C (s )=G 1(s)G 2(s)R(s)=G (s )R(s) ⑵、并联变换规则:当系统中两个或两个以上环节并联时,其等效传递函数为各并联环节的传递函数的代数和。
《自动控制原理》复习提纲自动控制原理复习提纲第一章:自动控制系统基础1.1自动控制的基本概念1.2自动控制系统的组成1.3自动控制系统的性能指标1.4自动控制系统的数学建模第二章:系统传递函数与频率响应2.1一阶惯性系统传递函数及特性2.2二阶惯性系统传递函数及特性2.3高阶惯性系统传递函数及特性2.4惯性环节与纯时延环节的传递函数2.5开环传递函数与闭环传递函数2.6频率响应曲线及其特性第三章:传递函数的绘制和分析3.1 Bode图的绘制3.2 Bode图的分析方法3.3 Nyquist图的绘制和分析3.4极坐标图的应用3.5稳定性分析方法第四章:闭环控制系统及稳定性分析4.1闭环控制系统4.2稳定性的概念和判据4.3 Nyquist稳定性判据4.4 Bode稳定性判据4.5系统的稳态误差分析第五章:比例、积分和微分控制器5.1比例控制器的原理和特性5.2积分控制器的原理和特性5.3微分控制器的原理和特性5.4比例积分(P)控制系统5.5比例积分微分(PID)控制系统第六章:根轨迹法6.1根轨迹的概念和基本性质6.2根轨迹的绘制方法6.3根轨迹法的稳定性判据6.4根轨迹设计法则6.5根轨迹法的应用案例第七章:频域设计方法7.1频域设计基本思想7.2平衡点反馈控制法7.3频域设计法的应用案例7.4系统频率响应的优化设计7.5频域方法的灵敏度设计第八章:状态空间分析和设计8.1状态空间模型的建立8.2状态空间的矩阵表示8.3状态空间系统的特性8.4状态空间系统的稳定性分析8.5状态空间设计方法和案例第九章:模糊控制系统9.1模糊控制的基本概念9.2模糊控制系统的结构9.3模糊控制器设计方法9.4模糊控制系统的应用案例第十章:遗传算法与控制系统优化10.1遗传算法的基本原理10.2遗传算法在控制系统优化中的应用10.3遗传算法设计方法和案例第十一章:神经网络及其应用11.1神经网络的基本概念和结构11.2神经网络训练算法11.3神经网络在控制系统中的应用11.4神经网络控制系统设计和优化方法第十二章:自适应控制系统12.1自适应控制的基本概念12.2自适应控制系统的结构12.3自适应控制器设计方法12.4自适应控制系统的应用案例第十三章:系统辨识与模型预测控制13.1系统辨识的基本概念13.2建模方法及其应用13.3模型预测控制的原理13.4模型预测控制系统设计和优化方法第十四章:多变量控制系统14.1多变量控制系统的基本概念14.2多变量系统建模方法14.3多变量系统稳定性分析14.4多变量系统控制器设计14.5多变量系统优化控制方法以上是《自动控制原理》的复习提纲,内容覆盖了自动控制系统的基本概念、传递函数与频率响应、传递函数的绘制和分析、闭环控制系统及稳定性分析、比例、积分和微分控制器、根轨迹法、频域设计方法、状态空间分析和设计、模糊控制系统、遗传算法与控制系统优化、神经网络及其应用、自适应控制系统、系统辨识与模型预测控制、多变量控制系统等知识点。
自动控制复习提纲2010-12-7通过本课程学习,学生将掌握自动控制系统分析与设计等方面的基本方法,如控制系统的时域分析法、根轨迹分析法、频域分析法、采样控制系统的分析等基本方法等。
第一章自动控制系统的概念1、基本知识点:自动控制的定义、工作原理、基本控制方式及特点,对控制系统性能的基本要求,建立元件方块图的方法,自动控制系统的分类,自动控制系统实例。
2、基本要求:掌握基本概念:自动控制、反馈、控制系统的构成和各部分的作用。
要求初步了解如何由系统工作原理图形成系统的原理方块图及判别控制方式的方法。
确定控制系统的被控对象、控制量和被控制量,正确画出系统的方框图。
3、本章重点:基本控制方式及特点;对控制系统性能的基本要求建立元件方块图的方法;自动控制系统实例第二章数学模型1、基本知识点:掌握元件和系统微分方程式的建立,典型环节及其传递函数、系统结构图的建立及化简、信流图和梅森公式,控制系统传递函数的表示方法,小偏差线性化,分析建模法。
2、基本要求:掌握基本概念:传递函数及动态结构图。
掌握求传递函数基本方法:结构图的变换。
3、本章重点重点:典型环节及其传递函数;信流图和梅森公式第三章时域分析法1、基本知识点:一、二阶系统的阶跃输入函数作用下时间响应,暂态性能指标;二阶系统欠阻尼情况下性能指标的计算方法和根据性能的要求确定典型二阶系统参数的计算方法;主导极点的概念,稳定性概念,劳斯判据,稳态误差和误差系数,误差计算及终值定理。
2、基本要求:掌握基本概念:典型响应、渐近稳定性及时域性能指标、稳态误差。
掌握基本方法:一、二阶系统性能指标的计算和参数选择;系统稳定性和稳态误差的分析和计算。
典型响应以阶跃响应为主。
3、教学重点重点:一、二阶系统的时间响应;稳定性概念;稳态误差稳态误差的分析和计算第四章根轨迹分析法1、基本知识点:根轨迹的概念、原理、绘制法则,利用根轨迹对系统性能的分析,偶极子和主导极点的概念、添加零极点对系统性能的影响。
自动控制原理考试大纲考试要求:带计算器第一章:控制系统的一般概念1、自动控制的基本方式;自动控制系统的分类;控制系统的基本要求;2、线性与非线性系统的定义。
第二章:控制系统数学模型1、一般控制系统微分方程式建立的方法;非线性运动方程式的线性化; 控制系统的传递函数;控制系统方框图及其简化;2、信号流图以及梅森增益公式。
第三章:线性系统的时域分析1、典型输入信号;一阶系统的时域分析;二阶系统的时域分析;线性系统的稳定性与稳定判据;反馈系统的误差与偏差;反馈系统的稳态误差及计算;掌握二阶系统性能指标的计算。
2、理解ROUth判据。
第四章:根轨迹法1、绘制根轨迹的基本原则;典型反馈系统的根轨迹分析;2、180度根轨迹;典型反馈系统根轨迹绘制。
第五章:线性系统的频域分析1、典型环节的频率响应;对数频率特性;典型环节的BOde图绘制;开环系统与闭环系统的频率响应;NyqUiSt稳定判据;2、控制系统的相对稳定性;频率指标和时域指标间的关系;相角裕度和幅值裕度的计算。
第六章:控制系统的综合与校正1、控制系统校正的目的及串联校正,反馈校正的区别与选择;基本控制规律分析;2、超前校正参数的确定;迟后校正参数的确定。
第九章:线性系统的状态空间分析与综合(所占比例不超过20%)1、状态变量及状态空间表达式;状态空间表达式的状态变量图;状态空间表达式的建立;状态空间表达式的线性变换;2、可控性定义;线性定常系统的可控性判别;线性连续定常系统的可观性;离散时间系统的可控性和可观性;对偶关系;可控标准型和可观标准型;传递函数的实现;3、线性反馈控制系统的基本结构和特性;极点配置;4、稳定性定义;李雅普诺夫第一方法和第二方法;李雅普诺夫方法在线性系统中应用;李雅普诺夫方法在非线性系统中应用。
主要参考书:《自动控制原理》(第六版)胡寿松主编,科学出版社,2013年版;涵盖本复习大纲的任何其他相关教材均可作为复习参考书。
自动控制原理复习提纲1、什么是自动控制?自动控制系统的组成自动控制是指在无人直接参与的情况下,利用控制装置操纵受控对象,使得表征受控对象物理特征的被控量等于给定值或按给定信号变化规律去变化的过程。
自动控制系统由控制装置和受控对象构成。
2、自动控制系统的基本控制方式,自动控制系统的分类自动控制系统的基本控制方式为开环控制和闭环控制,自动控制系统的分类:线性系统和非线性系统,定常系统和时变系统,连续系统和离散系统,恒值系统、随动系统和程序控制系统。
3、对控制系统的性能要求(一)稳定性稳定性一般可以这样来表述:系统受到外力作用后,其动态过程的振荡倾向和系统恢复平衡的能力。
(二)快速性快速性可以通过动态过程时间的长短来表征。
过度过程时间越短,表明快速性越好,反之亦然。
快速性表明了系统输出惨c(t)对输入r(t)响应的快慢程度。
系统响应越快,说明系统的输出复现输入信号的能量越强。
(三)准确性准确性是由输入给定值与输出响应的终值之间的差值e来表征。
准ss确性反映了系统在一定外部信号作用下的稳态精度。
若系统的最终误差为零,则称为无差系统,否则称为有差系统。
4、什么是传递函数,如何求相关电路的传递函数传递函数的定义:在零初始条件下,线性定常系统输出量的拉氏变换与系统输入量的拉氏变换之比。
5、 控制系统的典型环节有哪些?传递函数各是什么? 比例环节,其传递函数为K s R s C s G ==)()()(; 惯性环节,其传递函数为1)()()(+==Ts K s R s C s G ; 积分环节,其传递函数为Ts s R s C s G 1)()()(==; 微分环节,其传递函数为Ts s R s C s G ==)()()(; 振荡环节,其传递函数为222222121)()()(n n n s s Ts s T s R s C s G ωζωωζω++=++==,式中Tn 1=ω为振荡环节的无阻尼自然振荡频率。
(完整word版)自动控制原理复习提纲(整理版)《自动控制原理》课程概念性知识复习提纲详细版第一章:1.自动控制的任务(背):是在没有人直接参与下,利用控制装置操纵被控对象,使被控量等于给定值。
2.自动控制基本方式一.按给定值操纵的开环控制二.按干扰补偿的开环控制三.按偏差调节的闭环控制3.性能要求:稳快准第二章:4.微分方程的建立:课后2.55.传递函数定义(背)线性定常系统(或元件)的传递函数为在零初始条件下,系统(或元件)的输出变量拉氏变换与输入变量拉氏变换之比。
这里的零初始条件包含两方面的意思,一是指输入作用是在t=0以后才加于系统,因此输入量及其各阶导数,在t=0-时的值为零。
二是指输入信号作用于系统之间系统是静止的,即t=0-时,系统的输出量及其各阶导数为零。
这是反映控制系统的实际工作情况的,因为式(2-38)表示的是平衡工作点附近的增量方程,许多情况下传递函数是能完全反映系统的动态性能的。
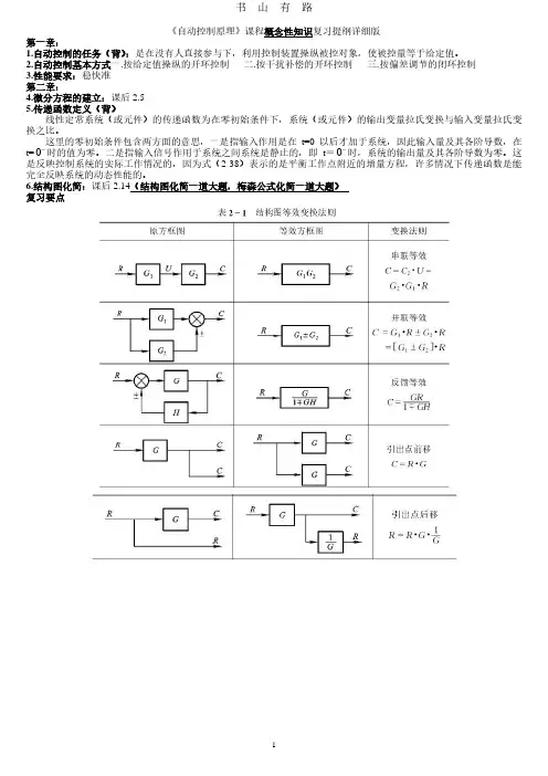
6.结构图化简:课后2.14(结构图化简一道大题,梅森公式化简一道大题)复习要点7.几种传递函数(要求:懂得原理)一.输入信号r(t)作用下的系统闭环传递函数二.干扰信号n(t)作用下的系统闭环传递函数三.闭环系统的误差传递函数8.阶跃响应,脉冲响应,传递函数之间的关系阶跃响应:H(s)=1s 单位斜坡响应:t C (s )=21s 单位脉冲响应:K(s)=Φ(s) 11()()()H s s K s s s =Φ?=? 211()()()t C s s H s s s=Φ?=? 综合可得 K(s)=sH(s) H(s)=s t C第三章:9.阶跃响应的性能指标有哪些,各个性能指标的意义是什么。
10.从平稳性,快速性和稳态精度三个方面,简述典型二阶欠阻尼系统结构参数,n对阶跃相应的影响。
由于欠阻尼二阶系统具有一对实部为负的共轭复特征根,时间响应呈衰减振荡特性,故又称为振荡环节。
系统闭环传递函数的一般形式为222()()2n n nC s R s s s ωζωω=++ 由于0<ζ<1,所以一对共轭复根为1,2n s j ζωω=-±d j σω-±式中,n σζω=,为特征根实部之模值,具有角频率量纲。
第一章自动控制的一般概念知识点:控制系统的一般概念:名词术语、控制系统的分类、组成典型外作用、对控制系统的基本要求基本要求:掌握反馈控制的基本原理。
根据系统工作原理图绘制方块图主要考点本章所涉及的自动控制方面的基本概念,是以后课程学习的基础,有关内容在诸如问答、填空和选择类型的考题中常会涉及。
在掌握基本概念的基础上,还应熟悉线性定常系统微分方程的特点,并通过练习,掌握由系统工作原理图画出方框图的方法。
第二章控制系统的数学模型知识点:控制系统动态微分方程的建立、拉普拉斯变换法求解线性微分方程的零初态响应与零输入响应运动模态的概念、传递函数的定义和性质、典型元部件传递函数的求法系统结构图的绘制、等效变换、梅森公式在结构图和信号流图中的应用基本要求:利用复阻抗的概念建立无源网络的结构图;利用复阻抗的概念建立有源网络的传递函数熟悉控制系统常用元部件的传递函数掌握控制系统结构图的绘制方法及串联、并联、反馈三种基本等效变换用等效变换方法或梅森公式求系统结构图或信号流图的各种传递函数主要考点建立控制系统的微分方程;传递函数的概念;结构图等效变换及求复杂系统的传递函数。
例1:试用结构图等效化简下图系统的传递函数例2: 两级RC滤波网络的结构图如图所示,试采用结构图等效变换法化简结构图。
步骤一: 向左移出相加点,向右移出分支点步骤二:化简两个内部回路,合并反馈支路步骤三: 反馈回路化简例3:系统结构图如下,求传递函数[解]:结构图等效变换如下:例4: 已知系统方程组如下,试绘制系统结构图,并求闭环传递函数 。
⎪⎪⎩⎪⎪⎨⎧=-=-=--=)()()()()]()()([)()]()()()[()()()]()()[()()()(3435233612287111s X s G s C s G s G s C s X s X s X s G s X s G s X s C s G s G s G s R s G s X 解 : 系统结构图如下图所示。
自动控制原理总复习资料(完美)总复第一章的概念典型的反馈控制系统基本组成框图如下:输出量串连补偿放大执行元被控对元件元件件象--反馈补偿元件测量元件自动控制系统有三种基本控制方式:反馈控制方式、开环控制方式和复合控制方式。
基本要求可以归结为稳定性(长期稳定性)、准确性(精度)和快速性(相对稳定性)。
第二章要求:1.掌握运用拉普拉斯变换解微分方程的方法。
2.牢固掌握传递函数的概念、定义和性质。
3.明确传递函数与微分方程之间的关系。
4.能熟练地进行结构图等效变换。
5.明确结构图与信号流图之间的关系。
6.熟练运用梅森公式求系统的传递函数。
例1:某一个控制系统动态结构图如下,求系统的传递函数。
C1(s)C2(s)C(s)C1(s)G1(s)G2(s)G3(s)R1(s)R2(s)R1(s)R2(s)传递函数为:C(s) = G1(s)C1(s) / [1 -G1(s)G2(s)G3(s)R1(s)R2(s)]例2:某一个控制系统动态结构图如下,求系统的传递函数。
C(s)C(s)E(s)E(s)R(s)N(s)R(s)N(s)C(s)G1(s)G2(s)-G2(s)传递函数为:C(s) = G1(s)C(s) / [1 + G1(s)G2(s)H(s)N(s)]例3:i1(t)R1 i2(t)R2R(s)+u1(t) c1(t)C1 C2 r(t)I1(s)+U1(s)112+I2(s)将上图汇总得到:R1I1(s)U1(s)C1s r(t)-u(t) = i(t) R U1(s)u(t) = [i(t) - i(t)]dt Cu(t) - c(t) = i(t)Rc(t) = i(t)dtCI2(s)R2KaC(s)1C2s(b)C(s) R(s)+R1C1sR2C2s1Ui(s)1/R11/C1sIC(s)1/R21/C2s10rad/s,试求系统的传递函数、特征方程、极点位置以及阻尼比和固有频率的物理意义。
自动控制原理期末复习1考试范围 (2)2重点内容 (2)3内容讲解 (3)3.1系统建模和转换 (3)3.2控制系统时域分析 (4)3.3控制系统的复域分析 (6)3.4控制系统的频域分析 (9)3.5频域稳定性 (12)3.6控制系统设计 (14)3.7非线性系统 (19)1考试范围铺盖全书内容,以系统建模、时域分析、复域分析、频域分析、系统设计和非线性系统稳定性为主要考试内容:1)系统建模、时域分析在半期考试已经考察,本次不作为重点内容单独考察。
2)复域分析:根轨迹的绘制和分析。
3)频域分析:Bode图的绘制和绘制。
4)频域稳定性:Nyquist稳定性判据。
5)控制系统的串联校正设计:超前校正/滞后校正、Bode/根轨迹6)非线性控制系统稳定性和自持振荡。
2重点内容复习时重点掌握五张图的绘制和分析。
①二阶系统时域响应图形②根轨迹图形③Bode④Nyqiust图(含极坐标图)⑤负倒描述曲线具体说明如下:1)二阶系统时域响应图形1y(t) =1 - 一e_ n t sin(n:t上升时间,调整时间,超调量2)根轨迹图形」KG(s)H(s) =1角条件和模条件:LN G(s)H(s)=18°n2k+1)18°:绘制步骤分析3)Bode在对数坐标上严格绘制基本环节分解幅频特性:斜率相加相频特性:五点法光滑曲线连接4)Nyqiust图(含极坐标图)映射关系求解与负实轴交点求解Z=N+P5)负倒描述曲线非线性部分负倒描述函数求解负倒描述函数的起点与终点(曲线)自持振荡稳定性判断3内容讲解3.1系统建模和转换1)控制系统的组成比较点传函R (s)+ -、J■H(s)有向信号线2)基本控制方式开环控制微分方程闭环控制复合控制3)数学模型应用Laplace变换求解微分方程G(s) ;S=jW宀G(jw)传递函数的求解和化简 模型之间的熟练转换,主要难点是传递函数和状态空间方程状态方程- > 传递函数Y(s)二[C(sl A) 1B D ] U(s)传递函数- > 状态方程 常数分子项传递函数- >状态方程 多项式分子传递函数一 >输出方程3.2控制系统时域分析k(s z g )(s 乙)「 •(s zjs N(s P i )(s P 2) (s P q )1) 控制系统的零点和极点:输入信号的极点决定了强迫响应类型。
《自动控制原理》课程概念性知识复习提纲详细版第一章:1.自动控制的任务(背):是在没有人直接参与下,利用控制装置操纵被控对象,使被控量等于给定值。
2.自动控制基本方式一.按给定值操纵的开环控制二.按干扰补偿的开环控制三.按偏差调节的闭环控制3.性能要求:稳快准第二章:4.微分方程的建立:课后2.55.传递函数定义(背)线性定常系统(或元件)的传递函数为在零初始条件下,系统(或元件)的输出变量拉氏变换与输入变量拉氏变换之比。
这里的零初始条件包含两方面的意思,一是指输入作用是在t=0以后才加于系统,因此输入量及其各阶导数,在t=0-时的值为零。
二是指输入信号作用于系统之间系统是静止的,即t=0-时,系统的输出量及其各阶导数为零。
这是反映控制系统的实际工作情况的,因为式(2-38)表示的是平衡工作点附近的增量方程,许多情况下传递函数是能完全反映系统的动态性能的。
6.结构图化简:课后2.14(结构图化简一道大题,梅森公式化简一道大题)复习要点7.几种传递函数(要求:懂得原理)一.输入信号r(t)作用下的系统闭环传递函数 二.干扰信号n(t)作用下的系统闭环传递函数 三.闭环系统的误差传递函数 8.阶跃响应,脉冲响应,传递函数之间的关系 阶跃响应:H(s)=1s 单位斜坡响应:t C (s )=21s 单位脉冲响应:K(s)=Φ(s) 11()()()H s s K s s s =Φ•=• 211()()()t C s s H s s s=Φ•=• 综合可得 K(s)=sH(s) H(s)=s t C第三章:9.阶跃响应的性能指标有哪些,各个性能指标的意义是什么。
延迟时间d t :指单位阶跃响应曲线h(t)上升到其稳态值的50%所需要的时间 上升时间r t :指单位阶跃响应曲线h(t),从稳态值的10%上升到90%所需要的时间(也有指从零上升到稳态值所需要的时间)峰值时间p t :指单位阶跃响应曲线h(t),超过其稳态值而达到第一个峰值所需要的时间。
超调量σ%:指在响应过程中,超出稳态值的最大偏移量与稳态值之比,即()()%100%()p h t h h σ-∞=⨯∞,式中:h(p t )是单位阶跃响应的峰值;h(∞)是单位阶跃响应的稳态值调节时间s t :在单位阶跃响应曲线的稳态值附近,取5%±(有时也取2%±作为误差带,响应曲线达到并不再超出该误差带的最小时间,成为调节时间(或过渡过程时间)。
调节时间s t 标志着过渡过程结束,系统的响应进入稳态过程。
稳态误差ss e :当时间t 趋于无穷时,系统单位阶跃响应的实际值(即稳态值)与期望值[一般为输入值1(t )]之差,一般定义为稳态误差。
即1()ss e h =-∞10.从平稳性,快速性和稳态精度三个方面,简述典型二阶欠阻尼系统结构参数ξ,n ω对阶跃相应的影响。
由于欠阻尼二阶系统具有一对实部为负的共轭复特征根,时间响应呈衰减振荡特性,故又称为振荡环节。
系统闭环传递函数的一般形式为222()()2n n nC s R s s s ωζωω=++ 由于0<ζ<1,所以一对共轭复根为21,21n n s j ζωωζ=-±-=d j σω-±式中,n σζω=,为特征根实部之模值,具有角频率量纲。
21d n ωωζ=-,称为阻尼振荡角频率,且d n ωω<平稳性:阻尼比ζ↑,超调量↓,响应振荡倾向越弱,平稳性越好。
反之,阻尼比ζ↓,超调量↑,振荡越强,平稳性越差。
当ζ=0时,零阻尼响应为()1cos ,0n h t t t ω=-≥,具有频率为n ω的不衰减(等幅)振荡。
超调量与阻尼比的关系:21d n ωωζ=-阻尼比ζ一定,n ω↑,d ω↑,平稳性越差。
快速性:ζ=0.707时,超调量%σ<5%,平稳性最好。
稳态精度:由式3-25可看出,瞬态分量随时间t 的增长衰减到零,而稳态分量等于1,因此,上述欠阻尼二阶系统的单位阶跃响应稳态误差为零。
延迟时间、上升时间、峰值时间 表征 系统响应初始段的快慢;调节时间,表示系统过渡过程持续的时间,是系统快速性的一个指标,超调量反映系统响应过程的平稳性,稳态误差则反映系统复现输入信号的最终(稳态)精度。
1)上升时间r t :,arccos βζ= 2)峰值时间p t :p t =dπω 3)超调量σ%:()()%100%()p h t h h σ-∞=⨯∞=21100%e πζζ--⨯4)调节时间s t :s t 不仅与阻尼比ζ有关,而且与自然振荡频率n ω有关。
当ζ<0.8时, s t =3.5nζω(取5%误差带) s t =4.5nζω(取2%误差带)11.一阶系统性能指标:ts 单位阶跃响应:h(t)=1-1Te-(0t ≥)。
一阶系统没有超调量,性能指标主要是调节时间s t ,表征系统过渡过程的快慢。
ts=3T ,对应5%误差带 ts =4 T ,对应2%误差带12.二阶性能指标:欠阻尼时定性分析,几个性能指标计算公式:课后3.6,3.8 如第10点13.改善二阶系统响应的措施。
1.误差信号的比例-微分控制开环传函:2(1)()()()(2)nd n T s C s G s E s s s ωζω+==+ 闭环传函:2222(1)()()()(2)n d n d n nT s C s s R s s T s ωζωωω+Φ==+++ 原理:比例-微分控制抑制了振荡,使超调减弱,可以改善系统的平稳性,另外ζ和n ω决定了开环增益,微分作用之所以能改善动态性能,因为它产生一种早期控制(或称为超前控制),能在实际超调量出来之前,就产生了一个修正作用。
2.输出量的速度反馈控制原理:速度反馈同样可以加大阻尼,改善动态性能。
由于速度反馈系统闭环传递函数没有零点,所以其输出响应的平稳性与反馈系数t K 的关系比较简单,易于调整,但环节t K s 的加入,会使系统开环放大系数降低,因此在设计速度反馈系统时,一般可适当增大原来系统的开环增益,以补偿速度反馈控制引起的开环增益损失,同时适当选择反馈系数t K ,使阻尼比t ζ比较合适。
14.什么是系统稳定性。
简述稳定的数学条件。
(背)定义:如果系统受到扰动,偏离了原来的平衡状态,产生偏差,而当扰动消失之后,系统又能够逐渐恢复到原来的平衡状态,则称系统是稳定的,或具有稳定性。
若扰动消失后,系统不能恢复原来的平衡状态,甚至偏差越来越大,则称系统是不稳定的,或不具有稳定性。
稳定性是当扰动消失以后,系统自身的一种恢复能力,是系统的一种固有特性。
这种稳定性取决于系统的结构、参数而与初始条件及外作用无关。
稳定的数学条件:判断系统是否稳定,可以归结为判别系统特征根实部的符号,所有特征根均具有负实部,即Re si <0(i=1,2,3…n)系统稳定;只要有一个特征根的实部大于零,系统不稳定;若有实部为零的单根,而其余特征根都具有负实部,系统处于临界状态,即系统既不发散,也不能恢复原来的状态,这也属于不稳定状态;如果有实部为零的重根,系统也会发散。
15.稳定数学条件,几个稳定判据(重点劳斯)课后3.14P90页 1.赫尔维茨判据 1011()...0n n n n D s a s a s a s a --=++++=,规定:0a >0行列式:13521024221323......0.........................n n n n a a a a a a a a D a a a ---=,11D a =,13202a a D a a =,1353024130a a a D a a a a a =2.林纳德-奇帕特判据条件:1.系统特征方程的各项系数大于零,即i a >0 2.奇数阶或偶数阶的赫尔维茨行列式大于零,即D 奇>0,或D 偶>0 3.劳斯判据 第一列所有元素符号相同(但不为零)特殊情况:1.某行的第一列为零,而其余各项不为零,或不全为零:用(s+a )乘以原特征方程,其中a 可为任意正数。
在对新的特征方程应用劳斯判据2.某行出现全零行:用全零行的上一行的系数构造一个辅助方程,对其求导,用所得方程的系数代替全零行。
辅助方程的次数通常为偶数,它表明数值相同,符号相反的根数。
16.误差两种定义,什么是稳态误差。
(背) 1)e()()()t r t c t =-期望值-实际值 2)e()()()t r t b t =-期望值-反馈量定义:稳态系统误差的终值称为稳态误差,当时间t 趋于无穷时,e(t)的极限存在,则稳态误差为lim ()ss t e e t →∞=17.稳态误差的计算:静态误差系数法 课后3.19第四章:18.根轨迹方程(背)系统开环传递函数中某个参数(如开环增益K )从零变到无穷时,闭环特征根在s 平面上移动的轨迹。
19.闭环零极点与开环零极点关系(背) ①闭环系统的根轨迹增益等于系统前向通道的根轨迹增益,对于H (s )=1的单位反馈系统,闭环系统根轨迹增益就等于开环系统根轨迹增益。
②闭环系统的零点由前向通道的零点和反馈通道的极点组成,对于H(s)=1的单位反馈系统,闭环系统的零点就是开环系统的零点。
③闭环系统的极点与开环系统的极点、零点以及开环根轨迹增益*K 有关。
20.根轨迹的绘制:并利用绘制的根轨迹进行系统分析 课后4.3,4.5简述闭环零、极点分布与阶跃相应的关系。
P155(背)①要求系统稳定,则必须使所有的闭环极点i s 均位于s 平面的左半部。
②要求系统的快速性好,应使阶跃响应式中每个分量衰减得快,则闭环极点应远离虚轴。
要求系统平稳性好,则复数极点最好设置在s 平面中与负实轴成45±。
夹角线附近。
③要求动态过程尽快消失,要求系数k A 要小,因为k A 小,对应的暂态分量小。
从而看出,闭环极点之间的间距()k i s s -要大;零点i z 应靠近极点k s 。
21.什么是主导极点,什么是偶极子 p155(背) 主导极点:离虚轴最近且附近没有闭环零点的一些闭环极点(复数极点或实数极点)对系统的动态过程性能影响最大,起着主要的决定的作用的。
偶极子:将一对靠得很近的闭环零、极点称为偶极子22.什么是最小相位系统与非最小相位系统 p162(背) 最小相位系统:系统的所有开环极点和零点都位于s 平面的左半部非最小相位系统:s 平面的右半部具有开环极点或零点的系统 第五章:23.频率特性的定义:(背)线性定常系统,在正弦信号作用下,输出的稳态分量与输入的复数比。
称为系统的频率特性(即为幅相频率特性,简称幅相特性)。
24.奈氏曲线奈奎斯特图是对于一个连续时间的线性非时变系统,将其频率响应的增益及相位以极座标的方式绘出,常在控制系统或信号处理中使用,可以用来判断一个有回授的系统是否稳定。