传感器与测试技术作业参考答案
- 格式:doc
- 大小:7.72 MB
- 文档页数:10
西南大学 网络与继续教育学院课程代码: 0928 学年学季:20191单项选择题1、环境温度变化后,光敏元件的光学性质也将随之改变,这种现象称为()。
温度变化会引起光敏元件的光电流及光谱特性等变化。
1. 光照特性2. 温度特性3. 频率特性4.光谱特性2、在光的作用下,能够使物体内部产生一定方向的电动势的现象叫( )。
1. 光生伏特效应2. 热释电效应3. 声光效应4.光电导效应3、传感器的动态标定主要是研究传感器的动态响应,而与动态响应有关的参数,对二阶传感器有( )和固有频率。
1. 阻尼比2. 时间常数3. 上升时间4.超调量4、某些电介质,当在电介质极化方向施加电场,它会产生变形,这种现象称为( )。
1. B. 负压电效应2. 逆压电效应3.无压电效应4.正压电效应5、自感式电感传感器中,变气隙型灵敏度高,对电路的放大倍数要求低,但非线性严重,制造装配困难;( )灵敏度较低,但有良好的线性,量程较大,制造装配比较方便,应用较广;螺管型的灵敏度更低,但量程大,线性性较好,制造装配方便,批量生产的互换性强,应用越来越多。
1.E. 涡流型2.变磁通型3.差动变压器型4.变面积型6、6. 变气隙式自感传感器,当街铁移动靠近铁心时,铁心上的线圈电感量(①增加②减小③不变)(2分)1.不变2.增加3.减小7、影响压电式传感器工作性能的因素很多,产生误差的原因主要有:( )、横向灵敏度、环境湿度的影响、基座应变的影响和噪声的影响等。
1.磁场的影响2.声压的影响3.环境温度的影响4.静电耦合的影响8、由于受到电阻丝( )的限制,绕线式电位计分辨力不高。
1.位置2.种类3.直径4.阻值9、对于电涡流传感器的谐振测位移电路,当无金属导体靠近时,其输出电压( )。
1.最小 2. 随机变化3. 中间点4.最大10、金属在受到外力作用时,会产生相应的应变,其电阻也将随之发生变化,这种物理现象称为( )。
1. 霍尔效应2. 压电效应3. 应变效应4.光电效应11、将电阻R 和电容C 串联后再并联到继电器或电源开关两端所构成的RC 吸收电路,其作用是( )。
传感器与检测技术习题与参考答案1、在典型噪声干扰的抑制方法中,采用RC吸收电路的目的是()A、克服串扰B、抑制共模噪声C、抑制差模噪声D、消除电火花干扰答案:D2、传感器输出量的变化量△Y与引起此变化的输入量的变化量△X之比,称为( )A、灵敏度B、阈值C、分辨力D、满量程输出答案:A3、压电陀螺的作用是检测运动物体的()A、角速度B、线速度C、线位移D、角位移答案:A4、属于传感器静态特性指标的是()A、稳定时间B、阻尼比C、时间常数D、重复性答案:D5、压电式传感器属于( )A、电流型传感器B、结构型传感器C、物性型传感器D、电压型传感器答案:C6、气敏传感器检测气体的( )A、温度和成份B、温度和浓度D、成份和浓度答案:D7、下列线位移传感器中,测量范围大的类型是()A、变极距型电容式B、差动变压器式C、自感式D、电涡流式答案:B8、为了进行图像识别,应当先消除图像中的噪声和不必要的像素,这一过程称为()A、前处理B、编码C、压缩D、后处理答案:A9、下列传感器,不适合于静态位移测量的是( )A、电感式位移传感器B、压电式位移传感器C、涡流式位移传感器D、压阻式位移传感器答案:B10、圆筒电容式液位高度传感器属于()A、变面积型B、变介质型C、变间隙型D、变极距型答案:B11、属于传感器静态特性指标的是( )A、阻尼比B、稳定性C、固有频率D、时间常数答案:B12、热敏电阻式湿敏元件能够直接检测()B、温度差C、温度D、相对湿度答案:A13、心电图信号为( )A、离散信号B、共模信号C、模拟信号D、数字信号答案:C14、霍尔式转速传感器测量转速时,当被测物上的标记数2:4,传感器输出周期信号的频率f=200Hz时,则轴的转速为()A、1500r/minB、2000r/minC、2500r/minD、3000r/min答案:D15、在标定传感器时,正行程的最大偏差与反行程的最大偏差可用于确定传感器的A、重复性B、线性度C、分辨率D、迟滞特性答案:A16、用电涡流式速度传感器测量轴的转速,当轴的转速为50r/min时,输出感应电动势的频率为50 Hz,则测量齿轮的齿数为()。
第3章传感器基本特性一、单项选择题1、衡量传感器静态特性的指标不包括()。
A. 线性度B. 灵敏度C. 频域响应D. 重复性2、下列指标属于衡量传感器动态特性的评价指标的是()。
A. 时域响应B. 线性度C. 零点漂移D. 灵敏度3、一阶传感器输出达到稳态值的50%所需的时间是()。
A. 延迟时间B. 上升时间C. 峰值时间D. 响应时间4、一阶传感器输出达到稳态值的90%所需的时间是()。
A. 延迟时间B. 上升时间C. 峰值时间D. 响应时间5、传感器的下列指标全部属于静态特性的是()A.线性度、灵敏度、阻尼系数B.幅频特性、相频特性、稳态误差C.迟滞、重复性、漂移D.精度、时间常数、重复性6、传感器的下列指标全部属于动态特性的是()A.迟滞、灵敏度、阻尼系数B.幅频特性、相频特性C.重复性、漂移D.精度、时间常数、重复性7、不属于传感器静态特性指标的是()A.重复性 B.固有频率 C.灵敏度 D.漂移8、对于传感器的动态特性,下面哪种说法不正确()A.变面积式的电容传感器可看作零阶系统B.一阶传感器的截止频率是时间常数的倒数C.时间常数越大,一阶传感器的频率响应越好D.提高二阶传感器的固有频率,可减小动态误差和扩大频率响应范围9、属于传感器动态特性指标的是()A.重复性 B.固有频率 C.灵敏度 D.漂移10、无论二阶系统的阻尼比如何变化,当它受到的激振力频率等于系统固有频率时,该系统的位移与激振力之间的相位差必为()A. 0°B.90°C.180°D. 在0°和90°之间反复变化的值11、传感器的精度表征了给出值与( )相符合的程度。
A.估计值B.被测值C.相对值D.理论值12、传感器的静态特性,是指当传感器输入、输出不随( )变化时,其输出-输入的特性。
A.时间B.被测量C.环境D.地理位置13、非线性度是测量装置的输出和输入是否保持( )关系的一种度量。
传感与测试技术题部分参考答案传感与测试技术复习题一、填空题:1. 测量的最基本的形式是比较,测量可分为直接和间接测量两类。
2. 复杂周期信号展开为三角函数形式的傅立叶级数时,A n 表示谐波分量的幅值。
3. 信号x (t )=x 01sin5t +x 02cos(100t +450),则该信号的周期T =2π/5。
4. 频率不同的两个正弦信号,其互相关函数等于0。
5. 在相关分析中,自相关函数保留了原信号的幅值和频率信息,互相关函数保留了原信号的幅值、频率和相位差信息。
6. 已知某信号的自相关函数πττ50cos 100)(=x R ,则该信号的均方值=2x ψ100。
7. 随机信号的均值μx 、方差σx 2、均方值ψx 2之间的关系是ψx 2=σx 2+μx 2。
8. 若信号x (t )的傅立叶变换是X (f ),则x (kt )的傅立叶变换是()k X k f //。
9. 复杂周期信号展开为三角函数形式的傅立叶级数时,a 0表示直流分量,a n 表示余弦分量,b n 表示正弦分量。
10. 当信号的时间尺度压缩时,则其频带展宽,幅值降低。
11. 求周期信号、非周期信号频谱的数学方法分别是傅里叶级数和傅里叶积分。
12. 周期信号、非周期信号频谱的主要差别是离散与连续。
13. 信号x (t )的均值x μ表示信号中的直流分量。
14. 周期信号的频谱具有的特点是离散性、谐波性和收敛性。
15. 信号的互相关函数)(τxy R 的峰值偏离原点位置0τ,反映时延0τ时相关程度最高。
16. 当时延τ=0时,信号的自相关函数R x (0)=2x ψ。
17. 若信号满足)()(t x t x =-,则其傅立叶级数中只有余弦项。
18. 测试装置的结构参数是不随时间而变化的系统,则称为时不变系统。
19. 测试装置的输出信号拉氏变换与输入信号拉氏变换之比称为装置的传递函数。
20. 测试装置在稳态下,其输出信号的变化量y ?与其输入信号的变化量x ?之比值,称为灵敏度。
第一章 测试技术基础1. 用测量范围为-50~150kPa 的压力传感器测量140kPa 压力时,传感器测得示值为+142kPa ,试求该示值的绝对误差、相对误差、标称相对误差和引用误差。
解:绝对误差 2kPa 140142=-=∆p 相对误差 1.43%100%1401401420=⨯-=∆=p p p δ 标称相对误差 1.41%100%142140142=⨯-=∆='p p p δ 引用误差 1%100%50150140142m =⨯+-=∆=p p p γ 2.某压力传感器静态标定的结果如下表所示。
试求用端点连线拟合法拟合的该传感器输出与输入关系的直线方程,并试计算其非线性误差、灵敏度和迟滞误差。
解: 端点连线拟合法拟合的直线方程 p p U 450==非线性误差 0.1%100%2000.2100%=⨯=⨯∆=FS Y L max γ 灵敏度 4mV /Pa =∆∆=pUS 迟滞误差 0.3%100%2001.221100%21=⨯⨯=⨯∆=FS H Y H max γ或 0.6%100%2001.2100%max =⨯=⨯∆=FS H Y H γ 3. 玻璃水银温度计的热量是通过玻璃温包传导给水银的,其特性可用微分方程x y dtdy310123-⨯=+表示(式中y 为水银柱高度,单位m ;x 为输入温度,单位℃)。
试确定温度计的时间常数τ、静态灵敏度k 和传递函数及其频率响应函数。
解:x y dt dy 310123-⨯=+ x y D 3101)23(-⨯=+ x y D 31021)123(-⨯=+ 时间常数 s 51.=τ 静态灵敏度 C m/1050o 3-⨯=.k传递函数 1511050(s)3+⨯=-s H .. 频率响应函数 15.1105.0)(j 3+⨯=-ωωj H4. 某热电偶测温系统可看作一阶系统,已知其时间常数为0.5s ,静态灵敏度1=k 。
试计算其幅频特性误差不大于5%的最高工作频率。
《传感器与检测技术》作业及答案第一次作业1、使用一只0.2级、量程为10V的电压表,测得某一电压为5.0V,试求此测量值可能出现的绝对误差和相对误差的最大值。
2、现对一个量程为100mV,表盘为100等分刻度的毫伏表进行校准,测得数据如下。
仪表刻度值/mV 0 10 20 30 40 50 60 70 80 90 100 标准仪表示值0.0 9.9 20.2 30.4 39.8 50.2 60.4 70.3 80.0 89.7 100.0/mV绝对误差/mV修正值/mV试将各校准点的绝对误差和修正值填入上表中,并确定该毫伏表的精度等级。
3.已知对某电压的测量值U~N(50V,0.04V),若要求置信概率达到50%,求相应的置信区间。
4、甲、乙二人分别用不同的方法,对同一电感进行多次测量,结果如下(假设均无粗大误差和系统误差):甲 1.28 1.31 1.27 1.26 1.19 1.25乙 1.29 1.23 1.22 1.24 1.25 1.20写出测量结果表达式,评价哪个人的测量精密度高。
第一次作业答案1、使用一只0.2级、量程为10V的电压表,测得某一电压为5.0V,试求此测量值可能出现的绝对误差和相对误差的最大值。
答案:2、现对一个量程为100mV,表盘为100等分刻度的毫伏表进行校准,测得数据如下。
仪表刻度值/mV 0 10 20 30 40 50 60 70 80 90 100标准仪表示值0.0 9.9 20.2 30.4 39.8 50.2 60.4 70.3 80.0 89.7 100.0/mV绝对误差/mV修正值/mV试将各校准点的绝对误差和修正值填入上表中,并确定该毫伏表的精度等级。
解:仪表刻度值/mV 0 10 20 30 40 50 60 70 80 90 100标准仪表示值0.0 9.9 20.2 30.4 39.8 50.2 60.4 70.3 80.0 89.7 100.0/mV绝对误差/mV 0 0.1 -0.2 -0.4 0.2 -0.2 -0.4 -0.3 0 0.3 0 修正值/mV 0 -0.1 0.2 0.4 -0.2 0.2 0.4 0.3 0 -0.3 03.已知对某电压的测量值U~N(50V,0.04V2),若要求置信概率达到50%,求相应的置信区间。
传感器与检测技术(第二版)参考答案第1章 检测技术基本知识1.1单项选择:1.B2.D3. A4.B1.2见P1;1.3见P1-P3;1.4见P3-P4;1.5 见P5;1.6 (1)1℃(2)5﹪,1﹪ ;1.7 0.5级、0.2级、0.2级;1.8 选1.0级的表好。
0.5级表相对误差为25/70=3.57﹪, 1.0级表相对误差为1/70=1.43﹪;1.9见P10-P11;1.10见P11- P12;1.11 见P13-P14第2章 电阻式传感器及应用2.1 填空1.气体接触,电阻值变化;2.烧结型、厚膜型;3.加热器,加速气体氧化还原反应;4.吸湿性盐类潮解,发生变化2.2 单项选择1.B 2. C 3 B 4.B 5.B 6. A2.3 P17;2.4 P17;2.5P24;2.6 P24;2.7 P24-P25;2.8 P25;2.9 P26;2.10 P30-312.11 应变片阻值较小;2.12P28,注意应变片应变极性,保证其工作在差动方式;2.16 Uo=4m V ;2.17 P34;2.18 P34;2.19 (1) 桥式测温电路,结构简单。
(2)指示仪表 内阻大些好。
(3)RB:电桥平衡调零电阻。
2.20 2.21 线性范围内,希望传感器的灵敏度越高越好;传感器的延迟时间越短越好;传感器的线性范围越宽,则其量程越大,并且能保证一定的测量精度。
2.23 P44;2.33 P45第3章 电容式传感器及应用3.1 P53-P56;3.2 变面积传感器输出特性是线性的。
3.3 P58-P59;3.4 P59-P613.5 当环境相对湿度变化时,亲水性高分子介质介电常数发生改变,引起电容器电容值的变化。
属于变介电常数式。
3.6 参考变面积差动电容传感器工作原理。
参考电容式接近开关原理。
3.8 (1)变介电常数式;(2)参P62 电容油料表原理第4章 电感式传感器及应用4.1 单项选择1.B;2.A4.2 P65;4.3 P68;4.4 螺线管式电感传感器比变隙式电感传感器的自由行程大。
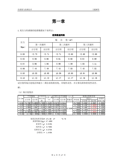
第一章1.某压力传感器的校准数据如下表所示:校准数据列表试分别用端点连线法和最小二乘法求校准直线、非线性误差,并计算迟滞和重复性误差。
解:(1)端点连线法171.50x+-2.7017.15000.348%0.700%0.272%1.048%端基法校准直线y=迟滞误差γH =总精度γ=满量程输出y FS =重复性γR =线性度γL =(2)最小二乘法171.50x+-2.770017.15000.348%0.408%0.272%0.757%最小二乘法校准直线y=满量程输出y FS =线性度γL =迟滞误差γH =总精度γ=重复性γR =压力2.有一个温度传感器,其微分方程为x y ty15.03d d 30=+ 其中y 为输出电压(mV ),x 为输入温度(OC),试求该传感器的时间常数τ和静态灵敏度k 。
解:C mv/05.0315.0O 00===a b k s 1033001===a a τ 3.某加速度传感器的动态特性可用如下的微分方程来描述:x y t y ty 1010322100.111025.2d d 100.3d d ⨯=⨯+⨯+ 式中 y ——输出电荷量(pC )x ——输入加速度值(m/s 2) 试确定该传感器的ω0、ξ和k 的大小。
解:静态灵敏度:8889.41025.21011101000=⨯⨯==a b k阻尼比:01.011025.223000210201=⨯⨯==a a a ξ自振角频率:51020105.111025.2⨯=⨯==a a ω4.设有两只力传感器,均可作为二阶系统来处理,自振频率分别为800Hz 和1200Hz ,阻尼比ξ均为0.4,今欲测量频率为400Hz 正弦变化的外力,应选用哪一只?并计算将产生多大的振幅相对误差和相位误差。
解:讨论传感器动态特性时,常用无量纲幅值比)(ωk 。
(1)当用Hz 8000=f 、4.0=ξ的传感器测量Hz 400=f 的信号时,18.18004004.028*******211)(22220220=⎥⎦⎤⎢⎣⎡⨯⨯+⎥⎥⎦⎤⎢⎢⎣⎡⎪⎭⎫ ⎝⎛-=⎥⎦⎤⎢⎣⎡+⎥⎥⎦⎤⎢⎢⎣⎡⎪⎪⎭⎫ ⎝⎛-=ωωξωωωk220007.285333.0arctan 80040018004004.02arctan 12arctan )(-=-=⎪⎭⎫⎝⎛-⎪⎭⎫ ⎝⎛⨯⨯-=⎪⎪⎭⎫ ⎝⎛-⎪⎪⎭⎫ ⎝⎛-=ωωωωξωϕ 该传感器的振幅相对误差为%18%10011)(=⨯-ωk 相位误差为28.07O。
第一章习题答案1.什么是传感器?它由哪几个部分组成?分别起到什么作用?解:传感器是一种以一定的精确度把被测量转换为与之有确定对应关系的、便于应用的某种物理量的测量装置,能完成检测任务;传感器由敏感元件,转换元件,转换电路组成。
敏感元件是直接感受被测量,并输出与被测量成确定关系的物理量;转换元件把敏感元件的输出作为它的输入,转换成电路参量;上述电路参数接入基本转换电路,便可转换成电量输出。
2.传感器技术的发展动向表现在哪几个方面?解:(1)开发新的敏感、传感材料:在发现力、热、光、磁、气体等物理量都会使半导体硅材料的性能改变,从而制成力敏、热敏、光敏、磁敏和气敏等敏感元件后,寻找发现具有新原理、新效应的敏感元件和传感元件。
(2)开发研制新型传感器及组成新型测试系统①MEMS技术要求研制微型传感器。
如用于微型侦察机的CCD传感器、用于管道爬壁机器人的力敏、视觉传感器。
②研制仿生传感器③研制海洋探测用传感器④研制成分分析用传感器⑤研制微弱信号检测传感器(3)研究新一代的智能化传感器及测试系统:如电子血压计,智能水、电、煤气、热量表。
它们的特点是传感器与微型计算机有机结合,构成智能传感器。
系统功能最大程度地用软件实现。
(4)传感器发展集成化:固体功能材料的进一步开发和集成技术的不断发展,为传感器集成化开辟了广阔的前景。
(5)多功能与多参数传感器的研究:如同时检测压力、温度和液位的传感器已逐步走向市场。
3.传感器的性能参数反映了传感器的什么关系?静态参数有哪些?各种参数代表什么意义?动态参数有那些?应如何选择?解:在生产过程和科学实验中,要对各种各样的参数进行检测和控制,就要求传感器能感受被测非电量的变化并将其不失真地变换成相应的电量,这取决于传感器的基本特性,即输出—输入特性。
衡量静态特性的重要指标是线性度、灵敏度,迟滞和重复性等。
1)传感器的线性度是指传感器的输出与输入之间数量关系的线性程度;2)传感器的灵敏度S是指传感器的输出量增量Δy与引起输出量增量Δy的输入量增量Δx 的比值;3)传感器的迟滞是指传感器在正(输入量增大)反(输入量减小)行程期间其输出-输入特性曲线不重合的现象;4)传感器的重复性是指传感器在输入量按同一方向作全量程连续多次变化时,所得特性曲线不一致的程度。
国开在线作业形考一题目1量程或测量范围、过载能力等属于()。
a. 可靠性指标b. 静态特性指标c. 输入量的性能指标d. 环境要求指标正确答案:输入量的性能指标题目2以下()项可以提高应变片测量电桥的输出电压灵敏度。
a. 在应变片功率范围内提高电桥供电电压b. 不受应变片功率限制提高电桥供电电压c. 不受应变片功率限制降低电桥供电电压d. 在应变片功率范围内降低电桥供电电压正确答案:在应变片功率范围内提高电桥供电电压题目3按照传感器()的方式可分为能量转换型、能量控制型等。
a. 工作机理b. 输出信号c. 能量转换d. 工作原理正确答案:能量转换题目4按照传感器()的方式可分为应变式传感器、压电式传感器、压阻式传感器、电感式传感器、电容式传感器、光电式传感器等。
a. 工作原理b. 输出信号c. 工作机理d. 输出信号正确答案:工作原理题目5以下()项可以降低应变片测量电桥的非线性误差。
a. 采用半桥单臂接法b. 在应变片功率范围内提高电桥供电电压c. 在应变片功率范围内降低电桥供电电压d. 采用全桥接法正确答案:采用全桥接法题目6差动变压器属于()。
a. 电容式传感器b. 压电式传感器c. 电阻式传感器d. 电感式传感器正确答案:电感式传感器题目7声控灯中没有传感器装置。
选择一项:正确答案:“错”。
题目8传感器通常由敏感器件和基本转换电路两部分组成。
选择一项:正确答案:“错”。
题目9测试系统中,传感器被视为仪表,其主要作用是能准确传递和检测出某一形态的信息,并将其转换成另一形态的信息。
正确答案:“对”。
题目10测量转换电路是测量系统的组成部分。
正确答案:“对”。
题目11测量转换电路首先要具有高精度,能够准确地将传感器的信号进行高精度的转换,这是进行精确控制的基础。
正确答案:“对”。
题目12能将模拟信号转换成数字信号的电路,称为D/A转换器,简称DAC。
选择一项:正确答案:“错”。
题目13电阻式传感器结构简单,线性度差,稳定性不强。
第一次作业答案
1√2√3×4×5×6×7×8√9√10√
1、敏感元件、转换元件
2、电容式
3、被测构件
4、线性度
5、高
6、输出、输入
7、传感器的分辨率、分辨率
8、高精度
9、电压、电流
10、直流电桥和交流电桥
三、
1.模拟信号和数字信号,模拟信号的如电阻式传感器、电容式传感器等,数字信号的如光电式编码器
2.p41页,常用的分类方法有按选频作用进行分类(低通滤波器、高通滤波器、带通滤波器、带阻滤波器)、根据构成滤波器的元器件类型进行分类(CR、LC或晶体谐振滤波器)、根据构成滤波器的电路性质进行分类(有源滤波器、无源滤波器)、根据滤波器所处理信号的性质进行分类(模拟滤波器和数字滤波器)
3.电阻应变片的工作原理是基于应变—电阻效应制作的,即导体或半导体材料在外力的作用下产生机械变形时,其电阻值相应的发生变化,这种现象称为应变电阻效应。
电阻应变片的工作原理是基于应变效应。
电阻应变片的测量原理为:金属丝的电阻值除了与材料的性质有关之外,还与金属丝的长度,横截面积有关。
将金属丝粘贴在构件上,当构件受力变形时,金属丝的长度和横截面积也随着构件一起变化,进而发生电阻变化。
dR/R=Ks*ε 其中,Ks为材料的灵敏系数,其物理意义是单位应变的电阻变化率,标志着该类丝材电阻应变片效应显着与否。
ε为测点处应变,为无量纲的量,但习惯上仍给以单位微应变,常用符号με表示。
由此可知,金属丝在产生应变效应时,应变ε与电阻变化率dR/R成线性关系,这就是利用金属应变片来测量构件应变的理论基础。
4.课本74页
5.课本71页
6.当金属线材受到单位拉力时,由于整根金属线的每段都受到同样大小的拉力,其应变也是相同的,故线材总电阻的增加值为各微段电阻增加之和。
但整根金属线材弯折成栅状,制成应变片后,在应变片的灵敏轴向施以拉力,则直线段部分的电阻丝仍产生沿轴向的拉伸应变,其电阻式增加的,而各圆弧段,除了有沿轴向产生的应变外,还有在与轴向垂直的方向上产生的压缩应变,使得圆弧段截面积增大,电阻值减小。
虽然金属丝敏感栅的电阻总的变现为增加,但是,由于各圆弧段电阻减小的影响,使得应变片的灵敏系数要比同样长度单纯受轴向力的金属丝的灵敏系数小,这种由弯折处应变的变化使灵敏系数减小的现象称为应变片的
横向效应。
7.和8.课本23页
.
两相对桥壁的阻抗的乘积相等
9.金属丝的灵敏系数K s是发生金属丝单位应变所引起的电阻值得相应变化。
课本72页
10.课本第80页
第二次作业答案
×√√4课本116页输出阻抗×5√6电动势式传感器×7×8×9√√
1热电效应
2热电效应
3汤姆逊电动势
4弱、高
5电源U、电容器C a
6电荷发生器
7逆压电效应
8压电效应
9超声波换能器
10.开磁路、角速度
三、
1.并联和串连,并联的特点为:输出电容为单片电容的两倍,输出电压等于单片电压。
极板上的电荷为单片电压的两倍。
串连接法的特点:输出电荷等于单片电荷,输出电压为单片电压的两倍,总电容为单片电容的一半。
2.根据压电式传感器的等效电路,其输出可以是电压,也可以是电荷。
其前置放大器也有两种形式:电压放大器和电荷放大器
3输出电荷与输入压强成正比关系(课本120)
4
在由A、B两种导体组成的热电偶回路中,将冷端断开,接入第三体或更多种导体,只要保证接入端的温度相同,则回路的总电动势不变,又被称为第三导体定律。
5有标准电极定律可知,镍铬合金与考铜热电偶的热电动势应等于镍铬合金与纯铂热电偶及其纯铂与考铜热电偶的热电动势之和,即镍铬合金与考铜组合而成的热电偶所产生的热电动势为1.8+3.1=4.9mV
6和7
8、135页查K型热电偶分度表得
e AB(30,0)=1.203mV
可得
e AB(T,0)= e AB(T,T0)+ e AB(T0,0)=24.124+1.203=25.327 Mv
由K型热电偶分度表反查得T=610o C
9热电偶电动势的大小是热端温度和冷端温度的函数差,为保证输出热电动势是被测温度的单值函数,必须使冷端温度保持恒定;热电偶分度表给出的热电势是以冷端温度0摄氏度为依据的,否则会产生误差。
10课本138页
第三作业答案
1√2√3√4×5√6×说的不全面,共有三种,电离室,闪烁探测器和G-M计数管7、×温度8、√9、√10、√11、×是伽马γ射线12、√13、×光电效应14、×精度高15、×球心做阳极
二、1、金属探伤、密度2、红外辐射量、电量3、光电效应4、外光电效应5、CCD图像传感器6、半导体的光电效应7、中红外区和近红外区8、光栅栅距、移动方向和位移量课本159页9、P193页三种,分别为电离室、闪烁探测器和G-M计数管10、P181页,交变,交变11、P159页,移动方向和位移量12、P186页弱、强13、P186页高、短、不明显、好14、P147页光敏电阻、15、P148页光电池16、P151页光纤传感器17、P155页光电编码器18、P155页数字信号、计算机和显示装置、19、P158页标尺光栅、光路系统20、P158页莫尔条纹现象
三、
1、P151页光纤传感器是近几年来迅速发展起来的一种新型传感器,他具有抗电磁干扰、电绝缘性好。
灵敏度高等一系列优点,而且还有广泛的应用前景。
2、P168电荷耦合元件也可以成为CCD图像传感器。
CCD是一种半导体器件,能够将光学影像转化成数字信号,CCD上植入的微小光敏物质成为像素,一块CCD上包含的像素数越多,其提供的画面分辨率越高。
CCD的作用好比胶片,但它将图像像素转换为数字信号。
3、P148
4、P146一是先将非电量的变化装换成光电量的变化;二是通过光电器件的作用,将光量的变化转化成电量的变化。
这样就实现了将非电量的变化转化成电量的变化的目的。
5、P146
6、A PZT热电元件B FET管(场效应管是电压控制元件,而晶体管是电流控制元件。
在只允许从信号源取较
少电流的情况下,应选用场效应管;而在信号电压较低,又允许从信号源取较多电流的条件下,应选用晶体管。
)C 滤光器
7、P181页
第四次作业
一、1×2√P205页,这种出现较晚,3、√P207页4、×P209页5、×P211页加速度传感器
6、√P212
7、×P234页电信号
8、√P248页
9、√P250 10、×P250开发时间少
二、1、CCD课本P234页2、检测和识别课本P236页3、课本P239页冷热和软硬 4、气敏传感器阵列和分析处理器课本的P240 5、金属氧化物半导体传感器课本P240页6、种类和浓度课本P241 7、味觉传感P242 8、硬件、软件平台课本P248 9、模糊传感器、网络传感器10、声波、、电信号课本P244页
三、1、课本P245页
2、包括数值型、布尔型、字符串型、枚举型、动态数据类型;数值型数据类型用于表示各种不同类型的数字,
3、信号发生和信号的调理
课本P267页
4、信号调理的目的是尽量减少干扰信号的影响,提高信号的信噪比,他会直接影响分析结果。
因此,一般来说,信号调理是信号分析前需要的必要步骤。
常用的信号调理方法有滤波、放大和加窗等。
5、交会即是两个航天器,在预定时间,抵达一定的轨道和空间;对接即是使两航天器连接在一起。
在整个过程中,重要技术是利用由摄像敏感器和接近敏感器组成的测量系统精确的测量两个航天器的距离、相对速度和姿态,其中应用了大量的测量传感器技术,如电波交会雷达。
激光交会雷达、卫星导航测量系统和CCD 光学成像系统等。