工序施工质量验收评定表
- 格式:doc
- 大小:438.50 KB
- 文档页数:34
西躲拉洛水利枢纽及配套灌区工程移民安置防洪工程单元工程施工质量评定验收表合格分部工程名称:△达德1#排洪沟〔0+000~2+202.786〕、△达德2#排洪沟〔0+000~1+035.272〕、△达德3#排洪沟〔0+000~2+019.991〕、△达德村东侧护岸〔0+094.03~1+260.08〕、△达德村西侧护岸〔0+182.52~1+481.00〕、△多卡村一片护岸〔0+000~0+435.378〕单元工程数量:61、▲根底土方开挖2、基底清理压实3、碎石垫层4、▲浆砌石根底5、▲浆砌石护坡6、堤基填筑部位:四川万能建设集团CB18根底土方开挖工序/单元工程施工质量报验单〔万能[2021]质报号〕合同名称:西躲拉洛水利枢纽及配套灌区工程移民安置防洪工程合同编号:XZLL-YMGCSG-2021-0014份,1份、1份、1份、设代机构1份。
水利水电工程表1.1土方开挖单元工程施工质量验收评定表水利水电工程表1.1.1表土及土质岸坡清理工序施工质量验收评定表表1.1.2软基或土质岸坡开挖工序施工质量验收评定表CB18基底清理压实工序〔万能[2021]质报号〕合同名称:西躲拉洛水利枢纽及配套灌区工程移民安置防洪工程合同编号:XZLL-YMGCSG-2021-0014份,1份、1份、1份、设代机构1份。
水利水电工程表4.1堤基清理单元工程施工质量验收评定表表4.1.1基面清理工序施工质量验收评定表表4.1.2基面平坦压实工序施工质量验收评定表CB18碎石垫层单元工程施工质量报验单〔万能[2021]质报号〕合同名称:西躲拉洛水利枢纽及配套灌区工程移民安置防洪工程合同编号:XZLL-YMGCSG-2021-0014份,1份、1份、1份、设代机构1份。
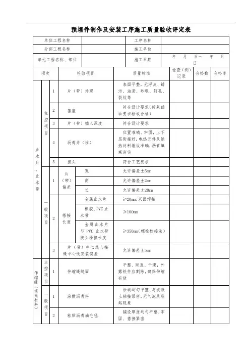
水利水电工程隐蔽工程施工质量等级签证表附件CB18浆砌石根底单元工程施工质量报验单〔万能[2021]质报号〕合同名称:西躲拉洛水利枢纽及配套灌区工程移民安置防洪工程合同编号:XZLL-YMGCSG-2021-0014份,1份、1份、1份、设代机构1份。
表2.1.2合格数合格率12456单位工程名称工序编号分部工程名称施工单位单元工程名称、部位施工日期年 月 日-- 年 月 日项次检验项目质量要求检查记录稳定性、刚度和强度满足混凝土施工荷载要求,并符合模板设计要求承重模板底面高程允许偏差0~+5mm 允许偏差±10mm 轴线位置允许偏差±10mm 垂直度允许偏差5mm 4结构物边线与设计边线外露表面内模板:允许偏差0~+10mm ;外模板:允许偏差-10mm~03排架、梁、板、柱、墙、墩结构断面尺寸隐蔽内面允许偏差15mm5预留孔、洞尺寸及位置孔、洞尺寸允许偏差0~+10mm孔洞位置允许偏差±10mm1相邻两板面错台外露表面钢模:允许偏差2mm木模:允许偏差3mm隐蔽内面允许偏差5mm2局部平整度外露表面钢模:允许偏差3mm木模:允许偏差5mm隐蔽内面允许偏差10mm允许偏差±20mm3板面缝隙外露表面钢模:允许偏差1mm木模:允许偏差2mm模板外观表面光洁、无污物隐蔽内面允许偏差2mm结构物水平断面内部尺寸普通混凝土模板制作及安装工序施工质量验收评定表________________________工程主控项目一般项目施工单位自评意见监理单位复核意见主控项目检验点全部合格,一般项目逐项检验点的合格率均不小于_____%,且不合格点不集中分布,各项报验资料_____SL 632—2012的要求。
经复核,主控项目检验点全部合格,一般项目逐项检验点的合格率均不小于_____%,且不合格点不集中分布,各项报验资料_____SL 632—2012的要求。
脱模剂涂刷产品质量符合标准要求,涂刷均匀,无明显色差。
2023最新建筑工程施工质量验收评定表
及填表说明
该文档为2023年最新版建筑工程施工质量验收评定表及填表说明。
本表用于评定建筑工程施工过程中的质量,以确保项目达到预期的标准和要求。
填表说明
本表分为多个部分,每个部分包含相关的质量评定项。
填表人员应按照实际情况,在适当的位置打勾或填写相应的信息。
项目信息
填写建筑项目的基本信息,包括项目名称、工程地址、项目负责人等。
施工过程质量
评定施工过程中各阶段的质量情况,包括建筑材料的选择和使用、施工工艺的合理性、防水、防火等方面。
结构质量
评定建筑结构的质量情况,包括结构的抗震性能、承载能力、连接部位的稳固性等。
室内装饰质量
评定室内装饰的质量情况,包括墙面、地面、天花板、门窗等的安装质量、装修材料的合理选择等。
设备安装质量
评定建筑设备的安装质量,包括供水、供电、通风、空调等设备的安装质量、设备的性能指标等。
安全与环保
评定工程的安全与环保情况,包括施工期间的安全措施、建筑材料的环保性能、废弃物的处理等。
注意事项
- 填表人员应具备一定的建筑知识和专业背景,以确保评定结果准确有效。
- 填表时应真实、客观地记录施工过程中的质量情况,不得故意歪曲事实。
- 填表人员应认真核对填写的信息,确保准确无误。
以上为2023最新建筑工程施工质量验收评定表及填表说明的概要内容。
具体操作请参照实际文档。
表6.0.4 工序施工质量验收评定表表6.0.5土料吹填工序施工质量验收评定表表7.0.4建筑物表面涂浆工序施工质量验收评定表表7.0.5 结合部填筑工序施工质量验收评定表表8.0.3-1 散抛石工序施工质量验收评定表表8.0.3-2 石笼防冲体制备工序施工质量验收评定表表8.0.3-3 预制防冲体制备工序施工质量验收评定表表8.0.3-4土工袋(包)防冲体制备工序施工质量验收评定表表8.0.3-5 柴枕防冲体制备工序施工质量验收评定表表8.0.4 防冲体抛投工序施工质量验收评定表表9.0.3沉排锚定工序施工质量验收评定表表9.0.4 旱地或冰上铺设铰链混凝土块沉排铺设工序施工质量验收评定表表9.0.5 水下铰链混凝土块沉排铺设工序施工质量验收评定表表9.0.6旱地或冰上土工织物软体沉排铺设工序施工质量验收评定表表9.0.7 水下土工织物软体沉排铺设工序施工质量验收评定表表 A.0.1-2单元工程施工质量验收评定表(划分工序)10.0.2沙(石)垫单元工程施工质量验收评定表(不划分工序)10.0.3土工织物铺设单元工程施工质量验收评定表(不划分工序)10.0.4毛石粗排护坡单元工程施工质量验收评定表(不划分工序)10.0.5石笼护坡单元工程施工质量验收评定表(不划分工序)10.0.6干砌石护坡单元工程施工质量验收评定表(不划分工序)10.0.7浆砌石护坡单元工程施工质量验收评定表(不划分工序)10.0.8混凝土预制块护坡单元工程施工质量验收评定表(不划分工序)10.0.9现浇混凝土护坡单元工程施工质量验收评定表(不划分工序)10.0.10模袋混凝土护坡单元工程施工质量验收评定表(不划分工序)10.0.11灌砌石护坡单元工程施工质量验收评定表(不划分工序)10.0.12植草护坡单元工程施工质量验收评定表(不划分工序)10.0.13植草护坡单元工程施工质量验收评定表(不划分工序)11.0.2河道疏浚单元工程施工质量验收评定表(不划分工序)。
水利水电工程单元工程施工质量验收评定标准—-水轮发电机组安装工程SL 636-2012水轮发电机组安装工程单元工程质量验收评定表(共有82个表)本部分系根据中华人民共和国水利部批准《水利水电工程单元工程施工质量验收评定标准——水轮发电机组安装工程》(SL 636-2012)编制。
本标准适用于符合下列条件之一的水轮发电机组安装工程的单元工程施工质量验收评定。
——单机容量15MW及以上;——冲击式水轮机,转轮名义直径1.5m及以上;——反击式水轮机中的混流式水轮机,转轮名义直径2.0及以上;轴流式、斜流式、贯流式水轮机,转轮名义直径3.0及以上。
单机容量和水轮机转轮名义直径小于上述规定的机组也可参照执行。
《评定表》改变了原标准中质量检验项目分类。
将原标准中的“保证项目”、“基本项目”、“主要项目”、“一般项目”等统一规定为“主控项目”和“一般项目”两类;工序名称前加“△”为主要工序。
《水利水电工程单元工程施工质量验收评定表》(以下简称《评定表》)是检验与评定施工质量的基础资料,也是进行工程维修和事故处理的重要参考。
工程竣工验收后,《评定表》归档长期保存。
因此,对《评定表》的填写,作如下基本规定:1.单元(工序)工程完工后,应及时评定其质量等级,并按现场检验结果,如实填写《评定 表》。
工序和单元工程施工质量等各类项目的检验,应采用随机布点和监理工程师现场指定区位相结合的方式进行。
检验方法及数量应符合本标准和相关标准的规定。
检验项目分为主控项目和一般项目。
单元工程按工序划分情况,分为划分工序单元工程和不划分工序单元工程。
划分工序单元工程应先进行工序施工质量验收评定。
在工序验收评定合格和施工项目实体质量检验合格的基础上,进行单元工程施工质量验收评定。
不划分工序单元工程施工质量验收评定,在单元工程中所包的检验项目检验合格和施工项目实体质量检验合格的基础上进行。
2.工序和单元工程施工质量验收评定表及其备查资料的制备质量由工程施工单位负责,其规格宜采用国际标准A4(210mmX297mm)验收评定表一式4份,备查资料一式2份,其中验收评定及备查资料各1份应由监理单位保存,其余应由施工单位保存。
表1.17.2土工膜备料工序施工质量验收评定表
填表说明
填表时必须遵守“填表基本规定”,并符合以下要求。
1.单位工程、分部工程、单元工程名称及部位填写要与表1.17相同。
2.检验(测)方法及数量。
3.工序施工质量验收评定应提交下列资料。
(1)施工单位各班(组)的初检记录、施工队复检记录、施工单位专职质检员终检记录,工序中各施工质量检验项目的检验资料。
(2)监理单位对工序中施工质量检验项目的平行检测资料。
4.工序质量标准。
(1)合格标准。
1)主控项目,检验结果应全部符合SL631—2012的要求。
2)一般项目,逐项应有70%及以上的检验点合格,且不合格点不应集中。
3)各项报验资料应符合SL631—2012的要求。
(2)优良标准。
1)主控项目,检验结果应全部符合SL631—2012的要求。
2)一般项目,逐项应有90%及以上的检验点合格,且不合格点不应集中。
3)各项报验资料应符合SL631—2012的要求。
水利水电工程
表1.17.2 土工膜备料工序施工质量验收评定表。