煤矿三类工程明细表
- 格式:xls
- 大小:81.50 KB
- 文档页数:20
三类工程的划分依据
三类工程的划分依据可以有不同的方式,以下是其中几种:
1. 按功能和用途划分:
- 土建工程:包括房屋建筑、道路、桥梁、隧道、水库等建设;
- 机电工程:包括电力、机械、化工、石油、煤矿、冶金、环保等工业项目;- 信息工程:包括通信、计算机、广播电视、互联网、卫星导航等。
2. 按建设主体和管理方式划分:
- 政府投资建设工程:由政府出资、组织和管理的公共设施建设项目;
- 私人投资建设工程:由私人资本出资、组织和管理的商业、住宅、旅游等项目;- 公私合作建设工程:政府和私人资本合作的项目,通常是政府提供土地和基础设施,私人进行建设和经营。
3. 按项目规模和复杂程度划分:
- 大型工程:投资数亿元以上,建筑面积或长度超过一定规模的项目,如高速公路、大桥、高层建筑、机场等;
- 中型工程:投资几千万至几亿元,既有公共设施建设也有商业和住宅项目;- 小型工程:投资数百万至几千万,主要是企业自建的生产厂房、办公楼和配套设施等。
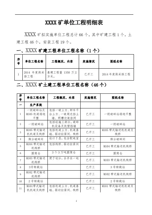
XXXX 矿单位工程明细表XXXX 矿拟实施单位工程总计66个,其中矿建工程1个,土建工程46个,安装工程19个。
一、XXXX 矿建工程单位工程名称(1个)二、XXXX 矿土建工程单位工程名称(46个)序号单位工程名称工程概况、内容实施情况图纸名称12014年度剥采排工程 基建工程量1350万立方米。
已开工 2014年度剥采排工程序号单位工程名称 工程概况、内容实施情况图纸名称一 生产系统1一级破碎站及M105机道场地平整包括一破土方、卸车平台土方、一破周边挡土墙、明槽边坡挂网 已开工 一级破碎站场地平整2 一级破碎站包括砼施工部分,破碎机设备及扶壁挡墙已开工 一级破碎站 3 M105带式输送机机道及栈桥 包括机道土方、机道基础、驱动拉紧间、栈桥已开工 M105带式输送机机道及栈桥4 筛分破碎间 设计7层,包含配电室 已开工 筛分破碎间5 M104带式输送机栈桥包括栈桥、驱动拉紧间 已开工 M104带式输送机栈桥6 圆筒仓 3个3万吨圆筒仓 已开工 圆筒仓7 M103带式输送机栈桥 便于划分,合并在一起已开工 M103带式输送机栈桥8 3号转载站 已开工 3号转载站 9 M102带式输送机栈桥 已开工 M102带式输送机栈桥10 2号转载站已开工 2号转载站 11M101带式输送机机道及栈桥 包括机道土方、机道基础、驱动拉紧间、栈桥已开工M101带式输送机机道及栈桥二供配电及控制工程12 35kv变电所包括建筑结构、室内采暖通风空调、给水、排水、消防、照明防雷接地。
已开工35kv变电所13 集控中心包括建筑结构、室内采暖通风空调、给水、排水、消防、照明防雷接地。
已开工集控中心14 1号转载站配电室包括场地平整、联络道路、建筑结构、室内采暖通风空调、给水、排水、消防、照明防雷接地。
已开工1号转载站配电室15 3号转载站配电室包括建筑结构、室内采暖通风空调、给水、排水、消防、照明防雷接地。
已开工3号转载站配电室16 工业场地电缆沟所有电缆沟施工已开工工业场地电缆沟17 升压站未出图升压站三给排水及供热工程18 工业场地日用消防泵房已出图工业场地日用消防泵房19 日用消防水池日用水池和消防水池已开工日用水池及消防水池20 一号加水站中水加水站已开工一号加水站21 二号加水站疏干水加水站已开工二号加水站22 空调机房未出图23 工业场地换热站未出图24 综合管网及附属构筑物含供水、消防、给排水、供暖、空调管道未出图25 电厂首站未出图26 电厂至二矿一次供热管网未出图三机修及仓库27 设备器材库已出图设备器材库28 材料棚已出图材料棚四疏干及防排水29 疏干降水孔6口井已开工疏干降水孔30 地下水控制疏干管路包括疏干水蓄水池、排水管路和现在已经施工的洒水管路,统一列入概算中。
矿井三类工程管理实施细则第一章总则第一条为进一步加强对矿井建设工程质量、施工进度及文明施工目标的管理,确保安全施工,按标准按计划工期完成矿井建设任务,结合矿井建设实际,特制定本实施细则。
第二条本办法适用于煤矿矿建、土建、安装三类工程等所有工程。
第三条矿井工程建设管理的主要业务流程包括:设计管理、招标及合同管理、计划管理、施工过程安全质量文明施工及技术管理、预(概)结算及资金管理、单位工程竣工验收质量认证。
第二章设计管理第四条一般规定1 初步设计应在可行性研究报告的框架内进行。
初步设计的重大技术方案应与可行性研究报告基本一致。
设计方案严重不合理时,应发回设计单位重新设计,并由设计单位承担相应的损失。
初步设计的审查由公司建设工程管理部门(建设部)组织。
2 施工图设计应根据批准的初步设计进行。
特殊情况下,施工图设计需要在初步设计批准前进行的,设计单位必须依据建设单位所确立的要求和原则进行设计。
3 施工图设计阶段,重大技术方案、重要设备的选型、建(构)筑物规模、标准等应在初步设计确定的框架内进行,设计单位不得随意扩大设计规模、提高设计标准,否则,根据情节扣罚设计费,严重的给予罚款,直至解除设计合同。
4 华润联盛车家庄煤矿(以下简称车家庄矿)根据批准的施工组织设计,制定年度供图计划,应与设计院签定书面供图协议,并设专人与设计院联络。
车家庄矿综合办公室应设专人管理设计图纸及资料(包括归档借阅发放等)。
5施工图审查前,应由设计单位向筹建处进行详细的设计交底,对存在的问题逐一列出清单,提交审查并审定。
6施工图审查按照分级审查分级管理的原则,矿井的井筒、涉及安全设施及重要生产环节的主要单位工程,由公司建设部审查,一般单位工程由车家庄矿负责组织审查。
7 施工图审查由华润联盛建设部、运营部和技术部(以下称“建设部”、“运营部”、“技术部”)负责,分专业进行。
建设部接到施工图后分专业及时(一周内)组织审查。
首先将矿建工程、机电及设备安装工程、土建工程等施工图发到施工单位、监理单位、分管副经理及公司领导和公司建设部,有建设部、运营部和技术部专业主管认真审查,然后组织以上相关部门和领导集体会审,形成会审意见,下发会议纪要。
2矿山采选工程2.1矿山采选工程范围[原文]适用于有色金属、黑色冶金、化学、非金属、黄金、铀、煤炭以及其他矿种采选工程。
[解释]本条对矿山采选工程监理适用范围做出规定。
本章适用于有色金属、黑色冶金、化学、非金属、黄金、铀、煤炭以及其他矿种采选工程的监理收费。
本条所称矿山是一个泛称,包括了露天矿、地下矿、水下矿以及水体矿(如钠盐矿、钾盐矿、锂盐矿)等不同矿石赋存形式。
矿山采选是指对特定矿种的开采以及采用适当的物理、化学方法对开采的矿石进行分选,达到进一步加工、冶炼的要求。
2.2 矿山采选工程复杂程度2.2.1 采矿工程【原文】采矿工程复杂程度表表2.2-1[解释]本条根据地形与地质构造条件、水文条件、矿物赋存条件、其他开采技术条件等因素将矿山工程工程复杂程度划分为3级。
工程复杂程度等级I级的主要有以下特征:1、地形、地质、水文条件简单。
地形条件简单是指全矿田范围内的地形平坦,而不是局部地形平坦。
地质条件简单是指有色金属、黑色冶金、化学、非金属、黄金、铀、煤炭等各类矿物《地质勘探报告》确定的地质构造为简单类型,具有产状近似水平,很少有波状起伏,断层稀少,没有或很少有岩浆岩侵入的特点;工程地质条件简单。
水文条件简单是指矿床位于地下水位以上或季节变化带内,以大气降水为主要充水水源,直接充水含水层单位涌出量q<0.1L/s.m的工程。
2、煤层、煤质稳定,全区可采,无岩浆岩侵入,无自然发火的矿井工程。
煤层、煤质稳定是指煤层厚度变化很小,结构简单或较简单,煤质单一。
3、立井筒垂深<300m,斜井筒斜长<500m。
是指井筒垂深不大,可不采用特殊凿井方法施工的浅井筒工程。
4、矿田地形为I、II类,煤层赋存条件属I、II类,可采煤层<2层,煤层埋藏深度<10 0m,采用单一开采工艺的煤炭露天采矿工程。
采用单一开采工艺是指露天矿开采过程中(剥离、采煤)采用同一种开采工艺。
5、两种矿石品种,有分采、分贮、分运设施的露天采矿工程。
附录:建设工程监理基本表式A类表(工程监理单位用表)总监理工程师任命书总监理工程师代表授权书工程开工令监理通知单施工现场安全检查整改单工程暂停令监理报告复工令工程款支付证书监理日志见证取样异常情况记录表旁站记录表不合格工程项目通知B类表(施工单位报审、验表)施工组织设计或(专项)施工方案报审表超过一定规模的危险性较大分部分项工程专项方案报审表开工报审表复工报审表分包单位资格报审表施工控制测量成果报验表工程材料、设备和构配件报审表主要施工机械设备报审表监理通知回复单报审、报验表分部工程报验表单位工程竣工验收报表工程款支付申请表施工进度计划报审表费用索赔报审表工程临时或最终延期报审表C类表(通用表)工作联系单工程变更单索赔意向通知书总监理工程师任命书工程名称:编号:注:本表一式三份,项目监理机构、建设单位、施工单位各一份。
总监理工程师代表授权书工程名称:编号:本表一式三份,项目监理机构、建设单位、施工单位各一份。
工程开工令工程名称:编号:注:本表一式三份,项目监理机构、建设单位、施工单位各一份。
监理通知单工程名称:编号:注:本表一式三份,项目监理机构、建设单位、施工单位各一份。
施工现场安全检查整改单工程名称:编号:注:本表一式两份,项目监理机构、施工单位各一份。
工程暂停令工程名称:编号:注:本表一式三份,项目监理机构、建设单位、施工单位各一份。
监理报告工程名称:编号:注:本表一式四份,主管部门、建设单位、工程监理单位、项目监理机构各一份。
工程复工令工程名称:编号:注:本表一式三份,项目监理机构、建设单位、施工单位各一份。
工程款支付证书工程名称:编号:注:本表一式三份,项目监理机构、建设单位、施工单位各一份。
监理日志高℃上午(晴、阴、雨、雪)年月日,星期,气温最气候记录人::浙建监A9见证取样异常情况记录表工程名称:编号:注:本表一式两份,项目监理机构、施工单位各一份。
旁站记录表工程名称:编号:注:本表一式两份,项目监理机构、施工单位各一份。
2矿山采选工程2.1矿山采选工程范围[原文]适用于有色金属、黑色冶金、化学、非金属、黄金、铀、煤炭以及其他矿种采选工程。
[解释]本条对矿山采选工程监理适用范围做出规定。
本章适用于有色金属、黑色冶金、化学、非金属、黄金、铀、煤炭以及其他矿种采选工程的监理收费。
本条所称矿山是一个泛称,包括了露天矿、地下矿、水下矿以及水体矿(如钠盐矿、钾盐矿、锂盐矿)等不同矿石赋存形式。
矿山采选是指对特定矿种的开采以及采用适当的物理、化学方法对开采的矿石进行分选,达到进一步加工、冶炼的要求。
2.2 矿山采选工程复杂程度2.2.1 采矿工程【原文】采矿工程复杂程度表表2.2-1[解释]本条根据地形与地质构造条件、水文条件、矿物赋存条件、其他开采技术条件等因素将矿山工程工程复杂程度划分为3级。
工程复杂程度等级I级的主要有以下特征:1、地形、地质、水文条件简单。
地形条件简单是指全矿田范围内的地形平坦,而不是局部地形平坦。
地质条件简单是指有色金属、黑色冶金、化学、非金属、黄金、铀、煤炭等各类矿物《地质勘探报告》确定的地质构造为简单类型,具有产状近似水平,很少有波状起伏,断层稀少,没有或很少有岩浆岩侵入的特点;工程地质条件简单。
水文条件简单是指矿床位于地下水位以上或季节变化带内,以大气降水为主要充水水源,直接充水含水层单位涌出量q<0.1L/s.m的工程。
2、煤层、煤质稳定,全区可采,无岩浆岩侵入,无自然发火的矿井工程。
煤层、煤质稳定是指煤层厚度变化很小,结构简单或较简单,煤质单一。
3、立井筒垂深<300m,斜井筒斜长<500m。
是指井筒垂深不大,可不采用特殊凿井方法施工的浅井筒工程。
4、矿田地形为I、II类,煤层赋存条件属I、II类,可采煤层<2层,煤层埋藏深度<10 0m,采用单一开采工艺的煤炭露天采矿工程。
采用单一开采工艺是指露天矿开采过程中(剥离、采煤)采用同一种开采工艺。
5、两种矿石品种,有分采、分贮、分运设施的露天采矿工程。
单项工程已认证单位工程明细表工程名称:山西灵石天聚富源煤业有限公司60万吨/年矿井兼并重组整合项目工程类别:矿建工程序号单位名称单位工程量工程特征施工单位监理单位设计单位开竣工日期自评等级认证等级抽查等级工程性质优良合格优良合格优良合格主要一般1主斜井m 239.21倾角18°、半圆拱巷道表土段全长19米、净宽4.0米、净高3.6米、采用钢筋混凝土支护、支护厚度0.35米;基岩段全长220.21米、净宽4.2米、净高3.6米、采用锚网喷支护、喷浆厚度0.12米中国有色金属工业第十四冶金建设公司山西省煤炭建设监理有限公司晋中市煤炭规划设计研究院2011.2.13——2011.5.292 副斜井m 236.8 (利用原有)倾角18°,半圆拱巷道、料石砌碹、净宽3.5米、净高2.87米,砌碹厚度0.4米中国有色金属工业第十四冶金建设公司山西省煤炭建设监理有限公司晋中市煤炭规划设计研究院2007.7.22——2007.8.293 回风立井m 107 直径4.2米(暂时没有图纸)中国有色金属工业第十四冶金建设公司山西省煤炭建设监理有限公司晋中市煤炭规划设计研究院2011.4.27——2011.7.234 井底车场m 136.7 半圆拱巷道、锚网喷支护,净宽4.5米、净高3.35米,喷后0.12米中国有色金属工业第十四冶金建设公司山西省煤炭建设监理有限公司晋中市煤炭规划设计研究院2011.2.13——2011.3.195 中央水泵房m 83.2 半圆拱巷道;通道20.77米,净宽2.5米、净高2.75米,料石砌碹,厚度0.25米;泵房23.25米、净宽4米、净高4.5米、混凝土浇筑、厚度0.35米中国有色金属工业第十四冶金建设公司山西省煤炭建设监理有限公司晋中市煤炭规划设计研究院2011.2.24——2011.6.21单项工程已认证单位工程明细表工程名称:山西灵石天聚富源煤业有限公司60万吨/年矿井兼并重组整合项目工程类别:矿建工程序号单位名称单位工程量工程特征施工单位监理单位设计单位开竣工日期自评等级认证等级抽查等级工程性质优良合格优良合格优良合格主要一般6 中央变电所m 93.5 半圆拱巷道;通道38.4米,净宽2.5米、净高2.75米,料石砌碹,厚度0.3米;变电所55.1米、净宽4米、净高3.6米、混凝土浇筑、厚度0.4米中国有色金属工业第十四冶金建设公司山西省煤炭建设监理有限公司晋中市煤炭规划设计研究院2011.3.1——2011.4.267 主、副水仓m 247.8 半圆拱巷道;净宽3.1米、净高2.55米、料石砌碹,厚度0.3米中国有色金属工业第十四冶金建设公司山西省煤炭建设监理有限公司晋中市煤炭规划设计研究院2011.4.28——2011.7.298 管子道m 30.3 半圆拱巷道、锚网喷支护、净宽2.5米、净高2.5米、喷后0.15米中国有色金属工业第十四冶金建设公司山西省煤炭建设监理有限公司晋中市煤炭规划设计研究院2011.6.23——2011.7.79 消防材料库m 48.8 半圆拱巷道、料石砌碹、净宽3.4米、净高3.2米、通道15.4米、材料库33.4米、厚度0.3米中国有色金属工业第十四冶金建设公司山西省煤炭建设监理有限公司晋中市煤炭规划设计研究院2011.5.27——2011.6.1610 井底煤仓m 27 二次支护、直径4.5米、钢筋混凝土支护、厚度0.4米、其中喷后0.05米、浇筑0.35米中国有色金属工业第十四冶金建设公司山西省煤炭建设监理有限公司晋中市煤炭规划设计研究院2011.8.1——2011.8.25单项工程已认证单位工程明细表工程名称:山西灵石天聚富源煤业有限公司60万吨/年矿井兼并重组整合项目工程类别:矿建工程序号单位名称单位工程量工程特征施工单位监理单位设计单位开竣工日期自评等级认证等级抽查等级工程性质优良合格优良合格优良合格主要一般11 煤仓上口通风通道m 102半圆拱巷道、锚网喷支护、净宽3米、净高2.8米、喷厚0.1米中国有色金属工业第十四冶金建设公司山西省煤炭建设监理有限公司晋中市煤炭规划设计研究院2011.6.20——2011.7.3112 井下等候硐室m 44.6 半圆拱巷道、锚网喷支护、净宽3.2米、净高3.2米、喷厚0.15米中国有色金属工业第十四冶金建设公司山西省煤炭建设监理有限公司晋中市煤炭规划设计研究院2011.5.30——2011.6.1813 紧急避难硐室m 65 半圆拱巷道、料石砌碹、净宽3.5米、净高3.15米、厚度0.5米中国有色金属工业第十四冶金建设公司山西省煤炭建设监理有限公司晋中市煤炭规划设计研究院2011.6.18——2011.8.2014 运输大巷m 521 梯形巷道、其中斜巷94米、半圆拱巷道、锚网喷支护、喷厚0.15米、平巷427米、工字钢喷浆支护、喷厚0.15米、净宽4米、净高2.8米中国有色金属工业第十四冶金建设公司山西省煤炭建设监理有限公司晋中市煤炭规划设计研究院2011.8.26——2012.4.2015 轨道大巷m 384 梯形巷道、工字钢喷浆支护、喷厚0.15米、净宽4米、净高2.8米中国有色金属工业第十四冶金建设公司山西省煤炭建设监理有限公司晋中市煤炭规划设计研究院2011.3.20——2011.7.16单项工程已认证单位工程明细表工程名称:山西灵石天聚富源煤业有限公司60万吨/年矿井兼并重组整合项目工程类别:矿建工程序号单位名称单位工程量工程特征施工单位监理单位设计单位开竣工日期自评等级认证等级抽查等级工程性质优良合格优良合格优良合格主要一般16 回风大巷m 604 梯形巷道、工字钢喷浆支护、净宽4.5米、净高2.8米、喷厚0.15米、其中联络巷74米、回风通路265米中国有色金属工业第十四冶金建设公司山西省煤炭建设监理有限公司晋中市煤炭规划设计研究院2011.7.25——2012.3.2817100101运输顺槽m 722.1梯形巷道、工字钢支护、净宽4米、净高2.5米、其中顺槽584.6米、行人联络巷45.54米、回风联络巷92米中国有色金属工业第十四冶金建设公司山西省煤炭建设监理有限公司晋中市煤炭规划设计研究院2012.4.13——2013.3.2918100101回风顺槽m 630.6梯形巷道、工字钢支护、净宽4米、净高2.5米、其中回风顺槽584.6米、回风联络巷46米中国有色金属工业第十四冶金建设公司山西省煤炭建设监理有限公司晋中市煤炭规划设计研究院2012.4.13——2013.3.1419 100101切眼m 140矩形巷道,锚网支护、净宽3米、净高1.2米中国有色金属工业第十四冶金建设公司山西省煤炭建设监理有限公司晋中市煤炭规划设计研究院2013.3.16——2013.5.720110101运输顺槽m 643.6梯形巷道、工字钢支护、净宽4米、净高2.5米中国有色金属工业第十四冶金建设公司山西省煤炭建设监理有限公司晋中市煤炭规划设计研究院2012.4.13——2012.10.21单项工程已认证单位工程明细表工程名称:山西灵石天聚富源煤业有限公司60万吨/年矿井兼并重组整合项目工程类别:矿建工程序号单位名称单位工程量工程特征施工单位监理单位设计单位开竣工日期自评等级认证等级抽查等级工程性质优良合格优良合格优良合格主要一般21110101回风顺槽m 783.7梯形巷道、工字钢支护、净宽4米、净高2.5米、其中回风联络巷140.1米,为锚网喷巷道、净宽3.2米、净高2.7米中国有色金属工业第十四冶金建设公司山西省煤炭建设监理有限公司晋中市煤炭规划设计研究院2012.4.13——2012.12.2322 110101切眼m 130矩形巷道,锚网支护、净宽3米、净高1.2米中国有色金属工业第十四冶金建设公司山西省煤炭建设监理有限公司晋中市煤炭规划设计研究院2012.10.26——2012.11.29。
采煤工作面安全质量标准及检查评分办法掘进文明生产标准及评分记录表矿队工程名称工程量年月日表1、井巷工程分项、分部工程名称表2、净宽0.5m以下的水沟(沟槽)分部工程,只检验水沟砌筑一个分项工程。
水沟盖板铺高分项工程在单位工程竣工验收时,在观感质量项目中检验。
五、巷道掘进质量标准(适用于钻爆法、掘进机施工的井巷工程及水沟)六、裸体巷道质量标准七、混凝土支护巷道质量标准八、喷射混凝土(砂浆)支护巷道质量标准注:遇有软岩或破碎带的喷射混凝土支护规格,应将因掘进超挖所做的补充作业规程规定的扩大净断面尺寸作为设计规格尺寸来检验评定,其规格偏差仍应符合上表规定。
九、钢筋网喷射混凝土支护工程质量标准十、锚杆支护巷道质量标准(适用于不同锚固形式和各种材质结构的锚杆支护)十一、预应力锚索支护工程质量标准十二、预制混凝土土块、料石、烧结砖支护巷道工程质量标准十三、钢性支架支护巷道质量标准十四、可缩性支架支护巷道质量标准(适用于可缩性金属支架支护工程质量检验评定)注:可缩性支架设计允许的放大量和最大可缩量必须在作业规程或施工措施中说明。
附录A分项工程质量检验评和选定标准A.1分项工程质量检验评定表A.2分项工程检验选检查点及测点规定附录B分部工程质量检验评定表工程名称:工程量:(m)检验日期: 年 月 日附录C 单位工程质量检验综合评定表工程名称: 施工单位:开工日期: 年 月 日检验日期:年月日附录D指定单位工程观感质量检验评定表D.1立井井筒观感质量检验评定表检验日期:年 月 日 注:(1)检验项目中有缺项(工程无该项)内容时,所缺项目不参加得分率计算; (2)各检验项目的评定分一般不宜低于基本分; (3)实得分应为评定分平均值的总和。
D.2斜井(巷)、平硐、井底车场、主要运输巷道(石门、总回(风巷)观感质量检验评定表检验日期:年月日注:同表D.1注。
D.3主要硐室观感质量检验评定表工程名称:工程量(m)检验日期:年月日注:同表D.1D.4井主要运输线路铺轨观感质量检验评定表检验日期:年月日注:同表D.1附录E 井常用检验工具表附录F 单位工程质量保证资料核查表检验日期:年月日注:序号旁有*符号的质量保证资料均为指定的质量保证资料,有**符合的也是检验分项工程时应核查项目,单位工程竣工验收时仍需复查并评定掘进质量达标评定情况表注:输入矿井分数按百分制处(室)负责珍:填表人:矿井机电质量标准化标准及考核评级办法运输安全质量标准化标准及考核评分办法通风安全质量标准化标准及考核评分办法地测防治水安全质量标准化标准及考核评级办法。
一、矿建工程二、土建工程档案分类:1进厂公路;2货运公路;3门卫值班室;4场区道路5 办公楼;6 探亲楼;7 单身楼;8食堂;9 礼堂;10内庭院;11 机电修理车间;12 机电修理车间、综机库;13 加固场地;14备品备件库;15锻铆焊及胶轮车修理车间;16 汽车库;17 胶轮车加油站;18 110KV变电所;19 联合建筑;20消防材料库;21 副斜井井口空气加热室;22主井井口房;23主斜井井口空气加热室;24主斜井井口变电所;25 污泥泵房;26 复用水池;27调节池;28水处理间;29综合水处理间;30 厕所;31 栈桥;32 原煤仓;33动筛车间;34矸石仓;35地销块仓;36 产品仓;37装车站;38 储煤场;39锅炉房;40除灰间;41冲灰水泵房;42 污水处理设施;43 烟道;44 烟窗;45;辅助间;46 高位水池47 风峒及安全出口;48 风机房;49风井公路;50管网;三机电安装工程档案1 井下水处理站设备安装2 井下水处理站配电3 工业场地加压泵房安装4 工业场地加压泵房配电5 污水处理设备安装6 污水处理设备配电7 工业场地锅炉房设备安装8 锅炉房配电9 工业场地凝结回水泵房安装10 锅炉房上煤除渣系统11 锅炉房上煤除渣系统设备配电12 主斜井空气加热室设备安装13 主斜井空气加热室配电14 副斜井空气加热室设备安装15 副斜井空气加热室配电16 工业场地给排水17 室外热力网主排水机械设备安装18 110KV室内配电装置19 110KV配电室内配电装置20 井下中央变电所21 110KV输电线路22 主斜井变电所综合自动化23 通风机房变电所综合自动化24井下中央变电所综合自动化25胶带机变电所综合自动化26井下排水系统综合自动化27连采掘、综普掘工作面设备安装28、6煤综采面设备安装29主排水机械设备安装30排水泵房配电控制31主排水管路32工业场地食堂冷藏、通风设备安装33食堂配电34工业场地浴室通风、洗衣设备安装35联合建筑配电36制氮站设备配电37工业场地矿灯房通风设备安装38场内运输设施39风井场地配电室及隔音值班室通风采暖设备安装40工业场地动照网41井下动照网42主井提升设备安装43、6上煤大巷运输设备安装44机电修理车间设备安装45机电修理车间配电46 胶轮车加油站47 有线电视系统48 无轨胶轮车监控系统49 矿井通风检测设备安装50 矿井粉尘监测设备安装51 矿山压力及地质测量仪器52 通风及安全出口设施53 立风井设备安装54 行政通信系统55 调度通信系统56 移动通信系统57 安全生产监测、监控系统58 工业电视系统59 矿井救护类设备60 火灾检测及防灭火设备61 辅助矿山救护技术装备。