隧道施工平面布置及图
- 格式:docx
- 大小:15.96 KB
- 文档页数:4
土木与建筑工程学院2015届毕业设计文件设计题目:天台山公路隧道设计专 业:土木工程(岩土)班 级: 11-3 班学生姓名:臧浩然学号:20117181指导教师:刘振平院长: 武鹤黑龙江工程学院土木与建筑工程学院二〇一五年六月目 录图 表 名 称 图 号 备 注设计总说明 I 共2页 上行先平纵缩图 S1-1共5页 下行线平纵缩图 S1-2隧道平面布置图(一) S1-3 隧道平面布置图(二) S1-4隧道平面布置图(三) S1-5隧道上行线纵断面缩图 S2 共1页 隧道上行线纵断面布置图(一) S3-1共3页 隧道上行线纵断面布置图(二) S3-2 隧道上行线纵断面布置图(三) S3-3隧道下行线纵断面缩图 S4 共1页 隧道下行线纵断面布置图(一) S5-1共3页 隧道下行线纵断面布置图(二) S5-2 隧道下行线纵断面布置图(三) S5-3Ⅲ级围岩隧道标准横断面图 S6 共1页 Ⅲ级围岩衬砌配筋图(一) S7-1共2页 Ⅲ级围岩衬砌配筋图(二) S7-2 Ⅲ级围岩支护与衬砌构造图 S8 共1页 Ⅳ、Ⅴ级围岩标准横断面图 S9 共1页 Ⅳ级围岩衬砌配筋图(一) S10-1 共4页图 表 名 称 图 号 备 注 Ⅳ级围岩衬砌配筋图(二) S10-2 Ⅴ级围岩衬砌配筋图(一) S10-3 Ⅴ级围岩衬砌配筋图(一) S10-4 共4页 Ⅳ、Ⅴ级围岩支护与衬砌构造图 S11 共1页 标准横断面图 S12 共1页 紧急停车带横断面和平面图 S13 共1页 人、车横向通道横断面图 S14 共1页 翼墙式洞门立面图 S15 共1页 翼墙式洞门侧面图 S16 共1页 翼墙式洞门平面图 S17 共1页 射流机安装位置图 S18 共1页 射流机平面布置图 S19 共1页 照明灯具安装位置图 S20 共1页 照明灯具平面布置图 S21 共1页 Ⅲ级围岩施工方案图 S22 共1页 Ⅳ级围岩施工方案图 S23 共1页 Ⅴ级围岩施工方案图 S24 共1页设计总说明一、设计依据隧道名称 始终里程桩号 隧道长度 天台山隧道上行线隧道 K95+238~k96+704 1466m下行线隧道 K95+230~k96+688 1458m1、《公路勘测规范》JTG C10-2007;2、《公路隧道施工技术规范》JTG F60-20093、《公路隧道设计规范》 JTG D70-20044、《公路工程技术规范》JTG B01-20035、《公路工程技术标准》TGB01-2014;6、《公路工程抗震设计规范》JTJ004-2008;7、《公路隧道交通与辅助设施施工技术规范》JTG/TF 72-2011;8、《公路隧道交通工程设计规范》JTG/T D71-2004;9、《锚杆喷射混凝土支护技术规范》GB50086-2001;10、《地下工程防水技术规范》GB50108-2001;二、技术要求1、设计技术指标(1) 隧道按规定的远期交通量设计,采用直线型分离式单向行驶两车道隧道(上、下行分离)。
隧道工程进出洞施工方法及要点1.1.1设计优化根据项目进场后对洞口位置复勘的结果,焦树坪隧道出口地形与原设计严重不符,出口左右洞均位于陡峻峭壁位置,悬壁临河,现场地形十分复杂,具备山陡、沟深、谷窄、临路、近水等特点,隧道进洞施工条件极差。
图4-12 隧道洞口位置三维地形图隧道右洞洞口位于50m高陡峻峭壁位置,下临河道,与河道高差约50m,水平距离约43m,且洞口深入岩体6m,洞口段埋深约20m,隧道不具备直接进洞条件,围岩实际为中风化片麻岩,灰绿色、灰黄色,完整性较好,片麻状构造,节理裂隙较发育。
如按原设计方案施工,存在以下问题:(1)隧道洞口位于山体内,洞口边仰坡爆破开挖方量大,约2400m³,将对山体结构破坏严重,施工耗时较长,对其他工程干扰极大,安全风险极高。
(2)削坡后隧道洞口缺乏作业平台,受洞口场地限制,无法进行大管棚作业、正常进洞施工和二衬台车拼装等。
针对现场问题,通过动态的设计和合理的方案应用,彻底解决陡峻峭壁位置隧道进洞问题。
(1)将洞口大开挖设计优化为“隧道延长+倒削竹洞门”形式,为避免大规模的山体爆破开挖,实现隧道“早进洞”,将隧道暗洞进行3m延长,从而减少开挖方量,同时将洞门形式调整为倒削竹,避免了端墙式洞门墙趾对桥台背墙的影响。
焦树坪隧道右洞1:0.3便道营盘河大桥0#台图4-13 隧道洞口段调整后示意图(2)采用小型钻孔机具进行“分层分段爆破”技术,施作洞口5m 小平台;同时根据洞口围岩较好情况,通过动态设计将超前大管棚变更为双层超前小导管,利用洞口小平台,完成超前作业,保证进洞时间和安全;并采用洞渣进行多级挡墙砌筑和回填,扩宽洞前平台至13m ,解决陡峻峭壁位置进洞难题,实现了资源的合理利用。
(3)在洞前短平台问题(洞前平台仅13m )上采用二衬台车“逐段拼装逐段进洞”技术,降低了交叉作业造成的施工干扰,解决了短平台二衬台车拼装难题。
1.1.2边仰坡施工1.1.2.1 分层分段爆破削坡流程图图4-14 分层分段爆破削坡施工工艺流程图1.1.2.2 测量放样按照变更后图纸中给定的洞口边仰坡坡率、平台宽度、明暗洞交界点、边仰坡起点设计高程、宽度,同时结合实际情况,进行洞口边仰坡开口线测量放样。
隧道工程施工现场平面布置1、施工现场平面布置原则(1)按照海南省交通工程建设局相关要求和设计图纸提供的施工条件和施工要点,严格遵守国家和海南省有关土地资源使用方面的法律法规,因地制宜,精心布置,做到合理可行。
(2)场地尽量布置在总体规划征地范围内指定的区域。
施工平面布置要满足交通要求。
布置要合理,充分利用规划用地,并尽量减少对交通及周边环境的影响,确保道路行车及施工行车安全。
(3)场地布置既便于各项目工程施工,又不影响通过施工区域的供水、供电、通讯、道路、排水等公共设施的正常运行,尽量减小规模。
(4)突出环境保护和水土保持要求,节约用地,减少对工程所在地环境污染。
2、施工现场平面布置安排根据现场具体情况和施工需要,项目部办公生活设置在论坛金海岸酒店,租住酒店房建35间,办公室600平米,会议室500平米,餐厅700平米,生活区住宿租住27套房间(每套为2室一厅)。
施工队生活住宿临近现场租住民房350间。
2.1施工用电本工程分部分项工程数量较多,尤其是集中在施工前期围护结构施工阶段,用电设备投入数量多,用电集中,用电量大,前期主要的用电设备如表2.1所示。
2.1.1变压器(1)按照施工前期主要设备进行总用电量计算:P=1.05~1.1(K1£P1/cos@+K2£P2+ K3EP3 )P——供电设备总需容量(KVA)P1——电动机额定功率(KW)P2——电焊机额定容量(KVA)P3——空调容量(KW)K1-全部电动机同时使用系数,10台以内K1=0.75;10〜30台K1=0.70; 30 台以上K1=0.60。
K2——全部电焊机同时使用系数,3〜10台以内K2=0.60; 10台以上K2=0.50。
K3一室内照明设备同时使用系数,一般取0.8。
cos”——电动机的平均功率因素在施工现场最高为0.75〜0.78, 一般为0.65〜0.75);P=1.05X{0 .6X(1604) /0.78+0 .5X311+0 .8X75+50)= 1572.9KVA根据计算4台400KVA的变压器容量能满足现场施工用电的需要。
本隧道按进口、出口、横洞3个工区四个断面组织施工,施工组织平面示意详见下图;施工进度安排总工期29个月,其中施工准备3个月,隧道主体工程贯通工期25个月,无咋轨道铺设工期2个月,贯通里程为DK183+235,施工进度指标详见下页表;隧道各工区施工范围详见下页表及施工进度详见下页图。
遂林隧道各工区施工作业面平面示意图
开挖进度进度指标表
隧道各工区施工范围一览表
任务分配及劳动力配置表
主要机械设备配置表
⑶洞口平面布置
遂林隧道进口平面布置图
遂林隧道出口平面布置图
遂林隧道横洞口平面布置图
本隧道按新奥法组织施工,采用光面爆破和喷锚支护。
隧道Ⅴ级围岩采用四步CD法和三台阶临时仰拱法、三台阶法施工;Ⅳ级围岩段采用三台阶法施工;
Ⅲ级围岩开挖采用台阶法施工;Ⅱ级围岩开挖采用全断面法施工。
Ⅴ级围岩地段设I20型钢初期支护,洞口处拱部设置Φ108超前大管棚,洞身处拱部设置Φ89超前长管棚加强支护;Ⅳ级围岩采用I18型钢支护及拱部Φ42超前小导管加强支护;Ⅲ级围岩部分采用拱墙格栅钢架及锚杆加强支护。
分岔隧道施工工法中国铁路工程总公司1、前言在深沟、峡谷地区修建高速公路,桥隧紧相连,缺少足够长的过渡路基。
桥梁往往采用整体式布置的斜拉桥、悬索桥或大跨度拱桥等型式,如果分幅修建则造价过高。
但是对于长大隧道,考虑到安全、工期和工程造价等因素,不宜将左右幅隧道全部设置为整体连拱形式,而是采取可以基本上不考虑左右幅洞室之间相互影响的分离式隧道(两洞室净距离保持在25~40米左右)。
这样为了实现桥隧的合理衔接,就必须将两个相互分离的左右幅隧道逐渐减小间距,最终交汇成一个大拱隧道。
这种平面近似“人”字形布置的分岔隧道几乎囊括了隧道工程的各种结构形式和难点,具有很强的代表性。
湖北沪蓉西高速公路第15合同段八字岭隧道出口为分岔式设计,从出口端往进口方向依次为明洞、四车道大拱段、连拱段和小间距段,然后与分离段相连(参见下面的图1)。
它是国内首座大跨度施工的分岔隧道,其跨度在交通行业居亚洲第一,属于“交通部西部交通建设科技项目”。
八字岭隧道分岔段在施工方面有以下的难点和不安全性:开挖断面多变且施工跨度很大;为了尽可能减少邻近隧道的桥梁宽度及其投资,左右幅两隧道间距很小,中隔墙(中间岩柱)比一般连拱(小间距)隧道的中隔墙(中间岩柱)还要薄得多,承受压力更大且容易因爆破而震裂;左右幅两隧道开挖爆破时存在很大的相互震动的影响,容易造成围岩松动和坍塌。
如何确保八字岭隧道分岔段施工的安全、质量、进度和控制施工成本,是一个重大的技术难题。
图1 八字岭隧道分岔段平面布置示意图(原设计)依托八字岭隧道分岔段的施工实践,中国铁路工程总公司与中国交通部第二勘察设计研究院、山东大学、同济大学和中国科学院武汉岩土力学研究所联合开展科技创新,取得了《分岔隧道设计施工指南》这一国内领先、国际先进的新成果,目前正在申报湖北省和交通部的科学技术一等奖。
中国铁路工程总公司利用先进的科学技术方法和手段,取得了八字岭隧道分岔段施工的胜利,在安全、质量、进度和效益方面都实现了最大程度的成功。
第三章总体施工组织布置及规划3.l施工组织机构图3-1 虎山隧道工程施工组织机构图3.1.1组织机构为强化组织指挥和施工管理,我单位成立“中铁十一局集团第三工程有限公司虎山隧道工程项目部”,下设六部二室,即工程技术部、安全环保部、质量检查部、物资设备部、合同管理部、财务部、工地试验室、综合办公室。
项目部下设两个隧道队、两个砼拌和站。
其中隧道一队负责西垴隧道进口的施工,隧道二队负责西垴隧道出口的施工,拌合站负责隧道混凝土的供应。
施工组织机构见图2-1。
3.1.2组织机构职责项目经理部的主要职责是对本标段工程实施全面组织指挥,负责本标段总体施工进度计划的落实和安全、质量的管理;负责与业主、设计、监理单位及地方政府各部门之间的联系、沟通,确保工程顺利进行,代表我单位全面履行施工合同和对甲方的承诺。
⑴项目经理:项目经理是本工程的被授权人,全面负责本工程的组织、实施、协调、管理和监控,负责本工程的各种资源配置,确保管理体系在本工程的持续有效运行。
⑵项目副经理:具体负责施工现场的生产管理,协助项目经理抓好施工中的质量、安全和现场管理工作,处理施工中出现的具体问题。
⑶项目总工程师:负责本工程的技术管理、工程施工质量、计量测试工作,指导全体工程技术人员有效地开展技术工作。
负责组织本工程的施工方案、施工组织设计、本工程质量计划编制和实施,解决施工中的关键技术和重大技术难题,组织制定质量通病的预防和纠正措施,负责新技术、新工艺、新设备、新材料以及先进技术成果在本工程上的推广应用。
负责技术资料的管理工作,组织竣工资料的编制和移交。
⑷工程技术部:负责本工程施工过程的控制,制定施工技术管理办法,负责编制实施性施工组织设计和各项工程的施工方案和技术交底,并解决施工中遇到的一般技术问题。
根据工程特点,组织推广应用新技术、新工艺、新设备、新材料等四新技术成果,参与编制竣工资料和技术总结。
⑸质量检查部:负责根据公司的质量方针和本工程的质量目标,编制项目质量管理手册和程序文件。
2.3.1.2 施工组织及进度计划
本隧道按进口、出口、横洞3个工区四个断面组织施工,施工组织平面示意详见下图;施工进度安排总工期29个月,其中施工准备3个月,隧道主体工程贯通工期25个月,无咋轨道铺设工期2个月,贯通里程为DK183+235,施工进度指标详见下页表;隧道各工区施工范围详见下页表及施工进度详见下页图。
遂林隧道各工区施工作业面平面示意图
横 井
出 口
进 口
龙岩
南平
开挖进度进度指标表
隧道各工区施工范围一览表
施工进度横道图
⑴任务分配及劳动力配置见下表。
任务分配及劳动力配置表
主要机械设备配置表
⑶洞口平面布置
遂林隧道进口平面布置图
遂林隧道出口平面布置图
遂林隧道横洞口平面布置图
2.3.1.3 主要施工方案
本隧道按新奥法组织施工,采用光面爆破和喷锚支护。
隧道Ⅴ级围岩采用四
步CD法和三台阶临时仰拱法、三台阶法施工;Ⅳ级围岩段采用三台阶法施工;Ⅲ级围岩开挖采用台阶法施工;Ⅱ级围岩开挖采用全断面法施工。
Ⅴ级围岩地段设I20型钢初期支护,洞口处拱部设置Φ108超前大管棚,洞身处拱部设置Φ89超前长管棚加强支护;Ⅳ级围岩采用I18型钢支护及拱部Φ42超前小导管加强支护;Ⅲ级围岩部分采用拱墙格栅钢架及锚杆加强支护。
一套完整隧道施工图纸该帖被浏览了2726次| 回复了47次目录说明隧道工程数量表路面结构类型分段表路面工程数量表水泥混凝土路面板接缝钢筋数量表隧道平面图隧道左行线纵断面图隧道右行线纵断面图隧道建筑限界及内轮廓图阳平乐端洞口平面布置图朔端洞口平面布置图左行线阳朔端洞口设计图左行线平乐端洞口设计图右行线阳朔端洞口设计图右行线平乐端洞口设计图隧道临时支护设计图明洞衬砌设计图明洞衬砌配筋设计图S2型衬砌设计图S2型衬砌初期支护设计图S2型衬砌配筋设计图S3型衬砌设计图S3型衬砌初期支护设计图S4型衬砌设计图隧道防排水设计图人行道、电缆沟槽构造图内部装饰设计图行人横洞设计图行人横洞衬砌设计图行人横洞防排水设计图行人横洞电缆孔设计图行人横洞封闭门布置图行人横洞封闭门钢筋构造图进出口段路面结构图隧道进出口水泥混凝土路面板平面分块及接缝钢筋布置图隧道内路面结构图隧道内水泥混凝土路面板平面分块及接缝钢筋布置图隧道水泥路面接缝构造设计图水泥路面角隅及边缘钢筋补强设计图施工程序方案图监控量测设计图隧道消防器材箱布置图射流风机布置图射流风机悬挂处衬砌钢筋构造图射流风机预埋件布置图隧道左行线照明布置图隧道右行线照明布置图隧道洞外引道照明布置图行人横洞照明布置图/neteaseivp/enterp/gps/toLogin.jsp?source=downDrawing&pk=38920037。
隧道洞内通风、排水、施工用电及管线布置方案一、工程概况:丰宁隧道DK190+364至DK196+761位于承德市丰宁县城东南侧,隧道进口位于南二营村,里程为DK190+364;出口位于四道河村后侧,里程为DK196+761,全长为6397米,隧道最大埋设409.6m;本隧道为单洞双线隧道,直线段标准线间距为 4.0m;丰宁隧道进出口段均位于曲线上,其余地段均为直线段;进口段线路为右偏曲线,DK190+364~DK190+987,长623m,曲线半径为800m;出口段线路为右偏曲线,DK196+~DK196+756,长381.952m,曲线半径为2000m;隧道内纵坡均为下坡,隧道进口坡度为5‰,隧道内坡长749m;其余坡度为12‰,坡长5648m;二、洞内管路总体布设:丰宁隧道洞内临时设施包括洞内高压电缆、低压照明线路、高压动力线、通风管路、抽排水管路等,洞内照明采用36V低压电路,在施工场地设置大的蓄水池,引入潮河水供施工用水,根据现场施工实际情况和依据规范计算在丰宁隧道施工端口各安装一台2×110KW轴流式通风机,进行压入式送风,通风管采用ф1800mm拉链式软风管,通风管安装在起拱线位置上;洞内管线布设详见附图;1、高压供水方案隧道进出口均打井取水,洞口外设置施工用水池,利用高扬程水泵从水井提至施工,再利用增压泵,从施工用水池向洞内施工作业面提供高压用水;供水满足洞内高压用水需要,利用管路供水至洞内,高压水管选用直径为Ф108的无缝钢管,采用托架安装边墙上;2、洞内施工排水方案丰宁隧道进口端为反坡施工,开挖时根据洞内的实际涌水量配备足够的抽水设备,将掌子面积水利用污水泵逐级抽水,排出洞外;丰宁隧道出口施工为顺坡施工,排水采用顺坡自然排水,只在开挖面与仰拱区间设抽水设备,抽水设备为高压潜水泵,水泵将施工污水抽至成形水沟内自然顺坡排入洞口左侧水坑废水处理池,污水经处理达标后排放至潮河;3、施工用电方案隧道施工用电由10KV高压线“T”接点处引入洞口变压器后,提供各洞口生产、生活用电,在大电未送达之前采用自备发电机供电;计划在进口设置1000KVA变压器一台,500KVA变压器一台,400KVA变压器预留进洞使用,出口设置设置1000KVA变压器一台,500KVA变压器一台,400KVA变压器预留进洞使用,同时,每个洞口配备一台350KW发电机、一台50KW发电机备用,以满足施工和生活用电;因隧道单口掘进较长,电压降较大,需将变压器移至洞内,进洞采用电缆引10kv高压电至洞内变电器;照明电压:作业地段不得大于36V,成洞和不作业地段可采用220V;成洞地段固定的电线路,用绝缘良好的胶皮线架设,照明灯15m布置一处;衬砌、开挖等施工地段,加设照明设备,以满足施工照明;施工地段的临时电线路宜采用橡套电缆,隧道内设应急照明设备,该设备必须在短路或供电中断时,能自动接通并能连续工作2小时以上,应急设备布设间距30m一处;三、施工措施1、隧道通风施工通风设计依据铁路隧道施工规范和施工工作面安排进行设计;开挖面领先衬砌70~100m;衬砌仰拱先行,拱墙一次成型,为通风设备的安装提供了较好的条件;同时,由于施工人员、机具绝大部分集中在距掌子面百米范围内,爆破烟尘都集中在一起,根据上述情况,采用轴流式通风机、压入式通风;、压入式通风布置形式,污浊,不能迅速排除;有效射程按下式计算:.////L1=4~5A式中:L1—有效射程,m;A —隧道的断面积,m2;L1=5√130=5=57m;在应用压入式通风时须注意以下两点:1通风机安装位置应与洞口保持一定距离,一般应大于20m;同时,风机应安置在洞门10m以外处,避免洞内流出的污浊空气重新进入,形成部分循环风;2风筒出口应与工作面保持一定距离,对于大断面、大风量、大直径风管,该距离应控制在45~60m以内;、风机及风管的确定因隧道开挖断面大和无轨运输洞内污染大的客观原因,成立专业通风技术班组,加强通风管理,负责风管的接长、检查、补漏、顺直、开机及其它管理工作,确保管道漏风率及内摩阻力,保证洞内掌子面风速在0.21m/s以上;同时采取综合防尘技术,炮后立即喷雾洒水,出碴过程中设专人洒水,湿式钻孔,湿喷混凝土作业;加强设备维修管理,减少排放尾气、废气,达到综合防尘效果,并随时进行洞内环境监测,配置风速仪掌握通风情况及环境情况,确保洞内空气清新,创造良好的劳动环境;根据我国铁路、厂矿、企业及有关劳动卫生标准的规定,隧道内施工作业段的空气必须符合下列卫生标准:1、粉尘浓度:国务院颁布的关于防止厂矿企业中矽尘危害的决定中规定:1每m3空气含有10%以上游离二氧化硅的粉尘为2mg;2含游离二氧化硅在10%以下时,不含有害物质的矿性和动植物性的粉尘为10mg;3含游离二氧化硅在10%以下的水混粉尘为6mg;2、氮氧化合物换算成NO2浓度:我国矿山安全规程及铁路隧道施工技术规范规定:氮氧化合物不得超过%,质量浓度不得超过5mg/m3;3、洞内空气成分按体积计:我国矿山安全规程及铁路隧道施工技术规范规定:凡有人工作的地点,氧气O2•的含量不低于20%,二氧化炭CO2的含量不得大于%;4、洞内风量要求:每人每分钟供应新鲜空气不应少于3m3,柴油设备千瓦/分钟需要新鲜空气不小于3m3;通风机2×110KW轴流式通风机风量为2385 m3/min,风压为5355Pa;1设计参数:开挖断面积S=90m2一次爆破用药量: A =290kg 围岩循环进尺: 3m;洞内最多作业人数:按每工作面平均50人;爆破后通风排烟时间:t=30min;通风管:采用φ软管管道百米漏风率:β=%;风管沿程摩阻系数达西系数:λ=:a=pλ/8=×m2;最大压入通风长度: L =3200m;2风量计算从四个方面考虑,具体为按洞内允许最低风速计算得Q1;按洞内最多工作人员数计算得Q2;按排除爆破炮烟计算得Q3;通过计算,取Q=MaxQ1、Q2、Q3;按洞内最小风速计算风量每个工作面:最小风速取为s;Q1=×90×60=1134m3/min;按洞内最多工作人员数计算风量每工作面:Q2=3×50=150m3/min;按稀释爆破炮烟计算风量:Q3 =√Asl2/t3 =789m3/min;T——通风时间,取30分钟;A——同时爆破药量;S——开挖断面积;L——需要通风的巷道长度m取为3200m;按稀释内燃机车废气计算风量:由于本隧道采用无轨运输方案,限制洞内内燃机车数量,内燃机车功率主要在出碴施工中运行功率以400kw考虑;Q4=400×3=1200m3/min风机风量:根据洞内最大需风量、通风长度和百米漏风率,应用公式Qm =Q0/100求出所配风机的风量;Q0=1200m3/m;Qm=1200/3200/100=1948m3/min∠Qs=2385m3/min;满足要求;3风压计算h阻=∑h动+∑h局+∑h沿动压取50Pa;局部压力损失一般按沿程压力损失的10%估算;沿程压力损失计算:h沿=agpLQ2/s3 Pa式中 a——风道摩擦阻力系数,取a=3x10-4kgs2/m2L ——风道长度mL =3200m;Q——风机风量m3/sQ=sS——管道截面积m2S =;P——管道内周长mP =;g——重力加速度,取sh沿=4565Pa;h阻=∑h动+∑h局+∑h正洞沿=5072Pa∠Ps=5355Pa;满足要求;2通风设备选择及配置本隧道采用张家口端和唐山端同时掘进施工,单口掘进L=3200m,隧道通风设备按以下配置:配置1台2×110Kw轴流风机,配置一道φ1800mm的风管压入式通风;风管用便于装卸和维修的PVC拉链式软风管;3通风管布置安排在系统布置上,坚决杜绝各种形式的“循环风”;风管出风口到工作面距离控制在45~60m范围内;出风口气体射流倘沿壁扩散后能反向流出工作面,对工作面通风换气有利;、施工通风管理①由专业人员进行现场施工通风管理和实施,风管安装平、直、顺,通风管路转弯处安设刚性弯头,并且弯度平缓,避免转锐角弯,以减小管路沿程阻力和局部阻力,并且要加强日常维修和管理;②配有专业技术人员对现场通风效果进行检测,根据检测结果及时进行阶段调整;③必要时可以根据检测结果及时对通风系统作局部调整,保证洞内气温不得高于28℃、一氧化碳CO和二氧化氮NO2浓度在通风30 min后分别降到30mg/m3和5mg/m3以下,以满足施工需要;④风机配有专业风机司机负责操作,并作好运转记录,上岗前进行专业培训,培训合格后方可上岗;⑤电工定期检修风机,及时发现和解决故障,保证风机正常运转;、对施工的要求①为了保证风机能够正常启动和运转,为风机提供合适的供电设备;②加强日常通风检测,保证足够的风量和风压,并且要爱护通风管路,避免对通风管路的破坏,降低漏风率;③要求通风管每节长度大部分为20m/节,根据掌子面衔接风管长度的需要可以配置少量10m/节的风管;④洞口风机需要安设在距离洞口20m以外的上风向,避免发生污风循环;风管出风口距开挖工作面的距离不超过30m;⑤因为所选择的风管直径较大,保证洞内有足够的净空高度,避免发生过往车辆和机械刮破风管而影响施工;⑥由于采用无轨运输,运输车辆的尾气排放口安设净化装置,以降低对隧道内施工环境的污染程度;、其它措施因为隧道施工采用的内燃设备较多、功率较大,运输车辆排放的尾气量很大,隧道开挖产生的有害气体和粉尘也较多;为了避免对施工人员和大气造成危害,对洞内排出的污风进行空气质量监测,如果发现不符合排放标准,及时采取有效的处理措施,以满足环境保护的要求水幕降尘器降尘;水幕降尘器具有喷水颗粒细,产雾量大,能够封锁整个隧道断面,除降尘外还可以吸收易溶于水的有害气体S02、NH3等;隧道干式除尘机除尘,用于喷砼和装碴时的除尘;通过调整供风的风速控制粉尘当洞内风速达到~3.0m/s时,作业地点中空气粉尘的含量会降低至最低;2、隧道施工用电照明和动力线分层架设,电缆线悬挂高度距行人地面不小于2m;动力干线上的每一分支线装设开关及保险,禁止在动力线路上加挂照明设施;同时做到“一机一闸一漏保”;作业面采用36V低压照明设备,36v低压变压器设在安全、干燥处;丰宁隧道设备参数表根据机具计划及照明计划,现场用电量为1692kw,采用1×1000KVA、1×500KVA及1×400KVA的变压器以满足施工用电;并通过电路功率公式计算得出对应的电流和电压,依此选用电气控制设备和电线,达到安全、经济生产;3、施工排水丰宁隧道出口施工为顺坡施工,排水采用顺坡自然排水,只在开挖面与仰拱区间设抽水设备,抽水设备为高压潜水泵,水泵将施工污水抽至成形水沟内自然顺坡排入洞口左侧水坑废水处理池,污水经处理达标后排放至潮河;反坡施工即向洞内施工前进方向纵坡为下坡,洞内水向工作面汇集,需要及时抽排,以防止施工掌子面水积聚过深,影响隧道围岩的稳定性和隧道施工的机械设备及施工人员的安全,影响正常的施工生产;丰宁隧道进口施工为反坡施工,排水主要采用机械排水,设多级泵站接力排水,工作面积水采用移动式潜水泵抽至就近泵站或临时积水坑内,其余已施工完成地段,隧道渗水经隧道内侧沟自然汇集到临时积水坑或泵站水池内;临时积水坑及泵站内积水由固定式排水泵站接力将洞内积水抽排至洞外污水处理池,经污水处理池处理达标后再排放;丰宁隧道进口段有岩层富水地段,固定式排水泵站水仓容量按正常围岩渗水、施工废水及设计最大涌水量5200m3/d的流量设计;并考虑方便清淤和施工方便,临时集水坑根据不同地段渗水情况确定其大小;排水泵按使用一台、备用一台、检修一台考虑;并设专业队伍进行管理和操作;隧道内纵坡均为下坡,隧道进口坡度为%,隧道内坡长737m;其余坡度为%,坡长5648m;隧道纵坡坡度较缓适合采用较长距离开挖固定式集水坑作为泵站,用小集水泵将开挖面的积水抽到最近的集水坑内,再用大功率泥浆泵通过排水管道将水排到洞外;如下图:洞内平面布置示意图长距离采用的反坡排水方式考虑到本隧道围岩渗水量比较大,有富水地段,在布置固定式排水泵站时将考虑排水泵的扬程,拟每1000米设置固定式排水泵站一个;水质除地下水的本身成分外,主要还有岩石、石屑、泥浆,同时还有喷射混凝土的回弹物掺杂物,所以,选用污水污物潜水电泵;根据扬程合理选用水泵型号;洞内泵站间水量递增较大,为考虑到在管理、操作维修上的方便,泵站间高差相近,选用型号相同水泵,只是在设备数量上相应增加;工作面移动水泵,选用移动轻便的水泵,实际操作根据水量大小在数量上予以增减;丰宁隧道进口班组设置泵站位置及选用设备一览表根据洞内水量情况,结合选配的抽水设备,正常施工排水采用3套管路可根据隧道施工后洞内渗水情况增加管路:2套为φ150 mm无缝钢管一路检修备用,一路日常使用;1套为φ80 mm消防软管工作面上移动集水;集水坑设于洞内左侧,每隔350 m设置1处,同时根据隧道内出水量情况予以适当加密;临时集水坑的容量按该段15 min的汇水量加上施工用水量每工作面20~30 m3/d合计确定,一般集水坑尺寸为:2 m长×2 m宽×1.0 m 深,容量4 m3,可根据实际情况进行调整大小 ;固定泵站是整个施工过程结束前所使用的接力排水仓位置;本班组一共设置三处,泵站水仓容量计算按该段15 min 的汇水量加上施工用水合计确定,其结构尺寸为:3 m长×2 m宽×1.5 m深,容量9 m3 ,可根据隧道开挖后的实际情况进行调整;泵站统一设置在洞内左侧;为确保洞内排水不因电路问题导致抽排工作的间断,设置两条供电系统,一路运行,一路备用;由于水泵功率较大,新用电源电压为380 V±5%,所有泵站用电从洞外引入380 V稳定电源;4、管线布置在施工中除了质量标准化、规范化外,还特别对工地文明施工做出规范化、形象化,尤其对洞内“三管两线”提出标准化;洞内“三管两线”按要求布设,作好洞内排水、洞内路面清理及道路维护,加强洞内通风;管线布置见“风水管管线布置示意图”;风、水、电管线布置示意图1管线布置原则以三台阶开挖线进行分界,尽量减少管线对施工中台车行走、开挖出碴的影响;2高压水管考虑安装方便,高度控制在1米之内;3图中排水管为逆坡施工时采用方案,在顺坡施工中考虑借用水沟,由于每段设有集水箱,及时清理箱中沉淀物,保证排水顺畅;4所有管线均采用Ф22螺纹钢筋定位加固,保证管线的稳定性,且能满足特殊挂、撞情况下,结构性能稳定,不变形、不晃动;5电力线处加固钢筋要求涂刷油漆,减少钢筋对电力线的刮擦,同时能够有效减少漏电伤人的现象发生;6风管的加固采用Ф22螺纹钢筋定位,钢筋上绑铁丝,再由铁丝成箍形固定风管;7所有管线定位钢筋纵向间距为10m;8隧道未进行衬砌段管线布置及加固同上,加固位置水平标高与衬砌段相同;。
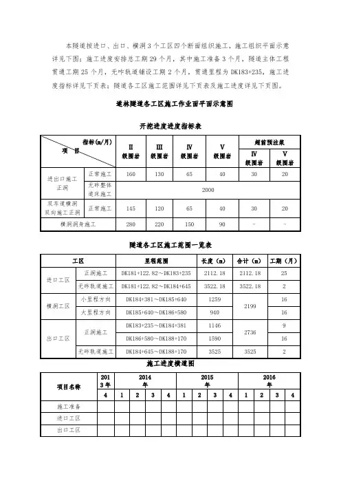
本隧道按进口、出口、横洞3个工区四个断面组织施工,施工组织平面示意详见下图;施工进度安排总工期29个月,其中施工准备3个月,隧道主体工程贯通工期25个月,无咋轨道铺设工期2个月,贯通里程为DK183+235,施工进度指标详见下页表;隧道各工区施工范围详见下页表及施工进度详见下页图。
遂林隧道各工区施工作业面平面示意图
开挖进度进度指标表
隧道各工区施工范围一览表
任务分配及劳动力配置表
主要机械设备配置表
⑶洞口平面布置
遂林隧道进口平面布置图
遂林隧道出口平面布置图
遂林隧道横洞口平面布置图
本隧道按新奥法组织施工,采用光面爆破和喷锚支护。
隧道Ⅴ级围岩采用四步CD法和三台阶临时仰拱法、三台阶法施工;Ⅳ级围岩段采用三台阶法施工;Ⅲ级围岩开挖采
用台阶法施工;Ⅱ级围岩开挖采用全断面法施工。
Ⅴ级围岩地段设I20型钢初期支护,洞口处拱部设置Φ108超前大管棚,洞身处拱部设置Φ89超前长管棚加强支护;Ⅳ级围岩采用I18型钢支护及拱部Φ42超前小导管加强支护;Ⅲ级围岩部分采用拱墙格栅钢架及锚杆加强支护。