桥式起重机除架桥机产品数据表.doc
- 格式:doc
- 大小:213.05 KB
- 文档页数:3
15/3交流桥式起重机电器元件明细表交流桥式起重机的电气控制线路起重机是一种用来起吊和放下重物并使重物在短距离内水平移动的起重机械,一般通称吊车、行车或天车等,常见的有5吨、10吨单钩起重机及15/3吨、20/5吨、50/10吨等双钩起重机且分轻、重型级起重机。
15/3吨交流桥式起重机由主钩(15吨),副钩(3吨),大车和小车四部分组成。
大车的轨道敷设在沿车间两侧的柱子上,大车可在轨道上沿车间纵向移动;大车上有小轨道,供小车横向移动;主钩和副钩都装在小车上。
交流起重机的电源为380伏,由公共的交流电网供给,由于起重机工作时是经常移动的,因此要采用可移动的电源线供电。
一种是采用软电缆供电,软电缆可随大、小车的移动而伸缩。
这仅适用于小型起重机。
而常用的方法是采用滑触线和电刷供电。
电源由三根主滑触线通过电刷引进起重机驾驶室内的保护控制盘上,三根主滑触线是沿着平行于大车轨道的方向敷设在车间厂房一侧。
提升机构、小车上的电动机,电磁抱闸的电源是由架设在大车上的辅助滑触线来供给的。
转子电阻也是通过辅助滑触线与电动机连接的。
滑触线通常用圆钢、角钢、V形钢或工字钢轨制成。
15/3吨交流桥式起重机电气控制线路如附图所示一、电气设备及保护装置15/3吨交流桥式起重机大车两侧的主动轮分别由两台规格相同的电动机1DD和2DD拖动,用一台凸轮控制器DTK控制。
两台电动机的定子并联在同一电源上,1DT和2DT为制动电磁铁,行程开关1DXK和2DXK作为大车前后两个方向的终端保护。
主钩提升由一台电动机ZD拖动,用一台主令控制器ZK和一台CKB磁力控制屏控制,1ZT和2ZT 为制动电磁铁,提升限位开关为ZXK。
副钩提升用一台电动机拖动,由一台凸轮控制器FTK来控制,FT为制动电磁铁,FXC为副钩提升的限位开关。
总电源有三相闸刀开关1ZK控制。
整个起重机电路和各控制电路均用熔断器作为短路保护。
起重机的导轨应当可靠地接零。
在起重机上,每台电动机均由各自的过流继电器作为分路过载保护,过电流继电器是双线圈式的,其中任一线圈的电流超过允许值时,都能使继电器动作,打开常闭触头,切断电动机电源。
投标设备主要技术参数一、QD双梁式桥式(吊钩)起重机1、起重量:10t2、工作级别:A53 、轨高:9000mm4 、跨度:25500mm5、起升速度:10.1 米/min6、大车运行速度:约30~74.3m/min(三档调速)7、小车运行速度:约20~43.8m/min(三档调速)8、操作方式:遥控加司机室操纵9、供电方式:滑轨10、结构形式:QD双梁桥式(吊钩)二、QD双梁式桥式(吊钩)起重机1、起重能力:20t (主钩)5t (副钩)2、工作级别:A53、轨高:9000mm4、跨度:25500mm5、提升速度:7.2m/min (主钩)15.3m/min(副钩三档调速)6、大车运行速度:约40~87.6m/min(三档调速)7、小车运行速度:约20~44.2m/min(三档调速)8、操作方式:遥控加司机室操纵9、供电方式:滑轨10、结构形式:QD双梁式桥式(吊钩)投标设备性能描述一、双梁桥式起重机技术说明我公司本着结构合理,工艺先进、经济实用、安全可靠、操作方便合理、高效节能、维修方便的原则,遵照国家起重机设计规范及有关标准,结合需方工艺条件和技术要求,确保产品质量,让用户满意。
产品用途:下料车间和机加工车间技术说明内容如下:制造过程中,严格按照GB3811-2008《起重机设计规范》的要求进行设计,产品技术指标、质量标准达到GB/T14405-1993《通用桥式起重机》规定的质量要求。
操纵室为大视野,配有航空座椅,操作方便、环境舒适,使用性能稳定,动作灵敏,安全可靠。
一、机构部分:本起重机由主梁、小车、大车运行机构、司机室、电气系统等组成。
一般规定1) 使用特殊钢制作的机械部件均需作必要的热处理;2) 起重机上使用的钢材必须满足国家标准,并应具有合格证;3) 铸造件和锻造件质地应均匀,不得有气孔、夹渣、裂纹等缺陷;4) 采用适当的焊接方法和消除应力方法以使焊接部分的残余应力为最小;5) 应使开口部或切口部的应力集中为最小;6) 主要承载的腹板厚度不得小于6mm。
xxx工程公司工程技术档案建设单位:工程项目:单位工程:分部工程:机械设备施工单位:单位技术负责人: ___________工程部门负责人: ___________项目技术负责人: ___________第 1 卷第 1 册xx年xx月xx日技术资料目录工程开工报告图纸会审记录————————施工方案编制:审核:审批:xxxxxxx公司年月日重要部位技术交底记录设备开箱检查记录钢吊车梁测量记录起重机轨道安装记录起重机轨道测量记录电动葫芦安装检查记录电动单梁起重机检查记录电动葫芦双梁起重机检查记录电动单梁悬挂起重机检查记录桥式起重机组装桥架安装记录桥式起重机大车运行机构检查记录桥式起重机小车运行机构检查记录单主梁通用门式起重机或装卸桥安装检查记录双梁通用门式起重机或装卸桥安装检查记录滑接线支架制作及安装检查记录工程名称:施工单位:工程编号:施工日期:年月日工程名称:施工单位:工程名称:施工日期:年月日梁式悬挂起重机轨道安装分项工程质量检验评定表工程名称:施工单位:工程名称:施工日期:年月日电动葫芦安装分项工程质量检验评定表工程名称:施工单位:电动葫芦规格、型号:施工日期:年月日普通桥式起重机(或冶金起重机)安装分项工程质量检验评定表工程名称:施工单位:起重机规格、型号:施工日期:年月日Z2.“允许偏差项目”第10、11项为《冶金起重机》及设置了水平导向轮的桥式起重机而编制。
单主梁通用门式起重机或装卸桥安装分项工程质量检验评定表工程名称:单位工程编号:单位工程名称:分部工程名称:分项工程名称:施工单位:起重机规格、型号:施工日期:年月日Z双梁通用门式起重机或装卸桥安装分项工程质量检验评定表工程名称:施工单位:起重机规格、型号:施工日期:年月日注:1.S Z为两端始于第一块大筋板的实测,在离上翼缘板约100mm的大筋板处测得。
高强度螺栓连接工程检验批质量验收记录表滑接线和移动式软电缆安装分项工程质量检验评定表起重机电气装置安装分项工程质量检验评定表电动葫芦空负荷试运转记录工程名称:施工单位:起重机的规格、型号:额定起重量:试运转日期:年月日注:此项仅限于“链条式电动葫芦”。
目录5t/14m龙门式起重机起重性能技术参数 (2)10t/20m龙门式起重机性能技术参数 (3)MG2020龙门式起重机性能技术参数 (4)MG3242龙门起重机的主要技术性能 (6)MQ442龙门起重机的主要技术性能 (7)MQ642龙门起重机的主要技术性能 (8)DBQ630型塔式起重机(可作为炉顶吊用) (10)DBQ1000型塔式起重机(可作为炉顶吊用) (14)DBQ3000型塔式起重机 (16)QUY50型液压履带式起重机 (29)7150型液压履带起重机 (39)LS-248RH5液压履带起重机 (54)尼渤海尔LR1200型200吨履带式起重机 (67)M250液压履带起重机 (79)QY-8型汽车起重机 (142)QY20型汽车起重机 (144)TL-252型汽车起重机 (148)TG-500E型汽车起重机 (152)NK-500E-V型汽车起重机 (156)TG-900E型汽车起重机 (160)钢索液压提升装置GYT-200(Ⅱ) (165)SCD200J施工升降机 (166)5t/16.8m龙门式起重机起重性能技术参数5t电动葫芦起重量:5t大跑行走速度:22m/min起升速度:7m/min起升高度:6.8m轨距:16.8m总长×宽×高=19m×4.77m×9m起重机轮压6t5t/20m龙门式起重机起重性能技术参数5t电动葫芦起重量:5t大跑行走速度:26m/min起升速度:7m/min起升高度:6.8m轨距:16.8m总长×宽×高=19m×4.77m×9m起重机轮压7t10t/15m龙门式起重机起重性能技术参数10t电动葫芦起重量:10t大跑行走速度:26m/min起升速度:7m/min起升高度:6.8m轨距:16.8m总长×宽×高=19m×4.77m×9m起重机轮压7t10t/20m龙门式起重机性能技术参数起重量:10t最大起升高度:10.105m起升速度:7m/min主钩行走速度:20m/min大跑行走速度:25m/min大跑行走轨道:50kg/m大跑行走范围:150m轨距:20m总长×宽×高=28m×8.951m×13.32m在龙门吊上单只行走轮允许负载不大于8t;吊车最大组件重7.2t。
目录5t/14m龙门式起重机起重性能技术参数 (2)10t/20m龙门式起重机性能技术参数 (3)MG2020龙门式起重机性能技术参数 (4)MG3242龙门起重机的主要技术性能 (6)MQ442龙门起重机的主要技术性能 (7)MQ642龙门起重机的主要技术性能 (8)DBQ630型塔式起重机(可作为炉顶吊用) (10)DBQ1000型塔式起重机(可作为炉顶吊用) (14)DBQ3000型塔式起重机 (16)QUY50型液压履带式起重机 (29)7150型液压履带起重机 (39)LS-248RH5液压履带起重机 (54)尼渤海尔LR1200型200吨履带式起重机 (67)M250液压履带起重机 (79)QY-8型汽车起重机 (142)QY20型汽车起重机 (144)TL-252型汽车起重机 (148)TG-500E型汽车起重机 (152)NK-500E-V型汽车起重机 (156)TG-900E型汽车起重机 (160)钢索液压提升装置GYT-200(Ⅱ) (165)SCD200J施工升降机 (166)5t/16.8m龙门式起重机起重性能技术参数5t电动葫芦起重量:5t大跑行走速度:22m/min起升速度:7m/min起升高度:6.8m轨距:16.8m总长×宽×高=19m×4.77m×9m起重机轮压6t5t/20m龙门式起重机起重性能技术参数5t电动葫芦起重量:5t大跑行走速度:26m/min起升速度:7m/min起升高度:6.8m轨距:16.8m总长×宽×高=19m×4.77m×9m起重机轮压7t10t/15m龙门式起重机起重性能技术参数10t电动葫芦起重量:10t大跑行走速度:26m/min起升速度:7m/min起升高度:6.8m轨距:16.8m总长×宽×高=19m×4.77m×9m起重机轮压7t10t/20m龙门式起重机性能技术参数起重量:10t最大起升高度:10.105m起升速度:7m/min主钩行走速度:20m/min大跑行走速度:25m/min大跑行走轨道:50kg/m大跑行走范围:150m轨距:20m总长×宽×高=28m×8.951m×13.32m在龙门吊上单只行走轮允许负载不大于8t;吊车最大组件重7.2t。
第二节起重机的基本参数起重机的技术参数是表征起重机的作业能力,是设计起重机的基本依据,也是所有从事起重作业人员必须掌握的基本知识。
起重机的基本技术参数主要有:起重量、起升高度、跨度(属于桥式类型起重机)、幅度(属于臂架式起重机)、机构工作速度、生产率和工作级别等。
其中臂架式起重机的主要技术参数中还包括起重力矩等,对于轮胎、汽车、履带、铁路起重机其爬坡度和最小转弯(曲率)半径也是主要技术参数。
随着起重机技术的发展,工作级别已成为起重机一项重要的技术参数。
一、关于起重机械参数国家标准GB 6974.2—86《起重机械名词术语——起重机械参数》中介绍了中国目前已生产制造与使用的各种类型起重机械的主要技术参数(标准的术语名称)、定义及示意图,现摘录一部分如表1—1所示。
编号名词术语定义(或说明) 示意图1 质量和载荷参数1.1 起重量G 被起升重物的质量1.1.1 有效起重量Gp 起重机能吊起的重物或物料的净质量。
对于幅度可变的起重机,根据幅度规定有效起重量1.1.2 额定起重量Gn 起重机允许吊起的重物或物料,连同可分吊具(或属具)质量的总和(对于流动式起重机,包括固定在起重机上的吊具)。
对于幅度可变的起重机,根据幅度规定起重机的额定起重量1.1.3 总起重量Gt 起重机能吊起的重物或物料,连同可分吊具上的吊具或属具(包括吊钩、滑轮组、起重钢丝绳,以及在臂架或起重小车以下的其它吊物)的质量总和。
对于幅度可变的起重机,根据幅度规定总起重量1.1.4 最大起重量Gmax起重机正常工作条件下,允许吊起的最大额定起重量1.2 起重力矩M 幅度L和相应起吊物品重力Q的乘积1.3 起重倾覆力矩M A起吊物品重力Q和从载荷中心线至倾覆线距离A的乘积1.4 起重机总质量Go 包括压重、平衡重、燃料、油液、润滑剂和水等在内的起重机各部分质量的总和1.5 轮压P 一个车轮传递到轨道或地面上的最大垂直载荷(按工况不同,分为工作轮压和非工作轮压)2 起重机尺寸参数2.1 幅度L 起重机置于水平场地时,空载吊具垂直中心线至回转中心线之间的水平距离(非回转浮式起重机为空载吊具垂直中心线至船艏护木的水平距离)2.1.1 最大幅度Lmax 起重机工作时,臂架倾角最小或小车在臂架最外极限位置时的幅度2.1.2 最小幅度Lmin 臂架倾角最大或小车在臂架最内极限位置时的幅度2.2 悬臂有效伸缩距l 离悬臂最近的起重机轨道中心线到位于悬臂端部吊具中心线之间的距离2.3 起升高度H 起重机水平停车面至吊具允许最高位置的垂直距离。
起重机械安全技术监察规程-桥式起重机Lifting appliances Safety and Technical Supervision Regulation-Overhead travelling cranes中华人民共和国国家质量监督检验检疫总局颁布2008年 2 月21日起重机械安全技术监察规程-桥式起重机第一章总则第一条为了保证桥式起重机的安全运行,保障人民群众生命和财产安全,促进经济发展,根据《特种设备安全监察条例》、《起重机械安全监察规定》等有关规定,制定本规程。
第二条本规程适用于《特种设备安全监察条例》规定范围内的起重机械中的桥式起重机(以下简称起重机)的设计、制造、安装、改造、维修、使用和检验检测。
本规程适用的起重机,包括通用桥式起重机、电站桥式起重机、防爆桥式起重机、绝缘桥式起重机、冶金桥式起重机、架桥机、电动单梁起重机、电动单梁悬挂起重机、电动葫芦桥式起重机和防爆梁式起重机等。
第三条本规程规定了起重机安全技术的基本要求,在中国境内生产、使用的起重机,必须符合本规程的要求,其中专门用于中国境外使用的起重机按照其他有关规定。
第四条采用新材料、新技术、新工艺以及有特殊使用要求的起重机,不符合本规程要求时,相关单位应当将相关的研究、试验等依据、数据、结果及其检验检测报告等技术资料报国家质量监督检验检疫总局(以下简称国家质检总局),由国家质检总局委托国家质检总局特种设备安全技术委员会组织技术评审。
技术评审的结果经过国家质检总局批准后,方可进行试制、试用。
第二章一般要求第五条起重机的设计必须符合安全、可靠和使用场所、[url=file:///D:/标准/起重机使用环境.doc]环境[/url](包括界限尺寸)的要求。
第六条吊运熔融金属的起重机,其额定起重量75t以上(含75t),除符合本规程外,还必须符合JB/T7688.15-1999《冶金起重机技术条件铸造起重机》相关要求。
以电动葫芦作起升机构,吊运熔融金属的起重机还应当符合以下要求:(一)额定起重量不得大于10t;(二)电动葫芦的工作级别不小于M6级。
中船大岗柴油机核心部件及舾装件配套项目装焊车间设备技术规格书工艺设备编号:ZCGG2009-03设备名称:50t/10t QD型吊钩桥式起重机设备型号: QD50t/10t-30m所在模块/工场名称:装焊车间编制:校对:广州中船南沙龙穴广州中船船舶钢构建设发展有限公司有限公司审核:审核:时间:时间:批准:批准:时间:时间:九院审核:时间:九院批准:时间:广州中船船舶钢构有限公司50t/10t QD型吊钩桥式起重机技术规格及要求一、概述1、招标设备名称和数量:50t/10t QD型吊钩桥式起重机,跨距S=30m,轨高H=10m,共1台,用于广州中船船舶钢构有限公司。
2、招标范围:50t/10t QD型吊钩桥式起重机的设计、制造、安装、调试、试车、验收、直至最后交付使用的完整性的工程。
与本机相关联的大车钢轨和电源安全滑触线属于本机的供货范围,中标单位要向招标方提供详细的大车钢轨安装布置图。
3、安装及交货地点:广州市番禺区大岗镇新联工业区的广州中船船舶钢构有限公司。
4、环境工作温度:0~40℃。
5、相对湿度:≤95%二、主要技术参数:50t/10t QD型吊钩桥式起重机1、起重量:Gn=50t(主钩)+10t(付钩)2、跨度:S=30m3、轨高:H=10m4、吊具形式:吊钩5、工作速度:起升速度:主钩约6m/min,付钩约9m/min,均可分三挡次调速小车运行速度:最高约30m/min,分三挡次调速大车运行速度:20~66m/min,分五挡次调速6、安装起重量限制器:90%载荷报警,105%载荷停车。
过载后保护动作启动,起升机构只能下降,不能上升。
7、工作级别:A58、操纵方式:司机室操纵9、大车钢轨:QU8010、大车最大轮压:≤450kN11、轨面以上高度:按招标方提供的数据12、轨道外侧的端梁宽度:≤300mm13、装机容量:(含照明)14、电源:380V/50HZ 三相四线15、供电方式:安全滑触线三、起重机结构型式示意图四、起重机的设计和制造应符合下列国家现行的标准、规范及其它相1、GB3811-1983 《起重机设计规范》2、GB6067-1985 《起重机械安全规程》3、GB10183-1988《桥式和门式起重机制造及轨道公差》4、GB5905-1986 《起重机试验规范和程序》5、GB50256-1996《电气装置安装工程起重机电气装置施工及验收规范》6、GB/T14405-1993《通用桥式起重机》7、JB/T4315-1997《起重机电控设备》8、GB50278-1998《机械设备安装工程施工及验收规范》9、GB/T14407-1993《通用桥式和门式起重机司机室技术条件》五、技术要求:1、制造起重机用的材料和外协件应符合相关国家或部颁标准,供应方立具有质保证明书。
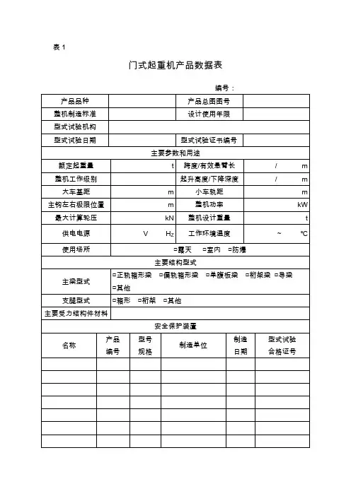
桥式起重机(除架桥机)产品数据表
设备代码
额定起重量 起升高度 整机重量 下降深度 主钩左右极限位置
主体结构型式 操纵方式
主要受力机构件材料
编号:
产品编号
主要参数和用途
t
跨度
m 整机工作级别
m 大车基距 m 小车轨距
m t 整机功率 kW 最大轮压
kN
m 防爆等级
用途
mm
主要结构型式
防爆型式 吊具型式
工作机构主要特性
倍率 起 升
速度
起
速
升
度
相应最大
机
起重量
构
减速器型号
大 / 小车轮直径速度
大 车
减速器型号
行
走 大车车轮路面直径
机
构
电机型号
/ 数量
小
速度
车
行
减速器型号
走
小车车轮路面直径机
构 电机型号
/ 数量
电压 电源
频率
电机型号/ 数
量
m/min
功率
t
制动器型号
/ 数量
卷筒直径 mm 定滑轮直径
传动比
制动力矩
/
mm
钢丝绳型号 m/min 功率
kW 工作级别
传动比
制动力矩
mm 适应轨道
/
制动器型号
/ 数量
m/min
功率 / kW/
工作级别
转速 r/min
传动比
制动力矩
mm 小车轨道
/
制动器型号 / 数量
适用工作环境
V
非工作风压
风压 Hz
工作风压
/
kW
/
mm
kN ·m
kN ·m
/
kN ·m
/
Pa
Pa
环境温度序零部件号名称1车轮2缓冲器3制动器4钢丝绳5吊钩6滑轮7卷筒8驱动电机9减速器10电气控制
设备序装置名称
号
1
2
3
4
5
6
7
℃ 吊钩部位辐射温度℃
主要零部件
零部型号
制造单位
制造产品编
备注件号规格日期号
安全保护装置
装置型号制造产品
型式试
制造单位验合格备注号规格日期编号
证号
8。