耐大气腐蚀钢
- 格式:docx
- 大小:27.54 KB
- 文档页数:7
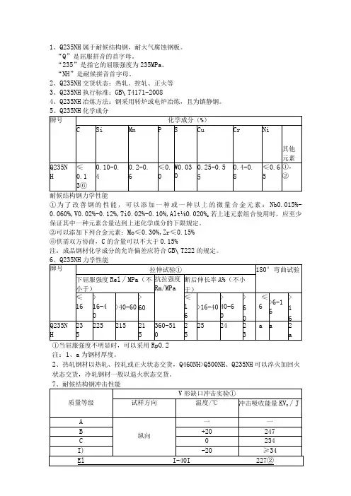
1、Q235NH 属于耐候结构钢,耐大气腐蚀钢板。
“Q”是屈服拼音的首字母。
“235”是指它的屈服强度为235MPa 。
“NH”是耐候拼音首字母。
2、Q235NH 交货状态:热轧、控轧、正火等3、Q235NH 执行标准:GB ∖T4171-20084、Q235NH 冶炼方法:钢采用转炉或电炉冶炼,且为镇静钢。
耐候结构钢力学性能①为了改善钢的性能,可以添加一种或一种以上的微量合金元素:Nb0.015%-0.060%,V0.02%-0.12%,Ti0.02%-0.10%,Alt ⅛O.020%o 若上述元素组合使用时,应至少保证其中一种元素含量达到上述化学成分的下限规定。
②可以添加下列合金元素:Mo≤0.30%,Zr≤0.15% ⑥供需双方协商,C 的含量可以不大于0.15%注:成品钢材化学成分的允许偏差应符合GB ∖T222的规定。
①当屈服强度不明显时,可以采用RpO.2 注:1、a 为钢材厚度。
2、热轧钢材以热轧、控轧或正火状态交货,Q460NH>Q500NH 、Q235NH 可以淬火加回火状态交货,冷轧钢材一般以退火状态交货。
①冲击试样尺寸为IOmm*1OnIm*55mm②经供需双方协商,平均冲击功值可以260J注:1、经供需双方协商,高耐候钢可以不做冲击实验2、冲击实验结果按三个试样的平均值计算,允许其中一个试样的冲击吸收能量小于规定值,但不得低于规定值的70%3、厚度不小于6mm或直径不小于12mm的钢材应做冲击试验。
对于厚度26-<12mm或直径212-VI6mm的钢材做冲击试验时,应采用IOnIln*5mm*5511)m或IOmm*7.5mm*55mm小尺寸试样,其实验结果应不小于表中规定值的50%或75%。
应尽可能取较大尺寸的冲击式样。
7、Q235NH应用耐候钢主要用于铁道、车辆、桥梁、塔架等长期暴露在大气中使用的钢结构。
用于制造集装箱、铁道车辆、石油井架、海港建筑、采油平台及化工石油设备中含硫化氢腐蚀介质的容器等结构件。
附录B(资料性附录)评估低合金钢的耐大气腐蚀性指南B. 1 范围木附录提供通过化学成分对低合金钢的耐大气腐蚀性进行评估的一种方法。
参照本附录,可以对各牌号耐腐蚀性的相对大小进行评估。
通常情况下钢材具有较好的耐大气腐蚀性能时,要求其按本附录计算出的耐腐蚀性指数应为6.0或6.0以上。
本方法利用基于钢的化学成分的预测公式计算钢的耐腐蚀性指数。
由于世界上有多种耐腐蚀性指数正在使用,因此当选择一种指数时,考虑到不同的使用环境和钢的化学成分是必要的。
基于使用环境和钢的化学成分的不同,任何指数都可能不适用,因此,由供需双方共同来确定使用哪种指数以及在预计的使用环境中该指数的大小是必要的。
B .2 术语低合金钢是含有合金元素总量大于1%但小于5%的碳钢。
注:大多数“低合金耐候钢”含有添加的Cr 和Cu 元素,也可能含有添加的Si、Ni、P 或其他的能增加耐大气腐蚀性能的合金元素。
B.3 方法B.3.1 Legauli 和Lcck ic 公布了基于钢的化学成分来预测暴露于不同大气环境下15.5 年后的低合金钢的腐蚀情况的公式。
该公式是以Larrabcc和Coburn公布的大量数据为基础的。
B.3.2 为了使用的准确性,工业环境(Kcarny, N. J.)下的Legault-Leckie的公式被修改以便能计算基于化学成分的耐大气腐蚀性指数。
这些修改包括常量的删除和公式中变量符号的变动。
修改后的耐大气腐蚀性指数(I)计算如式(B.1)所示。
指数越大,钢的耐腐蚀性能越好。
I=26.01(%Cu)+3.88(%Ni)+1.2(%Cr)+1.49(%Si)+17.28(%P)-7.29(%Cu)×(%Ni)-9.10(%Ni)(%P)-33.39(%Cu)2。
(B.1)B.3.3 预测式应在钢的化学成分满足Larrabcc-Coburn试验时的化学成分范围的情况下使用。
这些化学成分范围如下:Cu 0.012%~0..510%;Ni 0.05%~1.10%;Cr 0.10%~1.30%;Si 0.10%~0.64%;P 0.01 %~0.12%。
耐候钢常用牌号摘要:一、耐候钢简介1.耐候钢定义2.耐候钢性能特点二、耐候钢常用牌号1.中国耐候钢牌号2.国外耐候钢牌号三、耐候钢应用领域1.建筑行业2.桥梁工程3.机械制造4.轨道交通四、耐候钢的发展趋势1.国内外市场需求2.技术创新和产品升级正文:耐候钢是一种具有良好耐大气腐蚀性能的钢材,因其耐候性能而得名。
耐候钢通过加入一定比例的合金元素,使其在金属表面形成一层致密的氧化膜,从而起到保护金属的作用。
这种钢材具有耐腐蚀、抗磨损、抗氧化等优点,广泛应用于建筑、桥梁、机械制造等领域。
一、耐候钢简介耐候钢是在普通钢的基础上,加入一定比例的合金元素(如铜、镍、铬等)来提高钢材的耐候性能。
这种钢材具有良好的耐腐蚀性、抗磨损性和抗氧化性,可以在恶劣的气候条件下长期使用。
1.耐候钢定义耐候钢是一种特殊性能的钢材,通过加入合金元素提高钢材的耐大气腐蚀性能,广泛应用于建筑、桥梁、机械等领域。
2.耐候钢性能特点(1)良好的耐腐蚀性:耐候钢通过加入合金元素,使其在金属表面形成一层致密的氧化膜,保护金属不受腐蚀。
(2)抗磨损性:耐候钢具有较高的硬度,能抵抗一定程度的磨损。
(3)抗氧化性:耐候钢在氧化性环境下具有良好的抗氧化性能。
二、耐候钢常用牌号耐候钢的牌号主要分为国内和国外两大类。
1.中国耐候钢牌号我国的耐候钢牌号主要有:Q235NHA、Q355NHA、Q355GNHA 等。
2.国外耐候钢牌号国外的耐候钢牌号主要有:Corten(美国)、Cor-ten B(法国)、Weathering steel(英国)、Strenx 700MC(瑞典)等。
三、耐候钢应用领域耐候钢因其良好的耐腐蚀、抗磨损和抗氧化性能,被广泛应用于以下领域:1.建筑行业:耐候钢可用于建筑物的结构、装饰等领域,如屋顶、墙体、门窗等。
2.桥梁工程:耐候钢用于桥梁结构,如梁、柱、桁架等,可提高桥梁的使用寿命。
3.机械制造:耐候钢可用于制造各类机械设备,如汽车、火车、船舶等,提高设备的耐用性。
耐候钢常用牌号摘要:1.耐候钢简介2.耐候钢常用牌号3.耐候钢的应用领域正文:耐候钢是一种特殊的合金钢,具有良好的耐腐蚀性能和耐候性能。
它通常用于建筑、桥梁、工程机械等领域,以应对各种恶劣环境。
以下是一些常用的耐候钢牌号。
1.耐候钢简介耐候钢,又称耐大气腐蚀钢,是一种含有特定合金元素的钢材,使其在暴露于大气、水和其他腐蚀介质中时,具有较高的耐腐蚀性能。
耐候钢的耐候性能主要取决于其成分、热处理工艺和表面状态。
通过合适的合金元素配比和热处理工艺,可以提高钢材的耐候性能,延长其使用寿命。
2.耐候钢常用牌号我国常用的耐候钢牌号主要有以下几种:(1) Q235NH:是一种普通耐候钢,具有良好的耐大气腐蚀性能。
适用于一般大气环境下使用的建筑、桥梁等结构。
(2) Q355NH:是一种高强度耐候钢,具有较高的屈服强度和抗拉强度。
适用于高强度、重载结构的建筑、桥梁等。
(3) Q345GNH:是一种耐候钢板,具有较好的耐候性能和焊接性能。
适用于建筑、桥梁等结构的钢板、型材等。
(4) 09CuPCrNi-A:是一种耐候结构钢,具有优良的耐腐蚀性能和耐候性能。
适用于沿海、化工等腐蚀环境下的建筑、桥梁等结构。
3.耐候钢的应用领域耐候钢广泛应用于建筑、桥梁、工程机械、船舶、石油化工等领域。
其中,建筑领域主要应用于高层建筑、钢结构住宅、桥梁等;桥梁领域主要应用于钢桥、斜拉桥、悬索桥等;工程机械领域主要应用于挖掘机、装载机、推土机等。
此外,耐候钢还适用于沿海、化工等腐蚀环境下的各种结构。
总之,耐候钢以其优良的耐腐蚀性能和耐候性能,在各个领域发挥着重要作用。
耐候钢板牌号介绍
一、耐候钢的定义
耐候钢,即耐大气腐蚀钢,是介于普通钢和不锈钢之间的低合金钢系列,耐候钢由普碳钢添加少量铜、银等耐腐蚀元素而成,具有优质钢的强韧、塑延、成型、焊割、磨蚀、高温、抗疲劳等特性;耐候性为普碳钢的2~8倍,涂装性为普碳钢的1.5~10倍。
同时,它具有耐锈,使构件抗腐蚀延寿、减薄降耗,省工节能等特点。
二、涟钢耐候钢牌号
涟钢开发的SPA-H等钢种被广泛应用在集装箱行业高强度耐大气腐蚀钢Q450NQR1等用于铁道车厢板上,具有优良的低温中击韧性和耐大气腐蚀性能,适合各种极端气候下的使用,延长了使用寿命。
耐候钢牌号:S450AW、Q450EWR1、Q55ONQR1、Q450NQR1、Q345NQR2、
09CUPCrNi-A、SPA-H、LGC450、LGC55O、S355WW。
三、耐候钢用途
耐候钢主要用于铁道、车辆、桥梁、塔架、光伏、高速工程等长期暴露在大气中使用的钢结构。
用于制造集装箱、铁道车辆、石油井架、海港建筑、采油平台及化工石油设备中含硫化氢腐蚀介质的容器等结构件。
四、耐候钢板厂家
上海频开实业有限公司位于国内现有规模较大的钢材专业市场一乐从钢铁世界,公司在上海、武汉、娄底、佛山均有现货,库存量不低于3000T o公司库存量充足,品种规格全,可按要求加工开平,可定期货。
公司经营宝钢、武钢、涟钢、山钢、湘钢、鞍钢、新余等钢厂的材料,主要有耐磨钢、高强度钢板、工程机械用钢、汽车大梁钢、冷轧高强车厢板、耐候钢、耐酸钢、中高碳钢。
SPA-H耐候钢
一、牌号简介
SPA-H耐候钢,又称耐大气腐蚀钢,是指含少量合金元素、价格较低、在大气中具有良好的耐蚀性的一类低合金高强度钢,主要合金元素为Cu、P、Cr、Ni、Si、Mn、V、RE等。
耐候钢在使用过程中表面会逐步形成一层致密的、附着牢固的腐蚀产物保护膜,阻止大气中的氧、水及其它腐蚀性介质对基体进一步腐蚀,使其腐蚀速率相对于碳钢大大降低。
由于其具有较高强度,且价格合理,生产成本远低于不锈钢。
SPA-H执行标准为:JISG3125-2015。
二、化学成分
1、根据双方的协议,Mn含量上限可以到≤1.0%。
2、根据需要,也可添加其他合金元素。
作者:wygt0376
三、力学性能
四、应用前景
SPA-H耐候钢主要用于制造集装箱,集装箱运输业在世界上已有50多年的历史,30年前,我国集装箱运输还是空。
改革开放以来,我国港口建设和集装箱运输事业不断发展,特别是近几年,国际上面临这“一箱难求”的局面。
我国目前生产的集装箱的企业如:中集集团、江苏新华昌集团、上海振华集团、扬州润扬物流装备等。
spa-h耐候钢板,spa-h材质规格,SPA-H开平板尺寸
spa-h耐候钢板,SPA-H耐候钢属于日标牌号的耐候钢
SPA-H耐候钢即耐大气腐蚀钢,是介于普通钢和不锈钢之间的低合金钢系列。
spa-h耐候钢板开平:舞钢孙凡
JIS G3125 SPA-H耐候钢广泛用于空气预热器、省煤器、铁路车厢、集装箱生产、桥梁建设、建筑等。
技术数据
当SPA-H的耐候钢裸露在空气中后,经过和空气,水分的接触氧化,表面会形成一层致密的氧化膜,其中的铜、镍等元素依附于表面,形成了抵御外界继续侵蚀的屏障。
内部可以很多年保持良好的状态不被破坏。
而普通钢板裸露于外界随着时间的推移,氧化会不断的向内部侵蚀。
所以耐候钢的使用年限远高于普通钢板,从长远成本的角度看是一种经济适用的钢种,值得被推广使用。
耐工业大气腐蚀抗震钢筋1范围本文件规定了耐工业大气腐蚀抗震钢筋的术语和定义、分类、牌号、订货内容、尺寸、外形、重量、技术要求、试验方法、检验规则、包装、标志和质量证明书。
本文件适用于耐工业大气腐蚀抗震钢筋(以下简称钢筋)。
2规范性引用文件下列文件中的内容通过文中的规范性引用而成为本文件必不可少的条款。
其中,注日期的引用文件,仅该日期对应的版本适用于本文件;不注日期的引用文件,其最新版本(包括所有的修改单)适用于本文件。
GB/T222钢的成品化学成分允许偏差GB/T223.5钢铁酸溶硅和全硅含量的测定还原型硅钼酸盐分光光度法GB/T223.14钢铁及合金化学分析方法钽试剂萃取光度法测定钒含量GB/T223.19钢铁及合金化学分析方法新亚铜灵-三氯甲烷萃取光度法测定铜量GB/T223.37钢铁及合金氮含量的测定蒸馏分离靛酚蓝分光光度法GB/T223.40钢铁及合金铌含量的测定氯磺酚S分光光度法GB/T223.59钢铁及合金磷含量的测定铋磷钼蓝分光光度法和锑磷钼蓝分光光度法GB/T223.63钢铁及合金化学分析方法高碘酸钠(钾)光度法测定锰量GB/T223.84钢铁及合金钛含量的测定二安替比林甲烷分光光度法GB/T223.85钢铁及合金硫含量的测定感应炉燃烧后红外吸收法GB/T223.86钢铁及合金总碳含量的测定感应炉燃烧后红外吸收法GB/T1499.2-2018钢筋混凝土用钢第2部分:热轧带肋钢筋GB/T33953-2017钢筋混凝土用耐蚀钢筋GB/T2101型钢验收、包装、标志及质量证明书的一般规定GB/T4336碳素钢和中低合金钢多元素含量的测定火花放电原子发射光谱法(常规法)GB/T13298金属显微组织检验方法GB/T17505钢及钢产品交货一般技术要求GB/T20066钢和铁化学成分测定用试样的取样和制样方法GB/T20123钢铁总碳硫含量的测定高频感应炉燃烧后红外吸收法(常规方法)GB/T20124钢铁氮含量的测定惰性气体熔融热导法(常规方法)GB/T20125低合金钢多元素的测定电感耦合等离子体发射光谱法GB/T28900钢筋混凝土用钢材试验方法YB/T081冶金技术标准的数值修约与检测数值的判定YB/T4368钢筋工业大气环境中腐蚀试验方法JGJ18钢筋焊接及验收规程JGJ/T27钢筋焊接接头试验方法标准JGJ107钢筋机械连接技术规程3术语和定义GB/T1499.2、GB/T33953界定的术语和定义适用于本文件。
耐候钢1.1 耐候钢的概述耐候钢, 又称耐大气腐蚀钢, 是通过在普通钢中添加一定量的合金元素制成的一种低合金钢, 主要合金成分为Cu、P、Cr、Ni等元素。
耐候钢的特点是能够抵御自然大气条件下的腐蚀。
钢铁的锈蚀是钢结构损坏的主要原因之一,腐蚀损耗也是相当可观的,据报导北美每年因腐蚀损耗也是相当可观的,据报据报导北美每年因腐蚀损耗的钢占年产量的20%, 在加拿大每年腐蚀损失达到6亿美元。
人们解决大型钢结构的防腐蚀问题的方法一般是加大腐蚀余量, 并涂以防锈油漆。
前者会造成材料的浪费, 后者因为需要定期进行维护性重涂, 造成维护成本提高, 有时还会影响正常使用。
还有一种方法是在结构中使用金属涂覆层进行保护, 主要是热浸镀或喷涂锌或铝, 利用镀层金属的阴极保护性能延长钢结构寿命。
但应用金属涂覆层也存在着成本较高、污染环境、大型构件应用困难, 以及不易焊接等问题。
耐候钢并非不锈钢, 初期同普通碳钢一样也会锈蚀, 后期则情况不同。
耐候钢锈蚀一段时间后由于钢表面Cu、P等微量元素富集, 形成一层致密的非晶态锈层组织, 并与基体结合得非常牢固。
这层稳定化锈层能够在一定程度上抵御大气中水气及有害离子的侵入, 防止基体金属进一步腐蚀。
耐候钢在使用时, 可以涂装、裸用或进行稳定化处理, 涂装时的要求与普通碳钢相同。
这里特别要指出的是这种材料可以不涂漆裸用, 这是耐候钢最突出的优点。
在无严重大气污染或非特别潮湿的地区,耐候钢可以不用涂装, 直接裸露于大气中, 一般经过年时间后, 锈层逐渐稳定, 腐蚀不再发展, 外观呈美丽的巧克力色。
这种钢结因没有油漆老化等问题, 无需涂装维护, 大大降低了维护成本, 当然也就避免了因涂漆影响使用等造成的损失。
1.2 耐候钢的发展历程我国耐候钢的研制始于年60代初, 当时铁道部向冶金部提出仿制Corten牌号的耐候钢,1965年试制出09Mn2Cu薄钢板。
1967年用武钢生产的09MnCuPTi等两种牌号的耐候钢制造了两辆P61型试验棚车, 经过18年的运行, 在1985年厂修时检查发现, 两种耐候钢的防腐能力均比普通碳素钢高2~3倍。
高强度大直径SWRS82B盘条大气腐蚀的实验研究随着现代工业化进程的发展,高强度大直径钢材在工业中的应用越来越广泛,然而,钢材在大气中长期使用后,容易遭受腐蚀,这对钢材的使用寿命和性能都会造成严重的影响。
因此,对于大直径高强度钢材的大气腐蚀研究具有非常重要的意义。
本文以SWRS82B盘条为样本,通过实验来研究其大气腐蚀性能。
首先,我们需要了解SWRS82B盘条的基本性质。
SWRS82B是一种高强度的合金钢,主要成分为碳、铬、钼、钴等。
其具有很高的强度、抗拉强度和耐蚀性,广泛应用于各种机械设备和工程结构中。
实验中,我们使用了盐雾腐蚀实验方法对SWRS82B盘条进行了测试。
首先将样本进行加工和抛光,然后放入盐雾试验箱中,连续进行240h的盐雾腐蚀实验。
实验过程中,我们每隔24h对样本进行一次观察和测试,以记录其腐蚀程度。
通过实验结果的分析,我们发现SWRS82B盘条在盐雾腐蚀环境中,虽然出现了少量的腐蚀,但整体腐蚀程度还是比较轻微的。
在实验结束时,样本经观察,表面仍然较为光滑,没有出现严重的腐蚀痕迹。
然后,我们对SWRS82B盘条进行了材料显微结构分析。
通过显微结构的观察,我们发现SWRS82B盘条的晶体结构比较致密,晶粒大小分布较为均匀,这也是其抗腐蚀性能良好的原因之一。
此外,SWRS82B盘条中的铬、钼等元素也具有良好的抗腐蚀性能,这也有助于其抵抗大气腐蚀的发生。
综上,本实验研究了SWRS82B盘条在大气腐蚀环境下的腐蚀性能。
实验结果显示,SWRS82B盘条在盐雾腐蚀环境下,虽然出现了少量腐蚀,但整体腐蚀程度较轻微,这主要得益于其材料的致密晶体结构和铬、钼等元素的抗腐蚀性能。
这一实验结果对于工程结构中的SWRS82B盘条的使用和维护具有重要的参考价值。
在盐雾腐蚀实验中,我们记录了SWRS82B盘条在不同时间内的重量变化、表面颜色变化和表面形貌变化等数据。
首先是重量变化数据。
根据实验记录,SWRS82B盘条在实验开始后,前24小时腐蚀量约为0.05mg/cm²,接着在72小时时腐蚀量达到了最大值,为0.07mg/cm²;之后表现出稳定的趋势,最后在实验结束时腐蚀量为0.06mg/cm²。
耐候钢属于低合金高强耐大气腐蚀结构钢又叫考登钢管,主要材质有:Q355GNH耐候钢管、Q345NH耐候钢板、B480GNQR、09CuPCrNi-A、S355J0WP、S355J2WP、S355J0W、S355J2W、Q235NH、Q295NH、Q355NH、Q460NH、295GNH、Q295GNHL、Q345GNH、Q345GNHL、Q390GNH、09CuP、09CuPRE、09CuPTiRE、WTst37-2、WTst52-3……。
(详情点击进入官网咨询)耐候钢特点指具有保护锈层耐大气腐蚀,可用于制造车辆、桥梁、塔架、集装箱等钢结构的低合金结构钢。
与普碳钢相比,耐候钢在大气中具有更优良的抗蚀性能。
与不锈钢相比,耐候钢只有微量的合金元素,诸如磷、铜、铬、镍、钼、铌、钒、钛等,合金元素总量仅占百分之几,而不像不锈钢那样,达到百分之十几,因此价格较为低廉。
耐候钢原理钢中加入磷、铜、铬、镍等微量元素后,使钢材表面形成致密和附着性很强的保护膜,阻碍锈蚀往里扩散和发展,保护锈层下面的基体,以减缓其腐蚀速度。
在锈层和基体之间形成的约50μm~100μm厚的非晶态尖晶石型氧化物层致密且与基体金属黏附性好,由于这层致密氧化物膜的存在,阻止了大气中氧和水向钢铁基体渗入,减缓了锈蚀向钢铁材料纵深发展,大大提高了钢铁材料的耐大气腐蚀能力。
耐候钢是可减薄使用、裸露使用或简化涂装,而使制品抗蚀延寿、省工降耗、升级换代的钢系,也是一个可融入现代冶金新机制、新技术、新工艺而使其持续发展和创新的钢系。
耐候钢制造工艺耐候钢一般采用精料入炉-冶炼(转炉、电炉-微合金化处理-吹氩-LF精炼-低过热度连铸(喂入稀土丝)-控轧控冷等工艺路线。
在冶炼时,废钢随炉料一起加入炉内,按常规工艺冶炼,出钢后加入脱氧剂及合金,钢水经吹氩处理后,随即进行浇铸,吹氩调温后的钢水经连铸机铸成板坯。
由于钢中加入稀土元素,耐候钢得到净化,夹杂物含量大为减少。
JIS G3114-2004 中文版热轧耐大气腐蚀焊接结构钢热轧耐大气腐蚀焊接结构钢JIS G 3114:2004Hot-rolled atmospheric corrosion resisting steels for welded structure引言本标准自 1968 年颁布以来,曾分别于 1983 年、1988 年及 1998 年修改,至今已是第四次修订。
此次修订,规定了SMA570 的碳当量和材料的焊接裂纹敏感性。
1 适用范围本标准适用于热轧耐大气腐蚀焊接结构用钢材。
这些钢材由于焊接性能较好,通常用于桥梁、建筑及其它结构件中(下文中简称为钢板及型钢)。
注:术语“耐大气腐蚀”表示暴露在大气中时,具有密封的保护特性,可以防止侵蚀。
2 引用标准下列标准被本标准所引用,构成本标准的部分内容。
所引用的都是标准(包括修订的)的最新版本。
JIS G 0404 钢及钢产品交货一般技术要求JIS G 0415 钢及钢产品的检验文件JIS G 0416 钢及钢产品―力学性能试验取样位置及试样制备JIS G 0801 压力容器用钢板超声波检查方法JIS G 0901 建筑用轧制结构钢板和宽扁钢经超声波检测的分类标准JIS G 1211 钢铁―测定碳含量的方法JIS G 1212 钢铁―测定硅含量的方法JIS G 1214 钢铁―测定磷含量的方法 JIS G 1215 钢铁―测定硫含量的方法 JIS G 1216 钢铁―测定镍含量的方法 JIS G 1217 钢铁―测定铬含量的方法 JIS G 1218 钢铁―测定钼含量的方法 JIS G 1219 钢铁―测定铜含量的方法 JIS G 1221 钢铁―测定钒含量的方法 JIS G 1223 钢铁―测定钛含量的方法 JIS G 1227 钢铁―测定硼含量的方法 JIS G 1232 测定锆含量的方法JIS G 1238 钢铁―用电解法或目测滴定法测定铬含量的方法 JIS G 1253 铁以及钢―火花原子发光光谱分析方法JIS G 1256 铁以及钢―荧光X射线光谱分析法JIS G 1257 铁以及钢―原子吸收光谱分析方法JIS G 1258 铁以及钢―感应耦合等离子体原子发射光谱方法 JIS G 3192 热轧型钢的尺寸、重量及允许偏差JIS G 3193 热轧钢板和钢带的形状、尺寸、重量及允许偏差 JIS G 3194 热轧扁钢的尺寸、重量及允许偏差JIS Z 2201 金属材料拉伸试验的试样免费标准网无需注册即可下载JIS Z 2202 金属材料冲击试验的试样JIS Z 2241 金属材料拉伸试验方法JIS Z 2242 金属材料夏比冲击试验方法3 等级和牌号表 1 等级和牌号牌号适用厚度 mmSMA400AW耐大气腐蚀的钢板,成卷钢带,型钢,扁钢≤200SMA400APSMA400BW耐大气腐蚀的钢板,成卷钢带,型钢,扁钢≤200SMA400BPSMA400CW耐大气腐蚀的钢板,成卷钢带,型钢≤100SMA400CPSMA490AW耐大气腐蚀的钢板,成卷钢带,型钢,扁钢≤200SMA490APSMA490BW耐大气腐蚀的钢板,成卷钢带,型钢,扁钢≤200SMA490BPSMA490CW耐大气腐蚀的钢板,成卷钢带,型钢≤100SMA490CPSMA570W耐大气腐蚀的钢板,成卷钢带,型钢≤100SMA570P注:字母“W ”表示这些钢板与型钢在交货状态或经过化学防锈处理的状态下使用,字母“P ”表示这些钢板或型钢还要经过覆盖涂层处理。
结构钢热轧产品第5部分:改进型耐大气腐蚀结构钢交货技术条件BS EN 10025-5:2004BS EN 10025-5:2004与BS EN 10025-1:2004一起取代BS EN 10155:1993。
第1部分:总交货技术条件第2部分:非合金结构钢交货技术条件第3部分:正火/正火轧制可焊接细晶粒结构钢交货技术条件第4部分:热机械轧制焊接用细晶粒结构钢交货技术条件第6部分:淬火和回火高屈服强度结构钢扁平材产品交货技术条件1 范围该标准第5部分,第1部分除外,规定了热轧改进型耐大气腐蚀结构钢扁平材和长材产品及半成品的技术要求,按表2~表3(化学成份)和表4~表5(力学性能)在6.3中给出的通常的交货条件。
本标准中特别指定的钢种和质量中关于产品的厚度在表1中给出。
除EN10025-1:2004钢之外,本标准特别指定的钢计划用在环境温度中抗空气腐蚀的焊接、栓接及铆接。
(从属于7.4.1的限制说明)。
第5部分中指定的钢并不为热处理而设计,除非交货条件中的产品交货+N 重点减轻退火被允许(同样参见EN 10025-1:2004中7.3.1.1的注解)。
+N条件下的交货产品在交货后应该能被热加工及/或标准化(见条款3)。
2 标准参考标准下列参考标准是本标准用途所必须的。
关于过时的参考标准,只用于版本引用的用途。
关于更新的参考标准,采用最新的参考标准版本(包括任何修订)。
2.1 基础标准EN 1011-2 焊接–金属材料焊接的建议–第2部分:铁素体钢电弧焊接的建议EN 10020:2000 钢种的定义和分类EN 10025-1:2004 结构钢热轧产品–第1部分:总交货技术条件EN 10027-1 钢的命名体系–第1部分:钢名称、符号EN 10027-2 钢的命名体系–第2部分:钢号EN 10163-1 热轧钢板、宽扁平材和型钢表面条件的交货要求–第1部分:总要求。
EN 10163-2 热轧钢板、宽扁平材和型钢表面条件的交货要求–第2部分:板材和宽扁平材EN 10163-3 热轧钢板、宽扁平材和型钢表面条件的交货要求–第3部分:型钢EN 10164 厚度方向性能钢产品–交货技术条件EN 10221 热轧棒材和圆钢表面质量分类–交货技术条件CR 10260 钢产品名称体系–增加的符号2.2 尺寸和偏差标准(见7.7.1)EN 10017 拉拔和/或冷轧的棒材–尺寸和偏差EN 10024 热轧锥形凸缘I型钢–形状和尺寸偏差EN 10029 3mm或以上厚度热轧钢板–尺寸和形状及质量偏差EN 10034 I和H型结构钢–形状和尺寸偏差EN 10048 热轧窄带钢–尺寸和形状偏差EN 10051 非合金钢和合金钢的连续热轧无镀层钢板、薄板和带钢–尺寸和形状偏差EN 10055 带圆弧根和底的热轧等凸缘丁字钢–尺寸和形状及尺寸偏差EN 10056-1 结构用等边和不等边角–第1部分:尺寸EN 10056-2 结构用等边和不等边角–第2部分:形状和尺寸偏差EN 10058一般用热轧扁平钢棒材–尺寸和形状及尺寸偏差EN 10059一般用热轧方形钢棒材–尺寸和形状及尺寸偏差EN 10060一般用热轧圆钢棒材–尺寸和形状及尺寸偏差EN 10061一般用热轧六角形钢棒材–尺寸和形状及尺寸偏差EN 10067热轧球扁钢–尺寸、形状及质量偏差EN 10162冷轧型钢–交货技术条件–尺寸和断面偏差EN 10279热轧槽钢–形状、尺寸和质量偏差2.3 试验标准EN 10160 等于或大于6mm厚的扁平钢产品的超声检验(反射方法)EN 10306钢铁–有平行凸缘的H型和IPE梁的超声检验EN 10308无损检验–棒材超声检验EN ISO 643钢–表观晶粒度的显微测定方法(ISO 643:2003)3 术语和定义本标准引用EN 10025-1:2004给出的术语和定义并采用下列内容。
有关“耐候钢”锈层及其稳定化处理
有关“耐候钢”锈层及其稳定化处理如下:
耐候钢的锈层及其稳定化处理是钢铁材料防腐蚀的重要方法。
耐候钢,即耐大气腐蚀钢,通过在普通碳素钢中添加少量的合金元素如铬、铜、镍等,以提高钢材的耐腐蚀性能。
这些合金元素会在钢表面形成一层致密的锈层,这层锈层能够有效地阻止大气中的水分、氧气等腐蚀介质与钢材基体接触,从而防止钢材发生腐蚀。
然而,这层锈层并不是完全稳定的,它会随着时间和环境条件的变化而发生变化。
例如,在大气环境中,锈层会与氧气、水分等反应,发生氧化和腐蚀,导致锈层变厚或变薄,甚至出现锈蚀现象。
因此,为了保持耐候钢的耐腐蚀性能,需要对锈层进行稳定化处理。
稳定化处理的方法有多种,常见的有表面涂层、表面合金化、热处理等。
表面涂层是在钢材表面涂覆一层防腐蚀涂料,如油漆、镀锌等,以隔绝钢材与大气中的腐蚀介质接触。
表面合金化是通过热处理等方法在钢材表面形成一层具有更高耐腐蚀性能的合金层。
热处理则是通过加热和冷却等工艺改变钢材表面的组织结构,以提高其耐腐蚀性能。
总的来说,耐候钢的锈层及其稳定化处理是保障耐候钢耐腐蚀性能的关键措施之一。
在实际应用中,需要根据具体情况选择适当的处理方法,以保证耐候钢的使用寿命和安全性。
简介:耐大气腐蚀钢,又称耐候钢。
耐候钢是指通过添加少量合金元素,使其在大气中具有良好耐腐蚀性能的低合金强度钢。
耐候钢的耐大气腐蚀性能为普碳钢的2~8倍,耐候钢除具有良好的耐候性外,还具有优良的成形、焊接等使用性能。
耐候钢是通过在普通钢中添加一定量的合金元素制成的一种低合金钢,主要合金成分为Cu、P、Cr、Ni等元素。
耐候钢的耐大气腐蚀性能远高于普碳钢,在国外被广泛应用于集装箱、桥梁、汽车、铁路车辆和建筑等制造行业,目前国内耐候钢主要用于集装箱、铁路车辆,由此可见我国的耐候钢应用领域还有很大的发展空间。
耐候钢作为一种高效钢材。
一直是大气腐蚀用钢品种开发与腐蚀研究的热点。
特别是近二十年来,人们进行了大量的大气暴晒、干湿循环等试验。
并利用X-射线、扫描电镜、偏光显微镜、电子探针微区分析等现代物理测试手段对金属腐蚀产物的组成、结构及其形成过程进行了研究。
对合金元素的作用及锈层的保护作用有了更深刻、更全面地了解,还开发了新型的耐候钢及其锈层稳定化处理技术。
1.耐候钢的发展耐候钢的研制起源于欧美。
早在1900年,欧美的科学家就发现Cu可以改善钢在大气中的耐蚀性能。
1961年美国实验和材料学会(ASTM)开始了大气腐蚀的研究,30年代美国的U.S.Steel公司首先研制成功了耐腐蚀高抗拉强度的含Cu低合金钢-Corten钢,并在60年代不涂漆直接用于建筑和桥梁其中应用最普遍的是高P、Cu加Cr、Ni的Corten A系列和以Cr、Mn、Cu合金化为主的(Corten B系列这种耐候钢在欧洲、日本也得到广泛应用。
我国自60年代起大量研制耐候钢,并发展了一些自己的钢种,如鞍钢集团的08CuPVRE系列、武钢集团的09CuPTi系列、济南钢铁公司的09MnNb、上海第三钢铁厂的10CrMoAl和10CrCuSiV等。
现在,国外已将耐候钢逐渐当作普通钢种来广泛使用。
在钢种开发、使用及设计施工上也逐渐作了详细规定。
根据使用情况,耐候钢又可分为结构用高耐候钢和焊接结构用耐候钢。
前者主要用于车辆、塔架、建筑等其它结构件中,具有优良的耐大气腐蚀性能,以Cu—P系为主,其中P含量在0.07%~0.15%之间由于含P 量高,所以这类钢的屈服强度一般在 343 MPa以下,板厚一般不超过16 mm,美国的 ASTMA242系列和日本JAS中的SPA系列耐候钢均属此类。
目前我国这种结构用高耐候钢的发展十分迅速,除了仿制的几个品种如09CuPcrNi(仿 Corten)和09CuPTi(叉称09MnCuPTi)以外,还发展了具有中国特点的新品种,如09CuPTiRE、09CuPRE和08CuPvRE等。
并且已经制定出国家标准<高耐候性结构钢)GB 4171—84。
焊接结构用耐候钢主要用于桥梁、建筑等大型焊接结构中,以Cu-Cr-Ni系为主,含P量0.04%以下,具有优良的焊接性能和低温韧性,应用十分广泛。
如已有美国的ASTM A588和A514系列、日本的JIS SMA 系列耐候钢等型号,而在我国尚在研制中。
国内外耐候钢发展的主要历程如表1所示。
表1 耐候钢的发展历程年份记述1900 美国开始了含铜钢-早期耐候钢的研究和开发1933 美国U.S.Steel公司推出Corten-A型低台金耐候钢商品1955 日本开发耐候钢1959 美国开始使用裸耐候钢1961 中国开始试制16MnCu钢1965 中国试制出09CuPTi薄钢板日本建成第一座耐候钢大桥(涂漆)1967 中国首次用于试验车辆日本建成第一座棵钢桥(知多2号桥)1968 日车制定JIS G3114“焊接构造用耐候性热轧钢材”即 SMA钢材标准化1969 德国开始使用裸耐候钢1972 英国开始使用裸耐候钢1980 日本建成第三大川桥(最初用乎隧梁)1983 日本制定了将Smacop作为涂装用耐候钢。
Smacow作为不涂装用耐候钢的JIS标准用于志染川桥(11型钢架) 1984 中国制定高耐候性结构钢国家标准1988 中国初步试翩出NH-35q桥用耐候钢1990 中国建成国内第一座裸耐候钢桥1999 中国试制JT系列塔桅高耐候性结构钢2.耐候钢的应用一、高性能耐候钢和耐火钢可减小钢结构的维护费用,为解决外露无防护钢结构的防火防腐问题提供了新的解决方案。
二、耐火耐候钢的制作安装工艺与常规钢材基本相同,设计方法亦与普通钢结构相同,但需要更多试验验证。
三、高强度耐候钢已在桥梁工程中推广应用,需要研究设计理论和方法。
四、耐火耐候钢也可运用于楼承板。
(1)上海中福高层钢结构住宅约5000吨(2)北京国家大剧院约300吨(3)武钢技术中心大厦约3000多吨(4)北京财富中心,摩根中心7000多吨(5)中国残疾人体育艺术培训基地200多吨世博会中的应用上海2010年世博会中的澳大利亚馆,就是用红赭石色的耐候钢材料制成。
耐候钢钢板组成连绵不绝的波浪外墙,它代表了澳大利亚的海岸线,也体现了他们在铁矿石方面的资源优势。
耐候钢的原料采自澳大利亚西部的矿山,由当地的工厂生产。
馆方特意将天然的矿石绕着展馆摆放了一圈。
澳大利亚馆周围的地砖,都是红色的,这些地砖原料也产自红土地带,由十多个集装箱漂洋过海运来上海。
里里外外,红色不仅代表了自然,还将“工业”和“城市”的概念体现出来了。
我国的耐候钢产品主要用于铁路车辆、集装箱、桥梁等领域, 建筑、工程机械、煤矿机械等大量暴露于大气或特殊工况条件下器械, 由于腐蚀引起使用寿命缩短而造成的经济损失, 或因腐蚀失效造成重大事故, 因此, 这一领域对耐候结构钢的需求将会日益增多, 但由于在具有良好机械性能、成型性、焊接性和低温韧性的基础上, 同时具有良好的耐腐蚀性能造成耐候结构钢的成本偏高, 因此开发具有低成本的经济耐候结构钢具有良好的市场前景和市场竞争力。
耐候钢的制备一.生产工艺1.冶炼与连铸造耐候钢一般经过冶炼(转炉、电炉、平炉) 吹氩连铸(喂入稀土丝)等。
在冶炼时,钢板随炉料一起加入炉内,按常规工艺冶炼,出钢后加入脱氧剂及合金,钢水经吹氩处理后,随即进行浇铸,吹氩调温后的钢水经连铸机铸成板坯。
由于钢中加入稀土元素,耐候钢得到净化,夹杂物含量大为减少。
含铜耐候钢在连铸生产时易发生漏钢事故,钢坯表面容易出现表面纵裂纹。
铸坯表面纵裂主要是由于以下两个原因造成的。
一是该钢种的碳含量正好处在包晶反应区,在结晶器中,δ-Fe100%转化为γ-Fe,相变体积收缩大,即坯壳线收缩量大,这样结晶器壁与坯壳问空隙也大,因而极易引起热流不均;二是该钢种的磷、铜等元素含量高,在结晶过程中偏析倾向大,使钢的晶界脆化。
连铸过程中易发生漏钢事故主要是由于该类钢种中含有铬、铜、镍等元素,坯壳易与结品器铜板发生粘连,从而发生粘结漏钢。
目前避免发生漏钢事故,出现表面纵裂纹的主要方法是选用合适的保护渣及合理的一冷、二冷工艺。
2.轧制工艺由于耐候钢是含铜钢,Cu的熔点比较低,因此整个轧制工艺是耐候钢生产的关键环节。
含铜钢在加热及轧制过程中容易出现铜脆造成的裂纹,出现铜脆主要是由于在高温加热时,钢材表面发生选择性氧化,铜元素将逐渐地富集于金属基体与氧化皮层的界面,钢材加热时间越长,氧化皮层亦越厚,相应在表面富集的残余铜元素也将越多。
如果钢的热加工温度在铜的熔点(1083℃)以上,则表面富集的这层液膜状的铜将润湿钢的表面并沿晶界向基体内部浸润。
同时富铜的奥氏体晶界氧化也变得相当严重,沿晶界进入基体的氧量增加,不仅沿晶界扩散形成氧化物层,而且从氧化物层沿整个基体向内扩散,形成若干弥散的铁锰硅酸盐细颗粒,这就使得富集层的晶界强度更为降低,造成基体与表面之间的结合更为松脆,最后导致严重的铜裂。
耐候钢的C含量和合金含量一般较低,所以可以参照普通低合金钢的加工规范进行加工。
加工是主要考虑Cu的影响。
如果Cu含量过高、加热时间过长,在加工过程中低熔点的Cu就会富集而侵蚀晶界,从而导致开裂。
为了防止铜钢坯热裂,加热时宜采用还原性气体,同时还要注意合理的加热温度和加热时间,及时轧制,避免待轧。
加热后钢板温差不能高于50℃。
终轧温差要小于30℃。
同时要对轧机轧制前后的各种轧制工艺参数进行控制和显示,并注意保持正确的终轧温度和轧后冷却方式。
各含Cu钢进行轧制时,应根据当地资源条件,对其剪切头尾的回收进行堆放和管理,以防在冶炼其他钢种时使用的返回废钢造成Cu的污染。
3.热处理通常,耐候钢在热轧或冷轧退火状态交货,不经热处理。
但根据用户需要以及研究热处理时对钢板强度、韧性的影响,可以做提高强韧性的热处理。
含Cu量的高低对钢的晶粒度的大小影响不大,但若其含量超过0.6%时,将会出现过热敏感性倾向;当Cu含量超过0.8%时,经过热处理会导致沉淀硬化。
成分、结构和组织是改变材料性能的内因。
当前大部分耐候钢以热轧、正火或退火状态下使用,显微组织均属平衡态组织,由铁素体+少量珠光体组成,钢的强度较低,因此这种组织未必是耐候钢的最佳组织和最佳相组成及相分布,至少不是唯一对耐候钢可取的显微组织及结构。
除成分外,结构和组织的最佳选择乃是挖掘材料潜力的根本途径。
为了进一步提高耐候钢的综合性能,扩大其应用范围,应开展结构及组织方面的研究。
耐候钢原理:钢中加入磷、铜、铬、镍等微量元素后,使钢材表面形成致密和附着性很强的保护膜,阻碍锈蚀往里扩散和发展,保护锈层下面的基体,以减缓其腐蚀速度。
在锈层和基体之间形成的约50μm~100μm厚的非晶态尖晶石型氧化物致密层且与基体金属黏附性好,由于这层致密氧化物膜的存在,阻止了大气中氧和水向钢铁基体渗入,减缓了锈蚀向钢铁材料纵深发展,大大提高了钢铁材料的耐大气腐蚀能力。
耐候钢是可减薄使用、裸露使用或简化涂装,而使制品抗蚀延寿、省工降耗、升级换代的钢系,也是一个可融入现代冶金新机制、新技术、新工艺而使其持续发展和创新的钢系。
耐候钢较普碳钢有良好的抗大气腐蚀能力,其中合金元素起到了决定性作用,包括:1)降低锈层的导电性能,自身沉淀并覆盖钢表面;2)影响锈层中物相结构和种类,阻碍锈层的生长;3)推迟锈的结晶;4)加速钢均匀溶解;5)加速Fe2+向Fe3+的转化,并能阻碍腐蚀产物的快速生长;6)合金元素及其化合物阻塞裂纹和缺陷。
进一步研究结果表明,耐候钢中加入的合金元素对其耐大气腐蚀性能的影响不尽相同。
C:对钢的耐大气腐蚀不利,同时C影响钢的焊接性能、冷脆性能和冲压性能等,耐候钢中C含量被控制在0.12%以下。
Cu:在钢中加入0.2%-0.4%的Cu时,无论在乡村大气、工业大气或海洋大气中,都具有较普碳钢优越的耐蚀性能。
关于Cu对改善钢的耐大气腐蚀性能作用机理说法不一,主要有两种机制:一为Tomashov提出的促进阳极钝化论,认为钢与表面二次析出的Cu之间的阴极接触,能促使钢阳极钝化,并形成保护性较好的锈层;另一是Cu富集说,认为Cu在基体与锈层之间形成以Cu、P为主要成分的阻挡层,它与基体结合牢固,因而具有较好的保护作用。