DH48S-S欧姆龙数显双控时间继电器
- 格式:doc
- 大小:1.15 MB
- 文档页数:3
OMRON-dh48s-s-h5cn
接近开关是一种无需与运动部件进行机械直接接触而可以操作的位置开关,当物体接近开关的感应面到动作距离时,不需要机械接触及施加任何压力即可使开关动作,从而驱动直流电器或给计算机(plc)装置提供控制指令。
接近开关是种开关型传感器(即无触点开关),它既有行程开关、微动开关的特性,同时具有传感性能,且动作可靠,性能稳定,频率响应快,应用寿命长,抗干扰能力强等、并具有防水、防震、耐腐蚀等特点。
产品有电感式、电容式、霍尔式、交、直流型。
接近开关又称无触点接近开关,是理想的电子开关量传感器。
当金属检测体接近开关的感应区域,开关就能无接触,无压力、无火花、迅速发出电气指令,准确反应出运动机构的位置和行程,即使用于一般的行程控制,其定位精度、操作频率、使用寿命、安装调整的方便性和对恶劣环境的适用能力,是一般机械式行程开关所不能相比的。
它广泛地应用于机床、冶金、化工、轻纺和印刷等行业。
在自动控制系统中可作为限位、计数、定位控制和自动保护环节等。
OMRON-dh48s-s-h5cn。
SYKJ JS48S-S时间继电器说明书
首先将JS48S-S时间拔段开关(面板上的黑色开关)档位设定好,例如设定为“时”,把拨段开关拨到最左端(为时间范围为小时,拨段开关拨到中间时间范围为分钟,拨段开关拨到最右端时间范围为秒),同时相应的指示灯“时”亮。
通过“增”“减”按钮将“时间设定”按钮(面板上的四对按钮,前两位为小时,范围为0-99小时,后两位是分钟,范围为0-99)中数字设定好,例如设定为99h99min,这样,JS14S数显时间继电器的时间就设置好了。
工作模式:通电延时;计时方式:正计时,LED数码管显示;触点形式:二组延时带复位暂停功能。
JS代表时间继电器,48代表设计序号,S代表数显型,S代表延时范围代号(延时规格)。
数显时间继电器JS48S-S(DH48S-S)电源:85~110%额定电压
交流:110V,220V,380V
直流:12V,24V
延时控制精度0.03%±0.05%
触头容量:AC2205ADC30V5A(阻性)
数显时间继电器用来代替小型接触器,数显时间继电器的触点具有一定的带负荷能力,负载容量比较小时,可以用来替代小型接触器使用,比如电动卷闸门和一些小家电的控制,这样的优点是不仅可以
起到控制的目的,而且可以节省空间,使电器的控制部分做得比较精致,增加接点数量,这是JS48S-S时间继电器最常见的用法。
v1.0可编写可改正DH48S-S 数显循环时间继电器■特色和用途*可设定T1, T2两个延不时间,能代替两只时间继电器*能循环来去工作,也能单次履行*采纳入口大模专用集成和LED数码管显示*D IN(48×48mm)面板尺寸*高精准度、小体积、抗电磁扰乱性强、功耗低、触头容量大*用于自动化控制系统控制元件之用技术参数*延时范围:~ 990H*延时控制精度≤ %±秒*电源: DC12V, 24V AC110V , 220V, 380V*电压范围:额定工作电压85%~ 110%*触头容量: AC220V 5A DC30V 5A 阻性*功耗≤ 3W*机械寿命≥ 107*电气寿命≥ 105*环境温度:- 10℃~+ 50℃*开孔尺寸: 45×45mm时间继电器使用说明*先预置好T1和 T2时段,时间及工作方式。
*通电后T1开始进行延时,继电器处于不动作状态(开释),当T1抵达,表示继电器吸合,同时左侧显示消隐,T2延时开始,当T2延时抵达,继电器从头开释,右侧显示消隐,单次履行工作方式到此结束,若为循环来去工作方式,则T1持续延时,重复以上过程进行延时状态变换。
*在运转过程中随意时间切断电源大于1秒或输入复位信号,时间即回到T1=0状态开始计时,同时继电器处于开释状态,从头开始工作。
注意事项*预置好T1和 T2时间此后使用。
v1.0可编写可改正*在强电场环境中使用并复位暂停导线较长时请使用障蔽导线。
*请在使用时随时将保护罩盖上,免得尘埃侵入影响使用。
*在较大电流时,请配沟通接触器使用型号 : HD48S-2Z工作电压: AC220V DC24V 下产品说明:先预置好T1和 T2的时段,时间及工作方式.在通电时设定的数值无效,一定接通①③端子秒以上,或断开电源秒此后再接通电源,才能达成设定。
即可实现单次循环, 也可实现来去循环 . 如驱动较大电流应与沟通接触器配合使用。
工作方式 : 来去循环延时触点数目 :1 组延时触点我想知道用时间继电器控制两个灯泡,此中一个亮 2秒后另一个亮 2秒。
DH48S-S 数显循环时间继电器■特点和用途*可设定 T1,T2 两个延时时间,能替代两只时间继电器 *能周而复始工作,也能单次执行 伙采用进口大模专用集成和 LED 数码管显示 伙DIN (48 X 48mm 面板尺寸*高精确度、小体积、抗电磁干扰性强、功耗低、触头容量大 *用于自动化控制系统控制元件之用技术参数伙延时范围:0.1S 〜990H*电源: DC12V ,24V AC110V ,220V ,380V *触头容量: AC220V 5A DC30V 5A 阻性 伙机械寿命》107伙环境温度:—10C 〜+ 50C工作程序图 外形尺寸和接线图 ■配件 使用说明 *先预置好 T1 和 T2 时段,时间及工作方式。
*通电后 T1 开始进行延时,继电器处于不动作状态(释放),当 T1 到达,表示继电器吸合,同时左边显示消隐,T2延时开始,当T2延时到达,继电器重新释放,右边显示消隐,单次执行工作方式到此结束,若为 周而复始工作方式,则 T1 继续延时,重复以上过程进行延时状态转换。
伙在运行过程中任意时间切断电源大于 1秒或输入复位信号,时间即回到 T1=0状态开始计时,同时继电器处 于释放状态,重新开始工作。
注意事项*预置好 T1 和 T2 时间以后使用。
*在强电场环境中使用并复位暂停导线较长时请使用屏蔽导线。
*请在使用时随时将保护罩盖上,以免灰尘侵入影响使用。
*在较大电流时,请配交流接触器使用伙延时控制精度W 0.3%土 0.05秒 *电压范围:额定工作电压 85%〜110% 伙功耗W 3W伙电气寿命》105*开孔尺寸: 45X 45mm外型尺寸r48 x 48 x 97工祚方式往应循环耀时延时范EB 9.9S - 9.9s 99S - 99S9.9M - 9.9M 99M - 99M9.9H - 9.9H 99H ~ 99H 安裝尺寸田990H - 990H額定电压DC(V): 12. 24.48AC(V): 12.24.48.110.220.380 50/60H2绘点数掘1组延时总点魅点容負AC250V 5A 阻性环境温度・ 100459寿命机械 5 x 10»电宜仲安装方式面板式—S■、技术参数:类别外观型号 DH48S-S/1Z DH48S-S/2Z延时基数 O.OIsec 、O.OIsec 、1sec 、O.lmin 、1min 、0.1HR 、1HR 1OHR (任意设定两种)延时范围 1-99倍限时倍率85-265VAC/VDC 自由输入,其他工作电压可控制小于4.5W触点数量1组继电器,1+3为复位,1+4为暂停2组继电器触点容量 阻性负载:5A/250VAC 或5/28VDC 最大显示方式 固定秒闪指示灯,相应的两位 LED 显示前吸合或释放时间 精确度 电压影响误差、重复误差小于士 50PPM 预置误差为0复位和暂停信号输入为触点或NPN (发射极对公信号输入 共端1)采用光耦隔离,信号宽度不少于底部无复位,暂停信号引入0.02Sec使用环境环境温度:-10 °C -+55 °C (不结冰),湿度:35-85%HRAC2kV (操作电端之间)或DC 士 500V ,脉冲宽度1卩s 扰动下继电器正常工作 机械寿命:500,0000次,电器寿命:100,0000次 约103g 约112克(1) 通电限时继电器,双设定 Tno 、Tnc (Tno 为限时吸合时间, Tnc 为限时时间),一只继电器 能替代两只继电器用,高两位 BCD 拔码为限时释放预置时间,低两位 BCD 拔码为限时预置吸合时 间,LED 相应显示当前限时时间段,可选做倒延时模式。
DHC10S-S双设定数显时间继电器特点z 可设定T1,T2两个延时时间能替代两只时间继电器 z 能周而复始工作,也能单次执行 z 有无触点输出驱动固态继电器 z DIN(48×48mm)面板尺寸z 延时范围宽0.01秒~99小时59分 z符合的标准:Q/WDH 01-2003、GB 14048.5-2001、IEC60947-5-1:1997技术参数AC/DC 100~240V 功 耗 ≤3VA 电 源 AC/DC12~24V(定制) 显 示 双排LED显示 延时范围 T1、T2:0.01秒~99小时59分 重 量 约0.12Kg 误 差 ≤0.3% 机械寿命 ≥107次 开孔尺寸 45×45 mm 触点电寿命 ≥105次安装方式 面板式使用温度 -10~+40℃(但不结冰) 触点输出 AC 220V 3A(阻性) 一组常开常闭 贮存温度 -25~+65℃(但不结冰) 无触点输出 30mA 12V 使用环境湿度35~85%RH 工作模式A、E电气特点绝缘阻抗 100M Ω(DC500V) 耐 压 AC2000V 50/60Hz 1分钟 抗 干 扰 IEC61000-4标准,等级3振 动 抗振动:10-55Hz( 周期1分钟)振幅0.75mm, X Y Z 各方向1小时误动作:10-55Hz 周期1分钟振幅0.5mm, X Y Z 各方向10分钟 冲 击抗冲击:30G X ,Y, Z 各3次 误动作:10G X ,Y ,Z 各3次工作程序图A模式:E模式:单次/循环工作模式选择A模式/E模式,单次/循环工作模式选择方法(请在通电前设定) 打开产品上方小门,按实际需要设定K1K2开关。
(见右表)ON OFF K1E模式 A模式 K2单次模式 循环模式DHC10S-S外型尺寸图时间继电器设定方法接线图通电前,先预置好继电器的工作模式,A或E、单次或循环模式。
如A模式通电后,设定好T1和T2的时间,启动端加信号(如果不需要启动,7号端子与11号端子短接),T1开始进行延时,T1指示灯闪烁,当T1到达后,运行T2,同时T2指示灯闪烁,OUT灯亮,常开触点吸合,当T2时间到达后,若为单次模式,停止运行,待断电或复位后重新运行,若为循环模式,则再开始运行T1时间,常开触点断开,周而复始工作,E模式常开触点动作相反。
时间继电器使用说明DH48S-S 数显循环时间继电器■特点和用途*可设定T1,T2两个延时时间,能替代两只时间继电器*能周而复始工作,也能单次执行*采用进口大模专用集成和LED数码管显示*DIN(48×48mm)面板尺寸*高精确度、小体积、抗电磁干扰性强、功耗低、触头容量大*用于自动化控制系统控制元件之用技术参数*延时范围:0.1S~990H *延时控制精度≤0.3%±0.05秒*电源:DC12V,24V AC110V,220V,380V *电压范围:额定工作电压85%~110%*触头容量:AC220V 5A DC30V 5A 阻性*功耗≤3W*机械寿命≥107 *电气寿命≥105*环境温度:-10℃~+50℃*开孔尺寸:45×45mm时间继电器使用说明*先预置好T1和T2时段,时间及工作方式。
*通电后T1开始进行延时,继电器处于不动作状态(释放),当T1到达,表示继电器吸合,同时左边显示消隐,T2延时开始,当T2延时到达,继电器重新释放,右边显示消隐,单次执行工作方式到此结束,若为周而复始工作方式,则T1继续延时,重复以上过程进行延时状态转换。
*在运行过程中任意时间切断电源大于1秒或输入复位信号,时间即回到T1=0状态开始计时,同时继电器处于释放状态,重新开始工作。
注意事项*预置好T1和T2时间以后使用。
*在强电场环境中使用并复位暂停导线较长时请使用屏蔽导线。
*请在使用时随时将保护罩盖上,以免灰尘侵入影响使用。
*在较大电流时,请配交流接触器使用型号: HD48S-2Z工作电压:AC220V DC24V下产品说明:先预置好T1和T2的时段,时间及工作方式.在通电时设定的数值无效,必须接通①③端子0.2秒以上,或断开电源0.5秒以后再接通电源,才能完成设定。
即可实现单次循环,也可实现往复循环.如驱动较大电流应与交流接触器配合使用。
工作方式:往复循环延时触点数量:1组延时触点我想知道用时间继电器控制两个灯泡,其中一个亮2秒后另一个亮2秒。
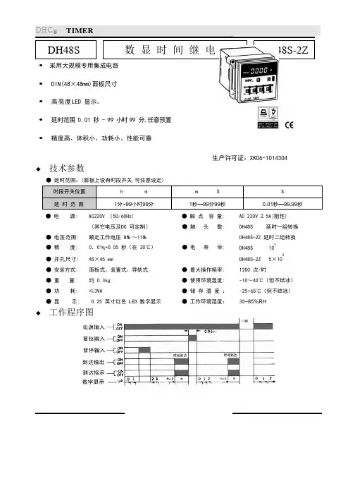
DH48S 数显时间继电器DH48S-2Z DHC® TIMER•采用大规模专用集成电路•DIN(48×48mm)面板尺寸•高亮度LED 显示。
•延时范围 0.01 秒 - 99 小时99 分,任意预置•精度高、体积小、功耗小、性能可靠生产许可证:XK06-1014304◆技术参数●延时范围:(面板上设有时段开关,可任意设定)时段开关位置h m m S S延时范围1分~99小时99分1秒—99分99秒0.01秒—99.99秒● 电源: AC220V (50/60Hz) ● 触点容量: AC 220V 2.5A(阻性)(其它电压及DC 可定制)●触头数: DH48S 延时一组转换●电压范围: 额定工作电压 85 ~110DH48S-2Z 延时二组转换●精度: 0.01 +0.05 秒(在20℃)●电寿命: 5DH48S 10●开孔尺寸: 45×45 mm5 DH48S-2Z 5×10●安装方式: 面板式、装置式、导轨式●最大操作频率: 1200 次/时●重量: 约 0.3kg ●使用环境温度: -10~40℃(但不结冰)●功耗: ≤3VA●储存温度:-25~65℃(但不结冰)●显示: 0.25 英寸红色 LED 数字显示●工作环境湿度:35~85%RH◆工作程序图DH48S DHC®TIMER DH48S-2Z ◆外型尺寸图M48扩型面框(选购件)开孔尺寸52×65mm或(52×62mm)◆接线图DH48S DH48S-2Z◆使用说明1. 时间继电器具备设定记忆功能,开机或复位后设定的数值就不能改变,若要改变须重新复位。
2.使用时断开电源再接通时间间隔须大于1秒。
如使用间隔较短时,建议使用复位端子或复位按钮复位,复位时间≥0.02秒3.信号输入线请勿与其它带强电线同管或绞合配线,使用屏蔽线且布线要短,以免产生干扰,影响继电器的正常工作。
OMRON-dh48s-s-h5cn
接近开关是一种无需与运动部件进行机械直接接触而可以操作的位置开关,当物体接近开关的感应面到动作距离时,不需要机械接触及施加任何压力即可使开关动作,从而驱动直流电器或给计算机(plc)装置提供控制指令。
接近开关是种开关型传感器(即无触点开关),它既有行程开关、微动开关的特性,同时具有传感性能,且动作可靠,性能稳定,频率响应快,应用寿命长,抗干扰能力强等、并具有防水、防震、耐腐蚀等特点。
产品有电感式、电容式、霍尔式、交、直流型。
接近开关又称无触点接近开关,是理想的电子开关量传感器。
当金属检测体接近开关的感应区域,开关就能无接触,无压力、无火花、迅速发出电气指令,准确反应出运动机构的位置和行程,即使用于一般的行程控制,其定位精度、操作频率、使用寿命、安装调整的方便性和对恶劣环境的适用能力,是一般机械式行程开关所不能相比的。
它广泛地应用于机床、冶金、化工、轻纺和印刷等行业。
在自动控制系统中可作为限位、计数、定位控制和自动保护环节等。
OMRON-dh48s-s-h5cn。
DHC48系列多制式数显时间继电器特点z多种工作模式,功能齐全的时间继电器z DIN(48×48mm)面板尺寸z JSS48的改进产品,可正/倒计时z螺丝接线,外壳长度减少10%z6种工作模式,延时范围宽z精度高、体积小、功耗小z性能可靠,稳定性高,抗干扰性能好z符合的标准:Q/WDH 01-2003、GB 14048.5-2001、IEC60947-5-1:1997技术参数z延时范围:(面板上设有时段开关,可任意设定)开关位置 h(h表示倒计时) m(m表示倒计时) s(s表示倒计时)延时范围1分~99小时99分 1秒~99分99秒 0.01秒~99.99秒电 源 AC/DC 100~240V(其它电压可定制) 显示 0.3英寸LED数字显示延时误差 0.5%+0.1秒(在20℃) 重量 约0.17kg触点容量 AC220V 2.5A(阻性) 安装方式 面板式触 头 数 延时二组转换 开孔尺寸 45×45 mm触点电寿命 ≥1×105次 工作环境温度-5~+40℃触点机械寿命 ≥1×107次 储存温度 -25~+55℃功 耗 ≤3VA 工作环境湿度35~85%RH电气特点绝缘阻抗 100MΩ(DC500V)耐 压 AC2000V 50/60Hz 1分钟抗 干 扰 IEC61000-4标准,等级3振 动 抗振动:10-55Hz( 周期1分钟)振幅0.75mm, X Y Z 各方向1小时 误动作:10-55Hz 周期1分钟振幅0.5mm, X Y Z 各方向10分钟冲 击 抗冲击:30G X ,Y, Z各3次 误动作:10G X ,Y ,Z各3次DHC48系列工作程序图A:带启动功能 A1:信号启动,保持有效 A2:带暂停功能(E4:上电吸合,延时释放) B:等周期循环功能 E:信号启动吸合,延时释放 E1:信号启动吸合,保持有效,延时释放 外型尺寸图DHC48出厂配置:卡扣、透明防尘罩’接线图 功能开关选择制式 功 能 K1 K2 K3A 信号启动A1 信号启动,保持有效 ↑A2 上电延时 ↑B 等周期循环 ↑ ↑E 信号启动吸合,延时释放 ↑E1 信号启动吸合,保持有效,延时释放 ↑ ↑*↑表示开关推至ON,空格表示OFF。
DH48S-S 数显循环时间继电器■特点和用途*可设定T1,T2两个延时时间,能替代两只时间继电器*能周而复始工作,也能单次执行*采用进口大模专用集成和LED数码管显示*DIN(48×48mm)面板尺寸*高精确度、小体积、抗电磁干扰性强、功耗低、触头容量大*用于自动化控制系统控制元件之用技术参数*延时范围:0.1S~990H *延时控制精度≤0.3%±0.05秒*电源: DC12V,24V AC110V,220V,380V *电压范围:额定工作电压85%~110%*触头容量:AC220V 5A DC30V 5A 阻性*功耗≤3W*机械寿命≥107 *电气寿命≥105*环境温度:-10℃~+50℃*开孔尺寸:45×45mm工作程序图外形尺寸和接线图■配件使用说明*先预置好T1和T2时段,时间及工作方式。
*通电后T1开始进行延时,继电器处于不动作状态(释放),当T1到达,表示继电器吸合,同时左边显示消隐,T2延时开始,当T2延时到达,继电器重新释放,右边显示消隐,单次执行工作方式到此结束,若为周而复始工作方式,则T1继续延时,重复以上过程进行延时状态转换。
*在运行过程中任意时间切断电源大于1秒或输入复位信号,时间即回到T1=0状态开始计时,同时继电器处于释放状态,重新开始工作。
注意事项*预置好T1和T2时间以后使用。
*在强电场环境中使用并复位暂停导线较长时请使用屏蔽导线。
*请在使用时随时将保护罩盖上,以免灰尘侵入影响使用。
*在较大电流时,请配交流接触器使用一、技术参数:类别双设定多段式预置型限时继电器外观型号DH48S-S/1Z DH48S-S/2Z 延时基数0.01sec、0.01sec、1sec、0.1min、1min、0.1HR、1HR、10HR(任意设定两种)延时范围1-99倍限时倍率额定工作电压85-265VAC/VDC自由输入,其他工作电压可控制消耗功率小于4.5W触点数量1组继电器,1+3为复位,1+4为暂停2组继电器触点容量阻性负载:5A/250VAC或5/28VDC最大显示方式固定秒闪指示灯,相应的两位LED显示前吸合或释放时间精确度电压影响误差、重复误差小于±50PPM,预置误差为0信号输入复位和暂停信号输入为触点或NPN(发射极对公共端1)采用光耦隔离,信号宽度不少于0.02Sec底部无复位,暂停信号引入使用环境环境温度:-10℃-+55℃(不结冰),湿度:35-85%HR抗干扰能力AC2kV(操作电端之间)或DC±500V,脉冲宽度1μs扰动下继电器正常工作使用寿命机械寿命:500,0000次,电器寿命:100,0000次重量约103g约112克主要功能(1)通电限时继电器,双设定Tno、Tnc(Tno为限时吸合时间,Tnc为限时时间),一只继电器能替代两只继电器用,高两位BCD拔码为限时释放预置时间,低两位BCD拔码为限时预置吸合时间,LED相应显示当前限时时间段,可选做倒延时模式。
DH48S-S 系列双设定数显时间继电器特点z 常用于电器的周期间循环工作或两电器交替工作 z 可设定T1,T2两个延时时间,可实现周期性循环工作 z 可实现延时接通,并延时断开(单次模式) z DIN(48×48mm)面板尺寸 z 宽电压范围 z 符合的标准:Q/WDH 01-2003、GB 14048.5-2001、IEC60947-5-1:1997技术参数z 延时范围:1秒~99分 (面板上设有时段开关,可任意设定)开关位置 S/S S/M M/S M/M T 1延时范围 1秒~99秒 1秒~99秒 1分~99分 1分~99分 T 2延时范围1秒~99秒1分~99分1秒~99秒1分~99分AC/DC 100~240V 或AC/DC 12~24V 功 耗 ≤3VA电 源 (其它电压及DC 可定制) 显 示 0.25英寸 LED 数字显示 误 差 ≤0.3% 开孔尺寸 45×45 mm精 度 0.01%+0.05秒 安装方式 面板式、装置式、导轨式 触点容量 AC 220V 2.5A(阻性) 重 量 约0.2Kg 触点电寿命≥1×105次使用环境温度-5~+40℃ 触点机械寿命 ≥1×107次 储存温度 -25~+55℃ 最大操作频率 1200次/时工作环境湿度35~85%RH电气特点绝缘阻抗 100M Ω(DC500V) 耐 压 AC2000V 50/60Hz 1分钟 抗 干 扰 IEC61000-4标准,等级3振 动 抗振动:10-55Hz( 周期1分钟)振幅0.75mm, X Y Z 各方向1小时 误动作:10-55Hz 周期1分钟振幅0.5mm, X Y Z 各方向10分钟 冲 击抗冲击:30G X ,Y, Z 各3次 误动作:10G X ,Y ,Z 各3次DH48S-S工作程序图先预置好T1和T2的时段,时间及工作方式。
通电后T1开始进行延时,指示灯为OFF,继电器处于不动作状态(释放),当T1到达,ON灯亮,表示继电器吸合,同时左边显示消隐,T2延时开始,当T2延时到达,继电器重新释放,OFF灯点亮,右边显示消隐,单次执行工作方式到此结束,若为周而复始工作方式则T1继续延时,重复以上过程进行延时状态转换。
DH48S-S欧姆龙数显双控时间继电器
接近开关是一种无需与运动部件进行机械直接接触而可以操作的位置开关,当物体接近开关的感应面到动作距离时,不需要机械接触及施加任何压力即可使开关动作,从而驱动直流电器或给计算机(plc)装置提供控制指令。
接近开关是种开关型传感器(即无触点开关),它既有行程开关、微动开关的特性,同时具有传感性能,且动作可靠,性能稳定,频率响应快,应用寿命长,抗干扰能力强等、并具有防水、防震、耐腐蚀等特点。
产品有电感式、电容式、霍尔式、交、直流型。
接近开关又称无触点接近开关,是理想的电子开关量传感器。
当金属检测体接近开关的感应区域,开关就能无接触,无压力、无火花、迅速发出电气指令,准确反应出运动机构的位置和行程,即使用于一般的行程控制,其定位精度、操作频率、使用寿命、安装调整的方便性和对恶劣环境的适用能力,是一般机械式行程开关所不能相比的。
它广泛地应用于机床、冶金、化工、轻纺和印刷等行业。
在自动控制系统中可作为限位、计数、定位控制和自动保护环节等。
DH48S-S欧姆龙数显双控时间继电器。