二甲苯的理化性质及危险特性表
- 格式:docx
- 大小:55.07 KB
- 文档页数:3
(新)二甲苯理化特性及危险特性二甲苯理化特性及危险特性标识中文名:1,2-二甲苯危险化学品目录序号:355 英文名:1,2-xylene UN编号:1307分子式:C8H10分子量:106.17 CAS号:95-47-6理化性质外观与性状无色透明液体,有类似甲苯的气味。
熔点(℃)-25.5相对密度(水=1)0.88相对密度(空气=1)3.66 沸点(℃)144.4 饱和蒸汽压(KPa) 1.33(32℃)溶解性不溶于水,可混溶于乙醇、乙醚、氯仿等多数有机溶剂。
毒性及健康危害职业接触限值最高容许浓度(MAC)(mg/m3)-时间加权平均容许浓度(PC-TWA)(mg/m3)50短时间接触容许浓度(PC-STEL)(mg/m3)100侵入途径吸入、食入、经皮吸收。
毒性LD50:1364mg/kg(小鼠静脉)健康危害对眼及上呼吸道有刺激作用,高浓度时对中枢神经系统有麻醉作用。
急性中毒:短期内吸入较高浓度本品可出现眼及上呼吸道明显的刺激症状、眼结膜及咽充血、头晕、头痛、恶心、呕吐、胸闷、四肢无力、意识模糊、步态蹒跚。
重者可有躁动、抽搐或昏迷,有的有癔病样发作。
慢性影响:长期接触有神经衰弱综合症,女工有月经异常,工人常发生皮肤干燥、皲裂、皮炎。
燃烧爆炸危险性燃烧性易燃燃烧分解物一氧化碳、二氧化碳。
闪点(℃) 30 燃烧热(kJ/mol) 463引燃温度(℃) 463 爆炸极限%(v/v) 1.0%~7.0%危险特性易燃,其蒸气与空气可形成爆炸性混合物。
遇明火、高热能引起燃烧爆炸。
与氧化剂接触会发生强烈反应。
流速过快容易产生和积聚静电。
其蒸气比空气重,能在较低处扩散到相当远的地方,遇明火会引着回燃。
建规火险分级乙稳定性稳定聚合危害不聚合禁忌物强氧化剂。
灭火方法喷水冷却容器,可能的话将容器从火场移至空旷处。
灭火剂:泡沫、干粉、二氧化碳、砂土。
防护措施呼吸系统防护空气中浓度超标时,佩戴过滤式防毒面具(半面罩)。
2二甲苯的理化性质及危险、危害特性一览表1. 概述2二甲苯(o-二甲苯)是一种有机化合物,化学式为C8H10。
它是三种二甲苯同分异构体之一,分子中有一个邻位相对的甲基基团。
2二甲苯常用于溶剂,也用于制造染料、香水和其他化学品。
在使用2二甲苯时,需要了解它的理化性质及危害特性,以保证人体健康和工作安全。
2. 理化性质2.1 物理性质•外观:无色液体•沸点:215℃•熔点:-25℃•密度:0.867 g/cm³•溶解性:不溶于水,可溶于乙醇、乙醚、苯等有机溶剂2.2 化学性质•2二甲苯是一种疏水性化合物,主要通过烷基自由基反应进行反应。
•可被氧化剂如氧气和氯气氧化,生成苯甲醛、苯甲酸等产物。
•经Fenton过程氧化后可生成邻苯二甲酸、对苯二甲酸等产物。
3. 危害特性3.1 健康危害•吸入2二甲苯蒸气会引起头痛、头晕、嗜睡等症状。
•长期接触2二甲苯可导致神经功能障碍,引起手、脚的麻木、无力及全身乏力,还可能诱发白血病等病症。
•皮肤接触2二甲苯可引起皮肤炎症等不适。
3.2 环境危害•2二甲苯对水生生物有毒性,对经过生物降解的水体影响较小。
•在大气中,2二甲苯与氮氧化物反应,会生成臭氧等有害物质。
3.3 火灾爆炸危害•2二甲苯易燃,遇火源或高温易发生燃爆事故。
•遇火源可产生有毒气体,如一氧化碳、苯、二甲苯等。
4. 防护措施•在使用2二甲苯时,必须戴防护手套、安全镜、面罩等防护用具,防止皮肤和眼睛接触。
•2二甲苯应储存在通风良好的房间中,远离火源和高温。
•不可将2二甲苯混合储存于氧化剂、酸、碱等物质中,以免产生反应。
•在生产和使用2二甲苯时,应使用被动式防护措施,如通风装置、防护服等。
5. 总结2二甲苯是一种有机溶剂,在溶解性和疏水性等性质上,有着独特的用途。
在生产和使用过程中,应了解其理化性质及危险、危害特性,使用合适的防护措施,以确保人体健康和工作安全。
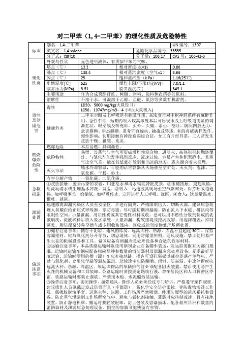
精品文档二甲苯的理化性质及危险、危害特性一览表1,2- 二甲苯品1,3- 二甲苯标名1,4- 二甲苯识英文名分子式; C 8H 10外观与性状熔点℃理沸点℃化性相对密度〔水 =1〕质饱和蒸汽压KPa最小引燃能量mJ溶解性邻二甲苯95-47-6危易燃液体 , 类别 3;皮肤腐蚀险别CAS号108-38-3性/ 刺激 , 类别2; 危害水生环间二甲苯名类境 - 急性危害 , 类别 2对二甲苯106-42-3别Xylene UN编号1307名录序号355分子量:IMDG规那么页码3292无色透明液体,有类似甲苯的气味。
相对密度 ( 空气=1)临界温度℃临界压力 MPa1.33(32 ℃)燃烧热 Kj/mol——不溶于水,可混溶于乙醇、乙醚、氯仿等多数有机溶剂。
接触限值毒性与侵入途径危害健康危害3中国 MAC: 100mg/m苏联 MAC: 50mg/m3美国 TWA: OSHA 100ppm,434mg/ m3;ACGIH 100ppm, 434mg/ m33美国 STEL: ACGIH 150ppm, 651mg/m吸入、食入、经皮吸收对皮肤、粘膜有刺激作用,对中枢神经系统有麻醉作用;长期作用可影响肝、肾功能。
急性中毒:病人有咳嗽、流泪、结膜充血等重症者有幻觉、神志不清等,有时有癔病样发作。
慢性中毒:病人有神经衰弱综合征的表现,女工有月经异常,工人常发生皮肤枯燥、皲裂、皮炎。
燃烧性自燃温度℃燃烧爆危险特性炸易燃闪点℃25463爆炸极限 %下限,上限其蒸汽与空气形成爆炸性混合物,遇明火、高热能引起燃烧爆炸。
与氧化剂能发生强烈反响。
其蒸汽比空气重,能在较低处扩散到相当远的地方,遇火源引着回燃。
假设遇高热,容器内压增大,有开裂和爆炸的危险。
流速过快,容易产生和积聚静电。
燃烧分解产物一氧化碳、二氧化碳。
聚合危害不能出现性稳定性稳定禁忌物强氧化剂灭火方法泡沫、二氧化碳、干粉、砂土,用水灭火无效。
储包装分类II包装标志7运包装方法小开口钢桶,塑料瓶或金属桶外木桶注意事贮于低温通风处,远离火种、热源。