单相电度表实验报告
- 格式:docx
- 大小:20.25 KB
- 文档页数:13
单相电表的装调实训报告总结一、实习目的本次实习的主要目的是掌握单相电表的装调流程,了解电力系统的基本知识,提高实际操作能力,同时对电力行业的工作内容和职业要求有更深入的了解。
二、实习岗位在本次实习中,我担任了电力公司的维修电工,主要负责单相电表的装调与维修。
三、实习内容1. 电力基本知识介绍在实习开始前,导师向我们介绍了电力系统的基础知识,包括电力生产、传输、分配和使用的相关概念和原理。
这帮助我更好地理解电表装调的实际操作。
2. 单相电表装调流程学习我们学习了单相电表的装调流程,包括电能表的安装、接线、调试和校准等步骤。
同时,我们还学习了如何进行电能计量和电费计算。
3. 实际操作与问题解决在实习期间,我参与了多次单相电表的装调与维修任务。
这让我有机会将理论知识应用到实际操作中,并在实践中发现和解决问题。
例如,我遇到了一些由于接线错误导致的电表故障。
通过仔细检查和纠正接线方式,我成功地解决了这些问题。
四、实习总结与收获通过本次实习,我不仅掌握了单相电表的装调流程,还对电力行业有了更深入的了解。
我认识到电力行业对经济发展和社会生活的重要性,以及电力工作人员肩负的责任和使命。
此外,我还发现了自己在实际操作中的不足之处,如对电力知识的掌握不够深入、操作技能不够熟练等。
为了提高自己的操作技能,我建议多参加类似的实习活动,并加强理论知识的学习。
五、对实习过程不足之处的建议在实习过程中,我发现自己在理论知识方面还存在一些欠缺。
为了提高实习效果,我建议加强理论知识的学习,包括电力系统的基本原理、电表的工作原理和接线方式等。
此外,我还建议多参与实际操作任务,以提高自己的操作技能和问题解决能力。
在实习过程中,我发现自己在与人沟通方面也存在一些不足。
为了更好地与同事合作,我建议加强沟通技巧的学习和实践,包括如何与同事合作、如何与客户沟通等。
六、个人对实习过程中的体会和收获通过本次实习,我深刻认识到电力行业的重要性以及电力工作人员的职责和使命。
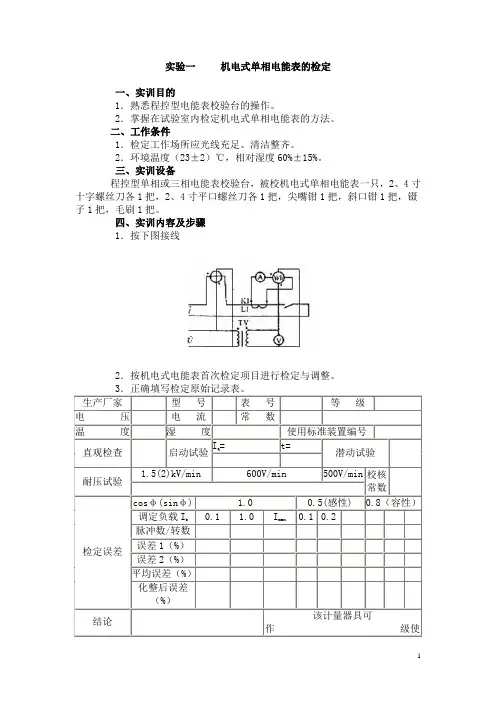
实验一机电式单相电能表的检定
一、实训目的
1.熟悉程控型电能表校验台的操作。
2.掌握在试验室内检定机电式单相电能表的方法。
二、工作条件
1.检定工作场所应光线充足、清洁整齐。
2.环境温度(23±2)℃,相对湿度60%±15%。
三、实训设备
程控型单相或三相电能表校验台,被校机电式单相电能表一只,2、4寸十字螺丝刀各1把,2、4寸平口螺丝刀各1把,尖嘴钳1把,斜口钳1把,镊子1把,毛刷1把。
四、实训内容及步骤
1.按下图接线
2.按机电式电能表首次检定项目进行检定与调整。
生产厂家型号表号等级
电压电流常数
温度湿度使用标准装置编号
直观检查启动试验I
q
= t=
潜动试验
耐压试验1.5(2)kV/min 600V/min 500V/min 校核
常数
检定误差cosφ(sinφ) 1.0 0.5(感性) 0.8(容性)调定负载I
b
0.1 1.0 I
max
0.1 0.2
脉冲数/转数
误差1(%)
误差2(%)
平均误差(%)
化整后误差
(%)
结论
该计量器具可
作级使
五、思考题
1.若单相电能表的灵敏度不合格,该如何解决?
2.若单相电能表有潜动,如何消除?。
单相电度表实验报告单相电度表实验报告篇一:单相电机实验报告XXXX大学XXXXXX学院电工实训报告实践二:单相电机的应用与电度表的安装班级:XXXXXX姓名:XXXXXXXX时间:XX年5月13日- 1 -[实训名称]:单相电机的应用与电度表的安装[实训目的] : 1、学会单相电能表及单相电机的安装。
2、学会连接简单的电路实物图。
3、学会电度表的使用及注意事项。
4、了解住宅照明和常用电器的配电原理和技能。
[实训原理]:一、工作原理1、单相电机当单相正弦电流通过定子绕组时,电机就会产生一个交变磁场,这个磁场的强弱和方向随时间作正弦规律变化,但在空间方位上是固定的,所以又称这个磁场是交变脉动磁场。
这个交变脉动磁场可分解为两个以相同转速、旋转方向互为相反的旋转磁场,当转子静止时,这两个旋转磁场在转子中产生两个大小相等、方向相反的转矩,使得合成转矩为零,所以电机无法旋转。
当我们用外力使电动机向某一方向旋转时(如顺时针方向旋转),这时转子与顺时针旋转方向的旋转磁场间的切割磁力线运动变小;转子与逆时针旋转方向的旋转磁场间的切割磁力线运动变大。
这样平衡就打破了,转子所产生的总的电磁转矩将不再是零,转子将顺着推动方向旋转起来。
要使单相电机能自动旋转起来,我们(原文来自:小草范文网:单相电度表实验报告)可在定子中加上一个电容使得与主绕组的电流在相位上近似相差90度,即所谓的分相原理。
这样两个在时间上相差90度的电流通入两个在空间上相差90度的绕组,将会在空间上产生(两相)旋转磁场,- 2 -在这个旋转磁场作用下,转子就能自动起动,起动后,待转速升到一定时,借助于一个安装在转子上的离心开关或其他自动控制装置将起动绕组断开,正常工作时只有主绕组工作。
因此,起动绕组可以做成短时工作方式。
但有很多时候,起动绕组并不断开,我们称这种电机为单相电机,要改变这种电机的转向,只要把辅助绕组的接线端头调换一下即可。
2、电度表电能表(电度表)是计量电能的仪表。
竭诚为您提供优质文档/双击可除篇一:实验30单相电度表的校验实验三十单相电度表的校验一、实验目的1.掌握电度表的接线方法。
2.学会电度表的校验方法。
二、原理说明1.电度表是一种感应式仪表,是根据交变磁场在金属中产生感应电流,从而产生转矩的基本原理而工作的仪表,主要用于测量交流电路中的电能。
它的指示器能随着电能的不断增大(也就是随着时间的延续)而连续地转动,从而能随时反应出电能积累的总数值。
因此,它的指示器是一个“积算机构”,是将转动部分通过齿轮传动机构折换为被测电能的数值,由数字及刻度直接指示出来。
它的驱动元件是由电压铁芯线圈和电流铁心线圈在空间上、下排列,中间隔以铝制的园盘。
驱动两个铁心线圈的交流电,建立起合成的特殊分布的交变磁场,并穿过铝盘,在铝盘上产生出感应电流。
该电流与磁场的相互作用结果产生转动力矩驱使铝盘转动。
铝盘上方装有一个永久磁铁,其作用是对转动的铝盘产生制动力矩,使铝盘转速与负载功率成正比。
因此,在某一段测量时间内,负载所消耗的电能w 就与铝盘的转数n成正比。
即n?n, w比例系数n称为电度表常数,常在电度表上标明,其单位是转/1千瓦小时。
2.电度表的灵敏度是指在额定电压、额定频率及cos巾=1的条件下,从零开始调节负载电流,测出铝盘开始转动的最小电流值Imin,则仪表的灵敏度表示为s?Imin100%式 In中的In为电度表的额定电流。
Imin通常较小,约为In 的0.5%。
3.电度表的潜动是指负载电流等于零时,电度表仍出现缓慢转动的现象。
按照规定,无负载电流时,在电度表的电压线圈上施加其额定电压的110% (达242V)时,观察其铝盘的转动是否超过一圈。
凡超过一圈者,判为潜动不合格。
四、实验内容与步骤记录被校验电度表的数据:额定电流In=,额定电压un=,电度表常数n=,准确度为1.用功率表、秒表法校验电度表的准确度利用所配电度表及屏上的电表架和he-17的灯组负载,按图30-1接线。
电子式单相标准电能表测量结果不确定度评定一、概述1、测量依据:JJG596—1999《电子式电能表检定规程》。
2、环境条件:温度(20±1)℃,相对湿度(60±15)%RH。
3、测量标准:本次使用的测量标准为0.05级三相电能表检定标准,型号为S—6502;检定装置为0.1级三相电能表检定装置,型号为ST—9001D1B。
4、被测对象:单相标准电能表,准确度等级为0.1级,型号为BDJ—1A。
5、测量项目及过程:被检表连接在检定装置上,由输入电压和电流经过有源补偿的电压互感器、电流互感器送入电流一频率变换器转换成信号,由计算机精确地计数和运算,并根据累计电能和预置的参数,计算相对误差。
6、评定结果的使用:符合上述条件的测量结果,一般可直接使用本不确定度的评定方法。
二、数学模型γH=γW0式中:γH—被检标准表的相对误差;γW0—检定装置测得的相对误差。
三、输入量的标准不确定度的评定1、输入量γW0的标准不确定度u c的来源主要有几方面:u1—该不确定度分量主要由被检标准表的重复测量引入的,采用A类方法进行评定;u2—三相电能表检定装置的误差引起的不确定度分项,采用B 类评定方法;2、标准不确定度u1的评定该不确定度分量主要由被检标准表的重复测量引入的,采用A类方法进行评定。
本次测量是在相同环境条件下,相同人员,使用相同仪器,对被检单相标准电能表,220V 5A cosφ=1.0时,重复接线,重复测量10次,得到1组数据,如下表所示。
合并样本标准差:S= ∑=--10102)()1(1iixxnn=0.00072%3、标准不确定度u2的评定该不确定度分量是三相电能表检定装置的误差引起的,采用B 类方法进行评定。
装置准确度等级为0.1级,估计为巨形分布,取a=0.1;包含因子取k=3:u2=a/3=0.1/ 3=0.0577%四、合成标准不确定度的评定1、合成标准不确定度u c的估算标准不确定度u c的计算u c=[ u12+ u22]1/2=[( 0.00072%)2+(0.0577)2]1/2=0.0577%2、合成标准不确定度汇总表五、扩展不确定度的评定取置信概率p=95%,取k=2,得到:扩展不确定度U95为U95=ku c=2×0.0577%=0.1154%六、不确定度报告0.1级BDJ—1A单相标准电能表在220V 5A cosφ=1.0时相对误差测量结果的扩展不确定度为:U95=0.1154% (k=2)2009年6月23日。
单相电度表实验报告篇一:单相电机实验报告XXXX大学XXXXXX学院电工实训报告实践二:单相电机的应用与电度表的安装班级:XXXXXX姓名:XXXXXXXX时间:XX年5月13日- 1 -[实训名称]:单相电机的应用与电度表的安装[实训目的] : 1、学会单相电能表及单相电机的安装。
2、学会连接简单的电路实物图。
3、学会电度表的使用及注意事项。
4、了解住宅照明和常用电器的配电原理和技能。
[实训原理]:一、工作原理1、单相电机当单相正弦电流通过定子绕组时,电机就会产生一个交变磁场,这个磁场的强弱和方向随时间作正弦规律变化,但在空间方位上是固定的,所以又称这个磁场是交变脉动磁场。
这个交变脉动磁场可分解为两个以相同转速、旋转方向互为相反的旋转磁场,当转子静止时,这两个旋转磁场在转子中产生两个大小相等、方向相反的转矩,使得合成转矩为零,所以电机无法旋转。
当我们用外力使电动机向某一方向旋转时(如顺时针方向旋转),这时转子与顺时针旋转方向的旋转磁场间的切割磁力线运动变小;转子与逆时针旋转方向的旋转磁场间的切割磁力线运动变大。
这样平衡就打破了,转子所产生的总的电磁转矩将不再是零,转子将顺着推动方向旋转起来。
要使单相电机能自动旋转起来,我们(原文来自:小草范文网:单相电度表实验报告)可在定子中加上一个电容使得与主绕组的电流在相位上近似相差90度,即所谓的分相原理。
这样两个在时间上相差90度的电流通入两个在空间上相差90度的绕组,将会在空间上产生(两相)旋转磁场,- 2 -在这个旋转磁场作用下,转子就能自动起动,起动后,待转速升到一定时,借助于一个安装在转子上的离心开关或其他自动控制装置将起动绕组断开,正常工作时只有主绕组工作。
因此,起动绕组可以做成短时工作方式。
但有很多时候,起动绕组并不断开,我们称这种电机为单相电机,要改变这种电机的转向,只要把辅助绕组的接线端头调换一下即可。
2、电度表电能表(电度表)是计量电能的仪表。
单相电度表直接接线电路实践报告
一、实验目的
1. 了解单相电度表的结构和工作原理。
2. 掌握单相电度表的正确接线方法。
3.培养学生动手能力和实践操作技能。
二、实验仪器
1. 单相电度表1只
2. 导线若干
3. 电源开关
4. 示波器或万用表
三、实验原理
单相电度表是一种测量单相交流电路有功功率的仪表。
它利用电磁感应原理,通过电压线圈和电流线圈产生的磁场相互作用,使阻尼铝盘发生转动,从而驱动计数机构进行计量。
四、实验步骤
1. 检查电度表外观,确保无明显损坏。
2. 根据电度表接线图,将电压线圈接入电源的火线,将电流线圈接入电源的零线。
3. 合上电源开关,观察电度表是否正常运转。
4. 利用示波器或万用表测量电压、电流,计算有功功率,与电度表读数比较。
5. 断开电源,拆除接线。
五、实验数据记录
1. 电压值:
2. 电流值:
3. 计算有功功率:
4. 电度表读数:
六、思考题
1. 电度表的计量单位是什么?
2. 电度表存在什么误差?如何消除?
3. 电度表为什么要使用电磁感应原理?
七、实验感想
通过本次实验,我学会了单相电度表的正确接线方法,体会到实践操作的重要性。
动手能力和实践操作技能得到了锻炼和提高。
实验 单相电度表的校验教学重点:了解单相电度表的原理及接线 教学难点:如何利用所测的数据校验电度表一、实验目的1.熟悉电度表的结构及工作原理。
2.掌握单相电度表的接线方法。
3.学会单相电度表的校验方法。
4.观察单相电度表的潜动现象及电度表的反转。
二、实验原理1.实验原理说明:(1)电度表是一种感应式仪表,是根据交变磁场在金属中产生感应电流,从而产生转矩的基本原理而工作的仪表,主要用于测量交流电路中的电能,它的指示器不能象其他指示仪表的的指针一样停留在某一位置,而应能随着电能的不断增大(也就是随着时间的延续)而连续地转动,这样才能随时反应出电能积累的数值。
因此,它的指示器是一个“积算机构”,它是将转动部分通过齿轮传动机构折换为被测电能的数值,由一系列齿轮上的数字直接指示出来。
它的驱动元件是由电压铁芯线圈和电流铁芯线圈在空间上、下排列,中间隔以铝制的圆盘。
驱动两个铁芯线圈的交流电,建立起合成的特殊分布的交变磁场,交变的磁场穿过铝盘,在铝盘上产生出感应电流,该电流与磁场的相互作用结果产生转动力矩驱使铝盘转动。
铝盘上方装有一个永久磁铁,其作用是对转动的铝盘产生制动力矩,使铝盘转速与负载功率成正比。
因此,在某一测量时间内,负载所消耗的电能W就与铝盘的转数n 成正比。
即 N nW=比例系数N称为电度表常数,常在电度表上标明,其单位是转/千瓦小时。
(2)电度表的灵敏度是指在额定电压、额定频率及cos φ=1的条件下,从零开始调节负载电流,测出铝盘刚开始转动的最小电流值Imin ,则仪表的灵敏度表示为: S I I N=⨯min100% 式中的IN为电度表的额定电流。
(3)电度表的潜动是指负载等于零时,电度表仍出现缓慢转动的情况,按照规定,无负载电流时,外加电压为电度表额定电压的110%(达242V)时,观察铝盘的转动是否超过一圈,凡超过一圈者,判为潜动不合格的电度表。
2.实验线路WW A1234KUN图2-14-1 电度表校验实验图三、实验仪器及器件1.电度表、秒表 2.交流电压、电流表 3.单、三相功率表 4.开关5.灯泡 6.单相调压器 7.滑线变阻器四、实验内容及步骤被校验电度表的数据:额定电流IN= , 额定电压UN = , 电度表常数N= ,准确度为 。
南京工程学院经济管理学院课程设计报告实验名称实验一单相电能表的校验一、实验目的1、掌握电能表的结构原理和接线方法。
2、掌握单相电能表的手动和电脑自动校验两种校验方法。
二、实验原理1、电能表接线方式端子1和2为电流回路接线端,端子1和3为电压回路接线端单项有功电能表2、电能表校验原理(1)测试方法:标准电能表法:是让标准表和被检表在同一负荷同时工作,然后比较两表的测量值,进而确定被检表的误差,因而又称比较法。
这种校验方法属于相对测量,其显著优点是对电源稳定度要求不高,即不要求严格的恒定功率,它的准确度主要取决于标准表。
(2)测试原理图U 标准电能表单项有功电能表标准电流源标准电压源I209101218(3)误差计算方法:高频脉冲预置法在标准表和被检表都在连续运行的情况下,计读标准表在被检表输出N 个低频脉冲时输出的高频脉冲数m 。
作为实测高频脉冲数,再与算定的高频脉冲数0m 相比较,用式(1)计算被检表的相对误差(%)γ。
1000⨯-=mmm γ (1)0H LC Nm C ⋅=(2)式中:m —实测高频脉冲数 0m —算定的高频脉冲数 H C —标准表脉冲常数 L C —被检表脉冲常数三、实验任务及步骤1、外观检查①标志是否完整,字迹是否清楚检查; ②表壳和颜色检查;③玻璃窗检查、透明度等; ④表尾端钮检查等; 2、通电检查①显示数字是否清楚、正确;②显示内容是否正确、齐全;③开关、操作键、按钮是否灵活可靠; 3、启动试验在参比电压n U (V )功率因数1cos =ϕ的条件下,负载电流升到表规定值Q I 时,电能表应启动并连续累积记数且在启动时限Q t (min )内不少于1个脉冲,时限按式(3)确定。
Qn Q I CmU t 100080⨯=(3)式中,C —电能表常数; m —系数,对单相有功表m=14、潜动试验。
对受检电能表各电压回路加110%的参比电压n U (V ),各电流回路通0.25倍启动电流,功率因数1cos =ϕ的条件下,在潜动试验时限内,脉冲应少于1个。
单相多两线电能表一、概述本项目的目的意义随着国家经济和社会的飞速发展和进步,电能逐渐变为国家不可或缺的发展能源。
为了能够更好的使用电能,世界各国均根据各自国家电网行业发展的实际情况,通过研究不同领域的电力情况,摸索出了适合自己国情的电力发展方向和电网技术,这也表明了各国电网在未来的发展过程中将会有所不同。
近十几年来,各国均在电网上使用各种现代先进的技术,使得电网的发展向智能化方向转变,随着各国电网智能化的提升,各国均将国家电力行业发展的重点转移到智能电网的建设。
而智能电表作为智能电网的一部分,在智能电网的建设中所发挥的作用也越来越大。
现在不论国内国外在研究智能电表方面都是以研发出更低功耗、更高精度、功能更为齐全的电能表为目的,争取在智能电表的发展上继续迈出大的步伐。
因此,本项目迎合市场需求,设计一款低功耗高精度的单相智能电表,设计的电表除了满足国际标准外,同时还具备具体低成本、防窃电优势。
xx仪表一直专注于智能电表、智能水表、智能用电(水)信息采集系统、先进计量基础设施(AMI)、电测量设备及新能源汽车充/换电设备等的研发、制造、销售和服务。
用户覆盖中国国家电网、南方电网、城乡水务等国内相关行业,同时产品出口至亚洲、非洲、欧洲、拉美等80多个国家和地区,其中智能电表系列产品的出口业务,多年来一直保持在行业前列。
智能电表的质量和性能必须有更高的技术要求才可以满足未来电网的需要,因此,xx仪表不断提升智能电表的技术真正实现电表的完全智能化,更好地满足人们的生活需要。
本项目的实施有利于xx市智能电表的出口,推动xx市智能电表行业的发展,提高民族电表品牌在国际市场中的地位,促进国家智能电网的发展。
二、项目主要研发内容1、涉及的技术领域:本项目涉及电能表技术领域。
2、关键技术:1)电能表的硬件设计整个电能表系统需要按模块化划分进行软硬件设计,主要模块有:MCU 控制模块、计量模块、电源模块、液晶显示模块、通信模块(RS-485 通信、红外通信、载波通信)、继电器驱动模块及状态检测模块。
计量标准技术报告
计量标准名称单相电能表检定装置计量标准负责人李文昌
建标单位名称(公章)沧州市计量测试所填写日期2009-1-6
目录
一、建立计量标准的目的…………………………………………………………( )
二、计量标准的工作原理及其组成………………………………………………( )
三、计量标准器及主要配套设备…………………………………………………( )
四、计量标准的主要技术指标……………………………………………………( )
五、环境条件………………………………………………………………………( )
六、计量标准的量值溯源和传递框图……………………………………………( )
七、计量标准的重复性试验………………………………………………………( )
八、计量标准的稳定性考核………………………………………………………( )
九、检定或校准结果的测量不确定度评定………………………………………( )
十、检定或校准结果的验证………………………………………………………( ) 十一、结论…………………………………………………………………………( ) 十二、附加说明……………………………………………………………………( )。
单相电度表直接接线电路实践报告英文回答:Introduction:In this practical report, I will discuss my experience with a direct connection circuit for a single-phaseelectric meter. I will provide a detailed explanation ofthe circuit setup and share my observations during the experiment. Additionally, I will discuss the importance of accurate energy measurement and the role of the single-phase electric meter in residential and commercial settings. Circuit Setup:For this experiment, I used a single-phase electric meter and connected it directly to a power source. Themeter was connected in series with the load, which in this case was a resistive load. The purpose of this setup was to measure the energy consumption of the load accurately.Observations:During the experiment, I noticed that the electric meter recorded the energy consumption accurately. As I increased the load by connecting additional resistors in parallel, the meter displayed a corresponding increase in energy consumption. This confirmed the reliability and accuracy of the single-phase electric meter.Importance of Accurate Energy Measurement:Accurate energy measurement is crucial in residential and commercial settings for several reasons. Firstly, it allows consumers to monitor and manage their energy usage effectively. By understanding their energy consumption patterns, individuals can make informed decisions to reduce energy waste and lower their electricity bills.Furthermore, accurate energy measurement is essential for billing purposes. Utility companies rely on accurate energy measurements to calculate the amount of electricityconsumed by their customers. This ensures fair billing and prevents disputes between consumers and utility providers.Example:For instance, let's consider a residential household. The family is conscious of their energy consumption and wants to reduce their electricity bills. By using a single-phase electric meter, they can monitor their energy usage on a daily, weekly, or monthly basis. If they notice a sudden increase in energy consumption, they can investigate the cause, such as a malfunctioning appliance or a changein their daily routine. This empowers them to take corrective actions and reduce their energy wastage.中文回答:引言:在这份实践报告中,我将讨论我在单相电度表直接接线电路实验中的经验。
单相电实验报告一、实验背景在电工学中,单相电是指电源中只有一个相位的电流和电压。
单相电有着广泛的应用,如住宅用电、商业用电以及部分工业用电等。
为了深入了解单相电的特性和运行机制,本实验旨在通过搭建单相电实验电路,对单相电的电流、电压、功率等进行测量和研究。
二、实验目的1. 了解单相电的基本概念和特点;2. 学会使用仪器测量单相电的电流、电压和功率;3. 掌握单相电路的连接方法和电路分析技巧。
三、实验原理1. 单相电路连接方式单相电路一般由电源、负载和控制元件组成。
根据连接方式的不同,可以分为串联接线法和并联接线法。
串联接线法适用于负载功率较大的情况,而并联接线法适用于负载功率较小的情况。
2. 单相电路的电路分析在单相电路中,电流和电压之间存在一定的相位差。
根据电扰动理论,相位差与电阻、电感和电容等元件的参数有关。
通过测量电流和电压,可以计算得到负载的功率、功率因数等指标。
四、实验步骤1. 搭建串联接线法单相电路:将电源、电阻和电感串联连接,并接上电表测量电流和电压。
2. 搭建并联接线法单相电路:将电源、负载电阻和电容并联连接,并接上电表测量电流和电压。
3. 使用万用表分别测量两种电路中的电流、电压和功率。
五、实验结果与分析通过测量得到的数据,可以计算得到电路中的功率和功率因数。
在实验中,我们可以观察到串联接线法电路中的功率因数较低,而并联接线法电路中的功率因数较高。
这是因为不同连接方式对应着不同的电流相位差,从而影响了功率因数的大小。
六、实验总结通过本次实验,我深入了解了单相电的基本原理和特点,掌握了单相电路的连接方式和测量方法。
同时,我也学会了使用万用表等仪器进行电流、电压和功率的测量。
实验结果表明,电路连接方式对功率因数有一定影响,这对于正常运行和节能使用电路具有重要意义。
在未来的学习和工作中,我将运用所学知识,更好地理解和应用单相电,为电路设计和运行提供更有效的解决方案。
一、实习目的与背景随着我国经济的快速发展,电气化、自动化程度日益提高,电气工程及其自动化专业的重要性日益凸显。
为了使学生们能够更好地理解理论知识与实际应用之间的关系,提高实践操作能力,我们开展了单相电路实习。
本次实习旨在让学生熟悉单相电路的基本原理、元件特性以及电路分析方法,掌握电路实验技能,为今后从事电气工程相关工作打下坚实的基础。
二、实习内容与过程(一)实习准备1. 理论学习:在实习前,我们对单相电路的基本原理、元件特性、电路分析方法等理论知识进行了复习和预习,为实习奠定了理论基础。
2. 实验器材准备:根据实习内容,我们准备了万用表、电阻、电容、电感、电源、导线等实验器材。
(二)实习过程1. 单相交流电路实验:- 目的:验证基尔霍夫定律,掌握交流电路的分析方法。
- 步骤:1. 搭建实验电路,包括电源、电阻、电容、电感等元件。
2. 使用万用表测量各元件的参数。
3. 记录实验数据,计算电路的电流、电压、功率等参数。
4. 分析实验数据,验证基尔霍夫定律。
2. 单相交流电路功率测量实验:- 目的:掌握交流电路功率测量方法,了解功率因数。
- 步骤:1. 搭建实验电路,包括电源、电阻、电容、电感等元件。
2. 使用功率表测量电路的功率。
3. 记录实验数据,计算电路的功率因数。
4. 分析实验数据,了解功率因数对电路的影响。
3. 单相交流电路滤波实验:- 目的:掌握滤波电路的设计方法,提高电路的抗干扰能力。
- 步骤:1. 搭建实验电路,包括电源、电阻、电容、电感等元件。
2. 设计滤波电路,包括低通滤波器、高通滤波器等。
3. 测量滤波电路的频率响应。
4. 分析实验数据,验证滤波电路的性能。
(三)实习总结1. 理论知识的应用:通过本次实习,我们深刻理解了单相电路的基本原理和元件特性,将理论知识应用于实际电路分析中。
2. 实验技能的提升:在实习过程中,我们熟练掌握了万用表、功率表等实验仪器的使用方法,提高了实验技能。
单相多费率电能表的检定方法与验证实验分析一、引言随着电力需求的日益增长和电力行业的不断发展,电能表作为电力计量的关键工具之一,对于电力生产、输配和供应环节具有重要意义。
而单相多费率电能表作为一种新型电能计量仪表,其具备了对多个时间段的电能计量的能力,逐渐被广泛应用于住宅、商业和工业领域。
因此,对单相多费率电能表的检定方法和验证实验进行深入研究具有重要意义。
二、单相多费率电能表的检定方法单相多费率电能表的检定方法包括以下几个方面:1. 检定仪器的准备与校验在进行单相多费率电能表的检定之前,首先需要准备好相应的检定仪器。
检定仪器包括标准电能表、标准电压源、标准电流源等。
这些仪器需要进行校验,以保证其准确性和可靠性。
2. 检定参数的选择与测量在进行单相多费率电能表的检定过程中,需要选择合适的检定参数进行测量。
这些参数包括电压、电流、功率因素等。
通过测量这些参数,可以了解单相多费率电能表在各个费率时段的计量性能。
3. 检定误差的计算与分析在测量完单相多费率电能表的各项参数后,需要计算和分析检定误差。
检定误差是指单相多费率电能表测量结果与标准值之间的差异。
通过计算和分析检定误差,可以评估单相多费率电能表的计量准确性和稳定性。
4. 检定结果的记录与报告完成单相多费率电能表的检定后,需要记录检定结果,并撰写相应的检定报告。
检定报告应包括检定仪器的信息、检定参数的测量结果、检定误差的计算和分析结果等内容。
这些信息对于评估单相多费率电能表的性能和进行日后维护具有重要意义。
三、单相多费率电能表的验证实验分析单相多费率电能表的验证实验分析主要包括以下几个方面:1. 费率切换实验单相多费率电能表具有多个费率时段的计量功能,因此需要进行费率切换实验。
费率切换实验的目的是验证单相多费率电能表在不同费率时段的计量准确性和稳定性。
通过记录切换时刻和相应的计量结果,可以评估单相多费率电能表的费率切换性能。
2. 载波通信实验单相多费率电能表通常采用载波通信方式与上位机进行数据传输。
单相电度表实验报告篇一:单相电机实验报告XXXX大学XXXXXX学院电工实训报告实践二:单相电机的应用与电度表的安装班级:XXXXXX姓名:XXXXXXXX时间:XX年5月13日- 1 -[实训名称]:单相电机的应用与电度表的安装[实训目的] : 1、学会单相电能表及单相电机的安装。
2、学会连接简单的电路实物图。
3、学会电度表的使用及注意事项。
4、了解住宅照明和常用电器的配电原理和技能。
[实训原理]:一、工作原理1、单相电机当单相正弦电流通过定子绕组时,电机就会产生一个交变磁场,这个磁场的强弱和方向随时间作正弦规律变化,但在空间方位上是固定的,所以又称这个磁场是交变脉动磁场。
这个交变脉动磁场可分解为两个以相同转速、旋转方向互为相反的旋转磁场,当转子静止时,这两个旋转磁场在转子中产生两个大小相等、方向相反的转矩,使得合成转矩为零,所以电机无法旋转。
当我们用外力使电动机向某一方向旋转时(如顺时针方向旋转),这时转子与顺时针旋转方向的旋转磁场间的切割磁力线运动变小;转子与逆时针旋转方向的旋转磁场间的切割磁力线运动变大。
这样平衡就打破了,转子所产生的总的电磁转矩将不再是零,转子将顺着推动方向旋转起来。
要使单相电机能自动旋转起来,我们(原文来自:小草范文网:单相电度表实验报告)可在定子中加上一个电容使得与主绕组的电流在相位上近似相差90度,即所谓的分相原理。
这样两个在时间上相差90度的电流通入两个在空间上相差90度的绕组,将会在空间上产生(两相)旋转磁场,- 2 -在这个旋转磁场作用下,转子就能自动起动,起动后,待转速升到一定时,借助于一个安装在转子上的离心开关或其他自动控制装置将起动绕组断开,正常工作时只有主绕组工作。
因此,起动绕组可以做成短时工作方式。
但有很多时候,起动绕组并不断开,我们称这种电机为单相电机,要改变这种电机的转向,只要把辅助绕组的接线端头调换一下即可。
2、电度表电能表(电度表)是计量电能的仪表。
凡是重要计量用电量的地方,都要使用电能表。
电能表可以计量交流电能,也可以计量直流电能;在计量交流电能的电能表中,又可分成计量有功电能和无功电能的电能表两类。
二、单相电机、电能表的接线1、电能表电能表有四个接线孔,两个接进线,两个接出线。
按照进出线的排列顺序不同,单相电能表可分为顺入式接线和跳入式接线,两种接线方式见图a。
(1—进火,2—出火,3—进零,4—出零)a2、电路连接图- 3 -二、电能表的安全要求(一)电能表的选择要使它的型号和结构与被测的负荷性质和供电制式相适应,它的电压额定值要与电源电压相适应,电流额定值要与负荷相适应。
(二)要弄清电能表的接线方法,然后再接线。
接线一定要细心,接好后仔细检查。
如果发生接线错误,轻则造成计量不准或者电表反转,重则导致烧表,甚至危及人身安全。
[实训器材] 单相电能表、单相电机、闸刀开关、陶瓷保险、单刀双掷开关等[实训步骤]1.在木板上设计并画出布线路径和元件位置2.把元件固定在木板上;3.接线;4.自检、互检。
请教师检查后接电源;5.用测电笔测闸刀开关出的火线孔位置,试验开关控制电机;6.实验结束先拔插头切断电源然后拆卸整理器材。
- 4 -[注意事项]:1.检查无误后方可通电!2.不能带电拔接线![思考]实际生活用电中如何区分火线`零线`地线?有哪些方法?(1)用颜色区分:在动力电缆中黄色绿色红色分别代表A相B相C相(三相火线)蓝色代表零线,黄绿双色代表接地线。
(2)用电笔区分:火线用电笔测试时会发光,而零线则不会.(3)用电压表区分:不同相线(即火线)之间的电压为线电压380V,相线(火线)与零线(或良好的接地体)之间的电压为相电压220V,零线与良好的接地体的电压为0V.- 5 -篇二:单相电度表的检验实验单相电度表的校验教学重点:了解单相电度表的原理及接线教学难点:如何利用所测的数据校验电度表一、实验目的1.熟悉电度表的结构及工作原理。
2.掌握单相电度表的接线方法。
3.学会单相电度表的校验方法。
4.观察单相电度表的潜动现象及电度表的反转。
二、实验原理1.实验原理说明:(1)电度表是一种感应式仪表,是根据交变磁场在金属中产生感应电流,从而产生转矩的基本原理而工作的仪表,主要用于测量交流电路中的电能,它的指示器不能象其他指示仪表的的指针一样停留在某一位置,而应能随着电能的不断增大(也就是随着时间的延续)而连续地转动,这样才能随时反应出电能积累的数值。
因此,它的指示器是一个“积算机构”,它是将转动部分通过齿轮传动机构折换为被测电能的数值,由一系列齿轮上的数字直接指示出来。
它的驱动元件是由电压铁芯线圈和电流铁芯线圈在空间上、下排列,中间隔以铝制的圆盘。
驱动两个铁芯线圈的交流电,建立起合成的特殊分布的交变磁场,交变的磁场穿过铝盘,在铝盘上产生出感应电流,该电流与磁场的相互作用结果产生转动力矩驱使铝盘转动。
铝盘上方装有一个永久磁铁,其作用是对转动的铝盘产生制动力矩,使铝盘转速与负载功率成正比。
因此,在某一测量时间内,负载所消耗的电能W就与铝盘的转数n成正比。
即N?nW比例系数N称为电度表常数,常在电度表上标明,其单位是转/千瓦小时。
(2)电度表的灵敏度是指在额定电压、额定频率及cos φ=1的条件下,从零开始调节负载电流,测出铝盘刚开始转动的最小电流值Imin,则仪表的灵敏度表示为: S?Imin?100%IN式中的IN为电度表的额定电流。
(3)电度表的潜动是指负载等于零时,电度表仍出现缓慢转动的情况,按照规定,无负载电流时,外加电压为电度表额定电压的110%(达242V)时,观察铝盘的转动是否超过一圈,凡超过一圈者,判为潜动不合格的电度表。
2.实验线路U图2-14-1 电度表校验实验图三、实验仪器及器件1.电度表、秒表 2.交流电压、电流表 3.单、三相功率表 4.开关5.灯泡6.单相调压器 7.滑线变阻器四、实验内容及步骤被校验电度表的数据:额定电流IN=,额定电压UN=,电度表常数N=,准确度为。
1.用功率表、秒表法校验电度表的准确度按图接线,电度表的接线与功率表相同,其电流线圈与负载串联,电压线圈与负载并联。
线路检查正确后,接通电源,将调压器的输出电压调到220V,按表2-14-1的要求接通灯组负载,用秒表定时记录电度表铝盘的转数及记录各表的读数。
为了减小误差,在数圈数的时候,可将电度表铝盘上的一小段红色标记刚出现(或刚结束)时作为秒表计时的开始。
此外,为了能记录整数转数,可先预定好转数,待电度表铝盘刚转完此转数时,作为秒表测定时间的终点,所有数据记入表2-14-1。
表2-14-1为了准确和熟悉起见,可重复多做几次。
2.灵敏度的检查电度表铝盘刚开始转动的电流往往很小,通常只有0.5%IN,故将图2-14-1中的灯组负载拆除,换接一个100k Ω/3W的滑线变阻器,调节滑线变阻器,记下使电度表铝盘刚开始I转动的最小电流值,然后通过计算求出电度表的灵敏度(S?min?100%),并与标称值作IN比较。
3.检查电度表潜动是否合格此时,只要切断负载,即断开电度表的电流线圈回路,调节调压器的输出电压为额定电压的110%(即242V),仔细观察电度表的铝盘有否转动,一般允许有缓慢地转动,但应在不超过一圈的任一点上停止,这样,电度表的潜动为合格,反之则不合格。
五、实验注意事项1.电度表的校验过程中,电压的调节一定不要超过额定电压值。
2.正确选择功率表的量程。
3.记录时,同组的同学一定要密切配合秒表定时,读取转数步调要一致,以确保测量的准确性。
六、实验报告要求1.完成上述数据测试和列表记录。
2.说明所校验的电度表的准确度。
篇三:实验30单相电度表的校验实验三十单相电度表的校验一、实验目的1. 掌握电度表的接线方法。
2. 学会电度表的校验方法。
二、原理说明1. 电度表是一种感应式仪表,是根据交变磁场在金属中产生感应电流,从而产生转矩的基本原理而工作的仪表,主要用于测量交流电路中的电能。
它的指示器能随着电能的不断增大(也就是随着时间的延续)而连续地转动,从而能随时反应出电能积累的总数值。
因此,它的指示器是一个“积算机构”,是将转动部分通过齿轮传动机构折换为被测电能的数值,由数字及刻度直接指示出来。
它的驱动元件是由电压铁芯线圈和电流铁心线圈在空间上、下排列,中间隔以铝制的园盘。
驱动两个铁心线圈的交流电,建立起合成的特殊分布的交变磁场,并穿过铝盘,在铝盘上产生出感应电流。
该电流与磁场的相互作用结果产生转动力矩驱使铝盘转动。
铝盘上方装有一个永久磁铁,其作用是对转动的铝盘产生制动力矩,使铝盘转速与负载功率成正比。
因此,在某一段测量时间内,负载所消耗的电能W 就与铝盘的转数n成正比。
即N?n,W比例系数N称为电度表常数,常在电度表上标明,其单位是转/1千瓦小时。
2. 电度表的灵敏度是指在额定电压、额定频率及cos φ=1的条件下,从零开始调节负载电流,测出铝盘开始转动的最小电流值Imin,则仪表的灵敏度表示为S?Imin?100%式IN中的IN为电度表的额定电流。
Imin通常较小,约为IN 的0.5%。
3. 电度表的潜动是指负载电流等于零时,电度表仍出现缓慢转动的现象。
按照规定,无负载电流时,在电度表的电压线圈上施加其额定电压的110%(达242V)时,观察其铝盘的转动是否超过一圈。
凡超过一圈者,判为潜动不合格。
四、实验内容与步骤记录被校验电度表的数据:额定电流IN=,额定电压UN=,电度表常数N=,准确度为 1. 用功率表、秒表法校验电度表的准确度利用所配电度表及屏上的电表架和HE-17的灯组负载,按图30-1接线。
电度表的接线与功率表相同,其电流线圈与负载串联,电压线圈与负载并联。
图 30-1线路经指导教师检查无误后,接通电源。
将调压器的输出电压调到220V,按表30-1的要求接通灯组负载,用秒表定时记录电度表转盘的转数及记录各仪表的读数。
为了准确地记时及计圈数,可将电度表转盘上的一小段着色标记刚出现(或刚结束)时作为秒表计时的开始,并同时读出电度表的起始读数。
此外,为了能记录整数转数,可先预定好转数,待电度表转盘刚转完此转数时,作为秒表测定时间的终点,并同时读出电度表的终止读数。
所有数据记入表30-1。
建议n取24圈,则300W负载时,需时2分钟左右。
为了准确和熟悉起见,可重复多做几次。
2. 电度表灵敏度的测试电度表灵敏度的测试要用到专用的变阻器,一般都不具备。
此处可将图30-1中的灯组负载改成三组灯组相串联,并全部用220V15W灯泡。
再在电度表与灯组负载之间串接8W,30K~10K的电阻(取自HE-19挂箱上的8W,10K、20K电阻)。
每组先开通一只灯泡。
接通220V后看电度表转盘是否开始转动。
然后逐只增加灯泡或者减少电阻。