2015建筑制图基础(最新)
- 格式:doc
- 大小:5.20 MB
- 文档页数:27
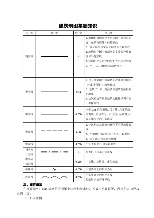
建筑制图基础一、制图字体的规定:国标中, 建筑图纸以及图所用说明用的汉字, 应采用长仿宋体注明。
如图6-1所示表6-1 长仿宋体字高字宽关系表二、常用图层的设定表6-2 常用图层设定三、常用打印线宽的设定6-3 常用打印线宽设定线宽影响图像的精度和认知度。
使用粗线是为了强调其特性或注意到图中的一部分。
细线部分相对来说。
不是很强调的部分。
用于立面图中半透明线(Screened Line)可表达不相连的建筑物的立面或存在于基准的建筑物。
虚线可传达特殊的信息。
墙体的防火区划, 延长线(Match Line), 被隐藏的部分的标记线, 可以通过虚线表达。
上表是根据ISO规定的建筑线的种类来手工制图或CAD制图或两样间用的各种线的线宽。
上面所举为A0, A1的情况, 而像A2或A3这种小图, 可将线宽以1/2~2/3的限度缩小来使用。
如表6-4所示表6-4 线宽及线宽推荐用图一览表四、一般常用线形(Common Line Types)下面的规则合用于所有范畴和任何图形中。
如表6-5所示⑴指引线在图中起到连接注释、标注、标记的作用。
指引线用箭头指向要表达的标示项。
指引线应用直线或曲线统一且一贯地绘制。
为了避免阅读图时误解的现象, 指引线不得相交。
指引线从注释的右侧上或左侧上开始。
⑵剖面线(Break Line)用于表达两个部分间的划分。
举例说就是表达连接上下层的停车场的出入口或表达像楼梯之类的倾斜面的平断面的缎面或表达输送管、梯子等太长不能所有被表达或像梯子等这种反复出现的这些详图。
但是, 详图中表达特性的部分绝对不可以省略。
⑶中心线是表达柱的中心或梁、壁、过道等的中心线。
一般用点滑线表达。
⑷标注线是以定义要标注尺寸的对象的头跟尾的细线(Thin Line)来表达。
终止符(Terminator)对的的标在标注线和辅助线的交点处。
根据UDS的标准应使用标注线(Tick Line)且要表达方向一致, 但是, 应根据状况来推断是否采用不同方向的标记(Dot)。
建筑制图基础知识在建筑物±0.000标高的平面图上应绘制指北针,并放在明显位置,所指的方向应与总图一致。
(二)立面图立面图应包括投影方向可见的建筑外轮廓线和墙面线脚、构配件、墙面做法及必要的尺寸和标高等。
在立面图上,相同的门窗、阳台、外檐装修、构造做法等可在局部重点表示,绘出其完整图形,其余部分只画轮廓线。
外墙表面分格线应表示清楚。
应用文字说明各部位所用面材及色彩。
有定位轴线的建筑物,宜根据两端定位轴线号编注立面图名称(如:①~⑩立面图、(A)~(F)立面图)。
无定位轴线的建筑物可按平面图各面的朝向确定名称。
(三)剖面图剖面图的剖切部位,应根据图纸的用途或设计深度,在平面图上选择能反映全貌、构造特征以及有代表性的部位剖切。
剖切符号可用阿拉伯数字、罗马数字或拉丁字母编号。
剖面图内应包括剖切面和投影方向可见的建筑构造、构配件以及必要的尺寸、标高等。
建筑平面、立面、剖面图中的尺寸分为总尺寸、定位尺寸、细部尺寸三种。
绘图时,应根据设计深度和图纸用途确定所需注写的尺寸。
标注平面图各部位的定位尺寸时,注写与其最邻近的轴线间的尺寸;标注剖面图各部位的定位尺寸时,注写其所在层次内的尺寸。
在建筑平面、立面、剖面图上,宜标注室内外地坪、楼地面、地下层地面、阳台、平台、檐口、屋脊、女儿墙、雨棚、门、窗、台阶等处的标高。
平屋面等不易标明建筑标高的部位可标注结构标高,并予以说明。
结构找坡的平屋面,屋面标高可标注在结构板面最低点,并注明找坡坡度。
不同比例的平面图、剖面图,其抹灰层、楼地面、材料图例的省略画法,应符合下列规定:(1)比例大于1:50时,应画出抹灰层与楼地面、屋面的面层线,并宜画出材料图例;(2)比例等于1:50时,宜画出楼地面、屋面的面层线,抹灰层的面层线应根据需要而定;(3)比例小于1:50时,可不画出抹灰层,但宜画出楼地面、屋面的面层线;(4)比例为1:100~1:200时,可画简化的材料图例(如砌体墙涂红、钢筋混凝土涂黑等),但宜画出楼地面、屋面的面层线;(5)比例小于1:200时,可不画材料图例,剖面图的楼地面、屋面的面层线可不画出。
第二章投影的基本知识本章的学习目标是:了解中心投影和平行投影的形成,掌握正投影的基本性质,了解三面投影图的形成过程,掌握三面正投影图的投影特性。
学习重点是:正投影的基本性质,三面正投影图的投影特性。
2.1投影的概念及投影法的分类2.1.1投影的概念在制图中,把光源称为投影中心,光线称为投射线,光线的射向称为投射方向,落影的平面(如地面、墙面等)称为投影面,影子的轮廓称为投影,用投影表示物体的形状和大小的方法称为投影法,用投影法画出的物体图形称为投影图,如图 2.1 所示。
图2-1投影图的形成2.1.2投影法的分类根据投射方式的不同情况,投影法一般分为两类:中心投影法和平行投影法。
由一点放射的投射线所产生的投影称为中心投影,如图2-2(a),由相互平行的投射线所产生的投影称为平行投影。
平行投射线倾斜于投影面的称为斜投影,如图2-2(b);平行投射线垂直于投影面的称为正投影,如图2-2(c)。
(a)中心投影(b)斜投影(c)正投影图2-2投影的分类2.2正投影的基本性质(1)同素性点的正投影仍然是点,直线的正投影一般仍为直线(特出情况例外),平面的正投影一般仍为原空间几何形状的平面(特出情况例外),这种性质称为正投影的同素性。
如图2-3所示。
(a)点的投影(b)直线的投影(c)平面的投影图2-3同素性(2)从属性点在直线上,点的正投影一定在该直线的正投影上。
点、直线在平面上,点和直线的正投影一定在该平面的正投影上,这种性质称为正投影的从属性。
如图2-4所示。
(3)定比性线段上的点将该线段分成的比例,等于点的正投影分线段的正投影所成的比例,这种性质称为正投影的定比性。
如图2-4(a)所示。
在图2-4(a)中,点K将线段BC分成的比例,等于点K的投影k将线段BC的投影bc分成的比例,即BK :KC = bk :kc 。
( a )( b )图2-4从属性(4)平行性两直线平行,它们的正投影也平行,且空间线段的长度之比等于它们正投影的长度之比,这种性质称为正投影的平行性。
1.在图1中,与投影面V平行的直线有(?2?)条5.在图2中,与投影面H平行的平面有(?ABC?)
??)个
?)
???)条
?)个
???)
)个
(垂
(?。
??)
)为(fk
49.图16中,平面ABC为(水平面)
50.下列关于三棱锥三面投影图完全正确的一组是(????)
51.下面关于四棱台的三面投影图完全正确的是(?)
52.在图17中,有一个投影面缺失投影线,此投影面为(H面????)
53.在图17中,有一个投影面缺失投影线,缺失投影线的条数为(3条)
54.在图18中,有一个投影面缺失投影线,此投影面为(W面?)
55.在图18中,有一个投影面缺失投影线,缺失投影线的条数为(2条)??
56.在图19中,有一个投影面缺失投影线,此投影面为(?W面)
57.在图19中,有一个投影面缺失投影线,缺失投影线的条数为(2条?)
58.在图20中,有一个投影面缺失投影线,此投影面为(V面?)
59.在图20中,有一个投影面缺失投影线,缺失投影线的条数为(2条?)
60图21给出了物体的水平投影图和正面投影图,则其侧面投影图应为(?).
61.图22给出了物体的立面投影图和侧面投影图,则其水平投影图应为(?)
70.图31
72.图32(?)。
建筑制图基本知识单项选择题第1章1.图纸的幅面的简称是( A )A.图幅 B. 图框C.标题栏D.会签栏2.图纸上限定绘图区域的线框是指( B )A.图幅 B. 图框C.标题栏D.会签栏3. 幅面代号为A0的图纸长、短边尺寸分别是(A )A.1189mm、841mm B. 841mm、594mmC.420mm、297mm D.297mm、210mm4.幅面代号为A1的图纸长、短边尺寸分别是(B )A.1189mm、841mm B. 841mm、594mmC.420mm、297mm D.297mm、210mm5. 幅面代号为A2的图纸长、短边尺寸分别是(C )A.1189mm、841mm B. 841mm、594mmC.594mm、420mm D.297mm、210mm6. 幅面代号为A3的图纸长、短边尺寸分别是(D )A.1189mm、841mm B. 841mm、594mmC.420mm、297mm D.297mm、210mm7. 幅面代号为A4的图纸长、短边尺寸分别是(D )A.1189mm、841mm B. 841mm、594mmC.420mm、297mm D.297mm、210mm8.一个工程设计中,每个专业所使用的图纸除去目录及表格所采用的A4幅面,一般不多于( B )A.1种 B. 2种C.3种D.4种9.一般情况下,一个图样应选择的比例为( A )A.1种 B. 2种C.3种D.4种10.图样及说明中的汉字宜采用(A )A.长仿宋体 B. 黑体C.隶书D.楷体11.制图的基本规定要求数量的数值注写应采用( A )A.正体阿拉伯数字 B. 斜体阿拉伯数字C.正体罗马数字D.斜体罗马数字11.制图的基本规定要求数量的单位符号应采用( C )A.正体阿拉伯数字 B. 斜体阿拉伯数字C.正体字母D.斜体罗马数字12. 绘制尺寸界线时应采用(C )A.粗实线 B. 粗虚线C.细实线D.细虚线13. 绘制尺寸起止符号时应采用(C )A.中粗长线 B. 波浪线C.中粗断线D.单点长划线14. 尺寸起止符号倾斜方向与尺寸界线应成(A )A.450 B. 600C.900D.180015. 图样轮廓线以外的尺寸线,距图样最外轮廓线之间的距离,不宜小于(A )A.10mm B. 20mmC.5mm D. 1mm16. 平行排列的尺寸线的间距,宜为( D )A.1~2mm B. 2~3mmC.3~5mm D. 7~10mm17. 平行排列的尺寸线的间距,宜为( D )A.1~2mm B. 2~3mmC.3~5mm D. 7~10mm18. 标注球的半径尺寸时,应在尺寸前加注符号( B )A.R B. SRC.RS D. S19. 标注圆弧的弧长时,表示尺寸线应以( B )A.箭头 B. 该圆弧同心的圆弧线表示C.标注圆弧的弦长 D. 平行与圆弧的直线20. 在薄板板面标注板厚尺寸时,应在厚度数字前加厚度符号( B )A.R B. tC.L D. S21. 一般制图的第一个步骤是(A )A.绘制图样底稿 B. 检查图样、修正错误C.底稿加深 D. 图纸整理22. 一般制图的最后一个步骤是(D )A.绘制图样底稿 B. 检查图样、修正错误C.底稿加深 D. 图纸整理23. 在平面图形中确定尺寸位置的点、直线称为(A )A.尺寸基准 B. 尺寸定型C.尺寸定位 D. 尺寸标注24. 用于确定平面图形中各个组成部分的形状和大小的尺寸是(B )A.基准尺寸 B. 定型尺寸C.定位尺寸 D. 标注尺寸25. 用于确定平面图形中各组成部分的相对位置的尺寸是(C )A.基准尺寸 B. 定型尺寸C.定位尺寸 D. 标注尺寸第2章1.在制图中,把光源称为( A )A.投影中心 B. 投影线C.投影面 D. 投影法2.在制图中,把光线称为( B )A.投影中心 B. 投影线C.投影面 D. 投影法3.在制图中,把承受影子的面称为( C )A.投影中心 B. 投影线C.投影面 D. 投影法4.在制图中,形成投影的方法称为( A )A.投影中心 B. 投影线C.投影面 D. 投影法5.在投影中心与投影面距离不变的情况下,形体距投影中心愈近,则影子( A ) A.愈大 B. 愈小C.不变 D. 无法确定6.在投影中心与投影面距离不变的情况下,形体距投影中心愈远,则影子( B ) A.愈大 B. 愈小C.不变 D. 无法确定7.由一点放射的投射线所产生的投影称为( B )A.中心投影 B. 水平投影C.垂直投影 D. 正投影8.由相互平行的投射线所产生的投影称为( B )A.中心投影 B. 水平投影C.垂直投影 D. 正投影9.形成物体的最基本几何元素包括( A )A.点、直线和平面B.点、曲线和曲面C.点、曲线和平面D.曲面、曲线、直线10.点的正投影仍然是点,直线的正投影一般仍为直线(特出情况例外),平面的正投影一般仍为原空间几何形状的平面(特出情况例外),这种性质称为正投影的( A ) A.同素性B.从属性C.定比性D.平行性11.点在直线上,点的正投影一定在该直线的正投影上,点、直线在平面上,点和直线的正投影一定在该平面的正投影上,这种性质称为正投影的( B )A.同素性B.从属性C.定比性D.平行性12.线段上的点将该线段分成的比例,等于点的正投影分线段的正投影所成的比例,这种性质称为正投影的( C )A.同素性B.从属性C.定比性D.平行性13.两直线平行,它们的正投影也平行,且空间线段的长度之比等于它们正投影的长度之比,这种性质称为正投影的( D )A.同素性B.从属性C.定比性D.平行性14.当线段或平面平行于投影面时,其线段的投影长度反映线段的实长,平面的投影与原平面图形全等,这种性质称为正投影的( D )A.同素性B.从属性C.定比性D.全等性15.当直线或平面垂直于投影面时,其直线的正投影积聚为一个点;平面的正投影积聚为一条直线。
这种性质称为正投影的( A )A.积聚性B.从属性C.定比性D.全等性16.H面是指( A )A.水平投影面B.侧立投影面C.正立投影面D.W面17.W面是指( B )A.水平投影面B.侧立投影面C.正立投影面D.W面18.V面是指( C )A.水平投影面B.侧立投影面C.正立投影面D.W面19.在H面上得到的正投影图叫( A )A.水平投影图B.正面投影图C.侧面投影图D.底面投影图20.在V面上得到的正投影图叫( B )A.水平投影图B.正面投影图C.侧面投影图D.底面投影图21.在W面上得到的正投影图叫( C )A.水平投影图B.正面投影图C.侧面投影图D.底面投影图22.投影面展开之后,W,H两个投影都反映形体的宽度,这种关系称为( D )A.长对正B.高平齐C.高平正D.宽相等23.投影面展开之后,V,W两个投影上下对齐,这种关系称为(B)A.长对正B.高平齐C.高平正D.宽相等24.多面正投影图是( A )A.用平行投影的正投影法绘制的多面投影图B.用平行投影的正投影法绘制的单面投影图C.用中心投影法绘制的单面投影图D.是在物体的水平投影上加注某些特征面、线以及控制点的高度数值的单面正投影25.轴测投影图是( B )A.用平行投影的正投影法绘制的多面投影图B.用平行投影的正投影法绘制的单面投影图C.用中心投影法绘制的单面投影图D.是在物体的水平投影上加注某些特征面、线以及控制点的高度数值的单面正投影26.透视投影图是(C )A.用平行投影的正投影法绘制的多面投影图B.用平行投影的正投影法绘制的单面投影图C.用中心投影法绘制的单面投影图D.是在物体的水平投影上加注某些特征面、线以及控制点的高度数值的单面正投影27.标高投影图是(D )A.用平行投影的正投影法绘制的多面投影图B.用平行投影的正投影法绘制的单面投影图C.用中心投影法绘制的单面投影图D.是在物体的水平投影上加注某些特征面、线以及控制点的高度数值的单面正投影第3章1.构成形体最基本的几何元素是(A)A.点B.平面C.曲线D.直线2.构成形体最基本的几何元素是(A)A.点B.平面C.曲线D.直线3.点在某一投影面上的投影是(A )A.点B.平面C.曲线D.直线4.点在某一投影面上的投影是(A )A.点B.平面C.曲线D.直线5.投影法中规定空间点选用字母是应(A )A.大写字母B.小写字母C.右上角加一撇的小写字母D.右上角加两撇的小写字母6.投影法中规定,空间点在H面的投影选用字母是应(B )A.大写字母B.小写字母C.右上角加一撇的小写字母D.右上角加两撇的小写字母7.投影法中规定,空间点在V面的投影选用字母是应(C )A.大写字母B.小写字母C.右上角加一撇的小写字母D.右上角加两撇的小写字母8.投影法中规定,空间点在W面的投影选用字母是应(D )A.大写字母B.小写字母C.右上角加一撇的小写字母D.右上角加两撇的小写字母9.如果空间点的位置用A(x,y,z)形势表示,那么它的H面投影的坐标应为(A)A.a(x,y,0)B.a(x,0,z)C.a(0,y,0)D.a(0,y,z)10.如果空间点的位置用A(x,y,z)形势表示,那么它的V面投影的坐标应为(B )A.a’(x,y,0)B.a’(x,0,z)C.a’(0,y,0)D.a’(0,y,z)11.如果空间点的位置用A(x,y,z)形势表示,那么它的W面投影的坐标应为(D )A.a’’(x,y,0)B.a’’(x,0,z)C.a’ ’(0,y,0)D.a’’(0,y,z)12.平行于一个投影面,倾斜于另两个投影面的直线,称为(A )A.投影面平行线B.投影面垂直线C.一般位置直线D.不能确定13.与H面平行的直线称为(D )A.水平线B.正平线C.侧平线D.不能确定14.与V面平行的直线称为(B )A.水平线B.正平线C.侧平线D.不能确定15.与W面平行的直线称为(C )A.水平线B.正平线C.侧平线D.不能确定16.垂直于某一投影面的直线,称为(B)A.投影面平行线B.投影面垂直线C.一般位置直线D.不能确定17.与H面垂直的直线称为(A)A.铅垂线B.正垂线C.侧垂线D.不能确定18.与W面垂直的直线称为(C)A.铅垂线B.正垂线C.侧垂线D.不能确定19.与V面垂直的直线称为(B)A.铅垂线B.正垂线C.侧垂线D.不能确定20.与三个投影面都倾斜的直线,称为(C)A.投影面平行线B.投影面垂直线C.一般位置直线D.不能确定21.两直线相交的交点个数是(A)A.1B.2C.3D.422.在投影图上,如果两直线有两同面投影,而交点的连线不垂直于相应的投影轴,则两直线的关系是(C)A.垂直B.平行C.相交D.不能确定23.直角的一边平行于某一投影面,则该直角在该投影面上的投影是(C)A.锐角B.钝角C.直角D.不能确定24.如果两直线在某一投影面上的投影互相垂直,而且其中有一条直线平行于该投影面,则两直线在空间位置的关系是(A)A.垂直B.平行C.相交D.不能确定25.与一个投影面平行的平面称为(A)A.投影面平行面B.投影面垂直面C.一般位置平面D.不能确定26.与一个投影面垂直的平面称为(B)A.投影面平行面B.投影面垂直面C.一般位置平面D.不能确定27.平行于H面的平面称为(A)A.水平面B.正平面C.侧平面D.不能确定28.平行于W面的平面称为(C)A.水平面B.正平面C.侧平面D.不能确定29.平行于V面的平面称为(B)A.水平面B.正平面C.侧平面D.不能确定30.垂直于H面的平面称为(A)A.铅锤面B.正垂面C.侧垂面D.不能确定31.垂直于W面的平面称为(C)A.铅锤面B.正垂面C.侧垂面D.不能确定32.垂直于V面的平面称为(B)A.铅锤面B.正垂面C.侧垂面D.不能确定33.如果直线经过平面上的两个点,则直线与平面的关系是(B)A.直线必定在平面外B.直线必定在平面内C.直线垂直于平面D.直线与平面成斜交34.如果直线经过平面上一点,且平行于平面上的一条直线,则直线与平面的关系是(B)A.直线必定在平面外B.直线必定在平面内C.直线垂直于平面D.直线与平面成斜交35.平面内对投影面的最大斜度线与平面内的该投影面的平行线两者的关系是(A)A.垂直B.平行C.相交D.不能确定第4章1.侧棱垂直于底面的棱柱为(C)A.正棱柱B.斜棱柱C.直棱柱D.不能确定2.正三棱柱放置位置为上下三角形底面为水平面,则其W面投影形状为(A)A.矩形B.三角形C.直线D.不能确定3.正三棱柱放置位置为上下三角形底面为水平面,则其V面投影形状轮廓为(A)A.矩形B.三角形C.直线D.不能确定在图1中,点A与点B是(V面)重影点。