储油罐安全检查表
- 格式:doc
- 大小:153.50 KB
- 文档页数:8
储罐安全检查表背景和目的储罐是储存液体或气体的设备,其安全运行对于保障生产和人员安全至关重要。
为了确保储罐的正常运行和防范潜在的安全隐患,进行定期的安全检查是必要的。
本文档旨在提供一份储罐安全检查表,以帮助相关人员进行全面、准确的储罐安全检查。
储罐基本信息储罐名称:储罐类型:储罐容量:储存物质:储罐所在位置:储罐使用年限:上次检查日期:下次检查日期:储罐外观检查1.检查储罐外表面是否有破损、变形或渗漏现象。
2.检查储罐支撑结构是否稳固,无异常震动或松动现象。
3.检查储罐周围是否有明火、高温或易燃物质存放。
4.检查储罐防雷措施是否完善,接地是否良好。
5.检查储罐周围是否有水源或灭火器材。
储罐内部检查1.检查储罐进出口阀门是否正常开关,操作是否顺畅。
2.检查储罐液位显示器、温度计、压力表是否正常,准确显示。
3.检查储罐内部是否有积水、杂质或异味。
4.检查储罐内部是否存在腐蚀、锈蚀或损坏现象。
5.检查储罐内是否有过高或过低的压力、温度。
储罐安全设施检查1.检查储罐安全阀是否正常工作,压力释放是否正常。
2.检查储罐液位报警装置是否正常,报警是否及时、有效。
3.检查储罐放料口、进气口、排气口等是否正常,无泄漏。
4.检查储罐消防设施是否齐全、可用,如灭火器、喷淋系统等。
5.检查储罐周边是否有防护设施,如安全栏杆、警示标识等。
储罐日常维护1.定期清洗储罐,防止积水和沉淀物的堆积。
2.定期检查储罐周围的绿化、排水系统是否正常。
3.定期保养储罐附件,如阀门、管道等。
4.定期检查储罐相关设备的运行状况,如搅拌器、泵等。
结论储罐安全检查是确保储罐安全运行的重要环节。
通过进行全面、准确的储罐安全检查,可以及时发现和解决潜在的安全问题,保障生产和人员的安全。
希望本文档提供的储罐安全检查表能够成为您的参考,确保储罐安全可靠运行。
请在下次检查时更新本检查表,并将结果保存备查。
注意:此检查表仅供参考,实际检查应根据储罐特点和相关法规进行细化,并由专业人员进行操作和评估。
1 / 82 / 83 / 84 / 85 / 86 / 8附件:1.填表说明:本表中如有不涉及的检查项目和内容,请在“检查结果”一栏中填写“不涉及”,但标准规范要求有的项目和内容,而实际检查缺少的除外。
2.附表表4.2.1 甲、乙、丙类液体储罐(区),乙、丙类液体桶装堆场与建筑物的防火间距(m)注:1 当甲、乙类液体和丙类液体储罐布置在同一储罐区时,其总储量可按1m3甲、乙类液体相当于5m3丙类液体折算;2 防火间距应从距建筑物最近的储罐外壁、堆垛外缘算起,但储罐防火堤外侧基脚线至建筑物的距离不应小于10.0m;3 甲、乙、丙类液体的固定顶储罐区,半露天堆场和乙,丙类液体桶装堆场与甲类厂房(仓库)、民用建筑的防火间距,应按本表的规定增加25%,且甲、乙类液体储罐区,半露天堆场,乙、丙类液体桶装堆场与甲类厂房(仓库)、民用建筑的防火间距不应小于25.0m,与明火或散发火花地点的防火间距,应按本表四级耐火等级建筑的规定增加25%;4 浮顶储罐区或闪点大于120℃的液体储罐区与建筑物的防火间距,可按本表的规定减少25%;5 当数个储罐区布置在同一库区内时,储罐区之间的防火间距不应小于本表相应储量的储罐区与四级耐火等级建筑之间防火间距的较大值;6 直埋地下的甲、乙、丙类液体卧式罐,当单罐容积小于等于50m3,总容积小于等于200m3时,与建筑物之间的防火间距可按本表规定减少50%;7 室外变、配电站指电力系统电压为35~500kV且每台变压器容量在10MV A以上的室外变、配电站以及工业企业的变压器总油量大于5t的室外降压变电站。
7 / 8表4.2.2 甲、乙、丙类液体储罐之间的防火间距(m)注:1 D为相邻较大立式储罐的直径(m);矩形储罐的直径为长边与短边之和的一半;2 不同液体、不同形式储罐之间的防火间距不应小于本表规定的较大值;3 两排卧式储罐之间的防火间距不应小于3.0m;4 设置充氮保护设备的液体储罐之间的防火间距可按浮顶储罐的间距确定;5当单罐容量小于等于1000m3且采用固定冷却消防方式时,甲、乙类液体的地上式固定顶罐之间的防火间距不应小于0.6D;6 同时设有液下喷射泡沫灭火设备、固定冷却水设备和扑救防火堤内液体火灾的泡沫灭火设备时,储罐之间的防火间距可适当减小,但地上式储罐不宜小于0.4D;7 闪点大于120℃的液体,当储罐容量大于1000m3时,其储罐之间的防火间距不应小于5.0m;当储罐容量小于等于1000m3时,其储罐之间的防火间距不应小于2.0m。
第一节油口罐区安全检查表
油品罐区安全检查的内容、标准与方法见表3—1
第二节液化石油气球罐区安全检查表
第三节仓库储存安全检查表
仓库储存安全检查的内容、标准及方法见表3-3
第四节物料装卸安全检查表
物料装卸安全检查的内容、标准及方法见表3-4
第五节泵房安全检查表
泵房安全检查的内容、标准与方法见表3-5
第六节电气管理安全检查表
电气管理安全检查的内容、标准与方法见表3-6
第七节防静电安全检查表
防静电安全检查的内容、标准及方法见表3—7
第八节防雷安全检查表
防雷安全检查的内容、标准及方法见表3-8表3—8 防雷安全检查表。
附件:1.填表说明:本表中如有不涉及的检查项目和内容,请在“检查结果”一栏中填写“不涉及”,但标准规范要求有的项目和内容,而实际检查缺少的除外。
2.附表表4.2.1 甲、乙、丙类液体储罐(区),乙、丙类液体桶装堆场与建筑物的防火间距(m)注:1 当甲、乙类液体和丙类液体储罐布置在同一储罐区时,其总储量可按1m3甲、乙类液体相当于5m3丙类液体折算;2 防火间距应从距建筑物最近的储罐外壁、堆垛外缘算起,但储罐防火堤外侧基脚线至建筑物的距离不应小于10.0m;3 甲、乙、丙类液体的固定顶储罐区,半露天堆场和乙,丙类液体桶装堆场与甲类厂房(仓库)、民用建筑的防火间距,应按本表的规定增加25%,且甲、乙类液体储罐区,半露天堆场,乙、丙类液体桶装堆场与甲类厂房(仓库)、民用建筑的防火间距不应小于25.0m,与明火或散发火花地点的防火间距,应按本表四级耐火等级建筑的规定增加25%;4 浮顶储罐区或闪点大于120℃的液体储罐区与建筑物的防火间距,可按本表的规定减少25%;5 当数个储罐区布置在同一库区内时,储罐区之间的防火间距不应小于本表相应储量的储罐区与四级耐火等级建筑之间防火间距的较大值;6 直埋地下的甲、乙、丙类液体卧式罐,当单罐容积小于等于50m3,总容积小于等于200m3时,与建筑物之间的防火间距可按本表规定减少50%;7 室外变、配电站指电力系统电压为35~500kV且每台变压器容量在10MV A以上的室外变、配电站以及工业企业的变压器总油量大于5t的室外降压变电站。
表4.2.2 甲、乙、丙类液体储罐之间的防火间距(m)注:1 D为相邻较大立式储罐的直径(m);矩形储罐的直径为长边与短边之和的一半;2 不同液体、不同形式储罐之间的防火间距不应小于本表规定的较大值;3 两排卧式储罐之间的防火间距不应小于3.0m;4 设置充氮保护设备的液体储罐之间的防火间距可按浮顶储罐的间距确定;5当单罐容量小于等于1000m3且采用固定冷却消防方式时,甲、乙类液体的地上式固定顶罐之间的防火间距不应小于0.6D;6 同时设有液下喷射泡沫灭火设备、固定冷却水设备和扑救防火堤内液体火灾的泡沫灭火设备时,储罐之间的防火间距可适当减小,但地上式储罐不宜小于0.4D;7 闪点大于120℃的液体,当储罐容量大于1000m3时,其储罐之间的防火间距不应小于5.0m;当储罐容量小于等于1000m3时,其储罐之间的防火间距不应小于2.0m。
油罐区安全检查表一、用火制度执行状况1用火监护人是否持资格证书2用火许可等级是否符合3连续动火的容器或设备是否使用便携式可燃气体报警器进行检测,检测结果是否达到要求4作业地点、部位、时间与动火票是否相符5现场动火点是否一点一票一监护6同一罐组内的相邻油罐是否进行脱水和检尺作业7甲、乙类油罐施工动火时,同一罐组的相邻油罐罐顶是否给上喷淋水8甲、乙类油罐施工动火时,同一罐组的相邻油罐是否搭有防火墙 9电焊机及开关箱等施工机具是否放在防火堤外10其他动火措施是落实二、安全附件管理状况1呼吸阀、液压安全阀、阴火器是否每月检查一次2甲、乙类油罐的可燃气体报警器是否好用,是否出现过失灵现象 3高液位报警、高高液位报警是否好用4高液位报警、高高液位报警是否单独设置5油罐采样口盖是否使用非黒色金属6油罐采样或检尺是否有防静电接地端子,接地端子是否使用黒色金属7空气泡沫发生器网罩是否完好,泡沫管出口是否被堵塞8外浮顶罐泡沫挡板高度是否符合要求9油罐液位显示是否在误差范围10油罐自动喷水器是否完好,是否现象带油现象11油罐防静电接地电阻是否符合要求12油罐防静电接地是否采纳搭接形式13油罐区的防雷接地是否符合要求14液态烃球罐是否设置了2 个安全阀15液态烃球罐管线上是否装有安全阀16液态烃球罐压力表,安全阀是做到每年一次校验17液态球罐固定式冷却水管是否采纳两条水管18液态球罐固定式冷却水控制阀是否在距离罐15米以外地点三、消防设施管理状况1固定式或半固定式消防泡沫系统管线是否做到每月检查一次,是否的缺陷2消防泡沫泵、消防水泵是否天天运行一次,是否有运行记录3固定式消防泡沫罐是否挂有标志牌,标志牌标明泡沫种类,改换时间及数量4固定式消防泡沫泵站是否有流程、操作规程5甲乙类油罐的喷淋水是否每月进行一次检查、试用一次6半固定式消防泡沫管接口是否引至防火堤外,并有显然标志7油罐区的雨水排水闸阀是否在关闭状态,下大雨时打开灭火器是否符合使用要求8防火堤是否有开挖现象,是否办理了开挖手续9管线过防火堤是否严密封堵10罐区消防道路是否畅通,是否符合要求11紧急切断阀是否好用12液态烃球罐是否高有注水线四、罐区操作管理状况1油罐在收油过程中是否出现超安全高度操作2操作室和现场是否有阀门开关标志3油罐收付油后静止状态状态罐根阀是否关闭4油罐顶栏杆及斜扶梯是否完好5罐区内是否有大量积油6油罐区是否严格执行封闭式管理,值勤人员是否检查出入罐区人员的证件7是否出现过冒顶、跑油或其它事故8进油罐施工作业是否办理了进设备作业票9罐区内进行保温或其它一般性作业是否办理了一般作业票。
储罐区安全检查表储罐区安全检查表储罐区安全检查表储罐区安全检查表储罐区安全检查表储罐区安全检查表附件:1. 填表说明:本表中如有不涉及的检查项目和内容,请在“检查结果”一栏中填写“不涉及”,但标准规范要求有的项目和内容,而实际检查缺少的除外。
2•附表表421 甲、乙、丙类液体储罐(区),乙、丙类液体桶装堆场与建筑物的防火间距(m)注:1当甲、乙类液体和丙类液体储罐布置在同一储罐区时,其总储量可按Ivm甲、乙类液体相当于5mi 丙类液体折算;2防火间距应从距建筑物最近的储罐外壁、堆垛外缘算起,但储罐防火堤外侧基脚线至建筑物的距离不应小于10.0m;3甲、乙、丙类液体的固定顶储罐区,半露天堆场和乙,丙类液体桶装堆场与甲类厂房(仓库)、民用建筑的防火间距,应按本表的规定增加25%且甲、乙类液体储罐区,半露天堆场,乙、丙类液体桶装堆场与甲类厂房(仓库)、民用建筑的防火间距不应小于25.0m,与明火或散发火花地点的防火间距,应按本表四级耐火等级建筑的规定增加25%4浮顶储罐区或闪点大于120C的液体储罐区与建筑物的防火间距,可按本表的规定减少25% 5当数个储罐区布置在同一库区内时,储罐区之间的防火间距不应小于本表相应储量的储罐区与四级耐火等级建筑之间防火间距的较大值;6 直埋地下的甲、乙、丙类液体卧式罐,当单罐容积小于等于50m,总容积小于等于200m时,与建筑物之间的防火间距可按本表规定减少50%7室外变、配电站指电力系统电压为35〜500且每台变压器容量在10以上的室外变、配电站以及工业企业的变压器总油量大于5t的室外降压变电站。
表422 甲、乙、丙类液体储罐之间的防火间距(m)注:i D为相邻较大立式储罐的直径(m ;矩形储罐的直径为长边与短边之和的一半;2不同液体、不同形式储罐之间的防火间距不应小于本表规定的较大值;3两排卧式储罐之间的防火间距不应小于 3.0m;4 设置充氮保护设备的液体储罐之间的防火间距可按浮顶储罐的间距确定;5 当单罐容量小于等于1000m3且采用固定冷却消防方式时,甲、乙类液体的地上式固定顶罐之间的防火间距不应小于0.6D ;6 同时设有液下喷射泡沫灭火设备、固定冷却水设备和扑救防火堤内液体火灾的泡沫灭火设备时,储罐之间的防火间距可适当减小,但地上式储罐不宜小于0.4D;7闪点大于120C的液体,当储罐容量大于1000m3时,其储罐之间的防火间距不应小于 5.0m;当储罐容量小于等于1000m3时,其储罐之间的防火间距不应小于2.0m。
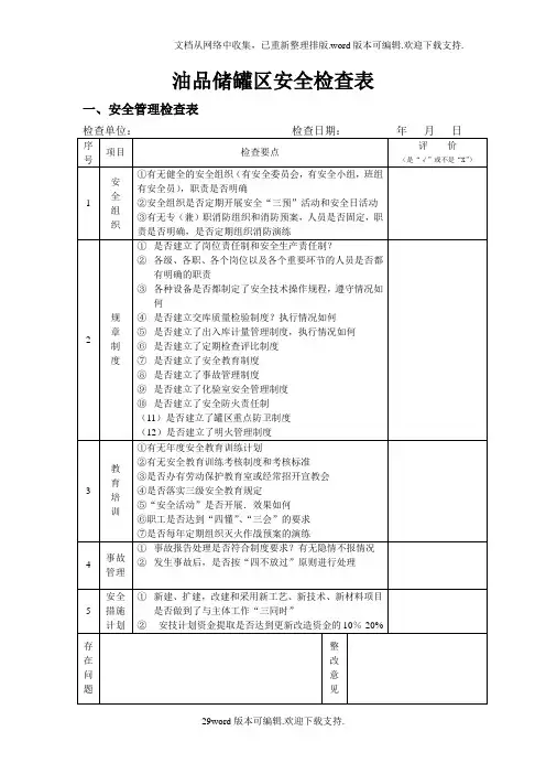
油库安全检查表轻烃储罐及油品储罐区安全检查表一、安全管理检查表序号项目检查要点评价(是“√”或不是“X”)1 安全组织①有无健全的安全组织(有安全委员会,有安全小组,班组有安全员),职责是否明确②安全组织是否定期开展安全“三预”活动和安全日活动③有无专(兼)职消防组织和消防预案,人员是否固定,职责是否明确,是否定期组织消防演练2 规章制度①是否建立了岗位责任制和安全生产责任制?②各级、各职、各个岗位以及各个重要环节的人员是否都有明确的职责③各种设备是否都制定了安全技术操作规程,遵守情况如何④是否建立交库质量检验制度?执行情况如何⑤是否建立了出入库计量管理制度,执行情况如何⑥是否建立了定期检查评比制度⑦是否建立了安全教育制度⑧是否建立了事故管理制度⑨是否建立了化验室安全管理制度⑩是否建立了安全防火责任制(11)是否建立了罐区重点防卫制度(12)是否建立了明火管理制度3 教育培训①有无年度安全教育训练计划②有无安全教育训练考核制度和考核标准③是否办有劳动保护教育室或经常招开宣教会④是否落实三级安全教育规定⑤“安全活动”是否开展.效果如何⑥职工是否达到“四懂”、“三会”的要求⑦是否每年定期组织灭火作战预案的演练4 事故管理①事故报告处理是否符合制度要求?有无隐情不报情况②发生事故后,是否按“四不放过”原则进行处理5 安全措施计划①新建、扩建,改建和采用新工艺、新技术、新材料项目是否做到了与主体工作“三同时”②安技计划资金提取是否达到更新改造资金的10%-20%存在问题整改意见整改负责人整改期限检查人二、设备安全检查表序号项目检查要点评价(是“√”或不是“X”)1 储罐基础①储罐基础是否牢固,有无不均匀下沉②储罐基础有无裂缝、倾斜、有无稀沥青流出③罐基周围排水是否通畅2 罐体①罐体内外壁有无锈蚀,防腐层是否完好.油漆有无脱落②罐体有无严重变形或倾斜③罐壁(底、顶)钢板锈蚀深度是否超过标准④罐壁(底、顶)有无漏油(或气)现象?(尤其是焊接接头部位,罐底、罐壁与顶连接部位,汽液交界部位)⑤罐壁(顶)有无凹陷、折皱、鼓泡等缺陷⑥排污管闸阀是否上锁且为铸钢阀⑦储罐承受压力是否达到设计要求⑧无力矩储罐罐项是否起呼吸作用⑨无力矩罐中心柱是否垂直,柱的位置有无位移,支柱下部有无局部下沉:各部连接是否牢固⑩罐顶绗架有无锈蚀、扭曲及位移⑪浮顶罐浮盘各部位密封是否良好⑫浮盘上下运行是否正常⑬导静电跨接线是否完好⑭自动报警、检测装置是否完好3 机械呼吸①产品是否合格,安装是否正确②阀盘与阀座接触面是否良好③问杆上下运动是否灵活.有阀无卡阻④阀壳网罩是否破损⑤压盖衬垫是否严密⑥呼吸通道有无堵塞现象⑦控制压力是否符合要求⑧阀体是否完好,附件是否齐全(阀体无裂缝.油漆无脱落.阀盖螺帽等齐全、严密)4 液压呼吸阀①产品是否合格,安装是否正确②保护网罩是否完好;有无堵塞③液位高度是否正确④油品是否变质⑤控制压力是否正确⑥阀体是否完好,附件是否齐全(阀体无裂缝、无渗漏、油漆无脱落,无油垢.各部螺柱、螺母齐全、紧固)续表5 阻①产品是否合格,安装是否正火器确②防火网或波形散热片是否清洁畅通③垫片是否完整,有无漏气6 测量孔①测量孔内护板是否完好②测量孔外接地端子是否完好③测量孔密封是否严密不漏气?导尺槽磨损是否严重7 人孔光孔密封是否完好.是否漏油、漏气8 消防泡沫室①护罩是否完好②玻璃是否破裂,有无油气漏出9 人体防护装①旋梯、扶手、栏杆、平台间隙是否适当,有无锈蚀、损坏、脱落②防滑踏步是否牢固置10 加热器①阀门有无漏气②油水分离器性能是否良好,排水有无带油现象③管道接头是否严密④内部支架有无损坏11 防火堤①防火堤建造是否符合技术要求?(防火堤的高度、宽度、建造材料、砌筑方式,以及与油的的距离等规定)②防火堤有无损坏③防火堤排水管有无阀门,平时是否关闭④防火堤有无易燃可燃堆放场12 防雷防静电接地①油罐周边接地是否符合要求(每30米一处,且不少于两处)②接地线连接是否牢固,有无损伤、断裂现象③各部跨接线是否完好④接地极设置是否符合规定,连接是否正确(每罐防雷接地极至少两组,且接地电阻≤10Ω)⑤罐区外是否有静电手扶体13 自动化仪表①仪表及安装配线是否符合防爆要求②与油罐连接孔是否漏气、漏油14 洞库油罐呼吸管路①呼吸管路外表有无明显锈蚀②支架是否完好③各部连接是否紧密,法兰垫片是否完好,有无漏气现象④管道式呼吸阀、U型压力计、阻火器质量是否合格.安装是否正确⑤排气口距洞口距离是否符合要求(大于20m)⑥排水阀、排渣口设置是否合理,是否定期排除⑦管道式呼吸阀控制压力是否正确2、输油管路安全检查表检查单位:检查日期:年月日序号项目检查要点评价(是“√”或不是“X”)1 管路①地面或管沟管路是否锈蚀,漆层及保温层是否符合要求,并保护完好②管路与周围建(构)筑物之间的距离是否符合规范要求③管路是否与通讯、电力电缆埋设一起或放在同一管沟内④管线穿越铁路、公路、沟渠、马车道等是否加有套管或设管沟⑤管路穿越、跨越河床、重要道路处两边是否设有闸阀井⑥管路是否设置有放空系统,是否适用⑦管路是否有明显扭曲、位移、变形⑧管路与管件的连接处及焊逢处是否渗漏(尤其是在夏季温度高时)⑨埋地输油管路是否有管路走向标桩,是否牢固可靠⑩管路跨铁路、公路是否符合安全要求⑪管路外表面是否有裂纹、缩孔、夹渣、折叠、皱皮等缺陷?⑫法兰连接安装是否符合要求(法兰盘面与管线中心线垂直,同组法兰不准加双垫,螺栓、螺母齐整、紧固、满扣)⑬掩埋管线防腐绝缘层质量是否完好⑭掩埋管线埋设深度是否符合要求(0.5m以上或在冻土层以下)⑮管线试验压力、工作压力是否符合设计要求⑯管路上各种仪器、仪表指示值是否正常2 管座架①各种管座(包括固定、滑动、导向支座及桥架)设置是否合理,是否起作用,有无沉降、倾斜或变形②管线支架是否锈蚀、变形或损坏③管托是否腐蚀、工作是否正常3 阀门①阀门是否渗漏(阀杆动密封处及法兰垫片静密封处)②阀门严密性是否正常(按规定试验压力打压不渗漏)③阀体有无损伤及渗漏现象④阀门启闭是否灵活、开度指示是否正确⑤阀杆有无弯曲、锈蚀.阀杆与填料压盖配合是否合适,螺纹有无缺陷⑥垫片、填料、螺栓是否完好⑦阀门各部件是否齐全、良好⑧室外阀门有无防护罩(套)⑨进出油管靠近油罐的第一个阀门是否为铸钢阀⑩安装是否正确.位置是否适当(禁止倒装,尤其是单向阀、截止阀、安全阀的安装)4 补偿器①产品质量是否合格?能否满足补偿要求②安装是否正确,位置是否适当③强度是否满足要求(定期作水压试验记录)④补偿器外观质量是否良好,有无扭曲、变形、挤压、破裂等现象5 过滤器①外现质量是否良好(内外壁油漆无脱落:无油垢,无锈蚀,无裂纹,无变形等损伤)②附属件是否齐全、完好(有压力表窥视器、放沉淀阀等附属件)③是否严密?(在规定试验压力下不渗漏,不变形,检查试验记录)④是否附有静电传导装置⑤滤网是否完好(无污物、无破损等)⑥选用是否符合要求?(目数、过滤面积、材料、流量等参数与使用要求相符)⑦安装是否正确.牢固可靠6 接地跨接①每个法兰连接处是否有跨接②跨接是否符合要求?(每对法兰处跨接不少于两处,且连接可靠,接触良好)③管间跨接是否符合要求?(管间净距小于10cm时,每50m跨接地一次,且连接可靠,接触良好)④管线接地装置安装是否符合要求(接地电阻≤100Ω)7 阴极保①电路联接是否牢固可靠.导线是否完好②配电盘上熔断器是否完好护装置③电流数值是否正常④恒电位仪零件是否完好(无腐蚀,脱焊、虚焊、损坏,内部清洁)⑤硫酸铜电极是否清洁,溶液是否充足、不漏⑥阳极地床线路是否完好,埋设标志是否明显,电阻值是否合格⑦检查头装置的接线柱与大地绝缘是否良好(绝缘电阻值应大于100kΩ)⑧绝缘法兰是否清洁、干燥、不漏电8 牺牲阳极保护装置①管对地、阳极对地、阳极对管电位差是否正常(实测、查记录)②保护电位、阳极组输出电流、阳极接地电阻及埋设点土壤电阻率是否正常③阳极性能是否良好(实测、查记录)9 管沟①管沟内是否整洁,完好(无积水、无污物,盖板完整)②阀井盖是否完整并上锁③管沟是否按规定设置有隔断设施④管沟、阀井内是否有油气(可燃气体浓度在爆炸下限的5%以下,有油气味,应检查是否由于管线、阀门等渗漏引起)存在问题整改意见整改负责人整改期限检查人3、输油泵安全检查表检查单位:检查日期:年月日序号项目检查要点评价(是“√”或不是“X”)输油①外观是否良好(油漆无脱落,无锈蚀,壳体无裂纹,无变泵形等)②安装是否正确、牢固,附件是否齐全、完好③泵与电动机联结是否良好,联轴器防护装置是否完好④各密封点(盘根密封及垫片密封处)是否严密⑤泵基础是否开裂或破损⑥润滑油、润滑脂是否变质⑦各仪表工作是否正常、稳定(电流表、电压表、压力表、真空表等)⑧运行中泵是否有不正常的异常响声、振动⑨轴承温度和泵的温度填料处是否正常⑩吸排压力是否正常⑪电动机温度是否正常,性能是否良好⑫润滑、冷却系统是否畅通不漏⑬往复泵、螺杆泵、齿轮泵是否设有安全阀.性能是否良好,控制压力是否正确(1.l~1.2倍工作压力)⑭电动机及其配线是否符合防爆要求,有无损坏⑮水环式真空泵的各附件是否严密无渗漏(水罐.真空罐、泵、阀、表及其连接处)⑯水环式真空泵的水位高度是否适当(保持在轴位置)⑰泵轴填料是否磨损,松紧是否适度⑱齿轮泵弹簧是否失效,压力是否正常⑲齿轮泵齿轮的磨损腐蚀及损坏是否严重⑳备用泵之间是否采取可靠隔离措施(阀门加锁或隔堵盲板)存在问整改意题见整改负责人整改期限整改负责人4、锅炉安全检查表(指自设锅炉单位)检查单位:检查日期:年月日序号项目检查要点评价(是“√”或不是“X”)压力表①每台锅炉是否装有与锅筒蒸汽空间直接相连接的压力表?在给水管的调节阀前、可分式省煤器出口、过热器出口和主气阀之间是否装有压力表②压力表的精度是否符合要求(工作压力<2.47Mpa,压力表的精度不应低于 2.5级;工作压力≥2.47Mpa,压力表的精度不应低于1.5级)③压力表盘刻度极限是否为工作压力的1.5-3倍④压力表显示锅炉最高允许压力的红线是否正确、清晰⑤压力表的装置、校验和维护是否符合国家计量部门的规定,铅封是否完好(压力表装前应核验,装后至少每半年校验一次,校验后铅封)⑥压力表安装的位置是否正确、是否受高温、震动、冰冻的影响⑦压力表的连接管是否漏水、漏气⑧压力表的连接管是否有挤压变形、折弯等现象⑨压力表指示是否在正常范围⑩表内是否漏气或指针跳动、不能回位⑪表面玻璃是否破碎,表盘刻度是否清晰2 安全阀①蒸发量>0.5t/h的锅炉,是否装设两个安全阀(不包括省煤器安全阀)?(蒸发量≤0.5t/h的锅炉,至少装一个安全阀。
油罐区安全检查表
日期:___________
检查人员:___________
1. 安全防护管理
•☐网格隔离栏是否完好无损、高度是否符合标准?
•☐油罐区围墙是否存在开裂或破损现象?
•☐罐区内是否存在明火或其他易燃物品?
•☐储罐、输油管道和配件是否正常运行,无漏油、故障及泄漏现象?
•☐油罐区是否设有专职安全人员,对设施设备进行检查维护管理?
•☐油罐区是否配备足够的供油消防器材和消防人员,以对突发事件做出快速反应?
2. 环保管理
•☐油罐区内的油气回收系统是否正常运行,有无漏气现象?
•☐油罐区周边地面是否有油污染痕迹?
•☐油罐区排污管道是否正常,有无漏油、堵塞现象?
•☐油罐区是否有储罐漏油及泄漏应急预案,预案是否完备?
•☐是否配备应急处置设备和保障措施,能否迅速、有效地处置泄漏事故?
3. 班前安全检查
•☐油罐区工作人员是否穿戴符合要求的安全防护用品:安全鞋、安全帽、手套等?
•☐油罐区是否由专人对设施设备和环境进行巡检,发现异常情况及时上报?
•☐油罐区是否存在存在打开、关闭错乱或未锁定的储罐门、阀门等情况?
•☐是否存在物料不合规、储存架不整齐等安全隐患?
•☐对于已发现的隐患,是否已采取措施加以解决?
总结
以上是油罐区安全检查表,希望以上检查能在实际中落实,提高油
罐区的安全管理水平和生产效益。
油库油罐安全检查表被查单位:
管等应有可靠的Array防雷接地和防静
电接地
注:①表中D 为相邻油罐中较大油罐的直径。
对于矩形油罐,D 为长宽两边之 和的一半;
②储存不同油品的油罐、不同型式的油罐之间的防火距离,应采用较大值;
③高架罐的间距不应小于0. 6m 。
油库内的通风是否设高低窗进行自然通风,达到通风良好? 当自然通风不能满足时,是否设机械通风?
油库常用的电气设施包括电机、开关、照明设施、风扇及其线路在可 能产生混合爆炸性气体场所,是否均按级别正确
选用防爆型电气设 施。
单一库房的电气设施是否均防爆
库房门是否朝外开。
值班室内的电气设施若不防爆,则库内的墙及屋顶是否均密封
库房的电气设施 均应防爆。
企业名称(盖章):填表人:填表日期:年月日附件:1.填表说明:本表中如有不涉及的检查项目和内容,请在“检查结果”一栏中填写“不涉及”,但标准规范要求有的项目和内容,而实际检查缺少的除外。
2.附表表4.2.1 甲、乙、丙类液体储罐(区),乙、丙类液体桶装堆场与建筑物的防火间距(m)注:1 当甲、乙类液体和丙类液体储罐布置在同一储罐区时,其总储量可按1m3甲、乙类液体相当于5m3丙类液体折算;2 防火间距应从距建筑物最近的储罐外壁、堆垛外缘算起,但储罐防火堤外侧基脚线至建筑物的距离不应小于10.0m;3 甲、乙、丙类液体的固定顶储罐区,半露天堆场和乙,丙类液体桶装堆场与甲类厂房(仓库)、民用建筑的防火间距,应按本表的规定增加25%,且甲、乙类液体储罐区,半露天堆场,乙、丙类液体桶装堆场与甲类厂房(仓库)、民用建筑的防火间距不应小于25.0m,与明火或散发火花地点的防火间距,应按本表四级耐火等级建筑的规定增加25%;4 浮顶储罐区或闪点大于120℃的液体储罐区与建筑物的防火间距,可按本表的规定减少25%;5 当数个储罐区布置在同一库区内时,储罐区之间的防火间距不应小于本表相应储量的储罐区与四级耐火等级建筑之间防火间距的较大值;6 直埋地下的甲、乙、丙类液体卧式罐,当单罐容积小于等于50m3,总容积小于等于200m3时,与建筑物之间的防火间距可按本表规定减少50%;7 室外变、配电站指电力系统电压为35~500kV且每台变压器容量在10MV A以上的室外变、配电站以及工业企业的变压器总油量大于5t的室外降压变电站。
表4.2.2 甲、乙、丙类液体储罐之间的防火间距(m)注:1 D为相邻较大立式储罐的直径(m);矩形储罐的直径为长边与短边之和的一半;2 不同液体、不同形式储罐之间的防火间距不应小于本表规定的较大值;3 两排卧式储罐之间的防火间距不应小于3.0m;4 设置充氮保护设备的液体储罐之间的防火间距可按浮顶储罐的间距确定;5当单罐容量小于等于1000m3且采用固定冷却消防方式时,甲、乙类液体的地上式固定顶罐之间的防火间距不应小于0.6D;6 同时设有液下喷射泡沫灭火设备、固定冷却水设备和扑救防火堤内液体火灾的泡沫灭火设备时,储罐之间的防火间距可适当减小,但地上式储罐不宜小于0.4D;7 闪点大于120℃的液体,当储罐容量大于1000m3时,其储罐之间的防火间距不应小于5.0m;当储罐容量小于等于1000m3时,其储罐之间的防火间距不应小于2.0m。
附件:
1.填表说明:本表中如有不涉及的检查项目和内容,请在“检查结果”一栏中填写“不涉及”,但标准规范要求有的项目和内容,而实际检查缺少
的除外。
2.附表
表4.2.1 甲、乙、丙类液体储罐(区),乙、丙类液体桶装堆场与建筑物的防火间距(m)
注:1 当甲、乙类液体和丙类液体储罐布置在同一储罐区时,其总储量可按1m3甲、乙类液体相当于5m3丙类液体折算;
2 防火间距应从距建筑物最近的储罐外壁、堆垛外缘算起,但储罐防火堤外侧基脚线至建筑物的距离不应小于10.0m;
3 甲、乙、丙类液体的固定顶储罐区,半露天堆场和乙,丙类液体桶装堆场与甲类厂房(仓库)、民用建筑的防火间距,应按本表的规定增加25%,且甲、乙类液体储罐区,
半露天堆场,乙、丙类液体桶装堆场与甲类厂房(仓库)、民用建筑的防火间距不应小于25.0m,与明火或散发火花地点的防火间距,应按本表四级耐火等级建筑的规定增加25%;
4 浮顶储罐区或闪点大于120℃的液体储罐区与建筑物的防火间距,可按本表的规定减少25%;
5 当数个储罐区布置在同一库区内时,储罐区之间的防火间距不应小于本表相应储量的储罐区与四级耐火等级建筑之间防火间距的较大值;
6 直埋地下的甲、乙、丙类液体卧式罐,当单罐容积小于等于50m3,总容积小于等于200m3时,与建筑物之间的防火间距可按本表规定减少50%;
7 室外变、配电站指电力系统电压为35~500kV且每台变压器容量在10MV A以上的室外变、配电站以及工业企业的变压器总油量大于5t的室外降压变电站。
表4.2.2 甲、乙、丙类液体储罐之间的防火间距(m)
注:1 D为相邻较大立式储罐的直径(m);矩形储罐的直径为长边与短边之和的一半;
2 不同液体、不同形式储罐之间的防火间距不应小于本表规定的较大值;
3 两排卧式储罐之间的防火间距不应小于3.0m;
4 设置充氮保护设备的液体储罐之间的防火间距可按浮顶储罐的间距确定;
5当单罐容量小于等于1000m3且采用固定冷却消防方式时,甲、乙类液体的地上式固定顶罐之间的防火间距不应小于0.6D;
6 同时设有液下喷射泡沫灭火设备、固定冷却水设备和扑救防火堤内液体火灾的泡沫灭火设备时,储罐之间的防火间距可适当减小,但地上式储罐不宜小于0.4D;
7 闪点大于120℃的液体,当储罐容量大于1000m3时,其储罐之间的防火间距不应小于5.0m;当储罐容量小于等于1000m3时,其储罐之间的防火间距不应小于2.0m。
3.参考标准:
1.《石油库设计规范》(Code for design of oil depot)GB 50074-2002
2.《石油化工企业设计防火规范》(Fire prevention code of petro chemical enterprise design )GB 50160-2008
3.《建筑设计防火规范》(Code of Design on Building Fire protection and prevention )GB 50016--2006
4.《石油化工企业可燃气体和有毒气体检测报警设计规范》(Specification for design of combustible gas and toxic gas detection and alarm for petrochemical
industry )GB 50493-2009
5. 《可燃气体检测报警器使用规范》(Regulation for using combustible gas detection and alarm instruments) SY 6503- 2000
4.名词解释:沸溢性油品boiling spill oil 含水并在燃烧时可产生热波作用的油品,如原油、渣油、重油等。