物料提升机(龙门吊)安装验收表
- 格式:xls
- 大小:34.00 KB
- 文档页数:3
物料提升机安装验收表物料提升机安装验收表,是在正常使用过程中,为保证物料提升机的正常使用,防止因意外损坏,在安装调试前必须填写好的安装验收表。
物料提升机是采用电动葫芦为动力,采用液压传动,用绳卡与吊篮相连组成一个整体升降装置,是一种用于垂直升降大型构件或建筑施工平台的升降机。
物料提升机安装验收表是依据《中华人民共和国国家标准》GB5749-2006 《建筑安装工程施工质量验收规范》及有关行业标准,按照现场施工条件和设备情况对料斗机进行安装验收。
下面为大家介绍安装验收表的作用和安装验收要求。
一、安装验收表的作用1、安装验收表的作用:是由施工单位和监理单位共同完成的验收项目。
2、安装验收表的作用:在物料提升机安装调试前,对工程进行验收,以保证工程安装的顺利进行和提高产品的质量。
3、安装验收表的作用:对于料斗机进行验收,是为了对工程中的某些细节问题或设备状况进行检查,使项目的安装达到预期的效果和标准。
4、安装验收表的作用:是要检查和确定设计、工程质量、采购、加工、制造、检验、试验及管理人员等是否严格执行设计规定;对材料是否符合要求;在使用过程中是否发生质量问题及隐患;是否按照技术要求和规范要求来检验出厂产品,是否与设计文件和图纸相符等。
5、安装验收表中对设备规格精度、产品规格型号等项目进行了详细检查和分析。
6、安装验收表是为安装调试奠定基础和做好安全防范工作打下基础。
二、安装验收要求1、物料提升机连接必须可靠:吊篮与升降机、吊篮、液压支架连接必须牢固,吊篮与建筑主体结构之间、吊篮与吊架之间连接应牢固。
2、物料提升机安装检查:安装前必须对物料提升机设备进行认真检查,确认安全装置有效。
安全装置齐全有效;吊篮和液压支架应牢固可靠。
3、物料提升机设备安装:吊篮应牢固地固定在承重架上;吊篮上不得使用任何有危险作用的物品;起重机吊篮严禁载重;起重机吊篮上不得放置任何物体或构件;吊篮上不得放有任何物件;升降设备上不得有任何物品。
精品文档--------------------------精品文档,可以编辑修改,等待你的下载,管理,教育文档----------------------建筑施工起重机械(物料提升机)自检记录表工程名称 安装单位 施工单位 项目负责人 设备型号 设备编号 安装高度附着形式安装时间验收项目验收内容及要求实测结果备注基础基础承载力符合要求基础表面平整度符合说明书要求基础混凝土强度等级符合要求 基础周边有排水措施与输电线路的水平距离符合要求 导轨架各标准节无变形、无开焊及严重锈蚀各节点螺栓紧固力矩符合要求导轨架垂直度≤0.15%,导轨对接阶差≤1.5mm 动力系统卷扬机卷筒节径与钢丝绳直径比值≥30吊笼处于最低位置时,卷筒上的钢丝绳不应小于3圈拽引轮直径与钢丝绳包角≥150° 卷扬机固定牢固制动器、离合器工作可靠 钢丝绳与滑轮钢丝绳安全系数符合设计要求 钢丝绳断丝、磨损未达到报废标准钢丝绳及绳夹规格匹配、紧固有效 滑轮直径与钢丝绳直径的比值≥30 滑轮磨损未达到报废标准 吊笼吊笼结构完好,无变形吊笼安全门开启灵活有效电气系统电气设备绝缘电阻值≥0.5兆欧,重复接地电阻值≤10欧姆短路保护、过电流保护和漏电保护齐全可靠精品文档--------------------------精品文档,可以编辑修改,等待你的下载,管理,教育文档----------------------附墙架附墙架结构符合说明书要求自由端高度、附墙架间距≤6m ,且符合设计要求揽风绳与地锚揽风绳的设置组数及位置符合说明书要求(续表)精品文档--------------------------精品文档,可以编辑修改,等待你的下载,管理,教育文档----------------------精品文档--------------------------精品文档,可以编辑修改,等待你的下载,管理,教育文档----------------------注: 1.每次加节后,施工总承包单位应组织有关单位按此表对物料提升机进行验收。
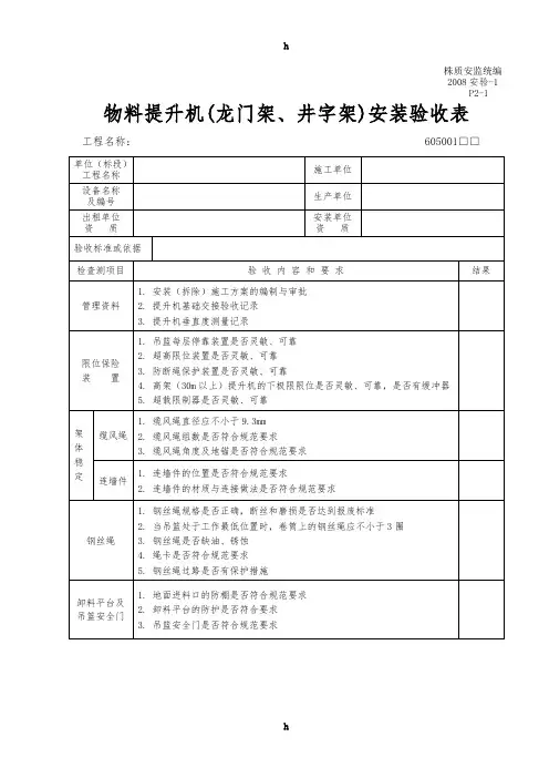
株质安监统编
2008安验-1
P2-1 物料提升机(龙门架、井字架)安装验收表
工程名称: 605001□□
安验-1 P2-2
2008安验-2
P2-1 外用电梯(人货两用电梯)安装验收表
工程名称: 605002□□
安验-2 P2-2
株质安监统编
2008安验-3
P2-1
塔式起重机安装验收表
工程名称: 605003□□
安验-3 P2-2
株质安监统编
2008安验-4施工机具及配件安装验收表
工程名称: 605004□□
株质安监统编
2008安验-5施工现场临时用电检查验收表
工程名称: 605005□□
2008安验-6
P2-1 扣件式钢管脚手架搭设验收表
工程名称: 605006□□
安验-6 P2-2
株质安监统编
2006安验-7施工现场消防设施检查验收表
工程名称: 605007□□
欢迎您的下载,资料仅供参考!。