明洞仰拱施工技术交底
- 格式:doc
- 大小:140.00 KB
- 文档页数:11
厦门东通道(翔安隧道)工程A4标明洞仰拱施工作业指导书编制:复核:2005年11月7日厦门东通道(翔安隧道)工程A4标明洞仰拱施工作业指导书本标段主要为翔安岸隧道工程及翔安岸部分接线工程:右线隧道起讫里程为YK9+700~YK12+510,长2.810Km(其中陆域地段长0.290Km,海域地段长2.520Km)。
翔安端洞口处最小埋深约6m,覆盖层为残积粘土、亚粘土,风化严重,稳定性差,洞口开挖后易导致滑坡、坍塌。
我部准备对YK12+510~+470段进行明洞仰拱施工。
一、施工要求1、材料要求:仰拱采用的是C30抗渗砼,仰拱填充为C15砼。
2、开挖:洞口仰拱按照5m一组由洞口向洞内全幅进行施工。
采用挖掘机开挖及装碴,自卸式汽车运碴。
明洞基础应设置在稳固的地基上,并且地基承载力应大于300Kpa,如承载力达不到设计要求,应对基础进行加固处理。
3、仰拱砼施工:①仰拱在开挖完成后,先进行断面检查,超挖值不大于10cm,且不能有欠挖,底部的超挖采用C15片石砼回填,保证基底密实。
②仰拱在两个端头,根据实际施工宽度安装挡头模板,模板采用5cm厚的木板进行拼装,模板后背安装横向和竖向肋木、并打设φ22螺纹钢筋进行加固,确保模板稳定,在砼浇注过程中不跑模,不变形。
模板安装好以后,在模板(挡头板)上面画出仰拱的衬砌弧线。
③模板安装好以后,再开始绑扎钢筋。
钢筋应先在加工棚加工,然后在现场再绑扎成钢筋骨架,保证在同一截面内其接头的截面面积不得超过总截面面积的50%,接头处采用焊接形式,双面焊的焊缝长度不应小于5d,单面焊的焊缝长度不应小于10d。
仰拱砼采用商品砼,用砼罐车运至施工现场,并对商品砼提取试件进行坍落度试验。
④仰拱砼在浇注时应挂线施工,连续浇注。
采用3~4台插入式捣固器进行振捣,振捣厚度分两层,最大不宜超过30cm,插点布置应均匀合理,振捣时间应严格控制,以免因时间过长而导致砼翻浆。
在砼浇注过程中,应安排专人进行砼翻运,严禁用捣固棒来回移动砼。
仰拱施工技术交底一、引言仰拱施工技术是指在建筑施工中用于支撑拱顶的一种技术方法。
由于拱顶构造的特殊性,仰拱施工技术在施工过程中需要特别注意技术细节和施工安全。
本文将针对仰拱施工技术进行详细交底,以确保施工过程顺利进行。
二、仰拱施工前的准备工作1. 仰拱施工前,需对施工现场进行全面勘察,确定施工平面图和剖面图。
2. 确定仰拱施工所需材料和施工机械设备,并进行验收,确保其质量符合要求。
3. 设计合理的施工方案,包括施工工艺、施工步骤和安全措施等。
4. 协调好施工人员和相关单位,确定责任分工和工期安排。
三、仰拱施工的具体步骤1. 进行基坑开挖,确保基坑的平整和坚实。
2. 搭建支模架,根据仰拱的形状和尺寸,搭建适当的支模架,确保其稳定和安全。
3. 配置混凝土和浇筑,根据设计要求,配置合适的混凝土配合比,并进行适时的浇筑,确保浇筑质量。
4. 进行拱砖的砌筑,选择合适的拱砖规格和材质,按照设计要求进行砌筑。
5. 进行拱顶的封顶处理,确保拱顶的平整和牢固。
6. 进行拆模,并及时清理施工现场。
四、仰拱施工中需要注意的问题1. 施工过程中需严格按照设计图纸和施工方案进行操作,不得随意更改。
2. 施工期间需保持施工现场的整洁,定期清理垃圾和杂物。
3. 施工人员需使用符合安全要求的施工工具和设备,并正确佩戴个人防护用具。
4. 施工人员需熟悉仰拱施工技术,并具备相关的施工经验。
5. 施工中需密切注意材料和设备的使用情况,及时补充和更换。
6. 施工现场需设置明显的安全警示标志,做好安全防护措施。
五、仰拱施工后的验收和交接工作1. 施工完成后,需进行仰拱施工的验收工作,确保施工质量达到设计要求。
2. 将仰拱相关资料整理完善,供相关单位和业主查阅。
3. 进行仰拱施工过程的总结和反馈,为今后的施工提供经验和教训。
六、结语仰拱施工技术作为一种重要的支撑拱顶的技术方法,对建筑工程的质量和安全起着重要作用。
通过充分了解仰拱施工技术的要点和细节,并在实际施工中严格按照规范要求进行操作,能够保证仰拱施工的顺利进行。
仰拱施工技术交底一、背景简介仰拱是中国传统建筑的一种特色结构形式,以其独特的美学价值和优越的力学性能而广泛应用于我国古代宫殿、寺庙、园林等建筑中。
仰拱施工技术是一门需要经过严格培训和长期实践才能掌握的技术,本文将就仰拱施工技术进行交底。
二、施工前概述施工前应根据设计要求和施工方案,仔细排查工程地段的地基、地质条件、地下水位、场地勘测、施工选址等问题,保证施工期间的安全和质量。
三、材料和设备3.1 材料仰拱施工中主要用到的材料包括:1.红砖或黄土砖,砖的质量和标准必须符合国家规定的标准。
2.砂浆,应根据设计要求和砖的材质选用适当的砂浆。
3.铁丝,用于将砖块绑扎在一起。
4.预应力钢筋,用于增加仰拱的强度和稳定性。
3.2 设备仰拱施工中主要使用的设备包括:1.吊篮,用于提供高处作业的安全工作平台。
2.钢管脚手架,用于提供低处的施工工作平台。
3.起重机,用于布置和移动设备。
4.活干挂机,用于将砖块吊到高处。
5.泵送机,用于将砂浆泵送到施工现场。
四、施工步骤4.1 准备工作1.对施工现场进行检查,确认地面平整且没有障碍物。
2.检查和保管仰拱构件材料,并检查质量标准符合规定。
4.2 布置仰拱1.根据设计要求,选好位置,确定仰拱构件的几何尺寸。
2.按照施工图纸要求,在地面上绘制布线和分块线。
3.根据块号和几何尺寸,在地面上用不易弯曲的金属线或木条绑成目标形状的网格。
4.3 准备砖块和砂浆1.砖块应先在水中浸泡,确保其能够充分吸水。
2.按照设计要求配制砂浆,确保砂浆质量达标。
4.4 砌筑仰拱1.砌筑时应严格按照设计要求和砖的材质进行砌筑。
2.在砌进一个模块后,用铁丝将砖块绑扎在一起。
3.在砌筑过程中,保证每一层的砖块要水平,并加强砖间缝的拉结。
4.在每一层后,用经济型线或紧线检查竖直度和砖后张量的均匀性,调整误差。
5.砌筑过程中要及时清理多余砂浆和垃圾。
4.5 安装预应力钢筋1.在仰拱压顶时,可以根据需要采用预应力钢筋加固。
明洞仰拱及填充技术交底一、施工准备1、施工前,各班组进行技术、安全学习,并以书面形式上报经理部。
2、机加工班作好仰拱栈桥及衬砌钢筋的加工。
二、施工顺序测量放线→底部开挖→仰拱钢筋安装→仰拱砼浇注(施工缝及变形缝处理)→填充砼浇注(中央排水管及检查井的施作)→拆模及养护。
三、整体施工方案1、仰拱及填充砼浇注紧随开挖进行,仰拱及填充砼采用全幅浇注一次成型。
为减少其与出碴运输的干扰,采用仰拱栈桥跨过施工地段,以保证隧道底部的施工质量,从根本上消除隧底质量隐患,确保结构稳定。
底板、仰拱和填充混凝土超前,为拱墙衬砌模板台车作业提供条件,并有利于文明施工。
2、为保证仰拱浇注成型,仰拱顶部采用浮放模板;模板采用钢模,混凝土采用插入式振捣器进行振捣。
3、仰拱砼与填充砼分开浇注,中心排水管和检查井与仰拱填充同时立模浇注。
4、结合栈桥长度仰拱每次开挖6M。
预留的弃碴段前方为开挖面完工的仰拱预作的仰拱栈桥施工示意图四、各工序施工方法、工艺及质量标准㈠、底部开挖隧底每组开挖6m,每次跳开开挖两组,预留一组作为运输临时道路,待前一组施工完成砼达到一定强度后开挖预留的一组。
仰拱开挖后成型应符合设计要求,底部高程允许偏差±15mm。
开挖断面尺寸详见明洞仰拱开挖尺寸图。
178,81094,5547,2547,2178,8隧道中线280279,2276,6272,4266,5258,8249,4238,3225,2210,3193,5内轨顶面145217080仰拱(C 30防水钢筋砼)填充(C20砼)8350047,2填充顶面明洞仰拱开挖尺寸图(单位:cm )㈡、仰拱钢筋安装开挖完成后,将隧底虚碴、杂物、积水等清除干净,并用高压风将隧底吹冼干净,超挖部分采用同级砼回填至设计位置。
明洞地段,仰拱开挖断面检查合格后进行钢筋安装。
钢筋进场时,必须对其质量指标进行全面检查并按批抽取试件做屈服强度、抗拉强度、伸长率和冷弯试验,符合先行国家标准后方可投入使用。
中铁二十一局技术交底书为76.8cm。
仰拱填充层中部设中心水沟,中心水沟采用C30混凝土浇筑,由于仰拱填充混凝土标号与中心矩形盖板沟混凝土标号不同,盖板沟安装在仰拱填充完成后再进行立模浇筑。
施工准备仰拱砼面或底板面清理安装固定仰拱填充层挡头板及中心水沟模板验收合格灌筑混凝土养护达到设计强度100%,车辆通行结束七、钢筋混凝土分步施作示意图1、隧底初喷10cm混凝土。
2、仰拱钢筋绑扎施作,如图:3、用C40防腐混凝土浇筑仰拱及两侧,如图(图中未示预留搭接钢筋):4、仰拱填充C20混凝土浇筑,完成后如图(图中未示预留搭接钢筋):5、二衬钢筋绑扎施作,如图:6、两侧边墙混凝土凿毛,二衬C40防腐混凝土施作,完成后如图:八、施工注意事项1、仰拱施工前须将上循环混凝土仰拱接头凿毛处理,并按设计要求固定好止水带,安装好仰拱钢筋,并预留与边墙衬砌连接筋。
2、仰拱施工缝处钢筋应断开,并要注意与拱墙衬砌施工缝处于同一竖直面上。
3、根据设计图纸要求,V级围岩衬砌钢筋连接采用钢筋接驳器进行机械连接,施工中要根据实际情况埋分段,相邻连接位置应相互错开,同一区段钢筋接头面积不大于全部钢筋面积的50%。
4、仰拱施工前应仔细核对预埋件类型、数量以及安装里程和安装方法,并对不同专业类型预埋件出现相互矛盾的现象及时请设计院澄清,确保预埋件不遗漏、安装质量符合设计要求,从而为后续工程施工创造良好条件。
5、本技术交底参阅隧道复合式衬砌参考图相关图纸。
交底未详之处严格按照施工图进行施工。
6、注意隧道变形缝施作里程DK60+080、DK60+140、DK60+200、DK60+260、DK60+320、DK60+381、DK62+025,该里程处仰拱及二衬断开施作。
交底人复核审核接底人。
一、工程概况1. 工程名称:____________________2. 工程地点:____________________3. 施工单位:____________________4. 监理单位:____________________5. 设计单位:____________________二、仰拱施工安全风险及预防措施1. 风险一:开挖过程中坍塌事故预防措施:(1)严格执行开挖方案,确保开挖顺序、范围、深度符合设计要求;(2)加强地质勘察,掌握围岩稳定情况;(3)开挖前进行锚杆、锚索施工,提高围岩稳定性;(4)加强监控量测,发现异常情况立即停止施工,及时采取应急措施。
2. 风险二:仰拱施工过程中发生安全事故预防措施:(1)加强施工人员安全教育,提高安全意识;(2)严格执行施工方案,确保施工顺序、工艺、操作符合要求;(3)加强施工设备检查、维护,确保设备安全运行;(4)施工现场设置安全警示标志,确保施工区域安全。
3. 风险三:仰拱施工过程中发生环境污染事故预防措施:(1)严格按照国家环保法规进行施工,减少施工过程中对环境的影响;(2)施工过程中产生的废弃物、废水、废气等及时处理,防止污染;(3)加强施工现场管理,确保施工区域整洁、有序。
三、施工人员安全要求1. 施工人员必须佩戴安全帽、安全带等个人防护用品;2. 施工人员必须遵守施工现场各项安全规定,不得违章作业;3. 施工人员应熟悉施工图纸、施工方案,掌握施工工艺、操作规程;4. 施工人员应积极参加安全教育培训,提高安全技能。
四、施工机械安全要求1. 施工机械必须符合国家相关标准,确保安全可靠;2. 施工机械操作人员必须取得相应操作资格证书,熟悉机械性能、操作规程;3. 施工机械应定期检查、维护,确保机械状态良好;4. 施工现场应设置安全警示标志,确保施工机械安全运行。
五、施工环境安全要求1. 施工现场应保持整洁、有序,确保施工环境安全;2. 施工现场应设置安全通道、警示标志,确保人员、设备安全通行;3. 施工现场应加强排水、防滑措施,确保施工环境安全;4. 施工现场应设置临时用电设施,确保用电安全。
交底内容:花儿山明洞施工里程为DK301+548-DK301+586,其中洞门里程DK301+548-DK301+555,DK301+579-DK301+586为DQDM倒切式洞门结构形式,衬砌厚度70cm,垫层厚度10cm,明洞衬砌为SLMD-y-2型,衬砌厚度80cm,垫层厚度10cm,仰拱为C35钢筋混凝土,仰拱填充为C20混凝土。
仰拱施工主要工序分为仰拱开挖、仰拱垫层、仰拱衬砌、仰拱填充施工等。
1.技术要求(1) 仰拱及填充层检验应符合《铁路混凝土工程施工质量验收标准》中原材料的有关规定。
(2)施工前,应将隧底虚渣、杂物、泥浆、积水等清除干净,并用高压风将隧底吹洗干净,超挖应采用同级混凝土回填。
(3)隧底开挖后应及时施做仰拱或底板,仰拱混凝土应整体浇筑一次成型,填充混凝土应在仰拱混凝土终凝后进行。
(4)仰拱及填充层浇筑前必须测量基底高程。
(5)混凝土施工前应对水泥、细骨料、粗骨料、拌制和养护用水、外加剂、掺合料等原材料进行检验,各项技术指标应符合有关规定。
(6)混凝土生产应采用自动计量的拌合站、搅拌输送车运输,以保证混凝土的质量。
(7)仰拱填充混凝土强度达到5MPa后方允许行人通行,达到设计强度的100%后方允许车辆通行。
(8) 仰拱纵向施工缝确定在内轨顶面上10㎝。
2.施工程序及工艺流程施工准备→基底清理→测量检查→浇筑垫层砼→仰拱边墙防排水施工→绑扎仰拱钢筋→安装环向背贴式止水带→安装仰拱端头L型下钢模板→安装环向中埋钢边橡胶止水带→安装仰拱端头L型上钢模板→安装仰拱面弧形模板→安装纵向镀锌钢板止水带→浇筑仰拱衬砌混凝土→、预埋件→浇筑仰拱填充混凝土→混凝土拆模、养护→成品保护。
工艺流程测量人员将仰拱施工段标高线及净空尺寸控制点标设在隧道量测边墙上,并向仰拱施工人员进行交底。
3.3仰拱开挖施工人员依照测量人员测量交底,结合围岩开挖断面交底,确保开挖实际尺寸。
土质围岩可采用机械开挖,较硬的石质围岩可用风钻打眼,松动爆破后,机械装运出洞外。
一、交底目的为确保隧道仰拱施工过程中的安全,预防事故发生,提高施工人员的安全意识,现将隧道仰拱安全技术措施进行交底。
二、施工背景隧道仰拱施工是隧道施工的重要环节,关系到隧道结构的稳定性和安全性。
为确保施工顺利进行,以下为隧道仰拱施工安全技术措施交底。
三、安全技术措施1. 人员培训与教育(1)对施工人员进行隧道仰拱施工安全操作规程培训,确保每位施工人员掌握安全操作技能。
(2)对新进场人员进行安全知识教育和考核,合格后方可上岗。
2. 施工现场管理(1)施工前,对施工现场进行安全检查,确保现场安全设施完善,无安全隐患。
(2)施工现场设置安全警示标志,提醒施工人员注意安全。
3. 施工机械设备(1)确保施工机械设备完好,定期进行维护保养。
(2)使用符合国家标准的施工机械设备,并配备必要的安全防护装置。
4. 施工工艺与操作(1)仰拱施工前,应根据围岩条件、地质情况和设计要求,制定合理的施工方案。
(2)仰拱开挖过程中,采用半断面开挖,严格控制超挖和欠挖。
(3)仰拱初期支护采用钢架、钢筋网、喷射混凝土等材料,确保支护结构稳定。
(4)仰拱模筑混凝土施工,采用整体浇筑,一次成型,确保混凝土质量。
5. 防水措施(1)仰拱施工过程中,做好防水处理,防止地下水渗漏。
(2)仰拱施工完成后,进行防水检测,确保防水效果。
6. 施工安全防护(1)施工人员必须佩戴安全帽、安全带等防护用品。
(2)施工现场设置安全通道,确保施工人员安全通行。
(3)施工过程中,注意高空作业安全,防止坠落事故。
7. 应急处理(1)施工现场配备必要的安全防护用品和应急物资。
(2)发生安全事故时,立即启动应急预案,及时组织救援。
四、交底要求1. 施工单位应将本交底内容作为施工过程中的重要依据,严格执行。
2. 施工人员应认真学习并掌握安全技术措施,提高安全意识。
3. 施工现场管理人员应加强对施工过程的监督检查,确保安全措施落实到位。
4. 施工单位应定期对施工人员进行安全技术培训,提高施工人员的安全素质。
一、交底目的为确保仰拱施工过程中的安全,提高施工人员的安全意识和操作技能,现将仰拱施工安全技术要求进行交底,请各施工人员认真学习和遵守。
二、工程概况1. 工程名称:____________________2. 工程地点:____________________3. 施工单位:____________________4. 施工时间:____________________三、仰拱施工安全注意事项1. 人员安全:(1)施工人员必须经过专业培训,持证上岗。
(2)施工人员应佩戴安全帽、安全带、防尘口罩等个人防护用品。
(3)施工人员应遵守施工现场的安全规章制度,服从现场管理。
2. 机械安全:(1)施工机械必须符合国家标准,经检验合格后方可投入使用。
(2)机械设备操作人员必须熟悉机械性能和操作规程,持证上岗。
(3)机械设备运行过程中,应保持安全距离,防止机械伤害。
3. 施工现场安全:(1)施工现场应设置明显的警示标志,禁止无关人员进入施工区域。
(2)施工现场应保持整洁,及时清理施工垃圾,防止绊倒事故发生。
(3)施工现场应设置安全通道,确保人员、物资通行顺畅。
4. 施工过程安全:(1)仰拱开挖前,应进行地质勘察,了解地层情况,制定合理的施工方案。
(2)仰拱开挖过程中,应严格控制爆破作业,防止爆堆伤人。
(3)仰拱初期支护施工,应严格按照设计要求进行,确保支护结构稳定。
(4)仰拱混凝土浇筑过程中,应防止模板移位、变形,确保混凝土质量。
四、应急措施1. 发生安全事故时,应立即停止施工,报告上级部门,并组织人员抢救受伤人员。
2. 根据事故原因,采取相应的应急措施,防止事故扩大。
3. 对事故现场进行封锁,禁止无关人员进入。
五、交底要求1. 施工单位应将本安全技术交底内容纳入施工方案,并严格执行。
2. 施工单位应定期对施工人员进行安全技术培训,提高安全意识。
3. 施工单位应加强施工现场安全管理,确保施工安全。
4. 施工单位应做好事故应急预案,提高应急处置能力。
明洞仰拱及填充施工技术交底**隧道进口洞口设计于DK319+700处,采用100米明洞后进入暗洞,即DK319+700~+800为明洞,该段的仰拱、边墙及衬砌为C35钢筋砼结构,仰拱填充为C20砼。
一、仰拱的开挖仰拱的开挖采用人工配合挖掘机进行施工,挖掘机开挖成型后随即人工整平(开挖尺寸见附图),然后待实验室进行地基承载力实验合格后(设计地基承载力为200KPa,当地基承载力不足时应进行地基加固处理)进行隧底虚渣的清理,必须保证将隧底的虚渣、杂物、积水等清除干净。
二、钢筋的布置及要求待隧底清理干净后进行仰拱钢筋的布置。
仰拱环向钢筋采用Φ22 HRB335钢筋,纵向间距20cm布置,双层布置,上下层钢筋的中心距离为56.2cm。
纵向钢筋采用Φ12 HPB235的圆钢,环向间距25cm布置;连接筋采用两种长度的钢筋,即长度为1.2m和2m两种规格,所用钢筋亦为Φ22HRB335钢筋,具体情况见附图。
钢筋的焊接、搭接、截断等均应按有关规范要求办理。
钢筋在施作前一定要进行校直、除锈及油污等,确保施工质量。
加工后的钢筋表面不应有削弱钢筋截面的伤痕;钢筋安装时,钢筋的位置和砼保护层的厚度应符合设计要求。
三、施工缝与变形缝的防水处理及施工工艺按照设计要求,仰拱施工缝和变形缝处应做防水处理,具体为:环向施工缝中,拱墙与仰拱统一采用中埋式橡胶止水带+遇水膨胀止水条;纵向施工缝处设置中埋式橡胶止水带+界面剂。
止水带的施工工艺要求及安装工艺:①止水带弯曲设置时,其转弯半径不得小于:中埋30cm。
②在现场连接橡胶止水带宜采用热压激硫化胶合,不宜采用冷粘结;其接头外观应平整光滑,其抗拉强度不应低于母材的90%,连接后接头处厚度应基本相同。
严禁不加任何处理的所谓搭接。
搭接长度不小于20cm。
③在绑扎钢筋和支模时,止水带必须采取可靠的固定措施,避免在砼浇筑过程中发生移位,以保证止水带在砼断面中的位置准确。
④固定止水带时,只能在止水带的允许部位上穿孔打洞,不得损坏本体部分。
技术交底记录年月日交底详细内容及附图1、仰拱、仰拱填充领先施工。
仰拱施工前先施工中心深埋水管和横向导水管。
为确保隧道结构的稳定和安全,仰拱施工时浇筑部分边墙,以利墙拱衬砌台车进行施工。
由于出渣运输与仰拱施工存在干扰,无法正常作业。
为此采取防干扰仰拱栈桥做为过渡通道,以保证掌子面正常施工。
仰拱混凝土整体浇筑,一次成形,填充混凝土在仰拱混凝土终凝后进行。
2、隧道仰拱钢筋参数如下:Ⅴ级加强采用双排钢筋主筋为Φ25环向布置,纵向间距15cm;纵向钢筋采用φ16,间距25cm,设置与主筋内侧;φ8拉筋间距环向25cm、纵向15cm布置,φ6电缆槽墙角构造筋纵向15cm布置。
钢筋布置图详见(Ⅴ级围岩路堑式明洞钢筋布置图(一))3、仰拱混凝土采用C35,P10防水钢筋混凝土,填充为C20砼。
仰拱开挖至设计标高后由测量班进行测量放样,设中心桩及边桩,及仰拱底部标高。
4、钢筋加工:⑴钢筋进场时应对其规格、型号、数量进行核对,并进行试验,试验合格方可使用;进场钢筋必须进行妥善保管,防止油污、锈蚀、损伤等,并按规格分别堆放,堆放时应避免锈蚀和污染。
钢筋宜堆置在仓库(棚)内,露天堆置时,应垫高并加遮盖。
设标识牌。
⑵盘圆钢筋使用前应对其进行调直除污锈处理,利用冷拉法矫直钢筋时钢筋矫直伸长率:Ⅰ级钢筋不得超过2%,Ⅱ级钢筋不得超过1%,且加工后的钢筋表面不应有削弱钢筋截面的伤痕,设置在主筋和纵向筋交叉点处,要求与主筋绑扎牢固。
⑶主筋连接采用接驳器连接,施工中根据实际情况分段,相邻连接位置相互错开,同一区段钢筋接头面积不大于全部钢筋面积的50%,且连接位置不得位于拱顶。
⑷所有钢筋表面不得有油迹、水泥浆、浮皮铁锈等,不得有削弱钢筋截面的切痕等损伤;钢筋安装应牢固不易变形,同时要保证保护层厚度。
安装时严格控制钢筋间距均匀及两层钢筋的层距。
⑸边墙预埋钢筋设置:隧道仰拱施工时必须埋设边墙钢筋,边墙主筋应与仰拱钢筋一一对应,预留接长部分长短错开,间距一致,纵向成排,浇注砼过程中防止移位。
一、交底目的为确保仰拱施工过程中的安全,预防安全事故的发生,现将仰拱施工安全技术进行交底,要求所有施工人员必须认真学习并严格遵守。
二、交底内容1. 施工现场环境及安全要求(1)施工现场应设置明显的警示标志,确保施工人员对施工区域有清晰的认知。
(2)施工区域应保持整洁,无积水、无杂物,确保施工通道畅通。
(3)施工人员必须佩戴安全帽、安全带、防尘口罩等个人防护用品。
2. 施工工艺及操作要求(1)仰拱开挖前,应仔细检查施工图纸,了解设计要求,确保开挖尺寸符合设计规范。
(2)仰拱开挖过程中,应遵循“先外后内、先上后下”的原则,确保开挖顺序合理。
(3)仰拱开挖过程中,应保持开挖面的稳定性,避免因开挖不当导致坍塌。
(4)仰拱支护施工时,应严格按照设计要求进行,确保支护结构安全可靠。
(5)仰拱混凝土浇筑前,应对模板、钢筋等材料进行检查,确保质量合格。
(6)仰拱混凝土浇筑过程中,应控制浇筑速度,避免因浇筑过快导致混凝土离析。
3. 安全防护措施(1)施工人员应熟悉施工现场的安全防护设施,如安全网、防护栏杆、警示标志等。
(2)施工过程中,应遵守“一人作业,一人监护”的原则,确保作业人员安全。
(3)施工人员应按照操作规程进行施工,不得擅自改变施工工艺。
(4)施工现场应配备足够的消防器材,确保发生火灾时能够及时扑救。
4. 应急处理措施(1)发生安全事故时,应立即停止施工,迅速上报事故情况。
(2)根据事故情况,采取相应的应急措施,确保人员安全。
(3)对事故原因进行分析,制定整改措施,防止类似事故再次发生。
三、交底要求1. 施工人员应认真听取安全技术交底,对不清楚的地方及时提问。
2. 施工过程中,必须严格遵守安全技术要求,不得违反操作规程。
3. 施工单位应定期对施工人员进行安全技术培训,提高施工人员的安全意识。
4. 施工单位应加强对施工现场的监督检查,确保安全措施落实到位。
四、总结仰拱施工安全至关重要,全体施工人员要高度重视,认真学习安全技术交底内容,切实提高安全意识,确保施工过程安全顺利进行。
共6页第1 页
共6页第2 页
共6页第3 页
共6页第4 页
共6页第5页
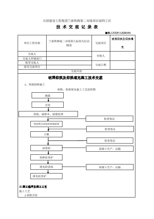
工程名称新石花庙隧道(YDK104+265)
接受交底
班组
新石花庙隧道作业队
交底项目明洞仰拱及仰拱填充施工技
术交底
交底
日期
2011年4月20日
交底内容:
隧道施工缝、变形缝防水处理。
(如下图)
本图尺寸单位为:cm
a、止水带安设工艺:
沿衬砌设计轴线间隔0.5米在挡头板上钻一φ12钢筋孔。
将加工成型的φ10钢筋卡由待模筑混凝土一侧向另一侧穿入,内侧卡紧止水带一半,另一半止水带平结在挡头板上。
待模筑混凝土凝固后拆除挡头板,将止水带靠中心钢筋拉直,然后弯曲φ10钢筋卡套上止水带,模筑下一环混凝士。
在绑扎钢筋和支模时,止水带必须采取可靠的固定措施,避免在
浇筑砼时发生位移。
四、质量要求
1、混凝土浇筑须分层连续进行,每层厚度不大于60cm,震动棒应插入下层混凝土不小于5cm;避免在两层中间造成“冷缝”。
2、混凝土灌筑不得间断,如特殊原因必须间断时,须按施工缝处理。
3、混凝土拌和时须注意水灰比的控制,确保混凝土的和易性。
4、混凝土在灌筑后16h脱模,脱模养护时间不少于7天,抗渗混凝土养护时间不小于14天。
5、钢筋绑扎长度为35d,单面焊接长度为10d,双面焊接长度为5d;上下排钢筋位置偏差不得超过设计±1.5cm;同一排中受力钢筋间距偏差不大于1cm,分布钢筋、箍筋间距偏差不大于2cm。
五、安全措施
进入施工现场必须正确佩带安全帽。
(一)、钢筋加工及绑扎
1、钢筋操作应戴手套,在弯曲和切断钢筋时,裤脚应用带子扎紧。
2、人工剁断钢筋时,需检查锤把是否牢固,打锤人和把剁子人应该成斜角,打锤时要注意周围用无闲人站立,剁短钢筋时,应设有简易防护罩,以防崩出伤人。
3、使用机械切断钢筋时,钢筋应安稳在切口问,并用手握住未端以防摇摆,切断短料时需用钳子夹料,不得用手直接把料。
4、人工锯断钢筋时,要使锯路顺直,垂直且勿歪扭,以免锯条
技术交底记录
共6页第6 页。